Удиви меня
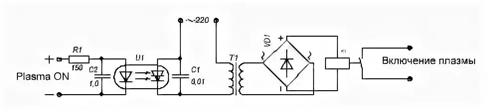
Включается плазма
Телевизор плазма фусион. телевизор новекс плазма. телевизор самсунг не плазма. телевизор lg не плазма.
Lg 42pc1rr. плазменный телевизор lg 42pc1rr. samsung ps42 плазма. 42 плазма экран.
Почему не включается плазменный телевизор. плазма включенная. плазменный телевизор долго включается экран. normande плазма включение.
Включается плазма
Включается плазма
Samsung ps42b430 плазма ремонт. неисправности плазменных телевизоров. ремонт samsung ps42b430p2w. плазма samsung ps42c92hr работает и отключается.
Включается плазма
Включается плазма
Samsung ps42b430p2wxru. неисправность плазмы самсунг ps42c450b1w. неисправности плазменных телевизоров. ремонт телевизоров плазма.
Включается плазма
Включается плазма
Tx-pr42u10. ремонт тв панасоник плазма. ремонт плазмы панасоник 51д. неисправность sc board в телевизоре панасоник.
Включается плазма
Panasonic tx-pr42u30 не включается. srv55t03tv/30 не вращается.
Включается плазма
Включается плазма
Panasonic th r42py70. panasonic th-42py70. телевизор panasonic th-r42py70a. плазма панасоник терморезисторы.
Телевизор akai плазма. телевизоры ноутбуки жидкокристаллические плазменные акай 3009 года. жк плазма akai.
Mach3 плазма схема. схема подключения платы mach3. подключение источника плазмы к чпу. подключения плазма плазмы к плате мач 3 usb.
Телевизор самсунг ps43d450a2w. samsung ps42 плазма. самсунг ps50c430a1w. samsung ps43d490a1wxru.
Rolsen rp 42s10 пульт. rolsen rp-50h10 ic телевизор. rolsen rp-42h30 пульт. плазма rolsen 50.
Включается плазма
Включается плазма
Плазма philips 42pf5321/12. филипс 42pf5331. philips 42pf9966/10. телевизор philips 42pf5320.
Включается плазма
Samsung ps42c450b1w. samsung ps42c430a1w. телевизор самсунг ps42c430a1w. плазма samsung ps42c430a1w.
Включается плазма
Включается плазма
Предохранитель lg плазма-60. тв самсунг плазма 42u2p. телевизор samsung le26c350d1w материнская плата. телевизор самсунг le32a430t1.
Платы к тв плазма panasonic.
Включается плазма
Телевизор panasonic tx-pr42u30. плазма tx-pr50ut30. panasonic tx-p50st50. panasonic tx-pr42st50.
Включается плазма
Включается плазма
Включается плазма
Включается плазма
Samsung ps 42c92hr. samsung plasma ps50b430p2w. samsung ps 42c91hr ремонт. samsung ps 42c91hr не включается.
Включается плазма
Телевизор daewoo dpp - 32a2. daewoo dpp-32a2 блок питания. пульт для телевизора daewoo dpp 32a2. телевизор daewoo dpp-32a2 плазма пульт ду.
Включается плазма
Включается плазма
Mach3 для плазменной резки плата. контроллер тнс для плазменной резки. контроллер высоты плазмы thc плазма. mach3 плазма схема.
Lg 50 plasma. телевизор lg плазма черное пятно. плазменный телевизор 42pw451. lg 50pj250.
Lg 42 плазма. плазменный телевизор 42pw451. плазменный тв lg 42pq3. плата на телевизор lg плазма.
Включается плазма
Включается плазма
Этериальная плазма. плазма физика. плазма это в физике. плазма изображение.
Плазма. dbd плазма. холодная плазма. тлеющий разряд в плазменных телевизоров.
Включается плазма
Газоразрядная трубка плазма. газоразрядная трубка 2027-23-clf. плазменная лампа тлеющий разряд. газоразрядная плазма политех.
Плазма. плазма физика. плазма изображение. плазма это в физике.
Включается плазма
Включается плазма
Включается плазма
Включается плазма
Телевизор включается индикатор горит samsung. телевизор включается. плата индикатора телевизора самсунг. перестал включаться телевизор.
Включается плазма
Включается плазма
Супра телевизор stv-lc32st0095w смарт тв. телевизор супра st-lc3225awl. телевизор supra stv-lc32lt0075w. телевизор супра плазма.
Включается плазма
Название плат плазменного телевизора. телевизор панасоник viera не включается моргает красный индикатор. не включается плазменный телевизор panasonic модель th 42 p a 60 r.
Включается плазма
Телевизор panasonic th-42pwd6. телевизор panasonic tr1030p. плазма tx-pr50ut30. panasonic plasma television th-42py800mr.
Включается плазма
Включается плазма
Включается плазма
Низкотемпературная плазма и высокотемпературная плазма. плазмотрон для сжигания мусора. плазменный ускоритель тринити. импульсный ускоритель плазмы.
Polar 51ctv4010 плата. lg плазма 32 включается и выключается. телевизор lg 32 предохранитель. телевизор включается и выключается.
Телевизор sony kv 29ls60. телевизор самсунг ws-32z31ssq тдкс пропаять. телевизор включается и сразу выключается. шлейф блока питания телевизора toshiba.
Включается плазма
Включается плазма
Включается плазма
Включается плазма
Плазма панасоник терморезисторы. плазма панасоник плата x и y. блока управления panasonic плазма. устройство плазменного телевизора.
Включается плазма
Включается плазма
Плазма физика. плазма в природе. плазма это в физике. плазменные нити.
Philips 47pfl4006h. телевизор отключается. телевизор включается. телевизор сам выключается.