Удиви меня
Устройство патфайндер
R51 nissan pathfinder тормозная система схема. схема кондиционирования на nissan pathfinder r50. трансмиссия ниссан патфайндер r51. схема системы кондиционера ниссан патфайндер р 51.
Nissan pathfinder r50 провод антенны. каталог запчастей ниссан патфайндер r51 2.5 дизель. цз nissan pathfinder r51. каталог запчастей ниссан патфайндер r51.
Схема предохранителей патфайндер r51. nissan pathfinder r51 предохранители. предохранители pathfinder r51 схема. схема предохранителей nissan pathfinder r51.
Схема электропроводки ниссан патфайндер r51 дизель. схема электропроводки nissan pathfinder. схема кондиционирования на nissan pathfinder r50. электропроводка двс ниссан патфайндер r51 дизель.
Схема раздатки патфайндер r51. схема раздатки патфайндер r51 дизель. раздаточная коробка ниссан патфайндер r51 схема. раздатка патфайндер r51 схема.
Схема охлаждения двигателя nissan pathfinder r51. тормозная система nissan pathfinder r51. блок abs nissan pathfinder r51 схема. схема двигателя ниссан патфайндер r51 дизель.
Каталог запчастей ниссан патфайндер r51 3.0 дизель. каталог запчастей ниссан патфайндер r51. каталог запчастей ниссан патфайндер r51 2.5 дизель. электрическая схема ниссан патфайндер r51 дизель.
Шумоизоляция патфайндер r51. шумоизоляция ниссан патфайндер r51. nissan pathfinder r51 салон. шумоизоляция nissan navara.
Каркас сиденья ниссан патфайндер r51. ниссан патфайндер r51 крепление блок управления сидений. сиденье ниссан с25. болт крепления сидения ниссан.
Схема привода ниссан патфайндер r51. схема антенны pathfinder r51. патфайндер 2.5 схема полного привода. электрическая схема ниссан патфайндер r51 дизель.
Тормозная система ниссан патфайндер r51. nissan pathfinder 2008 электрическая схема. тормозная система nissan pathfinder r51. схема двигателя ниссан патфайндер r51 дизель.
Pathfinder r51 шумоизоляция. nissan pathfinder r51 багажник. шумоизоляция ниссан патфайндер r51. ниссан x terra шумоизоляция 2003.
Nissan pathfinder r50 провод антенны. fuel pump relay ниссан патфайндер. реле накала свечей ниссан патфайндер r51. ниссан патфайндер блок bcm место расположения.
Андроид магнитола на ниссан патфайндер r51. nissan pathfinder r51 мультимедиа. nissan pathfinder r51 android. nissan pathfinder r51 рестайлинг.
Сиденье водителя ниссан патфайндер r51. схема запчастей ниссан патфайндер r51. каталог запчастей ниссан патфайндер r51. nissan pathfinder r51 сиденья.
Схема двигателя ниссан патфайндер r51 дизель. двигатель ниссан патфайндер 2.5 дизель схема. nissan pathfinder r51 схема двигателя. схема двигателя nissan pathfinder r51 дизель.
Nissan pathfinder r51 2008. nissan pathfinder r51. ниссан патфайндер 1. nissan pathfinder r51 комплектации.
Nissan pathfinder 2005. ниссан патфайндер 2005. nissan pathfinder iii 2004 - 2010. nissan pathfinder iii (r51).
Устройство патфайндер
Ниссан патфайндер габариты. ниссан патфайндер р51 габариты. ниссан патфайндер р51 высота. nissan pathfinder r51 габариты.
Схема предохранителей ниссан патфайндер r50. ниссан патфайндер r50. ниссан патфайндер r50 габариты. nissan pathfinder r50 предохранители.
Nissan pathfinder. ниссан патфайндер 3 поколения. nissan pathfinder r51 2007. ниссан джип pathfinder, nissan.
Nissan pathfinder iii 2012 рама. nissan pathfinder рама вид снизу. рама ниссан патфайндер r51. рама ниссан патфайндер 51.
Nissan pathfinder (r51) 2005-2014. nissan pathfinder r51 2005. nissan pathfinder 2012. ниссан патфайндер r51.
Система отопления nissan pathfinder r51. печка патфайндер r51 2.5 дизель. схема печки ниссан патфайндер r51 дизель. вентилятор отопителя ниссан патфайндер r51 схема.
Раздатка ниссан патфайндер r51. трансмиссия ниссан патфайндер r51. pathfinder r51 муфта в раздатке. схема коробки nissan pathfinder r50.
Двигатель vq40 pathfinder 4.0. nissan pathfinder схема двигателя. ниссан патфайндер r51 расположение цилиндров. схема двигателя ниссан патфайндер 2.5 дизель 190 л.с.
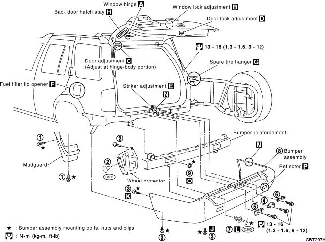
Замок задней двери ниссан патфайндер r51. замок багажника pathfinder r51. ручка двери nissan pathfinder r51 задняя на схеме. замок водительской двери ниссан патфайндер.
48080-3ja0a. схема рулевого управления ниссан патфайндер r51. рулевое управление ниссан патфайндер r51. рулевой вал ниссан патфайндер.
Nissan pathfinder 2007. nissan pathfinder 2005. ниссан патфайндер 2008. ниссан патфайндер 2008 года.
Nissan pathfinder 2010. nissan pathfinder iii. ниссан патфайндер 5 поколения. nissan pathfinder 3.5.
Замок задней двери ниссан патфайндер r51. замок багажника pathfinder r51. замок двери ниссан террано. замок пятой двери nissan pathfinder.
Nissan pathfinder 3. ниссан патфайндер 200. ниссан патфайндер 3 рестайлинг. ниссан патфайндер 2 поколения.
Устройство патфайндер
Устройство патфайндер
Схема трансмиссии ниссан патфайндер r51. схема трансмиссии nissan navara. nissan navara схема раздатки. схема раздатки патфайндер r51 дизель.
Устройство патфайндер
Патфайндер 2.5. nissan pathfinder 5. nissan pathfinder 2. ниссан патфайндер 2.5 дизель.
Устройство патфайндер
Устройство патфайндер