Удиви меня
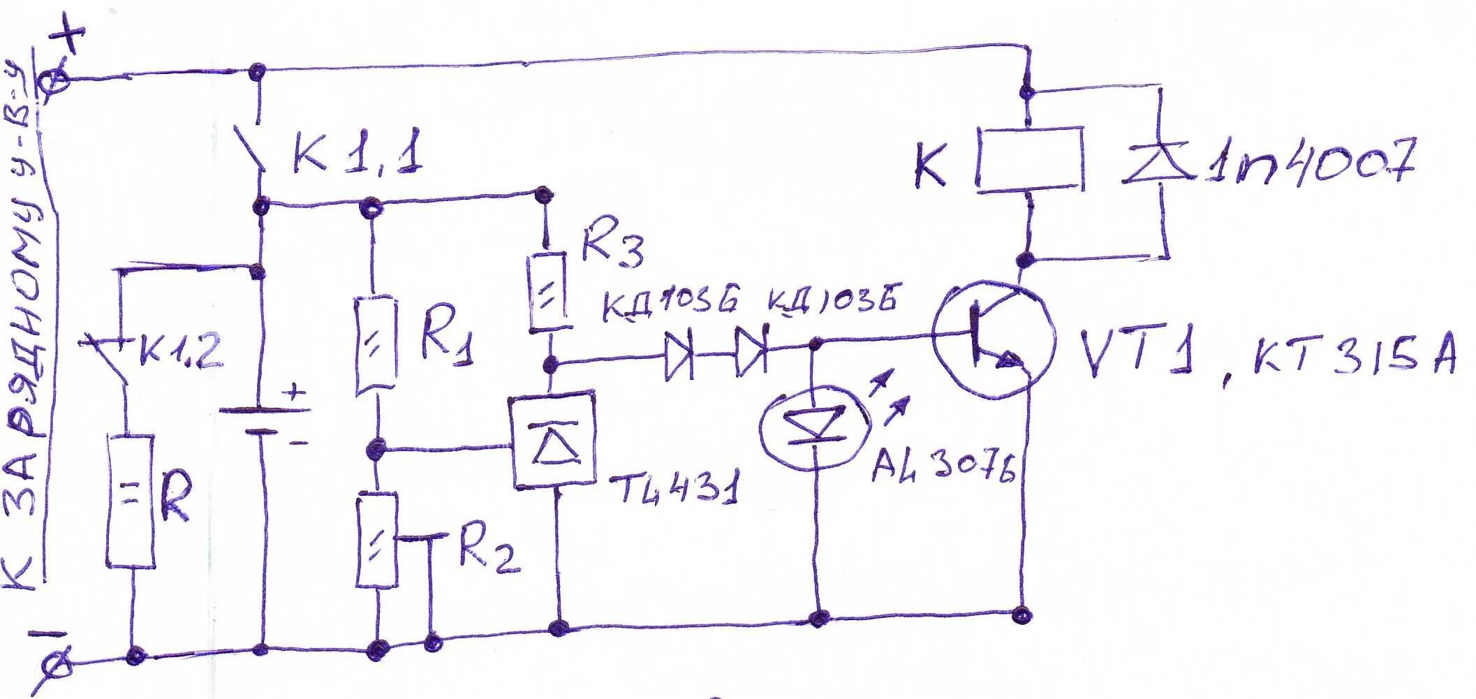
Устройство отключения зарядного устройства
Схема автоматического выключения зарядного устройства. схемы автоматического отключения аккумулятора. автомат отключения зарядного устройства схема. схема зарядного устройства авто аккумуляторов с автоотключением.
Схема автоматического отключения заряда аккумулятора. схема автоматического выключения зарядного устройства. схема автоматического выключения зарядного устройства на реле. схему зарядного устройства отключением.
Схема автоматического отключения зу. схемы автоматики отключения зарядного устройства. автоматическое включение и отключение зарядного устройства. зарядное устройство с автоматическим выключением.
Схем зарядки аккум 3.7 вольт. контроллер заряда аккумулятора 3.7 вольт. контроллер заряда аккумулятора 12 вольт схема на тиристоре. автоматическое включение и отключение зарядного устройства.
Приставка автомат к зарядному устройству. таймер отключения зарядных устройств. radiomaster r88 подключение. автомат отключения зарядного устройства на не 555.
Схема автоматического отключения заряда аккумулятора. схема автоматики зарядного устройства автомобильного аккумулятора. схема автомата отключения аккумулятора при полной зарядке. схема автомат зарядник акб 12в..
Устройство отключения зарядного устройства
Схема автоматического выключения зарядного устройства. схема автомата зарядного устройства для автомобильного аккумулятора. автоматическое зарядное устройство для акб схема. схема зу для акб с автоматическим отключением.
Схема автоматического отключения заряда аккумулятора. схема приставки к зу для автоматической зарядки акб. схема автоматического отключения аккумулятора при зарядке. автомат отключения зарядного устройства схема.
Схема автоматического отключения заряда аккумулятора. схема отключения зарядного устройства по окончанию зарядки. схема автоматического выключения зарядного устройства. схема отключения зарядного устройства по напряжению.
Схема автоматического отключения заряда аккумулятора. схема зу для акб с реле зарядки. схема автомата зарядного устройства для автомобильного аккумулятора. схема защиты от перезаряда аккумулятора 12в.
Схема автоматического отключения заряда аккумулятора. схема зарядного устройства с автоматическим отключением. схема выключения после заряда аккумулятора. схема автомата отключения аккумулятора при полной зарядке.
Схема зарядного устройства авто аккумуляторов с автоотключением. схема автоматического отключения заряда аккумулятора. схема автоматического зарядного устройства для акб 12в. схема зарядки авто аккумулятора 12в.
Автоматическое отключение зарядки аккумулятора схема. схема автоматического зу для акб автомобиля. автоотключение зарядки аккумулятора схема. схемы автоматического отключения аккумулятора.
Схема самодельного зарядного устройства для акб автомобиля. схема автоматической зарядки автомобильного аккумулятора. схема зарядно-десульфатирующего устройства для аккумуляторов. приставка к зу для десульфатации акб.
Защита акб от перезаряда схема. схему зарядного устройства отключением. схема автоматического отключения акб от зарядки. схема автоматического выключения зарядного устройства.
Схема десульфатации аккумуляторных батарей. приставка к зу для десульфатации акб. приставка для зарядного устройства автомобильных аккумуляторов. схема выключения зарядного устройства.
Схема автоматического отключения заряда аккумулятора. схема автомат зарядник акб 12в.. схема автомата отключения аккумулятора при полной зарядке. схема автоматического выключения зарядного устройства на реле.
Схема зарядного устройства акб заряд 2. схема зарядки акб 12в. схема автоматической регулировки тока заряда акб. зарядник для акб автомобиля своими руками схема.
Схема автоматического отключения заряда аккумулятора. схема автоматического выключения зарядного устройства. схема зарядного устройства с автоматическим отключением. схема автоматического отключения акб от зарядки.
Схема автоматического отключения заряда аккумулятора. схема автоматического выключения зарядного устройства. схема зарядного устройства акб с автоматическим отключением. схема зарядного с автоматом отключения.
Схема выключения после заряда аккумулятора. схема отключения зарядного устройства по напряжению. контроль заряда акб 12 вольт. схема реле напряжения 12в на отключение.
Автоматическое зу для автомобильного аккумулятора схема. схема зу для акб с автоматическим отключением. схема автоматического отключения заряда аккумулятора. автоматическое зарядное устройство для автомобильного акб схема.
Схема автоматического отключения заряда аккумулятора. схема автомата отключения аккумулятора при полной зарядке. схема автоматического выключения зарядного устройства на реле. схема для десульфатации акб.
Схема зарядного устройства для автомобильного аккумулятора. схема зарядного устройства с автоматическим отключением. схема автоматического выключателя зарядного устройства. схема зарядного устройства акб с автоматическим отключением.
Схема зарядного устройства с автоматическим отключением. автомат отключения зарядного устройства схема. схема автоматического отключения заряда аккумулятора. зарядное устройство автомат для автомобильных акб схема.
Автомат приставка к зу для аккумулятора. схема автоматического отключения заряда аккумулятора. автоматическое отключение зарядки аккумулятора схема. схема контроля заряда,разряда аккумулятора 12 вольтовая.
Схема автомата зарядного устройства для автомобильного аккумулятора. схема автоматического зу для акб автомобиля. схема зарядного устройства с автоматическим отключением. автоматическое зу для автомобильного аккумулятора схема.
Схема автоматического выключения зарядного устройства. схема зарядного устройства на 24 вольта. схема зарядки с отключением питания. схемы зарядок аккумуляторов на 24 вольта.
Схема автоматического отключения заряда аккумулятора. схема автоматического зу для акб автомобиля. схема автомат зарядник акб 12в.. автоматическое зарядное для автомобильного аккумулятора схема.
Устройство отключения зарядного устройства
Схема автоматического отключения заряда аккумулятора. схема зарядного устройства акб с автоматическим отключением. схемы автоматики отключения зарядного устройства. автомат отключения акб от зарядного устройства.
Схема автоматического выключения зарядного устройства. схема зарядного устройства с автоматическим отключением. схема автомата зарядного устройства для автомобильного аккумулятора. схема зу для акб с автоматическим отключением.
Схема автомата зарядного устройства для автомобильного аккумулятора. схема зарядного устройства с автоматическим отключением. схема автоматического отключения заряда аккумулятора. автомат приставка к зу для аккумулятора.
Схемы автоматического отключения аккумулятора. схема простого зу акб автомат. схема автоматического зу для акб автомобиля. автомат отключения зарядного устройства схема.
Автомат отключения зарядного устройства схема. автомат приставка к зу для аккумулятора. схема автоматического отключения заряда аккумулятора. солнечная батарея из транзисторов своими руками схемы.
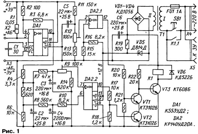
Пускозарядно-диагностический прибор т-1003п схема электрическая. автомат приставка к зу для аккумулятора. автоматическое зарядное устройство на к553уд2. зарядное устройство сигнал зту автомат схема.
Автомат отключения зарядного устройства схема. схема зу для акб с автоматическим отключением. схема зарядного устройства с автоматическим отключением. схема автоматического зу для акб.
Выпрямитель для зарядки аккумулятора 12 вольт схема. схема автоматического выключения зарядного устройства на реле. защита для зарядного устройства для автомобильного аккумулятора. схема зарядника для автомобильного аккумулятора своими руками ..
Схема отключения зарядного устройства по окончанию зарядки. схема автомата отключения аккумулятора при полной зарядке. схемы отключения зарядного при полной зарядке аккумулятора. автоматическое включение и отключение зарядного устройства.