Удиви меня
Усилитель высокий сигнал
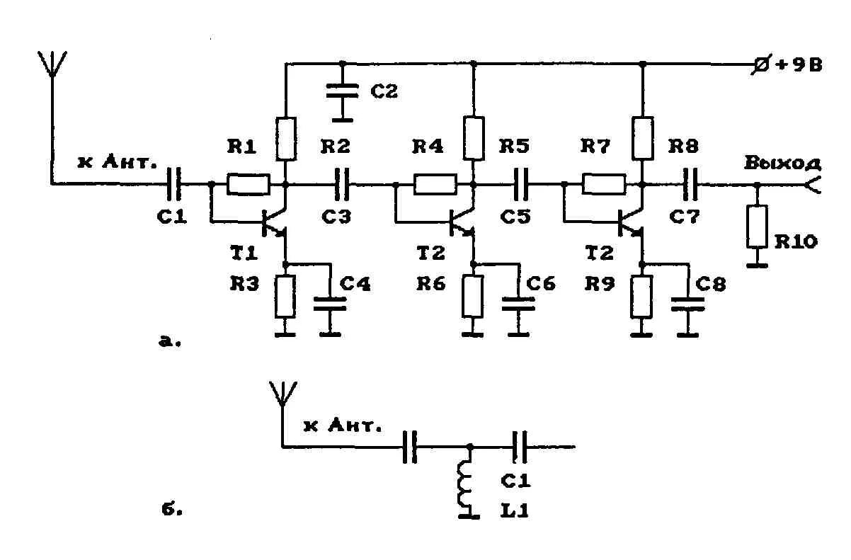
Антенный усилитель фм диапазона схема. схема фм усилителя для антенны радиоприемника. широкополосный усилитель высокой частоты схема. антенный усилитель фм диапазона своими руками.
Каскодный широкополосный усилитель. генератор плавного диапазона трансивера 2. широкополосный усилитель мощности схема. каскодный усилитель на кт 606.
Широкополосный урч (усилитель радиочастоты ) схема. антенный широкополосный усилитель кт368. широкополосный апериодический усилитель вч. широкополосный усилитель на кт606.
Md lab sq5. sq5 преобразователь. md lab преобразователь. преобразователь высокоуровневого сигнала md lab sq5.
Hi input штекер для усилителя. усилитель рца сигнала.
Усилитель высокий сигнал
Усилитель высокий сигнал
Широкополосный усилитель мощности схема. широкополосный усилитель высокой частоты схема. схема усилителя вч сигнала. схема широкополосного усилителя мощности вч.
Штекер hi-input 4 pin. разъём hi input. high input на активном сабвуфере что это. усилитель входа 2.100.
Широкополосный усилитель высокой частоты схема. широкополосный апериодический усилитель вч.
Микрофонный усилитель на полевом транзисторе кп103. входной усилитель формирователь частотомера fc250. входной формирователь для частотомера на кп303. частотомер bf998.
Преобразователь рца сигнала. линейный преобразователь rca. преобразователь высокоуровневого сигнала. конвертер высокоуровневого сигнала в линейный.
Усилитель вч для кв приемника. усилитель высокой частоты на кт606. схема широкополосного усилителя мощности вч. усилитель вч мощности для трансивера схема.
Усилитель высокий сигнал
Усилитель dls ma41. dls ma 12, усилитель. dls ma41 high input. power acoustik ps2-300.
Усилитель mosconi. hi end усилитель. усилитель друг на друге. hla150 plus.
Эмиттерный повторитель схема на кт315. транзисторный усилитель сигнала схема. эмиттерный повторитель вч сигнала. схема генератора сигналов с усилителем сигнала.
Широкополосный генератор сигналов вч. широкополосный апериодический усилитель вч. широкополосный усилитель вч схема. широкополосный усилитель высокой частоты схема.
Усилитель высокий сигнал
Генератор плавного диапазона трансивера 2. генератор 500 кгц для трансивера схема. усилитель сигнала гпд трансивера. усилитель вч для кв приемника.
Широкополосный усилитель высокой частоты схема. детектор свч излучения схема. детектор вч сигнала схема. широкополосный свч детектор обнаружитель схема..
Усилитель мощности fm передатчика схема. усилитель укв передатчика. усилитель вч для передатчика на одном транзисторе схема. усилитель мощности вч на кт904а.
Преобразователь высокоуровневого сигнала в линейный схема. схема преобразователя высокоуровневого сигнала. линейный преобразователь кикс. преобразователь линейных выходов схема.
Усилитель высокий сигнал
Усилитель высокий сигнал
Усилитель для аудио 2.2000. разъем питания автомобильного усилителя. автоусилитель esx xe6440-dsp. переключатель для кроссовера усилителя.
Схема укв 88-108мгц приемника на транзисторах. антенный усилитель для укв приемника схемы. антенный усилитель для fm диапазона 88-108 мгц. увч усилитель высокой частоты на укв.
Схема подключения динамиков к усилителю 4 канальному. подключение сабвуфера к усилителю через высокоуровневые входы. как подключить усилитель по высокоуровневому входу.
Усилитель высокий сигнал
Усилитель высокий сигнал
Усилитель высокий сигнал
Усилитель высокий сигнал
Преобразователь сигнала ария. aria hl-4c. преобразователь ария линейный.
Преобразователь rca линейных выходов схема. схема линейного выхода автомагнитолы. схема преобразователя высокоуровневого сигнала. преобразователь линейных выходов схема.
Усилитель видеосигнала схема подключения. усилитель аудиосигнала на транзисторах. усилитель видеосигнала для видеонаблюдения схема.
Моноблок swat 1.1000. усилитель swat m-2.120. сват одинканальник моноблок 1.500. усилитель swat m-1.1000.
Схема преобразователя высокоуровневого сигнала. схема подключения преобразователя линейного выхода для сабвуфера. схема подключения преобразователя сигнала.
Высокочастотный усилитель схема. усилитель промежуточной частоты схема электрическая принципиальная. широкополосный усилитель высокой частоты схема. антенный усилитель для укв приемника схемы.
Преобразователь уровня сигнала alpine 4311. rca преобразователь автозвук. преобразователь высокого уровня автозвук. преобразователь высокого уровня для сабвуфера.
Усилитель высокий сигнал