Удиви меня
Усилитель 3 вольт
Усилитель звука с питанием 3.7 вольт схема. усилитель звука 3.7 вольт схема. усилитель звука с питанием 5 вольт схема. схема усилителя с питанием 3-5 вольт на микросхеме.
Усилитель на транзисторах 3 вольта. унч на 3 транзисторах. усилитель на транзисторах 3.7 вольт. унч 3 вольт на транзисторах.
Усилитель 5 ватт на двух транзисторах. усилитель звуковых частот на 3 транзисторах. усилитель 5 ватт на транзисторах. унч-3 схема.
Усилитель унч на 4- транзисторах. усилитель 5 ватт на транзисторах. схема простого усилителя низкой частоты на транзисторах. унч на транзисторах 1вт.
Усилитель унч-5 схема. схема унч для приемника. схема усилителя нч с питанием 5 вольт. унч на транзисторах с однополярным питанием 3 вольта.
Усилитель на 3 вольта. мощный усилитель звука на 2 транзисторах. простой усилитель звука на 3 вольта. усилитель звука на трёх транзисторе.
Усилитель звука на двух транзисторах 12 вольт. усилитель 5 ватт на транзисторах. схемы унч на транзисторах с питанием на 3 вольта. усилитель на транзисторах с питанием 3 вольта.
Усилитель для динамика на 2 транзисторах. усилитель 12 вольт на транзисторах схема. усилитель для динамика на 1 транзисторе. усилитель звука на двух транзисторах 12 вольт.
Схема предварительного усилителя на кт315. усилитель на 100 ватт схема 12 v на транзисторах. кв конвертер на двух транзисторах схема.
Усилитель на транзисторах с питанием 3 вольта. схема усилителя переменного тока на одном транзисторе. усилитель 12 вольт на транзисторах схема. усилитель звука на 2 транзисторах схема.
Усилитель 3 вольт
Усилитель 3 вольт
Усилитель звука с питанием 3.7 вольт схема. усилитель звука 3.7 вольт схема. усилитель звука 5 вольт. усилитель на транзисторах 3.7 вольт.
Усилитель звука 5 ватт 12 вольт. усилитель звука на двух транзисторах 12 вольт. усилитель на 12 вольт схема. усилитель звука на 9 вольт.
Стерео усилитель 3+3 ватта на pam8403 на проводе. усилитель 3 вата.
Усилитель на транзисторах 3.7 вольт. схема усилителя звука на транзисторах 12 вольт. схема простого усилителя звука на транзисторах на 5 вольт. усилитель звука 3.7 вольт схема.
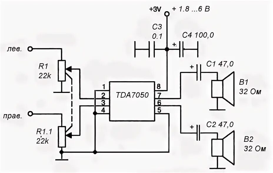
Даташит tda7050. унч от 3 вольт питания. микросхемы унч с питанием 5 вольт. схема усилителя с питанием 3-5 вольт на микросхеме.
Lm386 усилитель для наушников. усилитель звука на лм386. колонки усилитель на lm4863d. lm2412t усилитель звука.
Усилитель 3 вольт
Усилитель для динамика на 1 транзисторе. усилитель звука 5 ватт 12 вольт. самодельный усилитель звука. самодельный усилитель для колонок.
Тда7052а схема включения. tda7052a схема усилителя. схема унч на tda7052. усилитель звука на микросхеме tda7052.
Усилитель 400 ватт. усилитель 110 вольт 400 гц. набитая плата усилителя на 400 ват. транзистор для сабвуфера.
Nm2030box. усилитель конструктор. конструктор усилитель мощности. усилитель звука электронный конструктор.
Самодельный усилитель для магнитолы 12 вольт. усилитель звука для автомагнитолы. усилитель звука из автомагнитолы. усилитель для колонок.
Усилитель звука 5 ватт 12 вольт. усилитель 220 вольт для колонок. усилитель для сабвуфера 220 вольт. усилитель 5 вольт для колонок.
Схема усилителя на транзисторах. схема простого усилителя на транзисторах кт315. унч на транзисторах 5 вольт схема. усилитель низкой частоты на транзисторах кт315.
Схема простого усилителя мощности на транзисторах кт827. усилитель 5 ватт на транзисторах. усилитель звука с однополярным питанием на транзисторах схема. усилитель 50 ватт на транзисторах схема.
Усилитель звука на транзисторе на 12 вольт. усилитель звука на двух транзисторах 12 вольт. усилитель звука 3.7 вольт схема. усилитель звука 5 ватт 12 вольт.
Мощный усилитель тда 2003. tda2003l микросхема. усилитель звука на двух микросхемах тда 2003. tda2003 схема усилителя простая.
Усилитель звука с питанием 5 вольт схема. унч 3 вольт на транзисторах. схема усилителя нч с питанием 12 вольт. схемы усилителя звука на транзисторах 5 вольт.
Усилитель 3 вольт
Аудио усилитель моно tpa3116d2 (xh-m542). xh-m542. tpa 3116 усилитель. усилитель звука tpa3116.
Усилитель на кт315. усилитель звука на кт315. усилитель на транзисторе кт315. усилитель на транзисторе кт315 схема.
Усилитель 3 вольт
Усилитель 3 вольт
Усилитель звука 5 вольт. усилитель звука 1.5 вольт. простой усилитель на 5 вольт. усилитель звука своими руками 12 вольт починить.
Усилитель на tda2003 с регулятором громкости. усилитель для колонок из tda 2003. усилитель на 5 вольт. усилитель звука для колонок на tda2003.
Усилитель звука 5 вольт. 5 вольтовая микросхема унч. микросхема ка7632. усилитель звука до 5 вольт.
Усилитель звука на кт315 схема. усилитель на транзисторе кт315 схема. усилитель 5 ватт на транзисторах. усилитель звука на трех транзисторах кт315.
Усилитель 5 ватт на транзисторах. усилитель звука на двух транзисторах 12 вольт. схема усилителя звука на 1 транзисторе. усилитель звука на 2 транзисторах схема.
Унч для приемника. схема унч на транзисторах с однополярным питанием. схема унч на 5 вольт. унч на двух транзисторах.
Усилитель ам5100 для сабвуфера. самодельный усилитель для сабвуфера 12 вольт. усилитель низких частот для сабвуфера. усилители для саба мощные.
Усилитель звуковых частот на 3 транзисторах. простые схемы усилителей низкой частоты. транзисторный усилитель 10вт схема. простая схема электронного усилителя.
Tda2003 усилитель. мощный усилитель тда 2003. усилитель звука 5 вольт. усилитель звука 5 ватт 12 вольт.
Схема усилителя звука на двух транзисторах. усилитель для наушников схема 5 вольт. схема простого усилителя звука на транзисторах на 5 вольт.
Усилитель для динамика на 2 транзисторах. схема простого усилителя звука на транзисторах 12 вольт. усилитель звука схема 12в. усилитель звука на двух транзисторах 12 вольт.
Усилитель на кт801а схема. усилитель 5 ватт на транзисторах. унч на 3 транзисторах. унч на кт801 схема.
Усилитель на tda2822. tda2822 усилитель для наушников. усилитель звука 5 ватт 12 вольт. tda2822m усилитель для динамиков.
Усилитель 1 вт на транзисторах схема. транзисторный усилитель 10вт схема. низковольтный унч на 3 транзисторах. усилитель нч на транзисторах кт805.
Pam8403 усилитель. arduino + pam8403. pam8403 регулятор громкости. usb усилитель.
Транзисторный усилитель звука 100вт схема. усилитель для динамика на 2 транзисторах. унч на 1 транзисторе. усилитель звука на 2 транзисторах схема.
Усилитель звука на одном транзисторе 5 вольт. усилитель звука на транзисторе на 12 вольт. усилитель для динамика на 1 транзисторе. схема простого усилителя звука на транзисторах на 5 вольт.
Двухполярное питание из однополярного схема. схема двухполярного блока питания на 12 вольт из однополярного. lm358 двухполярное питание. схема блока питания двухполярного из однополярного.
Tda7056a схема усилителя. усилитель на tda7056 с регулятором громкости. унч tda 7056 схема. tda7056 усилитель звука схема.
Усилитель 3 вольт
Усилитель 3 вольт
Усилитель 10 ватт на транзисторах. усилитель звука 10вт на транзисторах. усилитель унч схема простая. схема усилителя 300 ватт на транзисторах.
Усилитель звука на двух транзисторах 12 вольт. усилитель звука для колонок на 100 ватт. усилитель для динамика на 2 транзисторах. усилитель звука 5 вольт.
Усилитель звука 5 ватт 12 вольт. усилитель звука 5.300. самодельный усилитель для сабвуфера 12 вольт. усилитель звука для динамика 12 вольт.
Усилитель для наушников da47.
Усилитель звука tda7297. tda7297 плата усилителя. усилитель звука для динамика 12 вольт. микросхема tda 7297.
Схема простого усилителя низкой частоты на транзисторах. усилитель 5 ватт на транзисторах. усилитель 50 ватт на транзисторах схема. схема простого усилителя звука на 3 транзисторах.
Усилитель звука с питанием 3.7 вольт схема. усилитель звука 5 вольт. схема унч на 5 вольт. унч 5 вольт микросхема.
Усилитель нч на 1 транзисторе. схема усилителя звука на 1 транзисторе. усилитель нч на 2 транзисторах. схема усилителя для наушников на транзисторах кт315.
7815 стабилизатор схема включения. стабилизатор напряжения 7815 схема включения. предварительный усилитель для сабвуфера с корректором линквица. стабилизатор +-15в для предварительного усилителя.
Усилитель звука для наушников кт315. усилитель на транзисторе кт315. усилитель 5 ватт на двух транзисторах. усилитель низкой частоты на кт315.
Усилитель звука для колонок на 100 ватт. усилитель звука 5 вольт. усилитель звука 5 ватт 12 вольт. модуль усилителя звука для колонок.
Усилитель звука 5 вольт. усилитель 5 вольт для колонок. усилитель звука 1.5 вольт. усилитель звука до 5 вольт.
Усилитель lightning audio b2.400.4. lightning audio b2. 400.2усилитель. усилитель lightning audio bolt 4 канальный. усилитель lightning audio 2 канальный.
Мощный усилитель lm1875. усилитель звука 5 вольт. мощный усилитель звука своими руками схема. усилитель 5 вольт для колонок.
Усилитель 3 вольт