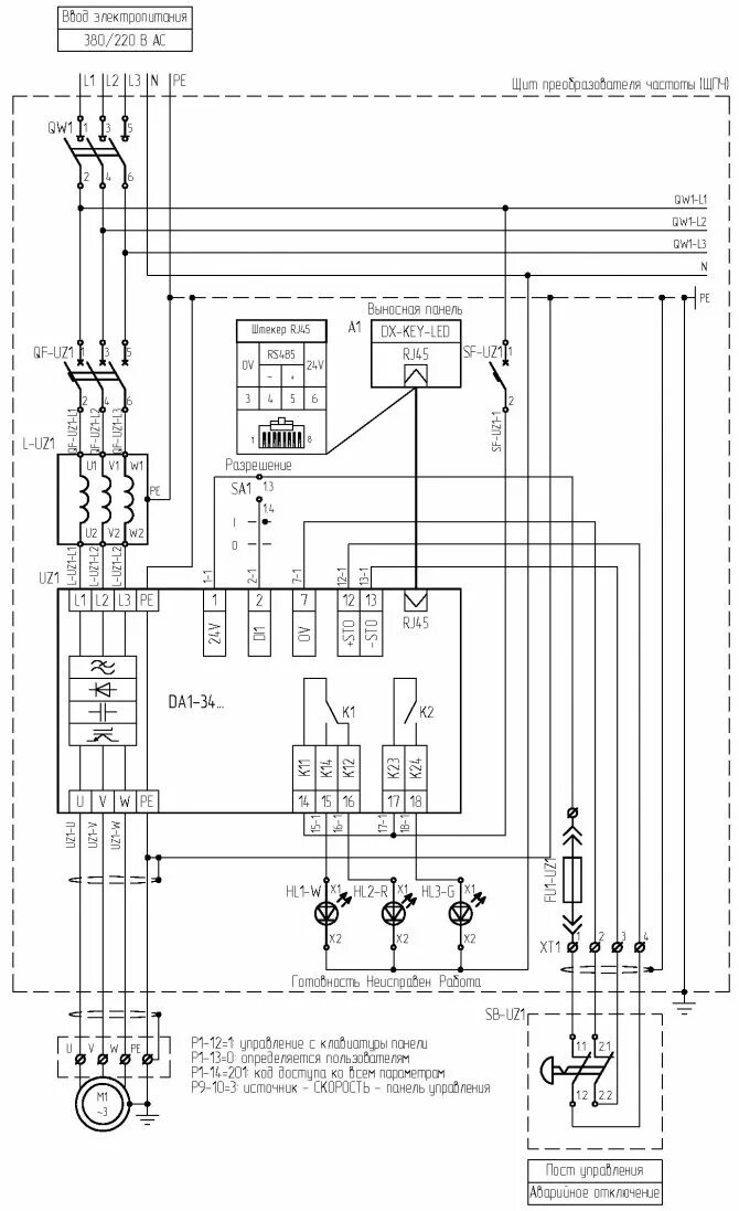
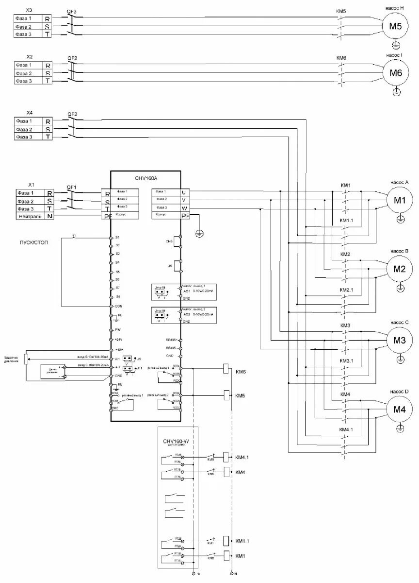
Каскадное управление насосами с преобразователем частоты. суна 122 контроллер управления насосами схемы. контроллер для управления насосами суна-121.03.00. каскадная схема включения насосов.Суна 121 контроллер управления насосами. контроллер для управления насосами суна-121.03.00. суна 122 контроллер управления насосами схемы. каскадное управление насосами с преобразователем частоты.Управление насосами с преобразователем частотыЭлектрическая схема пуска преобразователя частоты. схема управления 2 насосами с преобразователем частоты. схема подключения насоса через частотный преобразователь. схема включения двигателя через частотный преобразователь.Электрическая схема двигателя с частотным преобразователем. схема управления двигателем через частотный преобразователь. электрическая схема подключения частотного преобразователя. схема управления двигателем с частотным преобразователем.Принципиальная схема частотного преобразователя. схема щита управления двумя насосами с преобразователем частоты. электрическая схема подключения частотного преобразователя. схема управления 2 насосами с преобразователем частоты.Схема автоматизации приточной установки с частотником. щит управления приточно вытяжной вентиляцией схема электрическая. щит управления вентиляцией схема с частотным преобразователем. схема контроллера управления приточной вентиляции.Схема щита управления двумя насосами с преобразователем частоты. схема насосной установки с частотно регулируемым приводом. схема щита управления насосами. схема подключения щита для глубинного насоса.Схема подключения двух двигателей к частотному преобразователю. схема подключения 2 насосов к частотному преобразователю. схема подключения два двигателя один частотник. преобразователь частоты vfd4a8ms21afsaa.Каскадное управление насосами с преобразователем частоты. схема насосной установки с частотно регулируемым приводом. схема подключения частотного преобразователя к скважинному насосу. контроллер бкнс-2 схема подключения.Суна 122 контроллер управления насосами схемы. частотный преобразователь для насоса. каскадное управление насосами. каскадное управление насосами с преобразователем частоты.Схема подключения 2 насосов к частотному преобразователю. схема подключения частотного преобразователя к скважинному насосу. схема подключения частотного преобразователя к насосу. каскадное управление насосами с преобразователем частоты схема.Схема управления двигателем через частотный преобразователь. схема щита управления двумя насосами с преобразователем частоты. схема подключения частотного преобразователя instart. схема подключения насоса к частотнику.Управление насосами с преобразователем частотыШкаф управления насосами шун схема. принципиальная схема щита управления насосами. схема шкафа управления насосом с частотным преобразователем. схема щита управления насосами скважин.Датчик давления для частотного преобразователя. схема подключения частотного преобразователя к скважинному насосу. насосная станция с частотным преобразователем. частотный преобразователь с датчиком давления для насоса.Схема щита управления двумя насосами с преобразователем частоты. схема щита управления насосами с частотным преобразователем. схема управления насосом с частотным преобразователем. схема шкафа управления насосом с частотным преобразователем.Схема каскадно частотного управления насосами. каскадное управление насосами с преобразователем частоты схема. схема управления 2 насосами с преобразователем частоты. схема щита управления насосами с частотным преобразователем.Схема автоматического управления насосной станцией. схема водоснабжения с частотным преобразователем. частотный преобразователь с датчиком давления для насоса. схема автоматизация насосно перекачивающих станций.Схема управления частотным преобразователем. схема насосной установки с частотно регулируемым приводом. частотный преобразователь для насоса скважины схема подключения. схема насоса с частотным преобразователем.Шкаф управления скважинным насосом эцв. станция управления скважинным насосом с частотным преобразователем. станция управления 15 квт. шкаф для частотного преобразователя.Управление насосами с преобразователем частотыУправление насосами с преобразователем частотыУправление насосами с преобразователем частотыПринципиальная схема подключения насоса. шкаф управления насосами шун схема. щит управления насосами схема принципиальная электрическая. схема щита управления двумя насосами с преобразователем частоты.Управление насосами с преобразователем частотыШкаф управления насосом шун-10, мощность от 4 до 12 квт. шкаф управления насосами шун 2. шун1 шкаф управления шун. шкаф управления шун-3/25-т.Управление насосами с преобразователем частотыУправление насосами с преобразователем частотыШун2-чрп-30. шкаф управления с частотным преобразователем pr6100 на 250 квт. частотный преобразователь для насоса 380в. шкаф управления с частотным преобразователем 2х5,5 квт, 380в на 2 насоса.Шкаф управления насос 75 квт. грундфос щит управления насосами. шун 15 квт шкаф управления. шкаф управления с частотным преобразователем вакон.Схема расключения частотного преобразователя. принципиальная схема подключения частотного преобразователя. схема подключения вентилятора через частотный преобразователь. схема щита управления двумя насосами с преобразователем частоты.Управление насосами с преобразователем частотыУправление насосами с преобразователем частотыПреобразователь частоты fd 300 схема подключения. частотник инстарт схема подключения. частотный преобразователь для вентилятора 380. схема подключения вентилятора через частотный преобразователь.Схема управления насосом с частотным преобразователем. частотный преобразователь на схеме автоматизации. схема щита управления насосами с частотным преобразователем. схема управления чрп 10 кв.Шкаф управления насосом шун 4. шун 15 квт шкаф управления. шкаф управления насосами шун 2. шун1 шкаф управления шун.Щит управления кнс с 2 насосами. шун шкаф управления насосами. шкаф управления повысительными насосами шун 3. щит управления насосами. щун.Схема щита управления двумя насосами с преобразователем частоты. схема подключения двух двигателей к частотному преобразователю. принципиальная схема преобразователя частоты электродвигателя. схема подключения двух электродвигателей.Управление насосами с преобразователем частотыШкаф управления насосами грантор. шкаф управления грантор аэп40. шкаф управления насосами ашу40-032. шкаф управления дренажным насосом шу-дн-130.Схема включения резервного насоса. схема шкафа управления 2 мя насосами кнс. электрическая схема управления 2 насосами. схема подключения 2 насосов к частотному преобразователю.Схема электрическая принципиальная насоса дренажного подключения. электрическая схема управления 2 насосами. принципиальная электрическая схема дренажного насоса. автоматика дренажного насоса схема.Шкаф управления с частотным преобразователем вакон. насосная станция с 2 насосами с частотными преобразователями. частотный преобразователь emerson в щите. шкаф управления тремя насосами с частотным преобразователем шнайдер.Щит управления вентиляцией схема электрическая принципиальная. схема включения резервного насоса. электрическая схема управления электроприводом заслонки. схема шкафа управления насосом с частотным преобразователем.Управление насосами с преобразователем частотыСхема каскадно частотного управления насосами. схема подключения насосов каскадом. каскадная схема включения насосов. частотный преобразователь для насоса с каскадным подключением.Rs 485 частотник. yaskawa ga700. схема каскадно частотного управления насосами. rs485 управление.Шкаф управления насосом шун 4. щит управления насосами. щун. шкаф управления с частотным преобразователем pr6100 на 250 квт. шкаф управления скважинным насосом с экм.Шкаф управления частотным преобразователем ned. шкаф управления 2мя насосами с пч и упп. щит управления насосами 2 пч. шкаф управления 2 мя насосами.Схема подключения частотного преобразователя к насосу. схема насосной установки с частотно регулируемым приводом. пид регулятор электродвигателя схема. схема подключения датчика давления к преобразователю частоты.Щит управления кнс с 2 насосами. щит автоматики кнс. шкаф управления с частотным преобразователем. шкаф чрп.Схема подключения однофазный двигатель к частотному преобразователю. схема подключения электродвигателя к преобразователю частоты. принципиальная схема подключения частотного преобразователя. схема насосной установки с частотно регулируемым приводом.Управление насосами с преобразователем частотыУправление насосами с преобразователем частотыЧастотный преобразователь для насоса с каскадным подключением. схема подключения частотного преобразователя к скважинному насосу. схема водоснабжения с частотным преобразователем. схема водопровода из скважины с частотным преобразователем.Схема насосной установки с частотно регулируемым приводом. насосная станция с 2 насосами с частотными преобразователями. частотный преобразователь для насоса скважины 220в. частотно регулируемый привод насоса.Суз-25 станция управления и защиты. станция управления и защиты каскад 20-40 а. станция управления скважинными насосами "суз-200". станция управления насосами каскад-к 5-20а.Управление насосами с преобразователем частотыПид регулятор частотного преобразователя. частотник 160 a. частотник invt. преобразователь частоты 160 квт.Монтажная схема щита управления насосами. схема щита управления насосами с частотным преобразователем. схема шкафа управления насосом с частотным преобразователем. схема щита управления двумя насосами с преобразователем частоты.Шкаф управления с упп 250квт. шкаф управления шун-5,5 (5,5квт). шкаф управления шун 3. шкаф управления насосами шун 2.Шкаф управления грантор аэп40. щит управления кнс с 2 насосами. шун шкаф управления насосами. шкаф автоматизации danfoss.Управление насосами с преобразователем частотыУправление насосами с преобразователем частотыКаскадное управление насосами с преобразователем частоты. решение для каскадного управления насосами.. суна 122 схема подключения на три насоса каскадно, без частотника. схема подключения куна флварит 500..Чрп schneider electric. шкаф управления тремя насосами с частотным преобразователем шнайдер. щит управления schneider electric. instart частотный преобразователь.Управление насосами с преобразователем частотыКаскадное управление насосами с преобразователем частоты схема. каскадное управление насосами с преобразователем частоты optimus drive ad800. каскадное управление 4 насосами. преобразователь частоты для насоса с каскадным.Югстроймонтаж шкаф управления насосами. шкаф управления 2 повысительными насосами.