Удиви меня
Стабилизатор напряжения 12000
Ресанта асн-12000/1-ц. стабилизатор асн- 12000 \1-ц, 12квт ресанта. стабилизатор напряжения ресанта асн-12000/1-ц. стабилизатор асн-12000/1-ц.
Ресанта асн-12000/1-ц. стабилизатор напряжения ресанта 12000. стабилизатор ach 12000.
Стабилизатор напряжения 12000
Стабилизатор асн-12000/1-эм. стабилизатор ресанта 12000/1-эм. ресанта асн-12000/1-эм. асн-12000/1-эм.
Стабилизатор напряжения 12000
Стабилизатор напряжения 12000
Стабилизатор____ асн-12 000 /1-эм ресанта. стабилизатор ресанта асн-12000/1-эм. стабилизатор асн-10000/1-эм ресанта. стабилизатор асн-12000/1-эм.
Ресанта асн-12000/1-ц. стабилизатор ресанта 2 квт. ресанта асн-3000 вид сзади.
Стабилизатор напряжения lider ps12000w 50. lider ps10000w-50. стабилизатор напряжения lider ps10000w-30. стабилизатор напряжения однофазный lider ps10000sq-15.
Стабилизатор напряжения лидер ps 7500 best. стабилизатор напряжения однофазный lider ps12000best. плата на стабилизатор напряжения lider ps 12000w-50. разобранный стабилизатор напряжения lider ps 12000 w-sd.
Стабилизатор напряжения однофазный укртехнология optimum+ 5000. плата управления стабилизатора напряжения norma. инверторный стабилизатор напряжения ремонт.
Стабилизатор ресанта спн-2500. стабилизатор напряжения однофазный ресанта спн-3600. ресанта спн-10000. стабилизатор напряжения однофазный ресанта спн-3500.
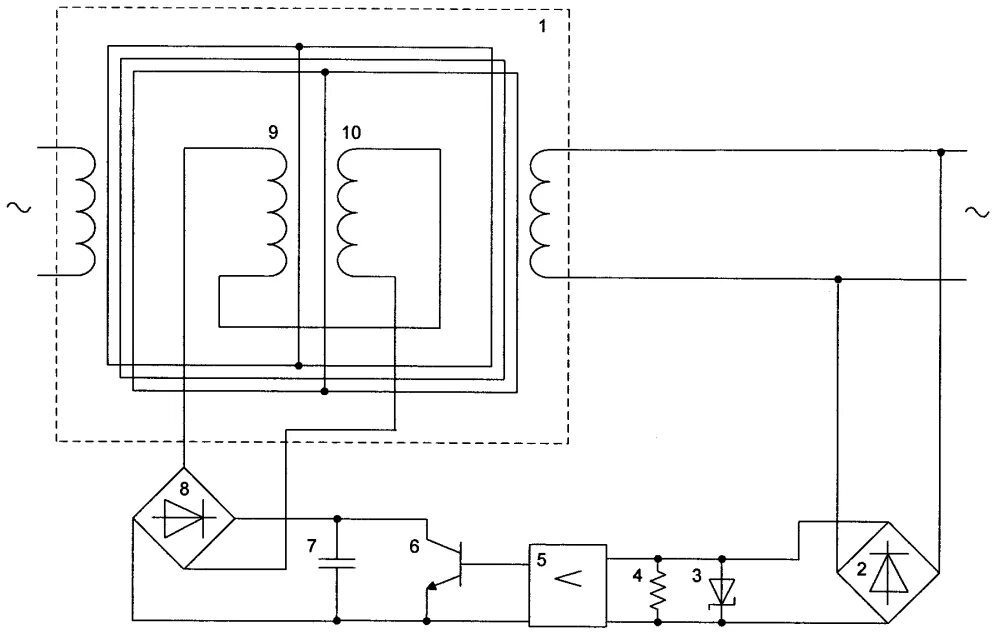
Стабилизатор напряжения rucelf srw ii-12000-l. rucelf srwii-12000-l схема принципиальная электрическая. стабилизатор напряжения однофазный rucelf sdfii-12000-l. стабилизатор напряжения srw.ii-12000-l rucelf схема подключения.
Лидер ps5000w-50 стабилизатор напряжения. стабилизатор напряжения lider ps3000sq-15. lider ps10000w-50. стабилизатор напряжения однофазный lider ps7500w-sd.
Стабилизатор ресанта асн-10000/1-ц. стабилизатор напряжения однофазный ресанта ach-10000/1-ц 10 квт. ресанта стабилизатор напряжения 10 квт. стабилизатор напряжения ресанта 10000/1ц.
Стабилизатор напряжения rucelf srf.6000. rucelf srf ii 4000 l. стабилизатор напряжения rucelf srf ii-6000-l. стабилизатор напряжения однофазный rucelf srfii-4000-l.
Стабилизатор асн-12000/1-эм. электромеханический стабилизатор ресанта асн-12000/1-эм. стабилизатор асн-10000/1-эм ресанта. ресанта 10 квт стабилизатор однофазный.
Стабилизатор напряжения rucelf sdw.ii-12000-l. стабилизатор напряжения ruсelf sdw-ii- 10000-l. rucelf sdwii-12000-l источник: https://expertology.ru/18-luchshikh-stabilizatorov-napryazheniya/#q-product-13. руселф 12000 стабилизатор внутри.
Стабилизатор напряжения rucelf sdw.ii-12000-l схема подключения. стабилизатор напряжения rucelf схема подключения. стабилизатор напряжения стар-5000 схема подключения. rucelf sdw.ii-12000-l схема.
Стабилизатор напряжения 12000
Стабилизатор напряжения 12000
Стабилизатор напряжения 12000
Стабилизатор асн-1000/1-эм. ресанта ach-10000/1-эм. ресанта асн 10000. стабилизатора ресанта 10000 эм.
Стабилизатор прогресс 8000. стабилизатор напряжения однофазный progress 12000l. стабилизатор напряжения однофазный lider ps12000w-sd. стабилизатор напряжения однофазный progress 10000t-20.
Стабилизатор напряжения прогресс 10000. стабилизатор напряжения однофазный progress 10000t. стабилизатор трансформаторный 10000а. стабилизатор progress 10000tr-b.
Стабилизатор лидер ps7500w. лидер ps7500w-50. лидер 3000 стабилизатор. ps7500w-50 стабилизатор напряжения.
Стабилизатор зорд акн-1-12000 схема. зорд акн-1-12000 схема электрическая. зорд акн-1-6000 схема. плата стабилизатора зорд 600.
Стабилизатор ресанта ach-10000/1-эм. ресанта асн-8000/1-эм внутри.
Плата управления rucelf mcb119-1.1.0. сервопривод стабилизатора rucelf. стабилизатор напряжения в5к33. неисправности стабилизатора напряжения.
Стабилизатор напряжения 12000
Прогресс l5000. progress 5000l. плата на силовых тиристорах. стабилизатор напряжения переменного тока progress.
Стабилизатор progress 12000. стабилизатор прогресс плата управления. колодка питания для стабилизатора прогресс 10000st. схема стабилизатора напряжения svc 10000.
Стабилизатор напряжения 12000
Плата управления стабилизатора st 555. progress 5000t плата. плата управление стабилизатора напряжение энергия 8000. плата управления стабилизатора avs 10000p kb938 v1.4.
Стабилизатор напряжения энергия rd 8000 rider. стабилизатор напряжения rd8000 райдер. стабилизатор напряжения райдер 12000 ва. схема подключения стабилизатора напряжения райдер 5000.
Стабилизатор прогресс плата управления. прогресс 12000tr подключение. progress 10000t схема. ремонт своими руками стабилизатора прогресс 12000 что делать.
Схема стабилизатора напряжения rucelf sdw-10000-d. rucelf sdw.ii-12000-l схема. плата управления стабилизатора напряжения rucelf 10000 en0912006a.
Клеммная колодка 5 контактов ресанта. клеммные колодки для стабилизаторов 8-10квт (р) ресанта (арт. 61/21/268). клеммная колодка для стабилизатора ресанта 10 квт. клеммная колодка для стабилизатора ресанта асн 10000.
Схема стабилизатора прогресс 10000tr. стабилизатор напряжения штиль принципиальная схема подключения. стабилизатор напряжения лидер схема включения. инверторный стабилизатор напряжения схема принципиальная.
Схема стабилизатора переменного напряжения 5кв. инверторный стабилизатор напряжения 220в схема. схемы стабилизаторов напряжения на 220 вольт. схема стабилизатора напряжения 220в 3квт.
Стабилизатор напряжения 12000
Стабилизатор зорд акн-1-12000 схема. стабилизатор зорд акн-1-400 схема. электросхема стабилизатора напряжения акн-1-600. схема стабилизатора напряжения зорд акн-1-400.
Стабилизатор напряжения ресанта 10000 схема. схемы стабилизатор ресанта асн-10000. схема стабилизатора ресанта 10000. стабилизатор ресанта асн-10000/1-ц схема принципиальная.
Релейный стабилизатор напряжения r-500 w 220. трансформатор для стабилизатора напряжения ресанта. релейный стабилизатор на 7805. автоматический релейный стабилизатор напряжения анс 250.
Стабилизатор напряжения 12000
Релейный стабилизатор 600 вт. релейный стабилизатор напряжения 500а 220в. стабилизатор комфорт асс 10000д.
Стабилизатор напряжения ресанта асн-8000/1-эм. ресанта 5000/1-эм. ресанта асн-5000/1-эм. стабилизатор напряжения однофазный ресанта асн 5000/1-эм.
Стабилизатор руселф 10000 настенный. стабилизатор srw-10000va-d. стабилизатор руселф tsd-10000va. стабилизатор напряжения tsd-10000va.
Электрическая схема стабилизатор напряжения бастион teplocom st-555. схема стабилизатора напряжения бастион teplocom st-555. стабилизатор teplocom st-555 принципиальная схема электрическая. стабилизатор напряжения teplocom st-555 схема.
Стабилизатор напряжения трехфазный systems classic 36/3. стабилизатор напряжения трехфазный systems classic 60/3. стабилизатор напряжения systems ultra-m 15000 ва. стабилизатор напряжения однофазный systems ultra 12000.
Стабилизатор напряжения однофазный укртехнология norma 5000. плата управления стабилизатора напряжения norma. норма 2 стабилизатор. стабилизатор напряжения нсн-0222 стандарт настройка.
Suntek pr-2000. стабилизатор сунтек. стабилизатор напряжения 16000вт. сантек 11000 стабилизатор.
Lider байпас трехфазный. стабилизатор напряжения 9ква. блок коммутации трехфазного стабилизатора lider. байпас для стабилизатора лидер.
Стабилизатор напряжения 12000
Стабилизатор svc avr-1012-g. стабилизатор напряжения однофазный svc avr-1012-g. стабилизатор напряжения однофазный svc avr-600-w. стабилизатор напряжения 220в 3.5.
Трансформаторный регулятор напряжения схема. стабилизатор напряжения трансформаторный. стабилизатор напряжения 2v. стабилизатор напряжения bosch.
Стабилизатор напряжения 12000
Стабилизатор напряжения 12000
Стабилизатор напряжения 12000
Стабилизатор напряжения 12000