Удиви меня
Смещение нейтрали
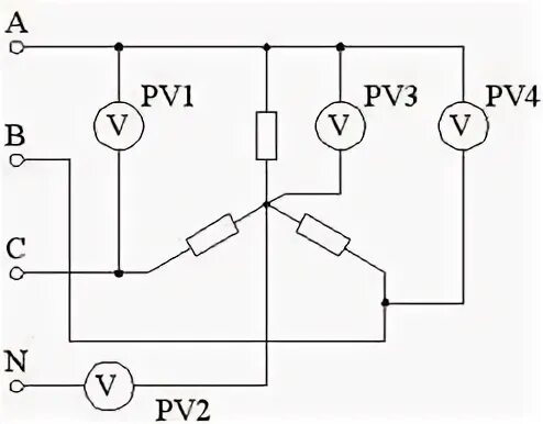
Напряжение смещения нейтрали измеряет вольтметр:. напряжение смещения нейтрали в трехфазной цепи. формула для вычисления напряжения смещения нейтрали. напряжение смещения нейтрали равно нулю.
Смещение нейтрали
Напряжение смещения нейтрали. напряжение смещения формула.
Смещение нейтрали векторная диаграмма. формула для вычисления напряжения смещения нейтрали. напряжение смещения нейтрали формула. расчет напряжения смещения нейтрали.
Напряжение смещения нейтрали. напряжение смещения формула.
Напряжение смещения нейтрали измеряет вольтметр:. напряжение смещения нейтрали в трехфазной цепи. смещение нейтрали в трёхфазных цепях. напряжение смещения нейтрали.
Алгоритм расчета смещения нейтрали в трехфазных электрических цепях.. нейтраль в трехфазной цепи и напряжение. как рассчитать напряжение смещения нейтрали. определение напряжения смещения нейтрали.
Как найти напряжение смещения нейтрали. как определяется напряжения нулевого смещения нейтрали. как вычислить напряжение смещения нейтрали. как определить напряжение смещения нейтрали.
Схема трёхфазной цепи без нейтрального провода. определение напряжения смещения нейтрали.
Смещение нейтрали
Смещение нейтрали в трёхфазных цепях. напряжение смещения нейтрали.
Смещение нейтрали
Расчет напряжения смещения нейтрали. нейтраль в трехфазной цепи и напряжение. как найти напряжение смещения нейтрали. напряжение смещения нейтрали формула.
Напряжение смещения нейтрали в трехфазной цепи. напряжение смещения нейтрали формула. напряжение смещения нейтральной точки. соединение треугольником нейтраль.
Смещение нейтрали в трёхфазных цепях. напряжение смещения нейтрали в трехфазной цепи. система с изолированной нейтралью. смещение нейтрали формула.
Напряжение смещения нейтрали формула. расчет напряжения смещения нейтрали. как определить напряжение смещения нейтрали. напряжение смещения нейтрали это между.
Расчет смещения нейтрали. напряжение смещения нейтрали формула. определение напряжения смещения нейтрали.
Как найти напряжение смещения нейтрали. напряжение смещения нейтрали формула. как определить напряжение нейтрального провода. как найти напряжение смещения формула.
Смещение нейтрали векторная диаграмма. напряжение смещения нейтрали в трехфазной цепи. смещение нейтрали в трёхфазных цепях. напряжение смещения нейтрали формула.
Смещение нейтрали
Напряжение смещения нейтрали в трехфазной цепи. напряжение смещения нейтрали измеряет вольтметр:. напряжение смещения нейтрали. перекос фазных напряжений в трехфазной сети.
Смещение нейтрали в трёхфазных цепях. напряжение смещения нейтрали измеряет вольтметр:. расчет напряжения смещения нейтрали. как измерить напряжение смещения нейтрали.
Резонансные перенапряжения. как определить смещение нейтрали. виды резонансных перенапряжений.
Напряжение смещения нейтрали. напряжение смещения нейтрали на диаграмме. напряжение смещения нейтрали в трехфазной цепи. напряжение смещения нейтрали при коротком замыкании фазы.
Смещение нейтрали в трёхфазных цепях. напряжение смещения нейтрали формула. напряжение смещения нейтрали покажет вольтметр. какой вольтметр показывает напряжение смещения нейтрали?.
Смещение нейтрали
Напряжение смещения нейтрали на диаграмме. напряжение смещения нейтрали. напряжение смещения нейтрали в трехфазной цепи. напряжение смещения нейтральной точки.
Смещение нейтрали
Напряжение смещения нейтрали в трехфазной цепи. смещение нейтрали в трёхфазных цепях. фазные напряжения при несимметричной нагрузке. несимметричная нагрузка без нулевого провода пример схемы.
Смещение нейтрали
Несимметричная нагрузка без нейтрального провода. несимметричная активная нагрузка векторная диаграмма. векторная диаграмма несимметричной нагрузки с нейтральным проводом. смещение нейтрали векторная диаграмма.
Векторная диаграмма короткого замыкания трансформатора. векторных диаграмм с нейтралью. потенциальная диаграмма трансформатора напряжения 110 кв. напряжение смещения нейтрали на диаграмме.
Напряжение смещения нейтрали измеряет вольтметр:. напряжение смещения нейтрали. напряжение смещения нейтрали в трехфазной цепи.
Векторная диаграмма сигнала. напряжение смещения нейтрали. векторная диаграмма несимметричной нагрузки с нейтральным проводом. напряжение смещения нуля.
Трансформатор тока на нейтраль трансформатора 0.4 кв. трансформатор напряжения в нейтрали генератора. заземление нейтрали трансформатора.
Смещение нейтрали
Смещение фаз в трёхфазной сети. векторная диаграмма перекоса фаз. векторная диаграмма при перекосе фаз. обрыв нейтрали в трехфазной сети схема.
Смещение нейтрали
Смещение нейтрали
Смещение нейтрали