Удиви меня
Система охлаждения паз
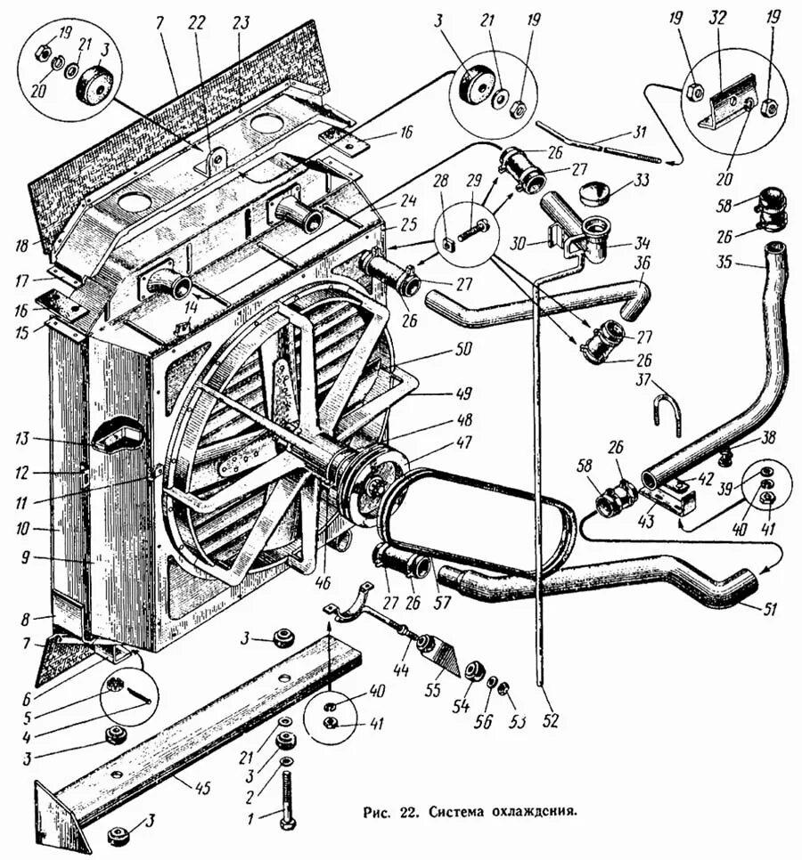
Радиатор охлаждения паз 32053. система охлаждения паз 3205. система охлаждения паз 32054. система охлаждения паз 32053.
Паз 3205 схема системы охлаждения. система охлаждения двигателя паз 3205. патрубок радиатора охлаждения паз 3205. система охлаждения паз 32053.
Система охлаждения паз 32053. система охлаждения паз 32054. система охлаждения паз 3205. пробка радиатора паз 3205.
Крепление радиатора паз 3205. труба радиатора паз 3205. 3205-1303012 труба паз-3205 радиатора подводящая. радиатор охлаждения паз 32053.
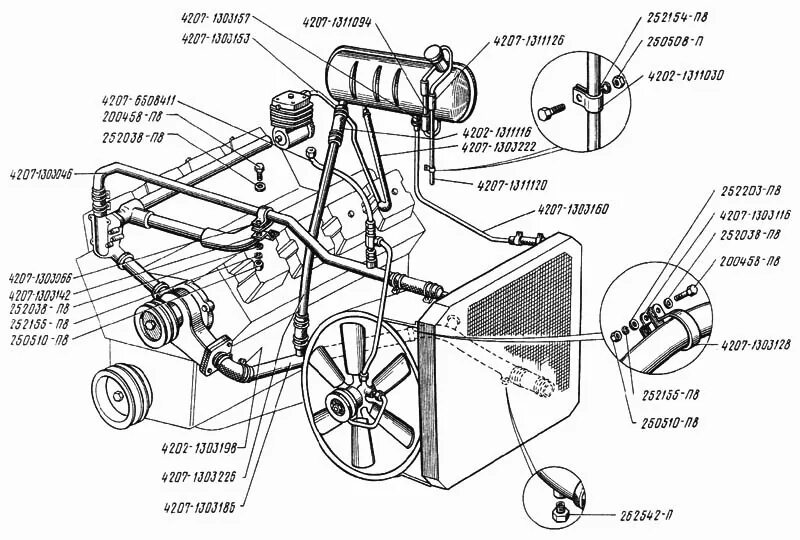
Система охлаждения двигателя паз 3205. система охлаждения двигателя лиаз 5292. система охлаждения двигателя паз 32053. система охлаждения автобуса лиаз 5292.
Система охлаждения паз 3204. система охлаждения двигателя валдай камминз 3.8. схема системы охлаждения двигателя камминз 3.8 валдай. схема системы охлаждения паз 3204.
Лаз-695 система охлаждения. паз-3205 автобус система охлаждения. система охлаждения автобуса лиаз. лаз-695 двигатель.
Система охлаждения паз 3204. труба радиатора паз 3205. радиатор паз 672. система охлаждения паз 32053.
Паз 3205 схема системы охлаждения. паз 4234 система охлаждения двигателя. паз 423405 система охлаждения. система охлаждения двигателя паз 32053.
Система охлаждения двигателя автобуса паз 3205. схема отопления автобуса паз 3205. система охлаждения двигателя паз вектор некст.
Лиаз 5256 система охлаждения двигателя. лиаз 677 система охлаждения. вентилятор охлаждения радиатора паз 3205. система охлаждения двигателя паз 3205.
Лаз-695 система охлаждения. система охлаждения паз 320412. система охлаждения паз 32053. система охлаждения двигателя паз 3205.
Система охлаждения двигателя паз дизель 245. ремень привод вентилятора паз 32053. система охлаждения двигателя паз 32053. привод вентилятора паз 32053.
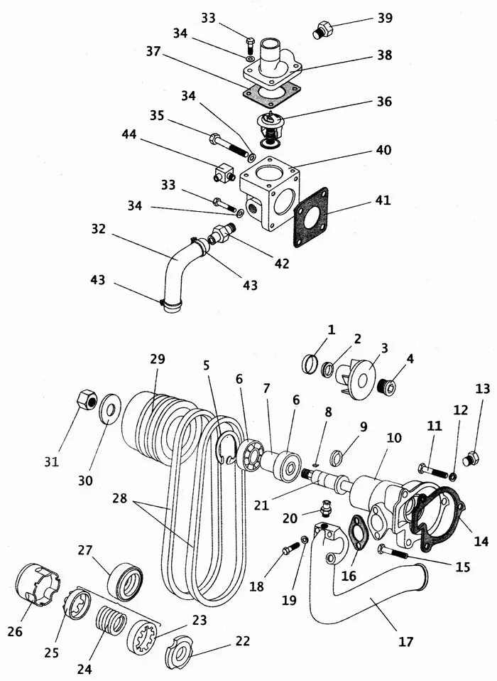
Термостат паз 3205. термостат паз 32053. система охлаждения паз 32053. термостат паз 3205 бензин.
Система охлаждения паз
Ремень привод вентилятора паз 32053. ремень вентилятора паз 3205. привод вентилятора паз 32053. вентилятор радиатора паз 4234.
Система охлаждения паз
Система охлаждения паз
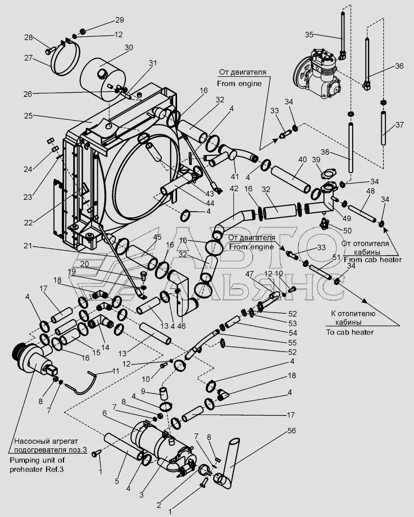
Система охлаждения двигателя шакман ф3000. шакман ф2000 система охлаждения двигателя. система охлаждения печки маз. маз 103 система охлаждения.
Система охлаждения паз
Система охлаждения лиаз 5292. гидропривод вентилятора лиаз 5292. система охлаждения двигателя лиаз 5292 схема. насос гидропривода вентилятора маз 203.
Система охлаждения паз
Система охлаждения двигателя паз дизель 245. система охлаждения двигателя паз 3205. система охлаждения паз 32053. система охлаждения дизельного двигателя паз 4234.
Система охлаждения паз
Система охлаждения паз
Передний отопитель маз-103. схема системы охлаждения лиаз 5292. маз 103 система охлаждения. система охлаждения двигателя паз вектор некст.
Шторка радиатора паз 3205. шторка радиатора паз 32053. система охлаждения двигателя паз 3205. трос шторки радиатора паз 3205.
Система охлаждения паз
Система охлаждения паз
Подшипник вентилятора паз 32053. привод вентилятора паз 32053. подшипники вентилятора охлаждения паз 32053. подшипник вентилятора паз 3205.
Привод вентилятора паз 32053. вентилятор охлаждения паз 32053. подшипник вентилятора паз 32053. привод вентилятора паз 32054.
Система отопления паз 4234 паз. тормозная система паз 3205 схема. компрессор паз 3205 воздушного охлаждения. система охлаждения двигателя автобуса паз 3205.
Система охлаждения компрессора паз 32053. компрессор паз 3205. паз 3205 схема системы охлаждения. компрессор паз 32053 схема.
Система охлаждения ммз 245. система охлаждения мтз 245. радиатор охлаждения д 245. система охлаждения валдай д 245.
Система охлаждения паз
Система отопления паз 4234. система отопления паз 4234 паз. система отопления паз 32053. схема отопления автобуса паз 3205.
Паз 4234 система питания двигателя. воздушный фильтр паз 4234 двигатель д245. системы двигателя паз-3205. воздушная система паз 3204.
Патрубки отопителя паз вектор некст. система охлаждения двигателя паз вектор некст. система отопления паз вектор некст. система отопления паз вектор некст схема.
Система охлаждения паз
Система отопления паз 4234 паз. отопление салона паз 32053. система отопления салона паз 32053. система отопителя паз 4234.