Удиви меня
Система фольксваген пассат б4
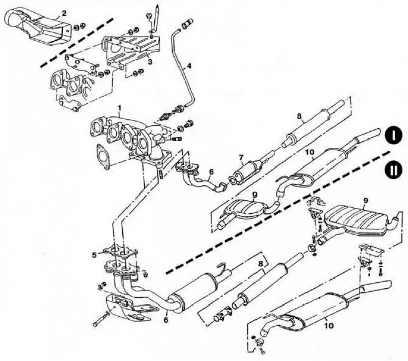
Фольксваген т5 система выхлопа отработавших газов. выпускная система отработавших газов т4 фольксваген. выпускная система фольксваген пассат б3 1.6. выхлопная система пассат б3 схема.
Тормозная система пассат б3. тормозная система фольксваген пассат б3. схема тормозной системы пассат б3. фольксваген б3 система двигателя.
Система выхлопных газов wv b4. выхлопная система фольксваген пассат в3 универсал. выхлопная система пассат б3 1.8 rp. выхлопная система пассат b3.
Фольксваген б3 система двигателя. масляный насос фольксваген т4 1.9 дизель. масляный насос пассат б3 1.8. масляная система пассат б 3 1 и 8.
Система выхлопа пассат б3. система выпуска отработавших газов пассат б3. выпускная система отработавших газов т4 фольксваген. выхлопная система vw passat схема.
Система смазки фольксваген б3. масляный насос vw passat b3 1.8 схема. масляная система пассат б 3 1 и 8. двигатель пассат б3 1.8 схема.
Выхлопная система passat b3 схема. система охлаждения двигателя volkswagen passat b3 abs 1,8. схема системы охлаждения vw и3. система выпуска газов фольксваген пассат в6.
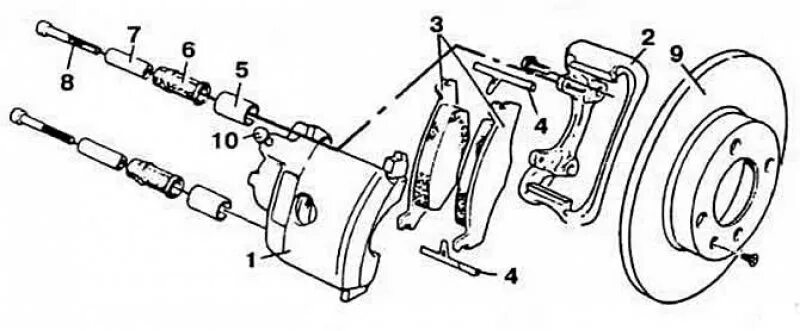
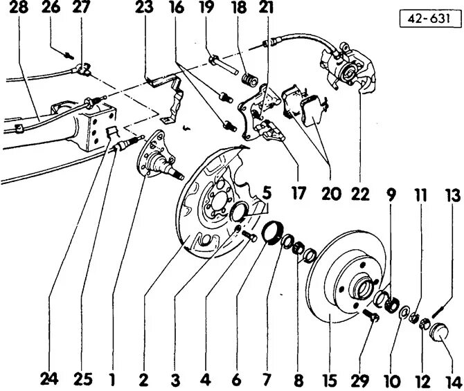
Суппорт тормозной передний фольксваген пассат б5 схема. передний суппорт фольксваген пассат б3. болт тормозного суппорта фольксваген пассат б3. пассат b3 задняя тормозная система.
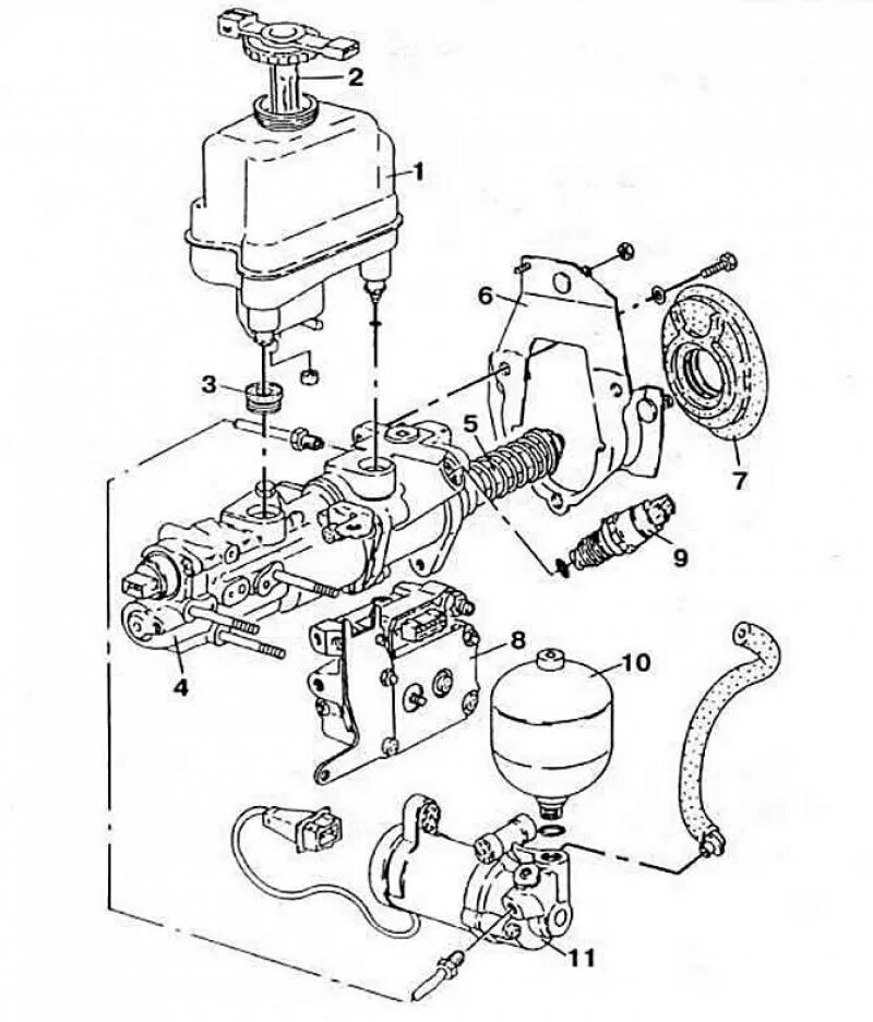
Тормозная система фольксваген пассат б3. тормозная система пассат б3 с абс. вакуумный насос тормозной системы пассат в3. тормозная система volkswagen passat b3.
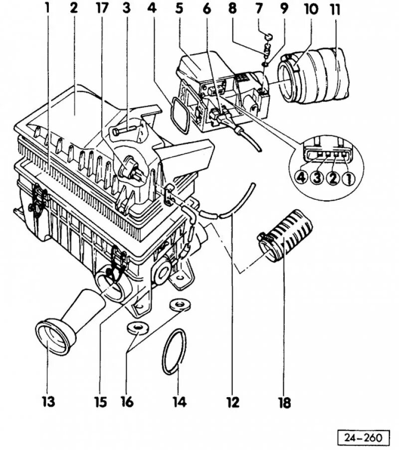
Система впуска воздуха пассат б5 +. фольксваген гольф 3 система подачи воздуха. фольксваген б3 система двигателя. воздушная система пассат б3.
Задняя тормозная система фольксваген пассат б3 универсал. тормозная система volkswagen passat b3. тормозная система пассат б3. тормозная система пассат б6.
Система воздуха пассат б3. фольксваген гольф 3 система подачи воздуха. схема двигателя 2е пассат б3. воздушная система пассат б3.
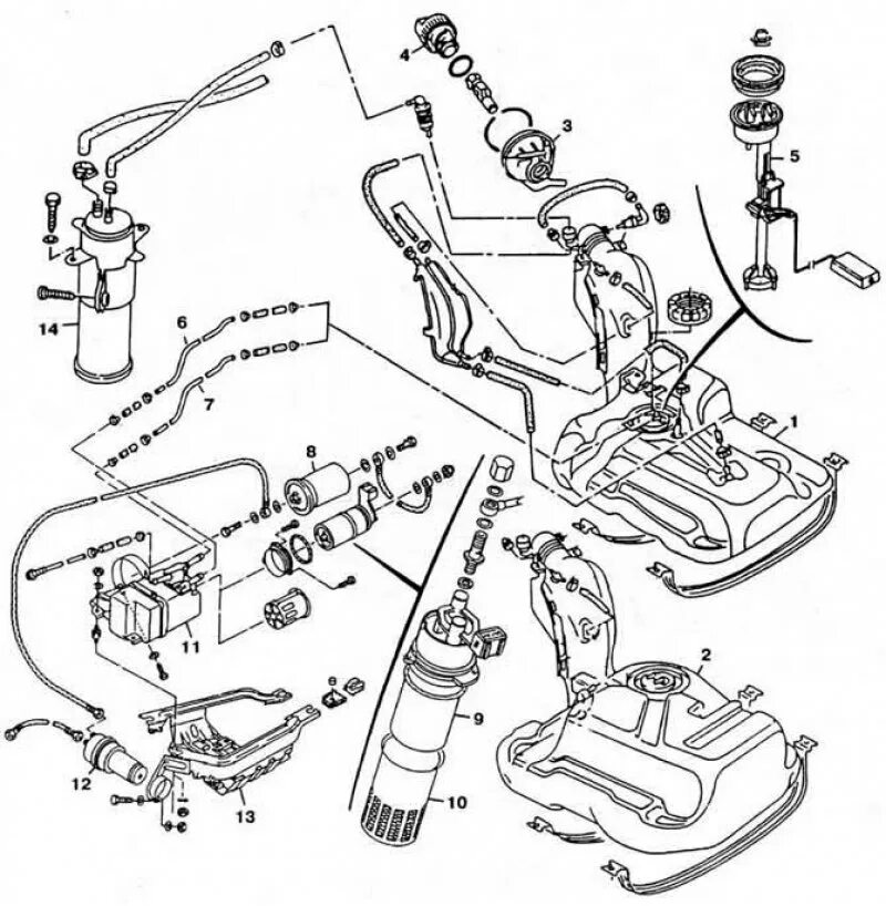
Топливная система пассат b3. топливная система фольксваген пассат. схема топливная система фольксваген пассат 3. volkswagen passat b3 клапан вакуумной системы.
Выхлопная систем volkswagen passat b5. выхлопная система пассат б5 1.8. выхлопная система ауди а1 схема. система выхлопа пассат б5 1.6.
Тормозная система пассат б5. тормозная система фольксваген б5. тормозная система фольксваген пассат б5. пассат b3 задняя тормозная система.
Задние тормозной механизм фольксваген b3. тормозная система фольксваген пассат б3. задний барабан пассат б3. задние тормоза пассат б3 устройство.
Тормозная система пассат б5. пассат b3 задняя тормозная система. схема ступицы passat b3. тормозная система фольксваген пассат б3.
Масляная система двигателя фольксваген пассат б3. система двигателя фольксваген пассат б6. впускной коллектор volkswagen passat b3 схема. система наддува двигателя vw passat b4.
Болт тормозного суппорта фольксваген пассат б3. пружина суппорта пассат б3 дисковые тормоза. болт крепления суппорта фольксваген пассат б3. суппорт тормозной задний фольксваген пассат б3 чертеж.
Система отопления пассат б4. фольксваген пассат б 4 система кондиционера. система вентиляции passat b4. пассат б3 система отопления салона.
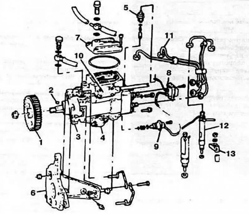
Тнвд пассат б3 1.9 дизель схема. топливная система дизельного двигателя пассат б3 1.6. фольксваген т4 дизель 1.9 схема тнвд. двигатель пассат в3 схема.
Гидравлический привод сцепления фольксваген т4. тормозная система vw passat b5. тормозная система фольксваген 5. трубка сцепления passat b5.
Система отопления volkswagen passat b5. система отопления пассат б6. система отопления пассат б4. система воздуховодов фольксваген б5.
Wv passat b5 выхлопная система. схема выхлопной системы пассат б6. система отработанных газов passat b6. выхлопная система пассат б3 схема.
Топливная система vw passat b5. топливная система фольксваген пассат б5 1.6. система вентиляции топливного бака пассат б5. топливная система пассат б5 1.8.
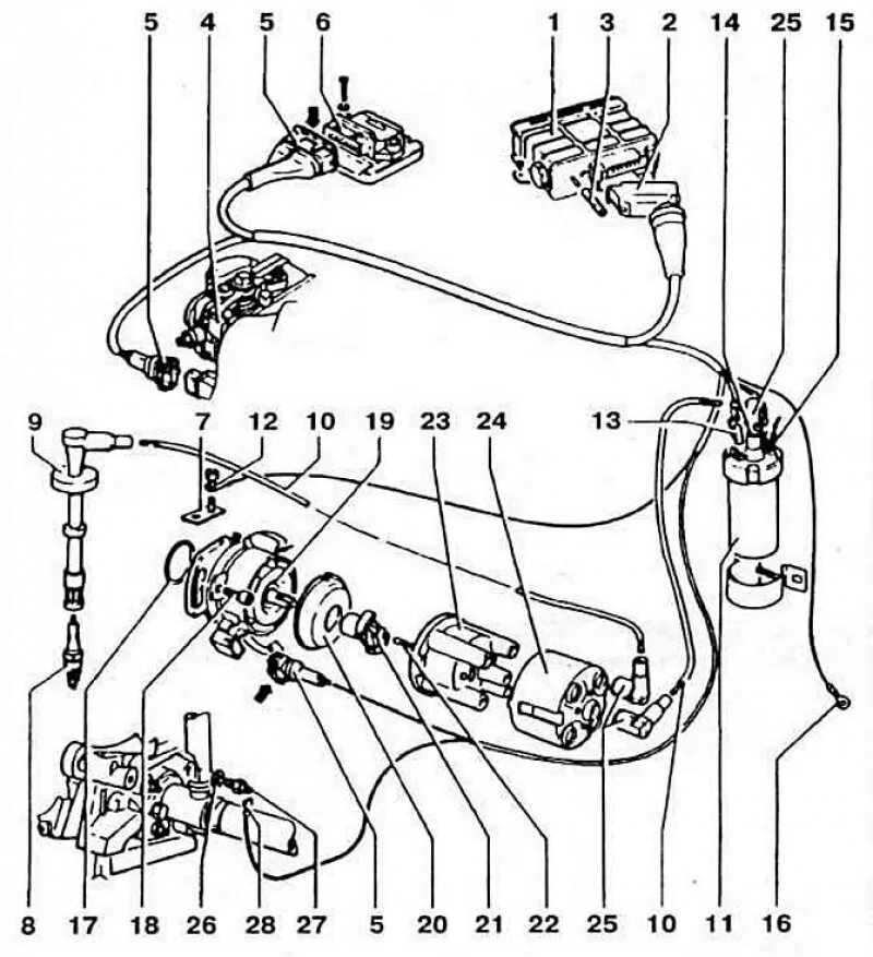
Система зажигания vw passat b3. система зажигания пассат b3. система зажигания vw passat b3 pf. система зажигания пассат б3.
Система отопителя пассат б3. система отопления vw passat b5+. система воздуховодов фольксваген б5. wv passat b3 система отопления.
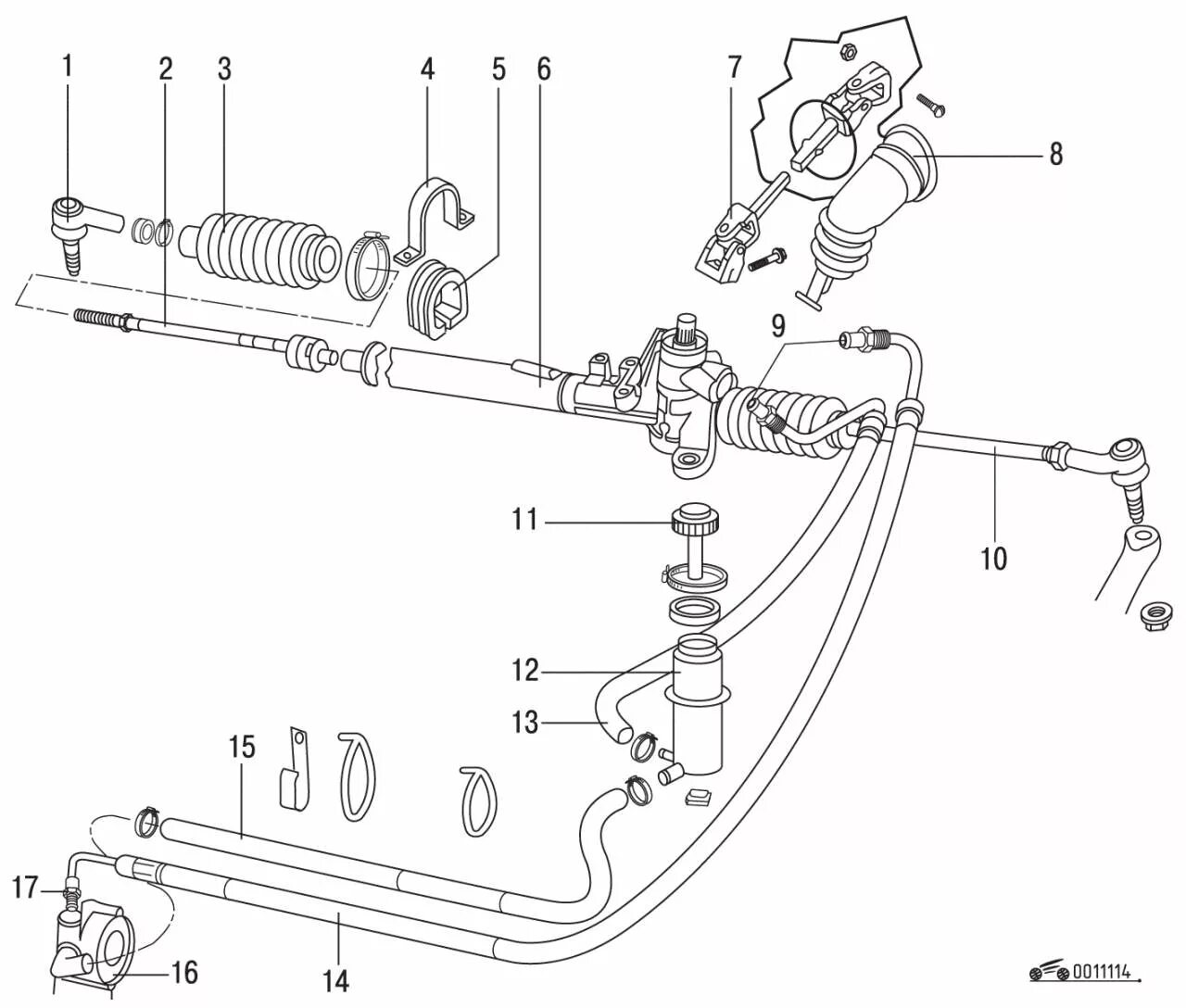
Гур пассат б3 1.8 схема. рулевая система фольксваген пассат б3. система гур пассат б3. рулевая система wv passat b3.
Тормозная система фольксваген пассат б3. тормозная система volkswagen passat b3. тормозная система пассат б3 с абс. тормозная система пассат б4.
Тормозная система vw passat b3. тормозная система фольксваген пассат б3. гольф 3 центральный замок пневмо схема. тормозная система пассат б4 схема.
Вакуумная система пассат б4. вакуумные трубки пассат б3. volkswagen passat b3 клапан вакуумной системы. вакуумная система пассат б4 2е.
Схема кузова пассат б3. пассат б3 универсал кузов схема. схема кузова фольксваген пассат б3. расположение передач на пассат б3.
Система фольксваген пассат б4
Впускной коллектор volkswagen passat b3 схема. система впуска воздуха пассат б5 +. ауди а4 впускной коллектор схема. система впуска фольксваген гольф 4.
Топливная система vw passat b5. топливная система фольксваген пассат б5 1.6. топливная система фольксваген пассат б5 1.9. топливная система фольксваген пассат б5+1.9 тди.
Фольксваген пассат б3 схема датчиков холостого хода. датчики пассат б3 расположение. система впрыска топлива на volkswagen passat b3. топливная система пассат б3 2е.
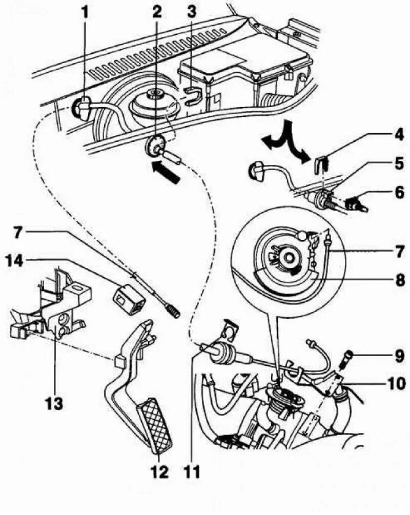
Привод сцепления фольксваген гольф 4 1,4. привод педали сцепления фольксваген т4 трос. шток педали сцепления passat b5. фольксваген т4 сцепление схема.
Крепление двигателя пассат б3. пассат б4 крепления двигателя. схема крепления двигателя фольксваген пассат б3. схема подушек двигателя пассат б6.
Топливная система vw passat b5. система топливная фольксваген пассат б5 1.8. топливная система фольксваген пассат б3. топливная система пассат б5 1.8.
Тормозная система фольксваген б3. тормозная система пассат б3. тормозная система пассат б3 с абс. тормозная система пассат б4.
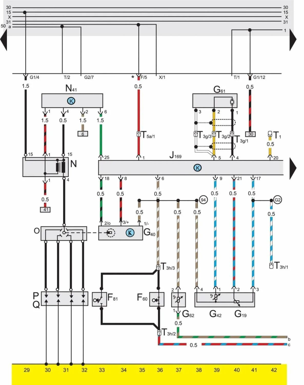
Электрическая схема зажигания vw passat b3. схема электрооборудования vw passat b3. система зажигания vw passat b3. электропроводка фольксваген пассат 1997.
Passat b3 кронштейн тормозных трубок. тормозная система фольксваген пассат б4. регулятор задних тормозов пассат б3. тормозная система vw passat b3.
Система фольксваген пассат б4
Педаль сцепления пассат б5. педаль сцепления ауди а4 б5. педаль сцепления ауди а6 с4. шток педали сцепления passat b5.
Дверь vw passat b4 схема. фольксваген пассат в3 универсал воздуховод. фиксатор проводки фольксваген пассат b3 b4. б3 пассат моторная электропроводка.
Вакуумная система фольксваген т5 1.9. вакуумная система турбины 1.9 tdi. вакуумные трубки пассат б5 1.9. вакуумная система 1.9 tdi 1z.
Передняя подвеска volkswagen passat b3 схема. передняя подвеска пассат б3 универсал. передняя подвеска фольксваген пассат б4. передняя подвеска фольксваген б3.
Vw passat b3 2.0 2e. abs passat b3. vw passat b4 двигатель 2e. пассат б4 2.0 инжектор.
Система фольксваген пассат б4
Система фольксваген пассат б4
Система вторичного воздуха ауди а6 с5 2.4. система вторичного воздуха ауди а6 с5. система воздуха ауди а4 б6 1.8т. система подачи воздуха фольксваген пассат б5 1,8 турбо.
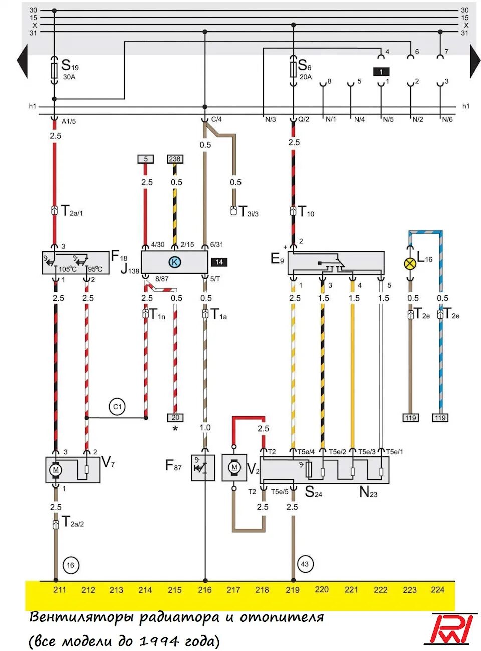
Схема электрооборудования vw passat b3. vw t4 схема вентиляторов охлаждения. фольксваген гольф 4 схема включения вентилятора. электрическая схема passat b4.
Passat b3 мотор 2e. vw passat b3 2.0 2e. пассат б3 двигатель 2е. пассат б3 2.0 инжектор.
Vw passat b3 универсал габариты. габариты фольксваген пассат б3 седан. фольксваген пассат б4 габариты. габариты фольксваген б3.
Схема электрооборудования vw passat b3. vw passat b3 эл схемы. пассат б3 инжектор электрическая схема. электросхема volkswagen passat b3.
Система зажигания vw passat b3. система зажигания фольксваген 2.0. фольксваген б 4 система зажигания. система зажигания фольксваген пассат б4.
Система топлива фольксваген пассат б3 дизель. топливная система фольксваген в3 9а. система топлива фольксваген пассат б5. топливная система фольксваген пассат б5 1.6.
Задние тормозной механизм фольксваген b3. схема задних тормозов vw passat b3. тормозная система фольксваген б3. схема тормозного суппорта volkswagen golf 3.
Система отопления пассат б4. система отопления пассат б3. система отопителя транспортер т4. система воздуховодов фольксваген б5.
Тормозная система vw passat b5. тормозная система пассат б5 1.8. тормозная система фольксваген б5. тормозная система фольксваген пассат б5.
Система охлаждения фольксваген б3. фольксваген б3 система двигателя. система охлаждения двигателя vw passat b3. система охлаждения двигателя пассат б4.
Тормозная система фольксваген пассат б4. тормозная система vw passat b5. тормозная система ауди а4. тормозная система ауди а4 б5.
Тормозная система фольксваген пассат б3. главный клапан абс пассат б3. тормозная система пассат 3. датчик давления абс пассат б3.
Система зажигания vw passat b3. катушка зажигания vw passat b4 схема. электросхема системы зажигания volkswagen passat b4. система зажигания фольксваген гольф 6.
Кронштейн для гидроусилителя пассат б3. крепление гура пассат б3. кронштейн насоса гур пассат б3. болт крепления гур passat b3.
Схема системы выхлопа пассат б3. система выпуска отработавших газов пассат б3. схема выхлопной системы пассат б3 1.8. схема выхлопной системы пассат б 3 2 е.
Тормозная система volkswagen passat b3. тормозная система фольксваген пассат б3. тормозная система фольксваген б4. тормозная система пассат б3 седан.
Vw passat b3 9a 1.8 16v. мотор 9а пассат б3. фольксваген пассат б3 мотор 9а. двигатель 9а пассат б3.
Система охлаждения vw passat b3 1.8 rp. фольксваген пассат б3 1.8. система охлаждения фольксваген пассат б3. система охлаждения на volkswagen passat b3.
Вакуумные трубки vw passat b3 rp 1.8 mono схема. фольксваген гольф 3 система подачи воздуха. гольф 1.8 моновпрыск вакуумные трубки. vw passat b3 2e вакуумная система.
Vw passat b3 универсал тормозная система. тормозная система пассат б4 схема. тормозная система volkswagen passat b3. тормозная система пассат б5.
Система вентиляции пассат б5 1.6. система отопления пассат б4. система воздуховодов пассат б3. система воздуховодов фольксваген б5.
Схема электропроводки дворников volkswagen passat b3. электрическая схема vw passat b3. схема стеклоподъемников пассат б3. схема электрооборудования vw passat b3.
Система турбонаддува фольксваген т4. схема турбины пассат б3 1.6. схема впускной коллектор vw passat b3. вакуумная система фольксваген т4 2,5 турбо дизель.
Система фольксваген пассат б4
Топливная система дизельного двигателя 2.4 на фольксваген т4. масляная система дизеля фольксваген т4. топливная система фольксваген транспортёр 1.9т. система смазки vw passat b6.
Топливный насос фольксваген т4 дизель схема. схема топливной системы дизельного двигателя фольксваген т4. фольксваген пассат б4 дизель топливная система. топливная система фольксваген т4 1.9 дизель.
Тормозная система пассат б6. тормозная система фольксваген пассат б6. тормозная система фольксваген пассат б4. тормозная система vw passat b4.
Система фольксваген пассат б4
Система зажигания vw passat b3. система зажигания фольксваген 2.0. электросхема volkswagen passat b3. электро схема на wv passat b3.
Выхлопная система гольф 4 1.4 схема. фольксваген гольф 4 схема выхлопной системы. выхлопная система гольф плюс 1.4. система выхлопа фольксваген гольф 4.
Выхлопная система пассат б5. wv passat b5 выхлопная система. выхлопная система ауди а4 б5 1.6 схема. система выхлопа пассат б5 1.6.
Болт крепления суппорта пассат б3. болт тормозного суппорта фольксваген пассат б3. задние тормозной механизм фольксваген b3. задняя тормозная система пассат б3 универсал.