Удиви меня
Схемы vw passat
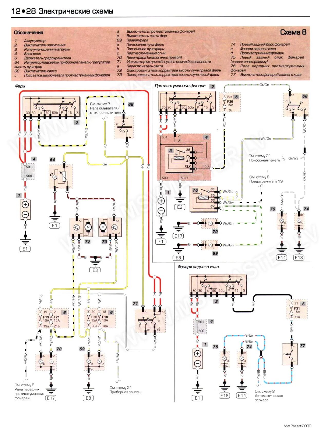
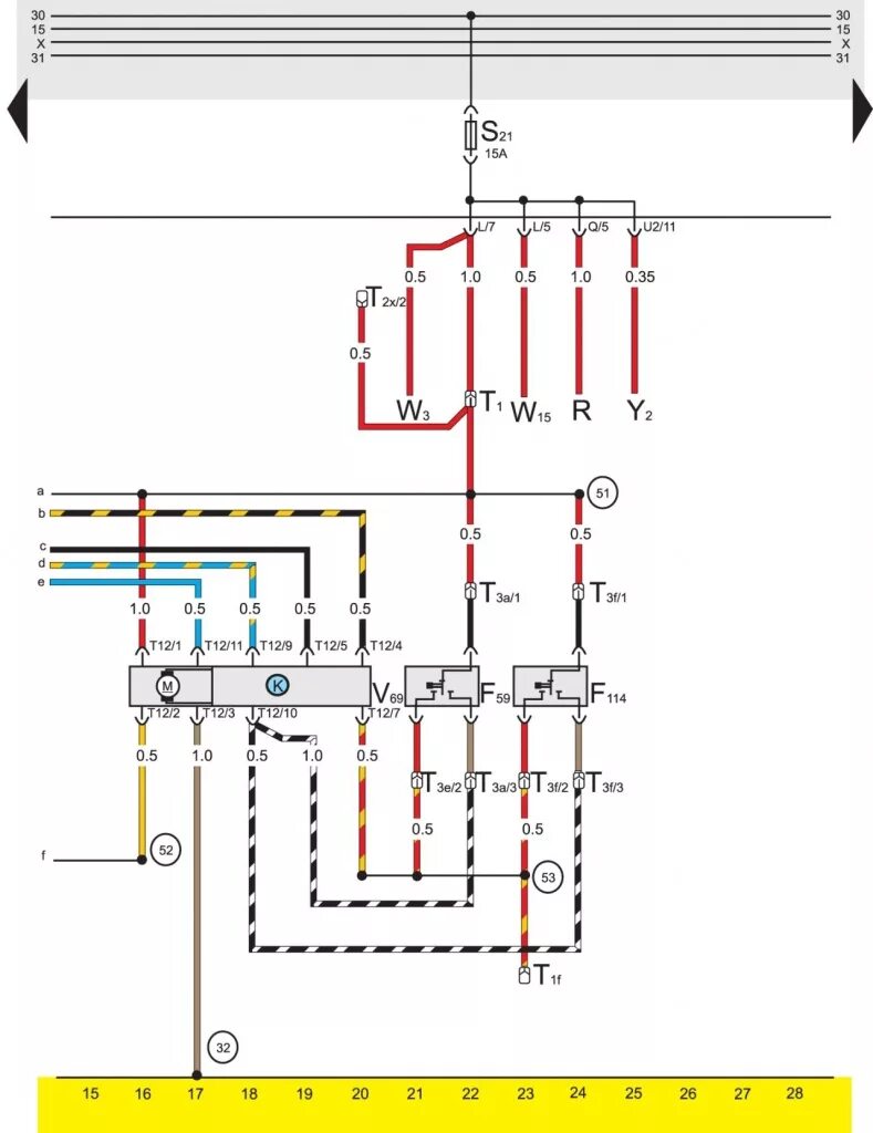
Электропроводка дворников volkswagen passat b3. фольксваген пассат б3 схемы электрические. схема vw passat b3. электросхема фар пассат б3.
Схемы vw passat
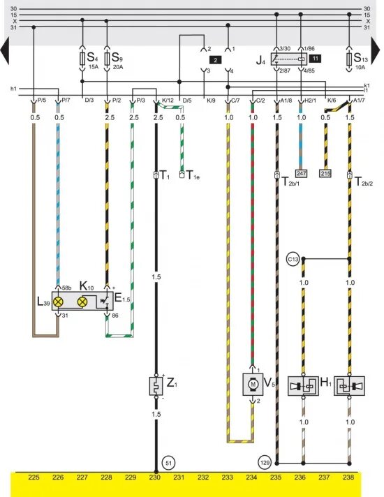
Схема электрооборудования vw passat b3. схема электрооборудования volkswagen passat b3. volkswagen passat b3 электрическая схема. схема электрооборудования пассат б4.
Электрическая схема фольксваген пассат b5. эл схема vw passat b5. vw passat b5 схема центрального замка. эл схемы пассат б5.
Электрическая схема фольксваген пассат б6. схема проводки магнитолы passat b6.
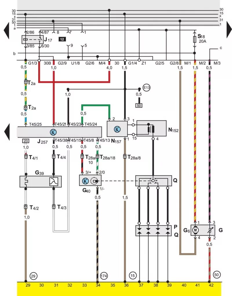
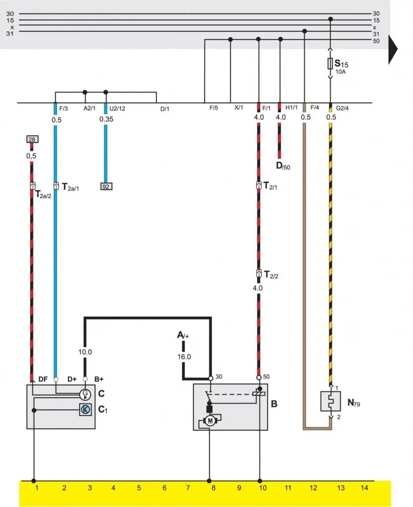
Схема электрооборудования vw passat b3. электрическая схема системы зажигания фольксваген пассат b3. схема электропроводки двигателя фольксваген 2е. схема электро пассат б3.
Схема электрооборудования vw passat b3. схема электрооборудования пассат б4. эл схема vw passat b5. катушка зажигания vw passat b4 схема.
Схемы vw passat
Электрическая схема зажигания vw passat b3. схема электрооборудования vw passat b3. система зажигания vw passat b3. электропроводка фольксваген пассат 1997.
Vw passat b3 эл схемы. электрическая схема фольксваген пассат b5. схема электрооборудования vw passat b3. электросхема volkswagen passat b3.
Схемы vw passat
Схема электрооборудования vw passat b3. vw passat b3 эл схемы. пассат б3 инжектор электрическая схема. электросхема volkswagen passat b3.
Схема электрооборудования vw passat b3. электросхема volkswagen passat b3. схема электрооборудования автомобиля vw passat b3. электрическая схема фольксваген пассат b3.
Схемы vw passat
Схемы vw passat
Схемы vw passat
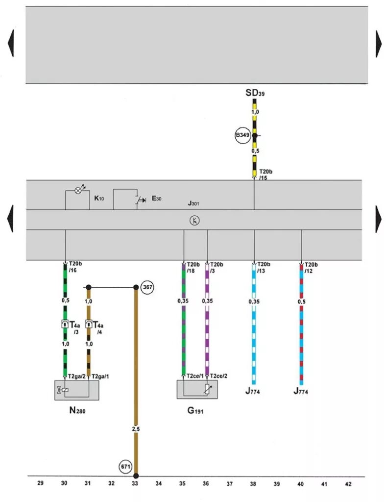
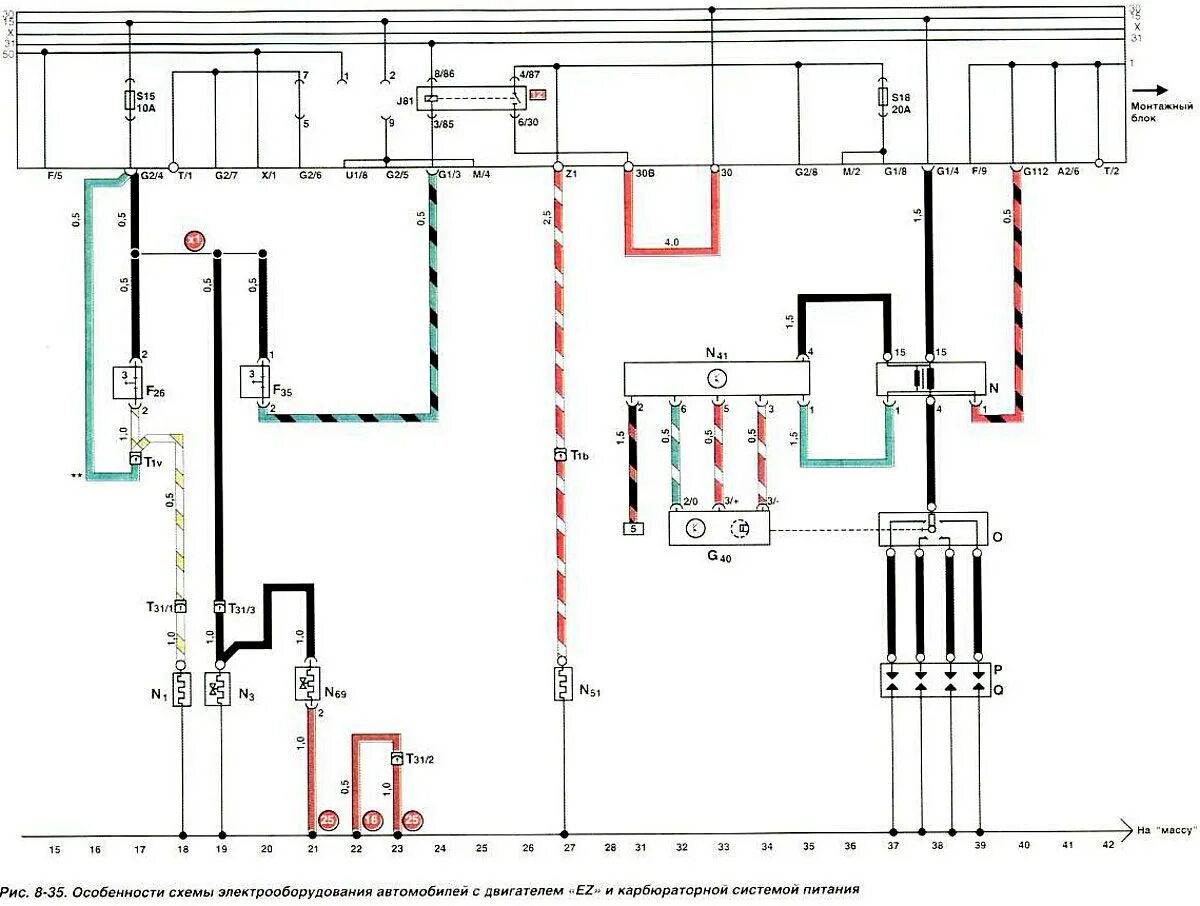
Электрическая схема passat b4. фольксваген пассат t4 схема. схема подушек безопасности пассат б4. схема электропроводки двигателя фольксваген 2е.
Passat b3 схема электрооборудования. электрическая схема volkswagen passat b3 vr6.
Схемы vw passat
Электрическая схема фольксваген пассат б6. электросхема вентиляторов vw passat b6. схема электропроводки пассат сс 2011. электрическая схема пассат б6 1.6.
Схема сигнала фольксваген пассат 2000. схема генератора vw passat b3. пассат t5 схемы электрические. электрическая схема vw passat b3.
Схемы vw passat
Электросхема вентиляторов vw passat b6. фольксваген пассат t4 схема. схема электрооборудования vw passat b3. vw passat b3 эл схемы.
Фольксваген пассат б3 схемы электрические. passat b3 схема электрооборудования.
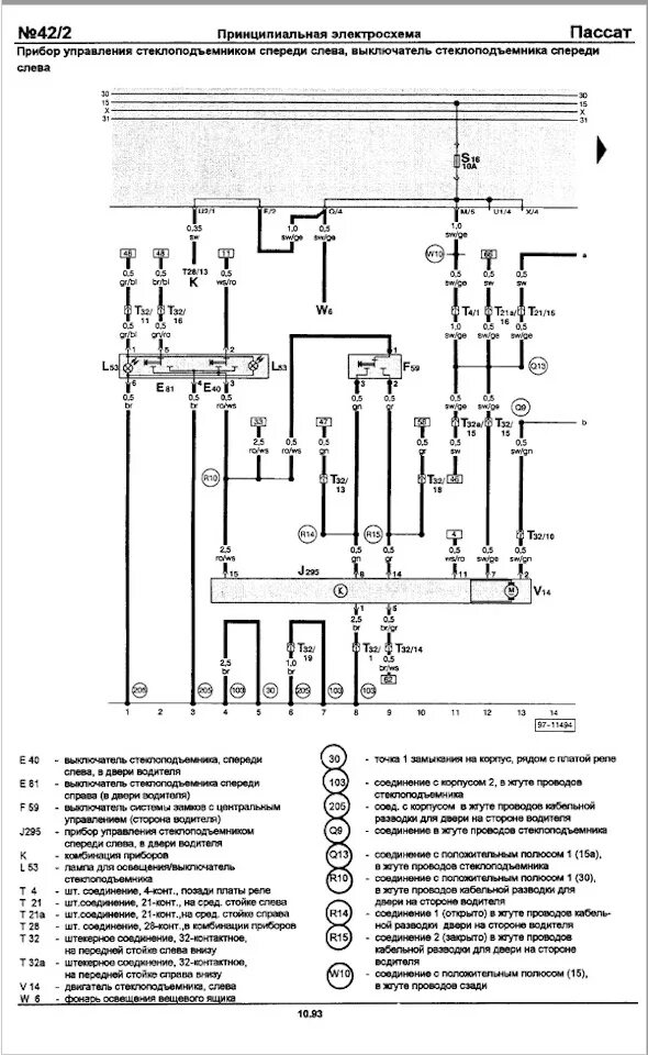
Схема электропроводки дворников volkswagen passat b3. электрическая схема vw passat b3. схема стеклоподъемников пассат б3. схема электрооборудования vw passat b3.
Passat b3 схема электрооборудования. электросхема volkswagen passat b3. фольксваген пассат 4 электросхема. электрическая схема фольксваген пассат b3.
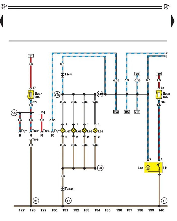
Схема поворотов volkswagen passat. схема переключателя света пассат б3. фольксваген пассат б3 схемы электрические. схема поворотников vw b3.
Электросхема вентиляторов vw passat b6. passat b7 электросхема электрооборудования. схема электрооборудования фольксваген пассат б 6 дизель. эл схема vw passat b5.
Vw passat b5 электросхемы. vw passat b5 схема электрооборудования. электрическая схема volkswagen passat b5. эл схема vw passat b5.
Vw passat b5 схема электрооборудования. пассат б5 схема акпп. электрическая схема фольксваген пассат б6. volkswagen passat b6 электрическая система.
Датчик сцепления passat b5. схема концевика пассат b5. схема концевик пассат б5. датчик распредвала пассат б5 1.8 турбо на схеме.
Схема электрооборудования vw passat b3. схема vw passat b3. электрическая схема volkswagen passat b3 vr6. схема подключения датчика температуры фольксваген т4.
Электрическая схема зажигания vw passat b3.
Схемы vw passat
Схема зажигания passat volkswagen b4. vw пассат б3 схема электрооборудования. электрическая схема volkswagen passat 2.0. vw passat b3 эл схемы.
Схемы vw passat
Схема электрооборудования vw passat b3. vw passat b3 эл схемы. электросхема фар пассат б3. электрическая схема пассат б4.
Vw passat b3 эл схемы. электрическая схема пассат б3. wv passat b3 схема электрооборудования. фольксваген пассат б3 схемы электрические.
Схемы vw passat
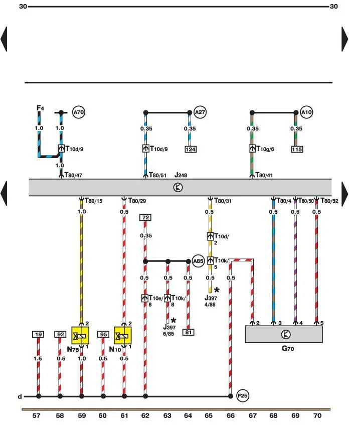
Схема парктроников пассат б6. схема электропроводки пассат б7. фольксваген т4 схема абс. схема реле мотора abs volkswagen passat b3.
Электро схема на wv passat b3. фольксваген пассат t4 схема электроники. схема двигателя фольксваген пассат б3 , 2е. электрическая схема volkswagen passat 2.0.
Схемы vw passat
Схемы vw passat
Passat b3 схема электрооборудования. электросхема volkswagen passat b3. электрическая схема пассат б3 1.8. схема электрооборудования vw passat b3.
Схема дальнего света passat b6. схема приборной панели passat b5. датчик ручника пассат б5 схема. схема освещения volkswagen passat b5.
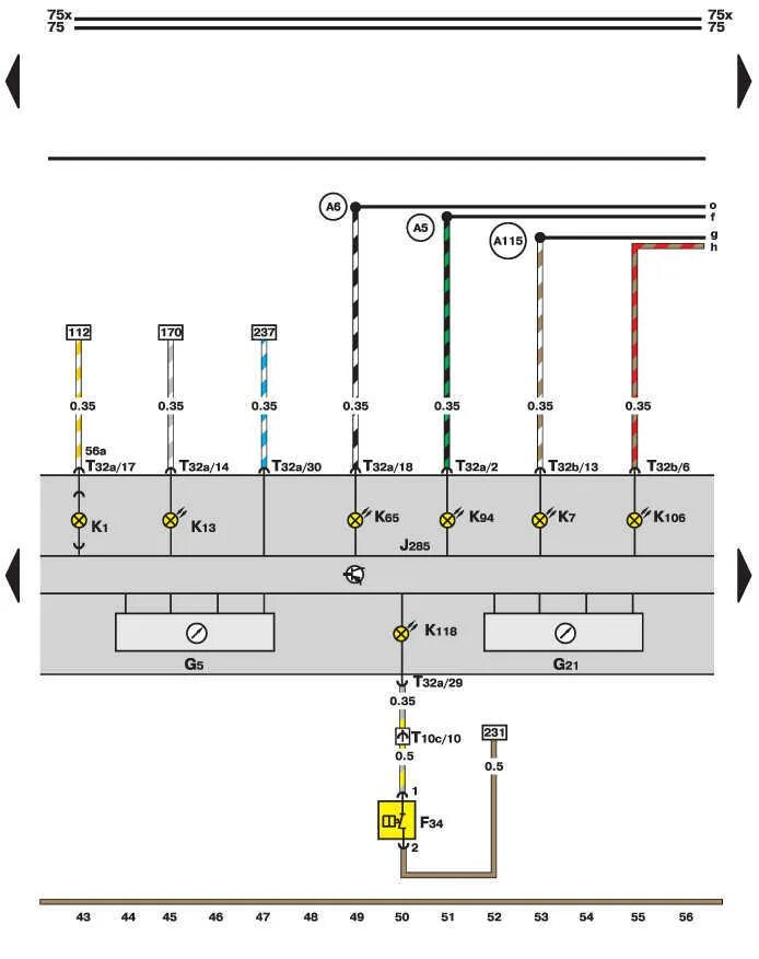
Электросхемы пассат b6. vw passat b6 электросхемы. электросхемы volkswagen passat b6. электросхема вентиляторов vw passat b6.
Схемы vw passat
Электрическая схема пассат б4. пассат б6 схема электрооборудования. passat b3 схема электрооборудования. схема переключателя света пассат б3.
Схема электрооборудования пассат б5+. электрическая схема пассат б5. эл схема vw passat b5. схема центрального замка vw b5.
Эл схема двигателя vw passat b5. электрическая схема фольксваген пассат b5. vw passat b5 схема электрооборудования. vw passat b5 электросхемы.
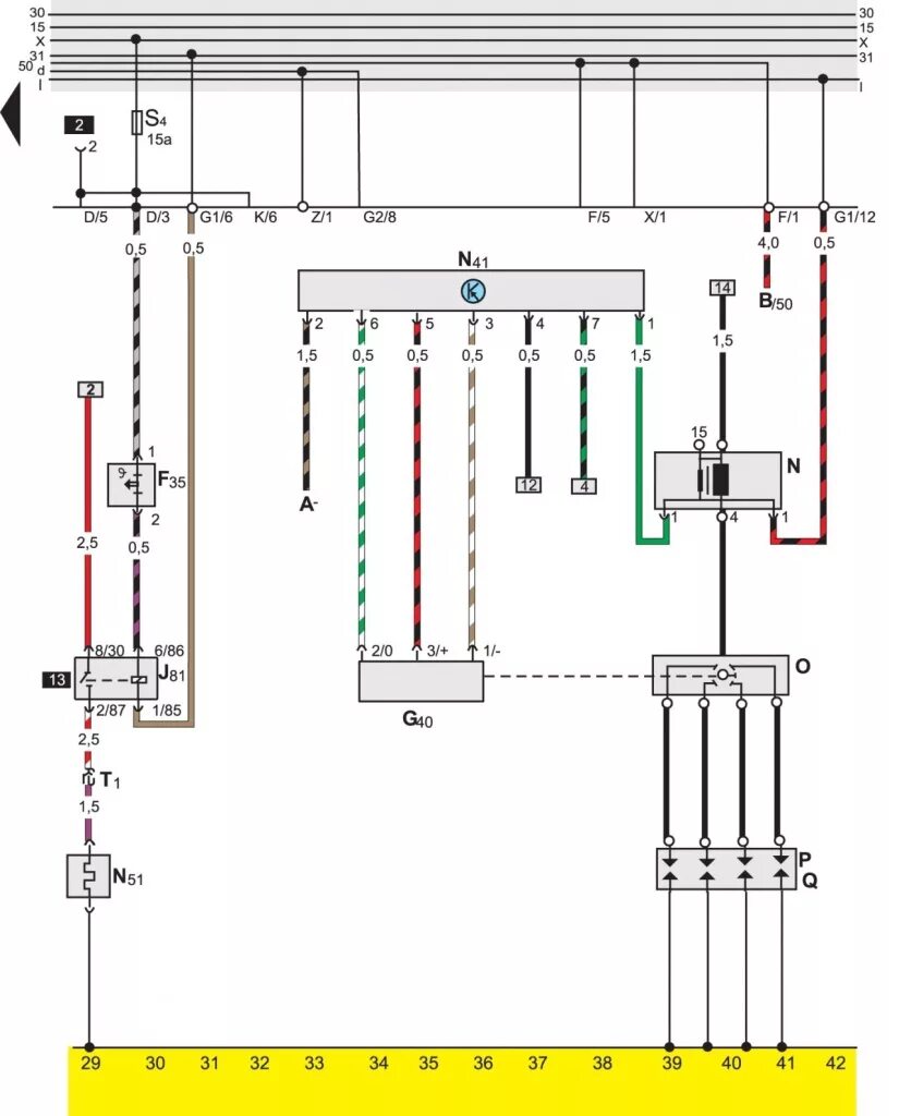
Фольксваген пассат t4 схема. vw passat b3 схема зажигания. электрическая схема зажигания vw passat b3. замок зажигания vw t4 схема.
Схема электрическая фольксваген гольф 5 электропривод зеркал. схема электрооборудования volkswagen crafter. vw crafter 2011 электросхема центрального замка. электрическая схема passat b4.
Эл схема vw passat b5. электрическая схема volkswagen b5. vw passat b5 электросхемы. электрическая схема wv passat b5.
Vw passat b5 схема электрооборудования. электрическая схема фольксваген пассат b5. схема электрооборудования пассат б5. схема диагностического разъема пассат б3.
Электросхема вентиляторов vw passat b6. vw passat b6 электросхемы. электрическая схема пассат б6. vw passat 2010 электросхемы.
Электросхема вентиляторов vw passat b6. vw passat b6 электросхемы. фольксваген пассат б6 электрическая схема кондиционера. электросхемы volkswagen passat b6.
Лампочки салона пассат б5. лампочки фольксваген пассат б5. лампы салона vw passat b4. лампочки освещения салона пассат б5.
Схемы vw passat
Схемы vw passat
Схемы vw passat
Электросхема volkswagen passat b3. схема моновпрыска passat b3. vw passat b3 эл. схема абс. passat b3 блок управления двигателем схема.
Электрическая схема зажигания vw passat b3. схема электрооборудования volkswagen crafter 2012 года. passat b6 схема замка зажигания. схема электрооборудования vw passat b3.
Электрическая схема passat b4. volkswagen passat b3 электрическая схема. схема volkswagen passat b3. схема реле мотора abs volkswagen passat b3.
Схема электрооборудования фольксваген гольф 4. эл схема vw passat b5. фольксваген гольф 4 парктроник схема. схема электрооборудования vw passat b3.
Схемы vw passat
Схемы vw passat
Электрическая схема volkswagen passat b5. фольксваген т4 схема датчика температуры. фольксваген т5 схема датчиков температуры. схема освещения volkswagen passat b5.
Электрическая схема vw passat b3. схема переключателя света пассат б3.
Схемы vw passat
Эл схема vw passat b5. схема электрооборудования пассат б5+. электрическая схема фольксваген пассат b5. vw passat b5 схема электрооборудования.
Vw passat b5 схема электрооборудования. электрическая схема отопителя пассат б5. эл схема vw passat b5. эл схемы пассат б5.
Схемы vw passat
Схемы vw passat
Электросхема volkswagen passat b3. vw passat b3 эл. схема абс. схема кондиционера volkswagen passat b4. для фольксваген пассат б4 электрическая схема.
Электрическая схема климата пассат б5. электросхема автомобиля volkswagen passat b5 мотор 1.6 1997 года. электрические схемы passat b5.
Электрическая схема зажигания vw passat b3. электросхема вентиляторов vw passat b6. схема поворотников passat b3. схема поворотников vw b3.
Схемы vw passat
Vw golf 3 электрическая схема инжектора. электросхема двигателя пассат 2.3. vw golf 3 1.8 электросхемы. электрическая схема volkswagen passat 2.0.
Электрическая схема пассат б3. схема электрооборудования vw passat b3. фольксваген б3 схема поворотников. vw passat b3 схема зажигания.
Vw passat b5 схема электрооборудования. эл схема vw passat b5. электрическая схема фольксваген пассат b5. схема дальнего света passat b6.
Эл схема vw passat b5. электрическая схема wv passat b5. электрическая схема пассат б5. схема электрооборудования пассат б5.
Схема электрооборудования vw passat b3. пассат б6 схема электрооборудования. электрическая схема пассат б3. vw passat b3 эл схемы.
Эл схема vw passat b5. электрическая схема volkswagen b5. схема сигнала пассат б5. электрическая схема volkswagen passat b5.