Удиви меня
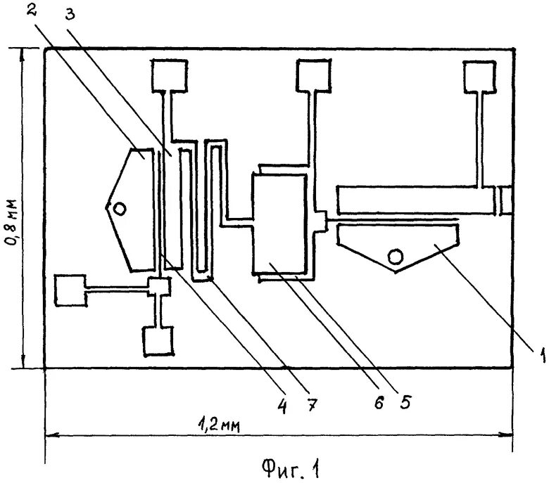
Схемы свч генератора
Схемы свч генератора
Свч генератор на кт930. свч генератор помех. свч генератор на 2.4 ггц схема. генератор свч на кт610а.
Свч генератор на 2.4 ггц схема. импульсный генератор свч. схема генератора помех ггц. генератор помех 2.4 ггц схема.
Свч генератор на кт930. свч генератор на транзисторе схема. микрополосковый транзисторный свч генератор. свч генератор на 2.4 ггц схема.
Генератор свч на кт610а. свч генератор на 2 транзисторах. свч генератор на кт930. схема транзисторного свч усилителя на 10 ггц.
Автогенератор свч схема структурная. структурные схемы генераторов свч. свч-генератор обозначение. импульсный генератор свч.
Свч генератор на кт930. генератор свч на кт610а. свч генератор 150 мгц. мощный генератор свч 600 мгц.
Блок схема генератора свч. свч генератор на 2.4 ггц схема. автогенератор свч схема структурная. свч генератор 10 ггц схема.
Мощный генератор свч 600 мгц. свч генератор на 2 транзисторах. генератор свч на кт610а. свч генератор на кт930.
Схемы свч генератора
Автогенератор свч схема структурная. схемы свч генераторов. генератор квч схема. выходной сигнал генератора.
Свч генератор на кт930. магнетронные генераторы свч схема. схема двухтактный свч генератор. твердотельные генераторы свч малой мощности.
Схемы свч генераторов. схема генератора свч импульсов. генератор свч импульсов в радиотехнике. свч генератор на транзисторе.
Схемы свч генератора
Генератор свч на кт610а. свч генератор 150 мгц. свч генератор на кт930. мощный свч генератор 100 мгц.
Свч генератор на 2.4 ггц схема. свч генератор с общей базой. генератор свч на лампах. генераторах сверхвысоких частот (свч),.
Свч генератор на 2.4 ггц схема. свч генератор на 2 транзисторах. свч автогенератор на транзисторе. генератор свч на полевом транзисторе.
Свч генератор на кт930. свч усилитель мощности 2ггц схема. схема транзисторного свч усилителя на 10 ггц. транзисторный автогенератор свч.
Схемы свч генератора
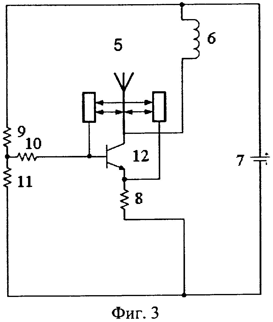
Высокочастотный генератор управляемый напряжением. генератор управляемый напряжением свч. схема генератора управляемого напряжением на транзисторах. генератор управляемый напряжением схема на транзисторе.
Высокочастотный генератор управляемый напряжением. генератор управляемый напряжением свч. генератор управляемый напряжением на транзисторах. схема генератора управляемого напряжением на транзисторах.
Свч генератор 150 мгц. генератор свч на полевом транзисторе. генератор частоты свч схема. генератор свч на кт610а.
Генератор сверхвысоких частот схема. свч генератор помех. схемы свч генераторов. генератор частоты свч схема.
Схемы свч генератора
Схемы свч генератора
Схемы свч генераторов. автогенератор свч схемы 20 ггц. ламповый генератор свч. мощный генератор свч 600 мгц.
Свч генератор на 2 транзисторах. транзисторный автогенератор свч. схемы свч генераторов. генератор шума свч схема.
Свч генератор на кт930. схемы свч генераторов. схема свч генератора своими руками на транзисторах. генератор свч на полевом транзисторе.
Схемы свч генератора
Генератор свч на кт610а. свч генератор на 2.4 ггц схема. кт391 генератор свч. генератор свч "ориентир".
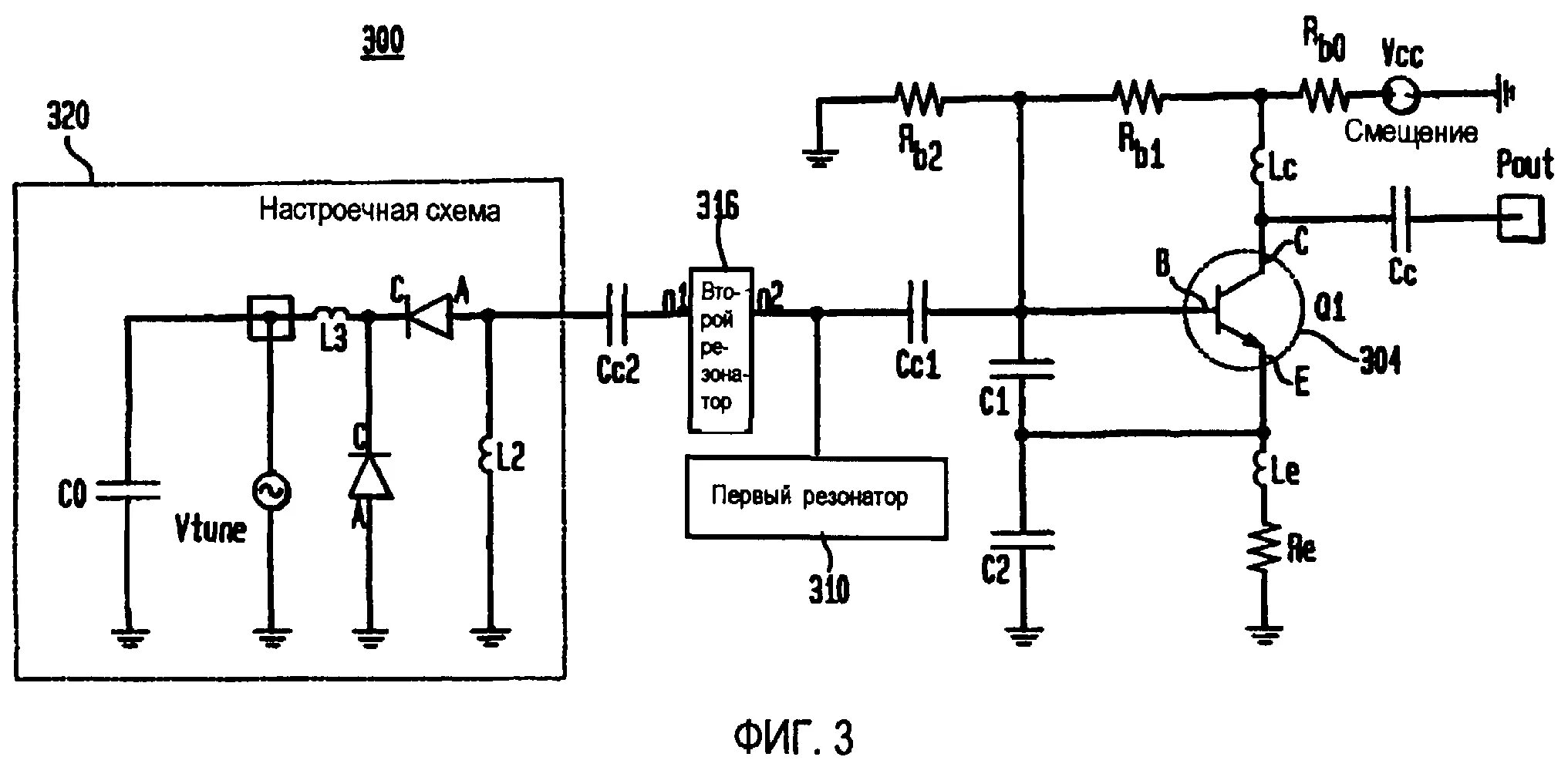
Генератор управляемый напряжением свч. высокочастотный генератор управляемый напряжением. каскодный генератор. каскодный усилитель на транзисторах.
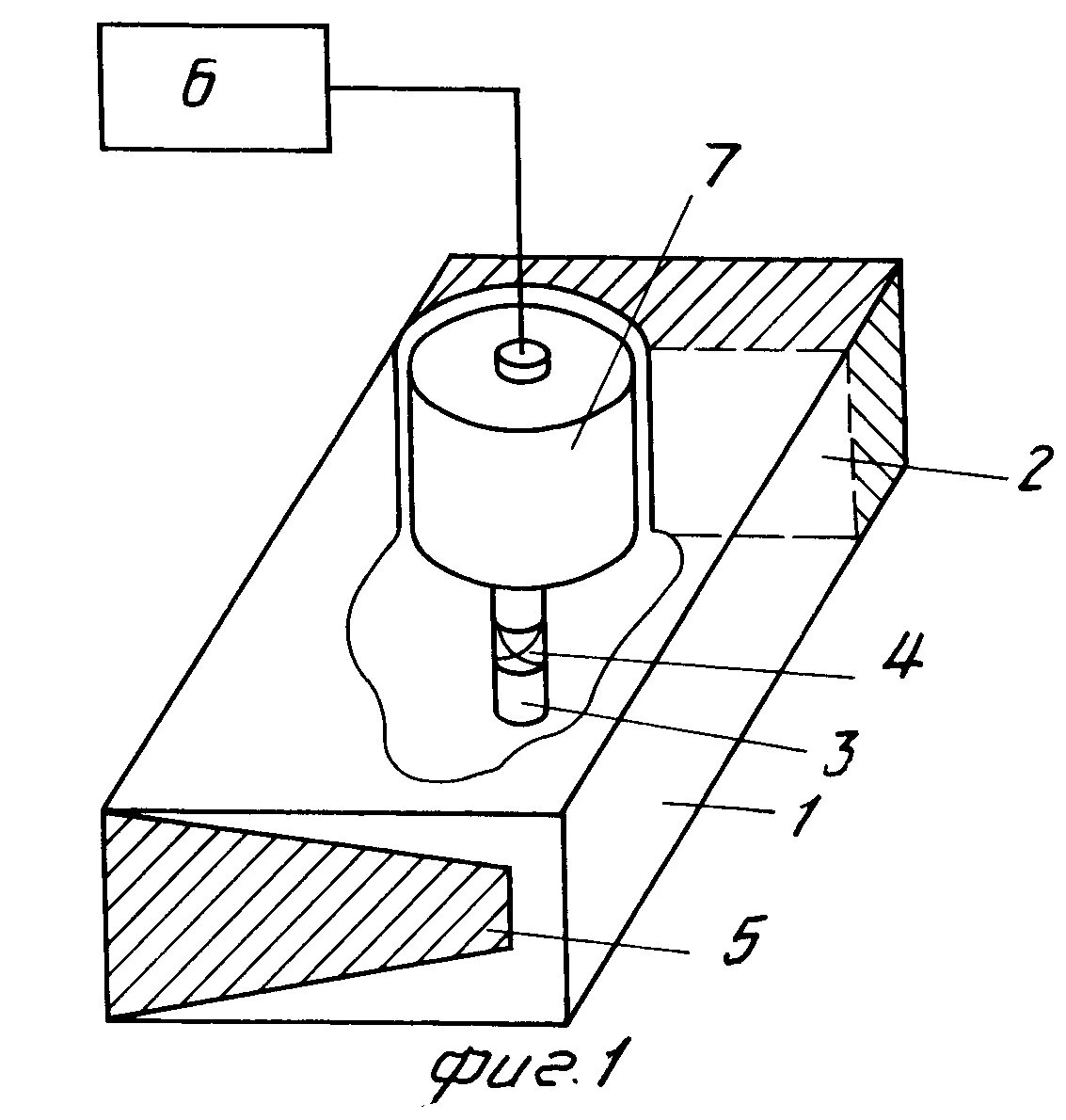
Свч генератор на диэлектрических резонаторах. схема генератора свч с резонаторами. генератор свч малой мощности. генератор свч промеры.
Эквивалентная схема магнетрона. генератор хаббарда схема. магнетронные генераторы свч схема. схема генератора торсионного излучения.
Схемы свч генератора
Схемы свч генератора
Схема ограничителя мощности свч. свч ограничитель мощности. транзисторные усилители свч колебаний. градуировка фазовращателя.
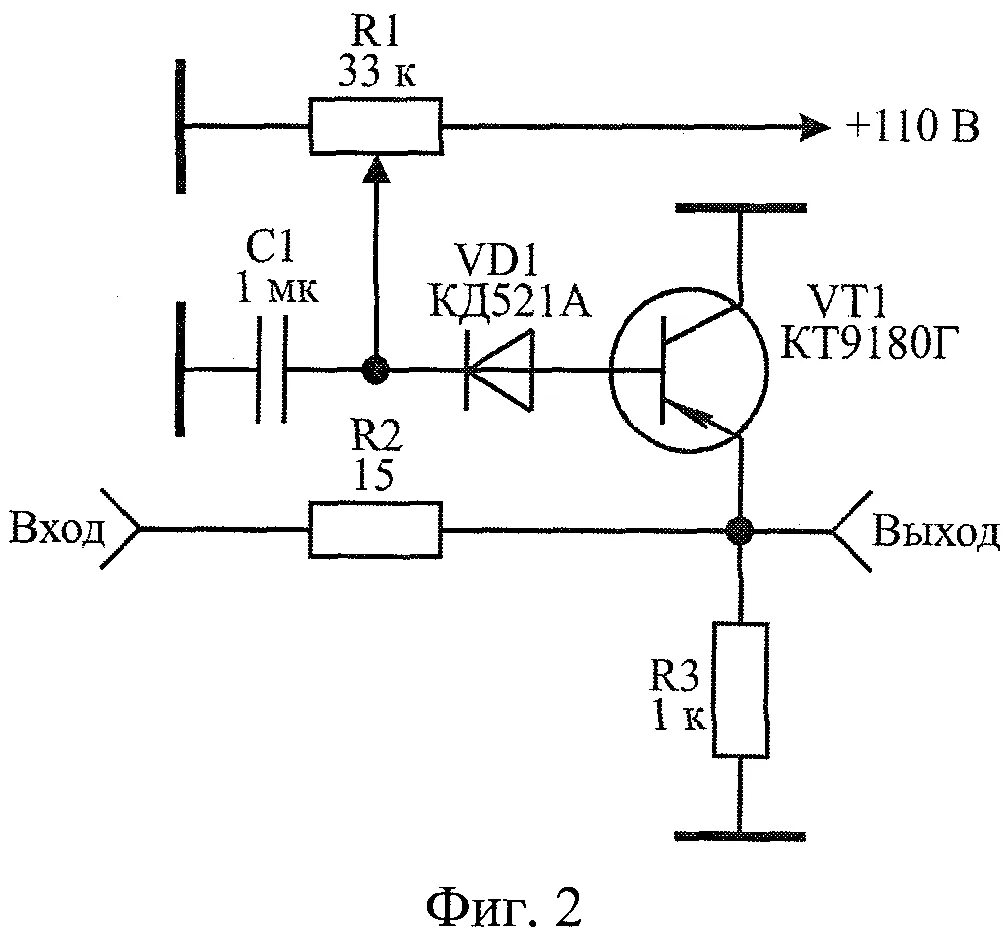
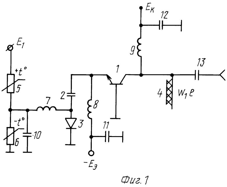
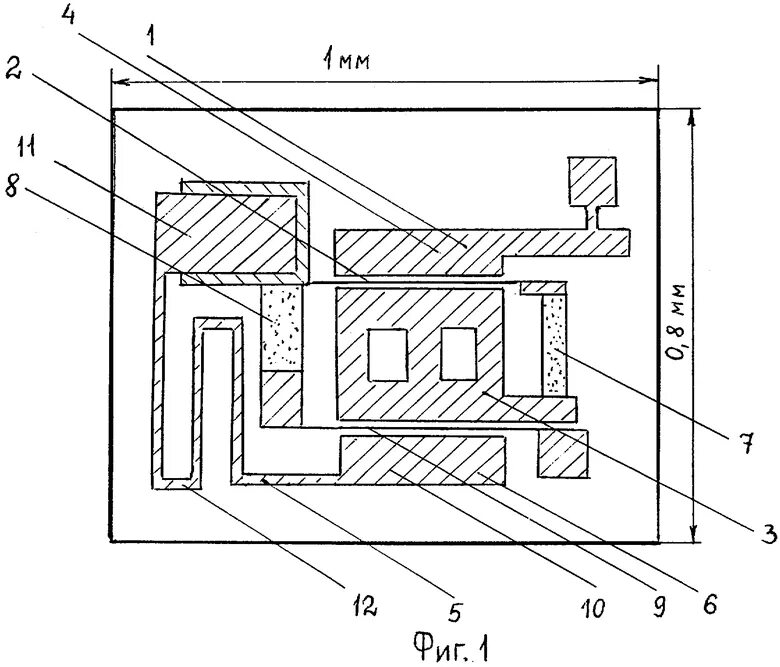
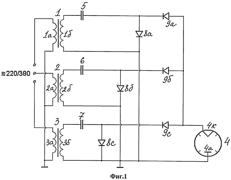
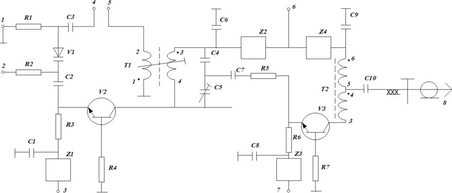
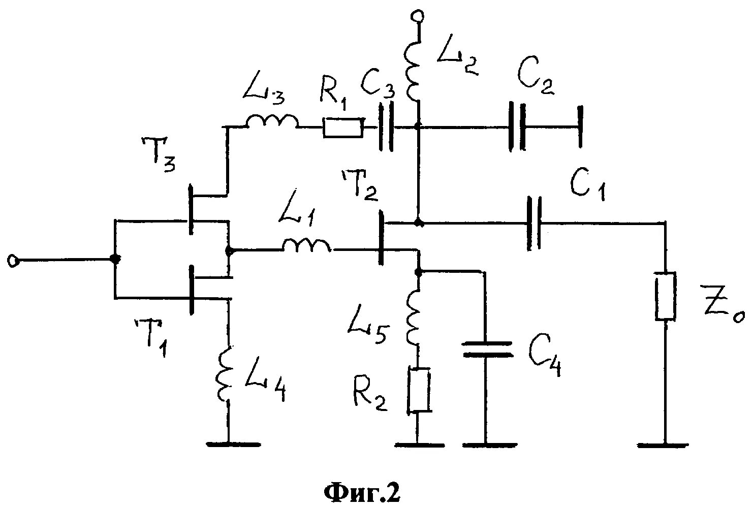
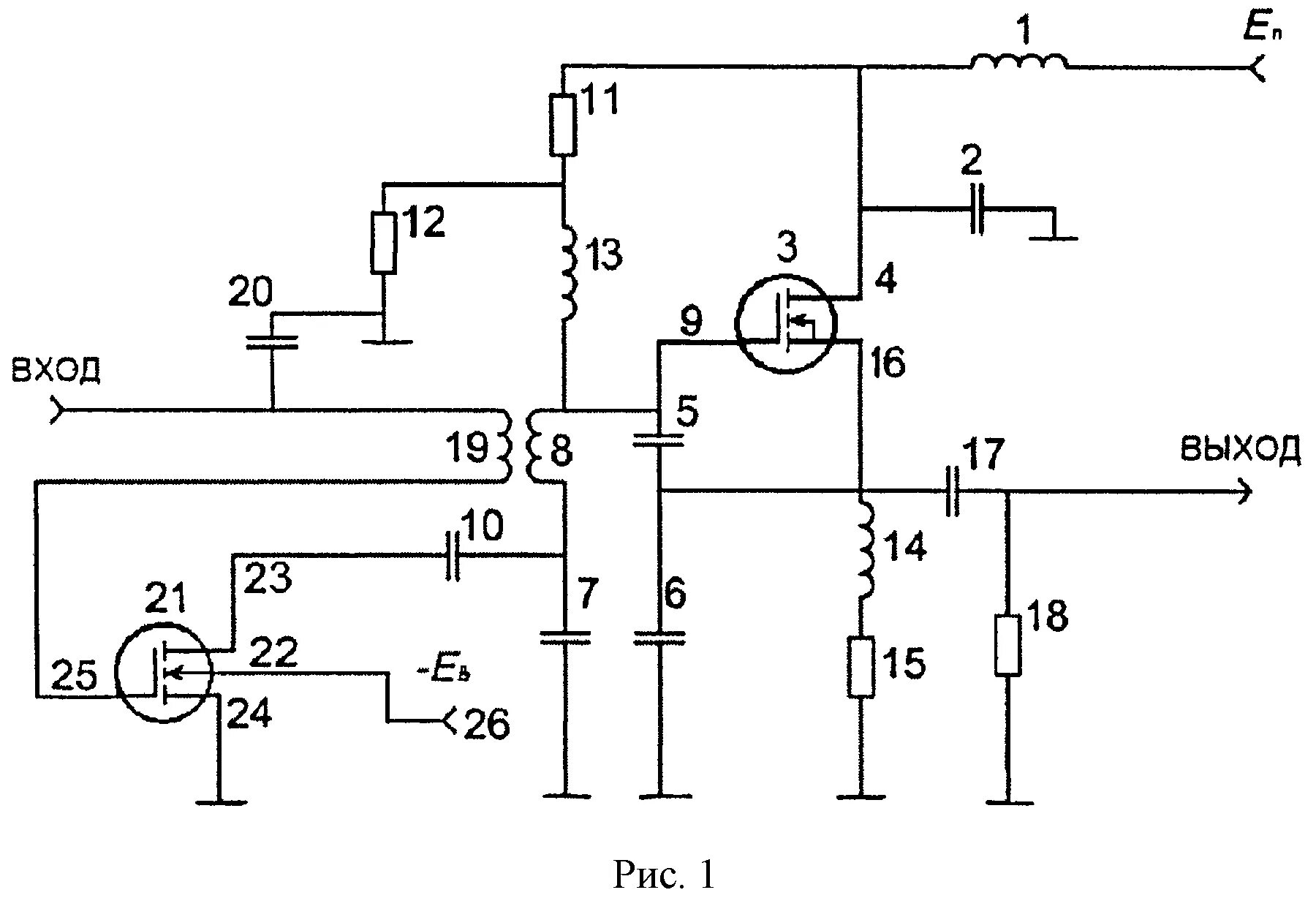
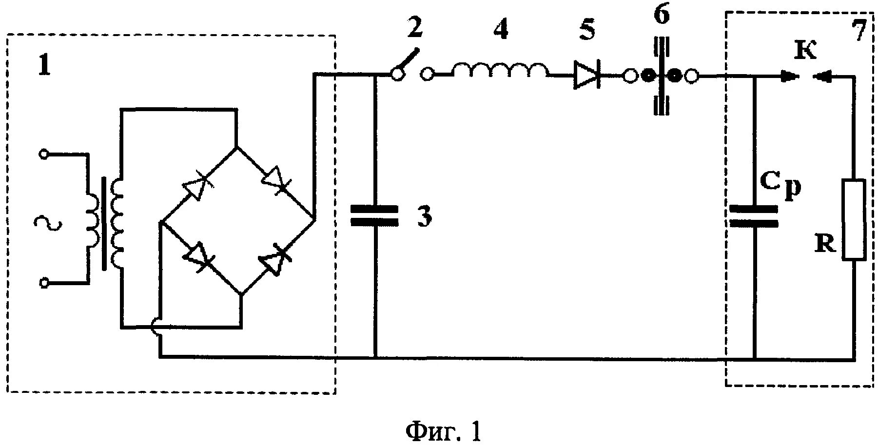
Структурные схемы генераторов сверхвысоких частот.
Магнетронные генераторы свч схема. свч генератор на 2 транзисторах. свч генератор частотомер. генератор свч на кт610а.
Схемы свч генератора
Схемы свч генератора
Схемы свч генератора
Свч генератор на 2 транзисторах. свч генератор на транзисторе схема. микрополосковый транзисторный свч генератор. генератор управляемый напряжением свч.
Диодные генераторы свч на диодах ганна. генератор свч на диоде ганна. генератор на диоде ганна схема. свч диод схема.
Схемы свч генератора
Схемы свч генератора
Импульсный генератор для микроволновки lg. блок схема микроволнового автогенератора. высоковольтный импульс для зарядки. обозначение выхода свч генератора.
Схемы свч генератора
Принципиальная схема генератора с внешним возбуждением. гвв генератор с внешним возбуждением. ламповый генератор с внешним возбуждением схема. структурная схема генератора с внешним возбуждением.
Схемы свч генератора
Генератор свч на диоде ганна. передатчик на диоде ганна. диодные генераторы свч на диодах ганна. диод ганна схема свч.
Схемы свч генератора
Свч генератор на транзисторе схема. блок схема генератора свч. генератор диапазона свч на лбв это. гун свч диапазона схема.
Схемы свч генератора
Схемы свч генератора
Схемы свч генератора
Свч генератор 150 мгц. генератор свч на кт610а. свч генератор частотомер. оптоэлектронный генератор свч.
Схемы свч генератора
Микроволновка схема подключения магнетрона. напряжение накала магнетрона свч печи. схема подключения магнетрона к трансформатору. схема подключения магнетрона в микроволновке.
Схемы свч генератора
Схемы свч генератора
Генераторы сверхкоротких импульсов схемы. высоковольтный импульс для зарядки. генератор сверхкороткого импульса. генератора сверхвысокочастотного тока импульсного типа.
Схемы свч генератора
Усилитель свч сигнала схема. свч усилитель мощности схема. схемы свч усилителей на биполярных транзисторах. мшу свч усилитель схема.
Генератор на свч диоде. генератор свч на диоде ганна. свч генератор на транзисторе схема. свч генератор на транзисторе.
Схемы свч генератора
Схемы свч генератора
Широкополосный свч усилитель схема. широкополосный усилитель высокой частоты схема. увч широкополосный схема. широкополосный усилитель вч схема.
Генератор свч на кт610а. свч генератор на кт930. микрополосковый транзисторный свч генератор. генератор свч на кт3109а.
Автогенератор свч схема структурная. структурная схема высокочастотного генератора. генератор частоты свч схема.
Схемы свч генератора
Схема свч генератора 5-6 ггц. генератор свч на одном биполярном транзисторе схема. свч генератор на кт930. схема транзисторного свч усилителя на 10 ггц.
Схемы свч генератора
Схемы свч генератора
Свч генератор на 2.4 ггц схема. микро 80 трансивер схема. микро трансивер малыш 2 схема. свч-рация схема.
Схемы свч генератора
Мощный генератор свч 600 мгц. свч генератор на кт930. генератор свч на кт610а. свч генератор 150 мгц.
Схемы свч генератора
Схемы свч генератора
Схемы свч генератора
Схема включения магнетрона в микроволновке. схема подключения магнетрона. магнетронные генераторы свч схема. схема включения магнетрона микроволновки.
Схемы свч генератора
Генератор шума свч схема. 2д2с генератор шума. выключатель свч эквивалентная схема. многополюсник свч.
Генератор управляемый напряжением свч. генератор шума свч схема. генератор шума свч диапазона. высокочастотный генератор шума свч.