Удиви меня
Схема установки акпп
Схема автоматической коробки передач. автоматическая коробка передач схема устройства. схема коробки передач автомат. схема автоматической коробки передач с гидротрансформатором.
Автоматическая коробка передач схема. принцип работы автоматической коробки передач схема. кинематическая схема автоматической коробки передач автомобиля. схема гидромеханической автоматической коробки передач.
Акпп 09g aisin схема. айсин 09g акпп. схема акпп айсин 09 g. коробка передач aisin 09g.
Акпп zf 8hp45. схема акпп zf 6hp19. схема акпп 5hp19 ауди. акпп zf 8hp45 схема.
Акпп cd4e мазда 626. акпп ford cd4e. cd4e акпп схема. схема акпп cd4e форд.
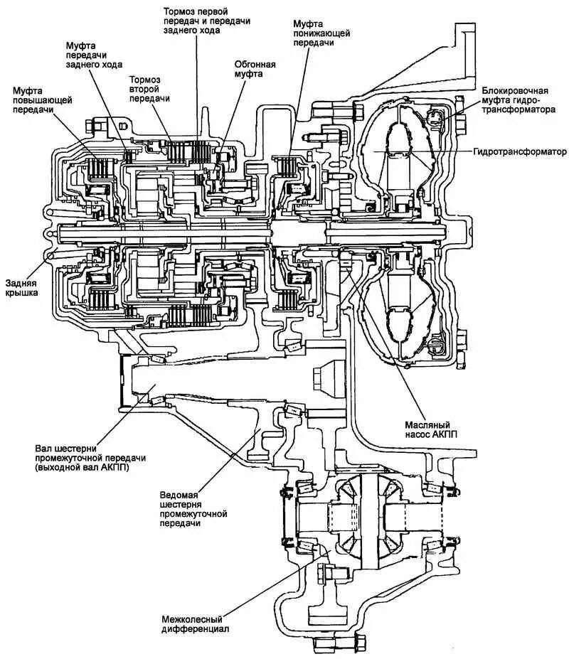
Схема кпп хендай акцент. акпп хендай акцент a4af3.
Коробка 722.6 мерседес. акпп-5 722.6. коробка передач мерседес a 180. mercedes 722.6.
Схема установки акпп
Кинематическая схема гидротрансформатора. кинематическая схема гидромеханической трансмиссии. схема автоматической коробки передач. схема кинематическая гидромеханической акпп 4 передачи.
Схема акпп g4ael. gf4a-el акпп. 4eat-g акпп. схема акпп gf4a-el.
Мануал fnr5 акпп. акпп fnr5 схема гидроблока. схема гидроблока fnr5. схема сборки акпп 6t30.
Схема акпп dp0 al4. схема al4 dp0. акпп al4 dp0 peugeot 307. схема гидроблока al4 dp0.
Акпп a4af3 акцент. подшипники акпп a4af3. акпп hyundai accent (a4af3). акпп f4a22 схема.
Схема сборки акпп 6т30. акпп 01м схема сборки.
Схема акпп gm 5l40e. акпп 01м схема сборки. схема акпп zf 6hp19. схема сборки акпп 5hp19.
Акпп 4f27e фрикционы. акпп 4f27e схема. cd4e акпп схема. 4f27e акпп барабан.
Схема сборки акпп 09g. схема сборки акпп 6т30. схема гидроблока акпп 6т40. zf 5hp19 audi.
Ремкомплект акпп додж караван 2.4. гидроблок акпп 604. акпп a604 41te. схема акпп а 604.
Jf506e акпп. jatco jf506e. акпп jatco jf506e. акпп jatco jf414e соленоиды.
Схема коробки передач автомат хендай. схема акпп ix35. схема устройство автоматической трансмиссии. схема акпп hyundai santa fe 2.
Акпп бмв х5 е53 дизель. бмв х5 е53 сальник акпп. акпп bmw x5 e53. схема акпп 6hp26.
Схема подключения доп радиатора акпп. схема подключения доп радиатора акпп с термостатом. схема подключения дополнительного радиатора акпп. схемы подключения дополнительного радиатора охлаждения акпп.
Мазда 6 датчик давления акпп на схеме. датчики на акпп 4t45e. датчик скорости акпп a4af3. схема датчиков акпп а240е.
Jf414e схема акпп. кинематическая схема автоматической коробки передач. акпп jatco jf414e схема. cd4e кинематическая схема акпп.
Акпп ssangyong btr dsi-6 m78. акпп м 78 btr 6. схема акпп саньенг кайрон. схема акпп dsi m78.
Система охлаждения коробки автомат ауди а4 б6. система охлаждения вариатора ауди а6 с6 2,8. система охлаждения акпп ауди а4. трубки охлаждения вариатора ауди а6с5.
Схема установки акпп
Гидроблок акпп 5hp19 ауди. 5hp19 гидроблок жиклеры. гидроблок 5hp19 ауди расположение жиклеров. 5hp19 акпп мануал.
Схема крепления акпп w 202.
A750f акпп гидроблок. tf60sn 09g гидроблок схема. гидроблок re5r05a корпус. схема гидроблока 01m акпп.
Схема установки акпп
Пежо 206 охлаждение акпп. разъем акпп пежо 307. охладитель акпп peugeot 206. датчики кпп пежо 206 1.4.
Схема подключения доп радиатора акпп. установка дополнительного радиатора охлаждения акпп схема. схемы подключения дополнительного радиатора охлаждения акпп. схема подключения доп радиатора вариатора j32.
Гольф 4 коробка схема. схема коробки передач фольксваген поло. кпп фольксваген поло седан 1.6 механика схема. мкпп поло седан 1.6 схема.
Акпп пежо 307 2.0. болты для крепления акпп пежо 308. коробка автомат пежо 206 1.4. мкпп пежо 206 1.4.
Схемы подключения дополнительного радиатора охлаждения акпп. схема подключения доп радиатора акпп. схема охлаждения акпп с доп радиатором. схема подключения доп радиатора акпп с термостатом.
Кинематическая схема акпп. схема управления коробкой передач. кинематическая схема автоматической коробки передач автомобиля. принципиальная схема автоматической коробки передач.
60-41sn гидроблок. соленоиды на гидроблоке акпп 01n. гидроблок на акпп aw60-40le. акпп 09g aisin схема.
Гидроблок акпп u241e. схема гидроблока u250. схема гидроблока u240. акпп u240e гидроблок.
A4cf1 гидроблок схема. а750 гидроблок схема. схема гидроблока a4cf2. схема гидроблока акпп а750.