Удиви меня
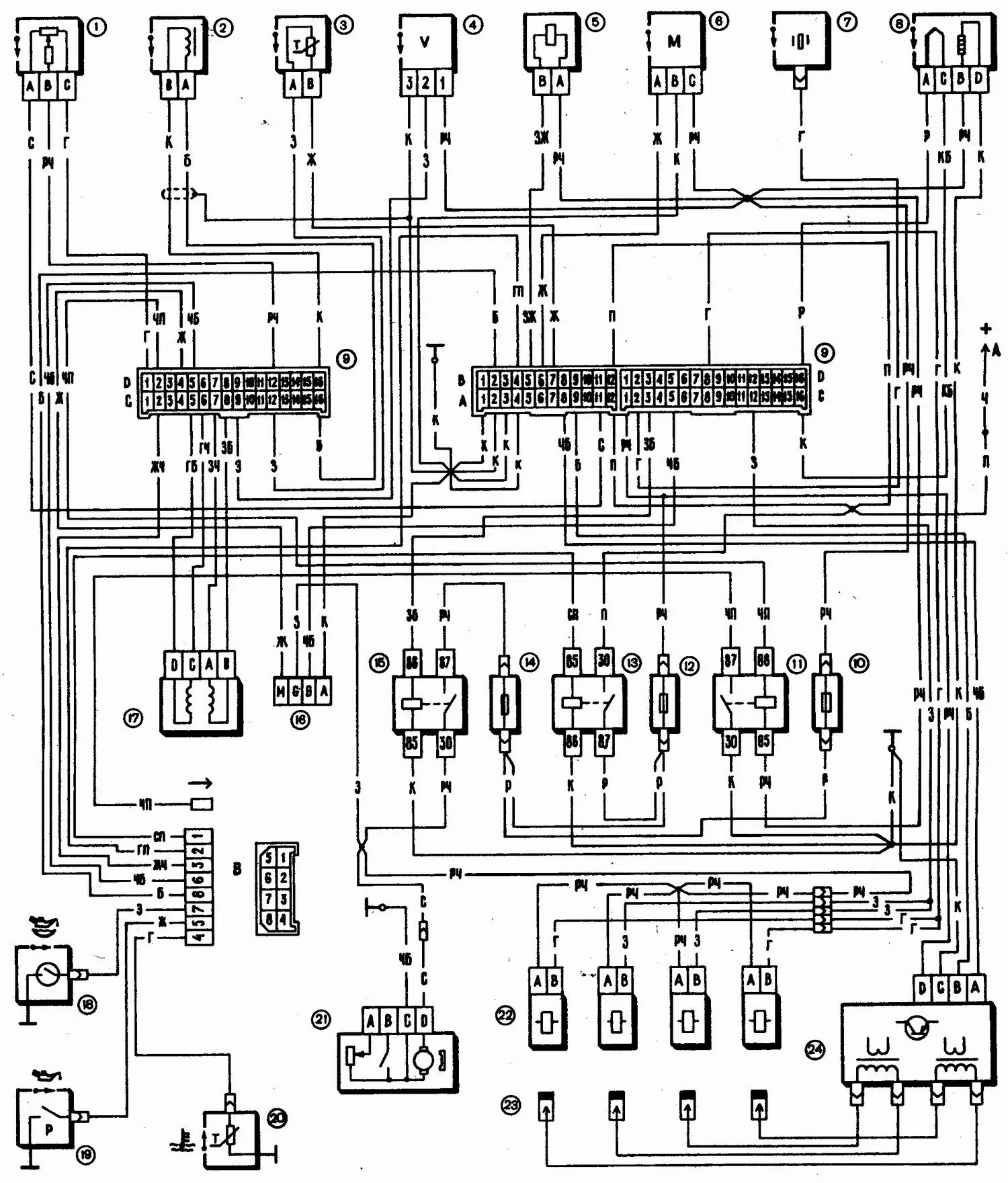
Схема управления двигателем ваз
Электрическая схема форсунок 2109 инжектор. схема электрооборудования ваз 2109 инжектор 8 клапанов. схема электрооборудования ваз 2109 инжектор. электро схема управления двигателем ваз 2114.
Схема моторной проводки ваз 2114. электросхема ваз 2114 система управления двигателем. схема проводки форсунок ваз 2114. электро схема управления двигателем ваз 2114.
Схема проводки ваз 2112 1.5 16 клапанов. схема управления двигателем ваз 2111. схема ваз 2110 январь 5.1. схема управления двигателем ваз январь 5.1.
Ваз 21114 схема электрооборудования. схема электрооборудования ваз 21114 инжектор. схема электропроводки эбу ваз 2114. схема электропроводки ваз 21114 инжектор.
Схема системы управления двигателем ваз-2111. схема электропроводки ваз 2111 инжектор. схема электрооборудования январь 5.1. ваз 2111 схема электрооборудования.
Схема электрооборудования ваз 2110 инжектор 16 клапанов. схема эл проводки ваз 2111 инжектор 8 клапанов. схема электрооборудования ваз 2111 инжектор 8 клапанов. схема подключения проводки ваз 2110.
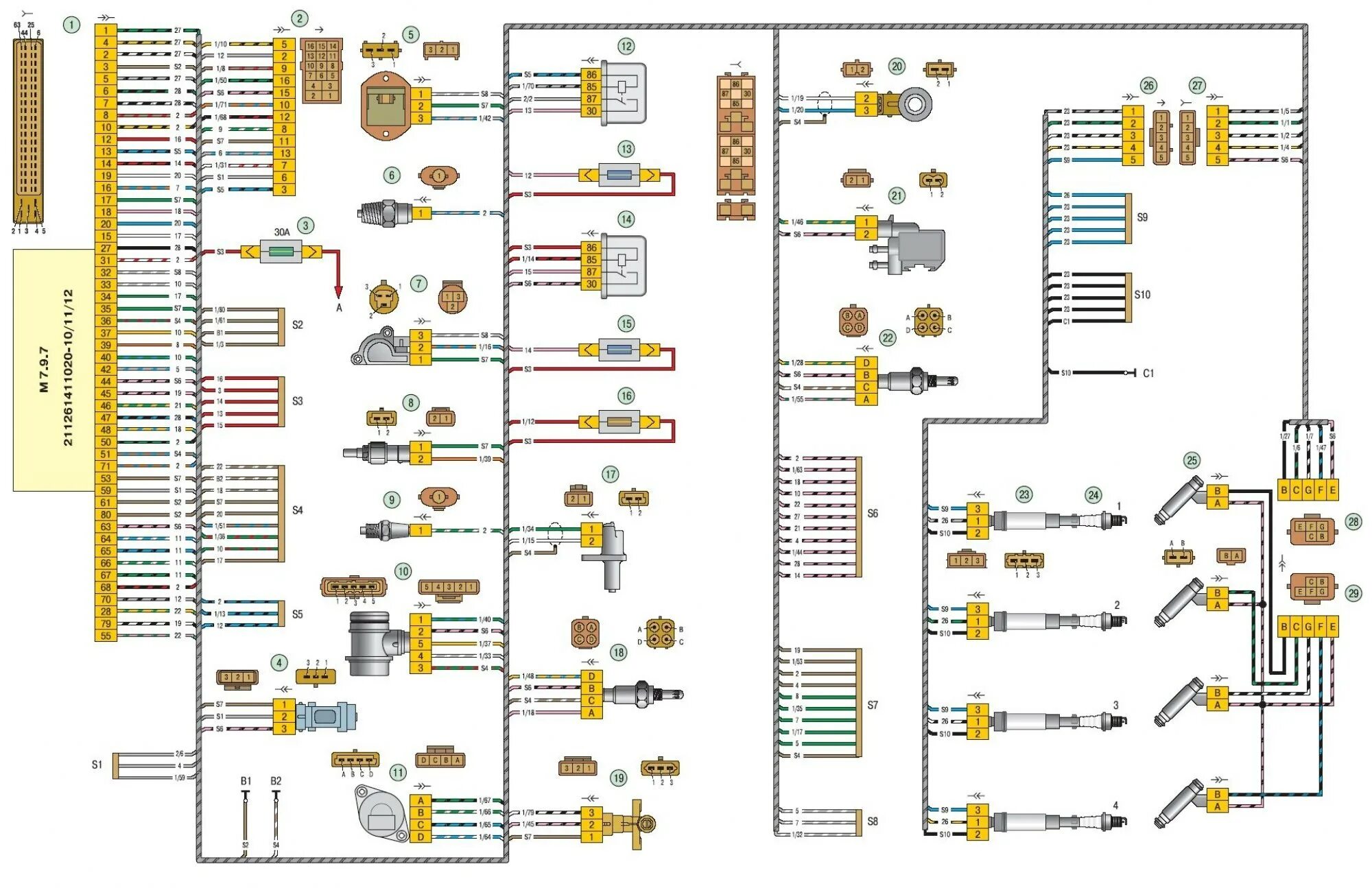
Схема системы управления двигателем ваз-2111. система управления двигателем ваз 2114 январь 7.2. схема эбу ваз 2109 инжектор. схема системы управления двигателем ваз 2115.
Схема эсуд 2110. схема управления двигателем ваз 2110 инжектор 8. ваз 2115 схема электропитания на форсунки. электросхема ваз 2111 инжектор.
Электрическая схема ваз 2107 инжектор. схема проводки ваз 2107 инжектор на форсунки. схема электропроводки ваз 2107 инжектор. схема электрическая эсуд ваз 2107 инжектор.
Схема эсуд ваз 2114 инжектор 8 клапанов. разъём эсуд ваз 2114. схема электрооборудования ваз 2114 эбу бош. схема электропроводки эбу ваз 2114.
Схема проводки двигателя ваз 2114 инжектор 8. схема электропроводки ваз 2114 инжектор 8. схема проводки двигателя ваз 2114. схема электропроводки ваз 2114.
Датчики двигателя нива 21214 инжектор. датчики на ваз 21214 двигатель инжектор. 21214 схема эсуд. схема управления двигателем нива 21214 инжектор.
Схема управления двигателем ваз
Схема электрооборудования ваз 2107 инжектор евро 3. схема электрическая ваз 2107 инжекторная. схема эл.проводки ваз 2107 инжектор. схема электрическая эсуд ваз 2107 инжектор.
Схема эбу ваз 2112 январь 5 1. схема эбу ваз 2110 инжектор 8. схема электрооборудования ваз эбу январь 5.1. схема эбу январь 5.1 ваз 2110.
Электрическая схема эбу ваз 2107 инжектор. схема электрооборудования ваз 2107 инжектор. схема электрооборудования ваз 2107 инжектор евро 3. схема электрооборудования ваз 2107 инжекторная.
Схема электрооборудования эбу ваз 2114. электросхема ваз 2114 система управления двигателем. схема электропроводки 2114 1,6. электрическая схема проводки эбу ваз 2114.
Схема управления двигателем ваз
Схема управления двигателем нива 21214 инжектор. схема электрических соединений эсуд ваз 2123. схема электронного блока управления двигателем ваз 21214. схема эбу нива 21214 инжектор.
Схема эбу ваз 2110 инжектор 8. 2111 схема электрооборудования. схема системы управления двигателем ваз-2111. схема эсуд 2110.
Ваз 2114 январь 5.1 схема. схема проводки эбу январь 5.1 ваз 2112. система управления двигателем 2110 инжектор январь 5.1. эбу ваз 2111 8 клапанов схема подключения.
Двигатель ваз 2109 инжектор схема. схема эсуд ваз 21099 инжектор. датчик системы управления двигателя 2108. схема эсуд ваз 2109.
Система питания двигателя ваз 2107 инжектор. датчики системы питания инжекторного двигателя ваз 2107. блока управления электронной системы двигателя ваз 2114. схема системы питания двигателя 2111.
Лада калина 16 кл система управления двигателем. электронная система управления двигателя лада калина 16 клапанов. ваз калина 1118 датчики двигателя. датчики двигателя лада калина 8 клапанов.
Схема проводки датчика скорости лада калина 1. лада калина 1118 схема электрооборудования. схема электрооборудования ваз 2170 приора. схема электрооборудования ваз м73.
Датчики управления двигателем калина. лада калина система управления двигателем. датчики системы управления двигателем калина. схема электронной системы управления двигателем ваз 21126.
Схема ваз 2110 январь 5.1. схема электрооборудования эбу ваз 2110. январь 5.1 ваз 2109 схема проводки. ваз 2112 1.5 16 клапанов схема эбу.
Система управления двигателем ваз-2111. схема датчиков двигателя ваз 2112. датчики на двигателе ваз 2112. датчики на двигателе ваз 2110 16 клапанов инжектор.
Система управления двигателем ваз-2111. схема системы управления двигателем ваз-2111. датчики инжектора двигателя ваз 2111. датчик зажигания ваз 2110 инжектор 8 клапанов.
Система управления двигателем 2110 инжектор. датчики управления двигателем ваз 2114. электронная система управления двигателем лада приоры. схема датчиков двигателя ваз 2114.
Схема электрооборудования ваз 2110. схема электрооборудования ваз 2112 инжектор 16. схема электропроводки ваз 2112 16. схема электропроводки ваз 2110.
Система управления двигателем ваз-2111. лада калина 1 8 клапанов система зажигания. датчик эсуд ваз. схема управления эсуд ваз.
Схема электрооборудования ваз 2110. схема проводки ваз 2110. схема управления двигателем ваз 2111. схема проводки ваз 2111 8 клапанная инжектор.
Схема системы управления двигателем ваз-2111. схема эбу ваз 2109 инжектор. электросхема бензонасоса ваз 2111 8 клапанов инжектор. схема управления двигателем ваз 2111.
Система управления двигателем ваз 2114 инжектор 8. система управления двигателем ваз-2111. двигатель ваз 2110 8 клапанов инжектор схема. ваз 2114 двигатель 1.5 8 клапанов схема.
Схема управления двигателем ваз
Схема моторного жгута ваз 2110. схема электрооборудования ваз 2111 инжектор 8 клапанов. электросхема датчика скорости ваз 2111. схема соединения датчика скорости ваз 2110.
Схема проводки эбу январь 5.1 ваз 2112. система управления двигателем ваз-2111. схема эбу ваз 2112 январь 5. схема электрооборудования ваз 2114 инжектор 8 клапанов январь 7.2.
Схема контроллера бош ваз 2114. схема проводки эбу ваз 2114 бош. разъём эсуд ваз 2114. ваз 2114 эбу бош электросхема.
Схема системы управления двигателем ваз-2111. система управления двигателем ваз 2110. электрическая схема ваз 2111 инжектор 8 клапанов. система управления двигателем 2110 инжектор.