Удиви меня
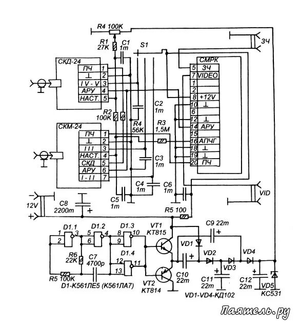
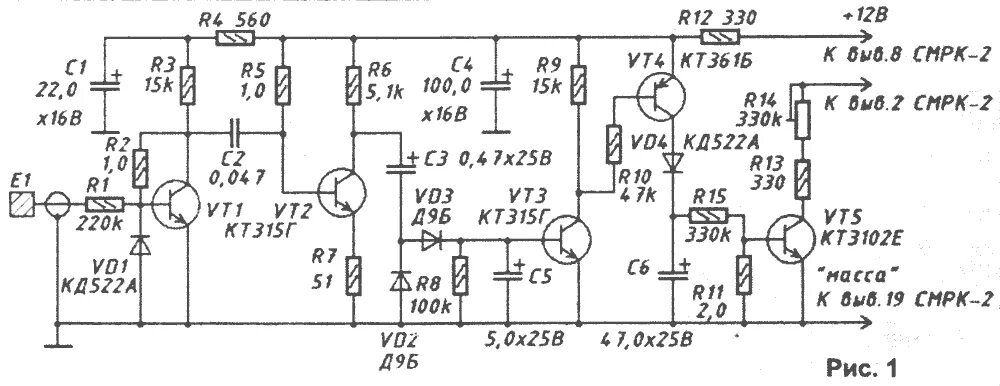
Схема смрк 2
Смрк-2-3 схема принципиальная электрическая. телевизор юность 32тц-309д схема. скм-24-2с схема принципиальная. схема модуль радиоканала -3.3 телевизора.
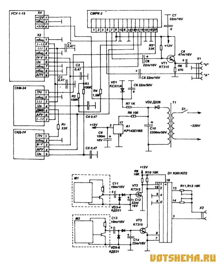
Модуль радиоканала смрк 2-1. смрк-2-3 схема принципиальная электрическая. телевизионный блок смрк 2 1 схема. субмодуль радиоканала смрк-2.
Телевизор шилялис 42 тц 401д схема. модуль радиоканала телевизоров 3усцт. схема блока питания телевизора шилялис 32тц-401д.
Схема радиоканала телевизора 3усцт. субмодуль радиоканала смрк-2-1 схема. модуль радиоканала телевизоров 3усцт. усилитель телевизор 3усцт.
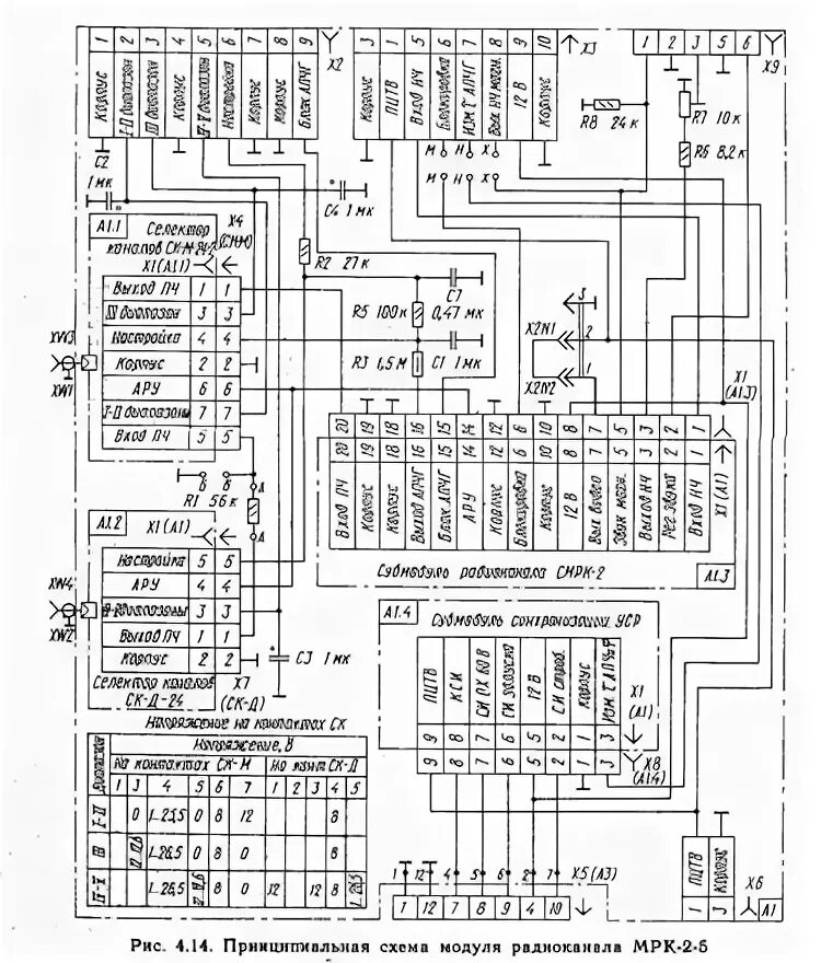
Субмодуль радиоканала смрк-2-1 схема. селектор каналов телевизора схема. селектор каналов скд-24 схема. телевизионный блок смрк 2 1 схема.
Смрк 2 1 схема принципиальная. рапри ум-1 схема. субмодуль радиоканала смрк-2 схема. блок смрк 2-1 схема.
Схема смрк 2
Субмодуль смрк-2-1. блок смрк 2-1 схема.
Схема смрк 2
Телевизор юность 32тц-309д схема. схема телевизора юность 32 тц-312д. схема телевизора 32тц-309/309д.. блок питания телевизора юность.
Схема смрк 2
Схема смрк 2
Смрк2-1-а13. смрк-2-1. телевизионная плата а1.3 смрк 2-1 2.031.046. блок смрк 2-1 схема.
Схема смрк 2
Скм-24-2с схема. скм 24 схема. скм-24-2с схема принципиальная. схема блока ск м 24 1.
Смрк 2 1 схема принципиальная. схемы подключения смрк 2-1. блок смрк 2-1 схема. телевизионный блок смрк 2 1 схема.
Схема субмодуля радиоканала телевизора 3усцт. субмодуль радиоканала смрк-1-5 схема. модуль радиоканала смрк 2-1. смрк-1-5 схема.
Субмодуль смрк-2-3 схема. смрк-2-1 схема принципиальная электрическая. схемы подключения смрк 2-1.
Схема смрк 2
Схема телевизора электрон 51тц-451д. схема телевизора электрон ц 382 ди. схема телевизора чайка 61 тц-469-дв. электрон 51 тц 451 ди схема.
Схема смрк 2
Смрк-2-3 схема принципиальная электрическая. субмодуль смрк-2-3 схема. ctv 8148 схема.
Смрк 2-1 схема приемника. субмодуль радиоканала смрк-2-1. смрк схема. смрк-2-1 схема принципиальная электрическая.
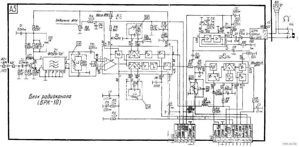
Схема блока радиоканала брк-1с. блок радиоканала brk-10-2 схема подключения. блок радиоканала брк-1с. блок радиоканала брк-10-2 схема блока.
Телевизор 3усцт блок унч схема. смрк-2-3 схема принципиальная электрическая. схема 3усцт модуль радиоканала. блок смрк 2-1 схема.
Мп 420 3 модуль питания. блок питания мп-405-1 схема. мп-405 схема блока питания. блок питания мп 405 -2 схема.
Схема смрк 2
Субмодуль радиоканала смрк-2-1. смрк-2 схема. модуль строчной развертки мс-3 схема.
Селектор каналов ск-м-24-2 схема. селектор каналов скд-24 схема. скм-24-2с схема. ск-м-30-1-с схема селектора каналов.
Схема блока ск-м-24-2. селектор каналов ск-м-24-2 схема. селектор каналов скд-24 схема. скд-24-2с схема.
Схема телевизора silelis 32 тц-401д. телевизор шилялис 32 тц 401д. телевизор шилялис 42 тц 401д схема. шилялис 32тц-401д схема.
Схема смрк 2
Схема смрк 2
Схема смрк 2
Схема смрк 2
Смрк-2-1 схема принципиальная электрическая. смрк-2-3 схема принципиальная электрическая. схема смрк-1. блок смрк 2-1 схема.
Блок радиоканала смрк-2. упчз-1м даташит. блок радиоканала смрк-1. субмодуль смрк-2-1.
Схема телевизора silelis 32 тц-401д. схема телевизора шилялис 32тц 401д. схема блока питания телевизора шилялис 32тц-401д. 32тц-401д схема.
Субмодуль смрк-2-1. модуль радиоканала 3усцт. смрк-2-1. модуль радиоканала смрк 2-1.
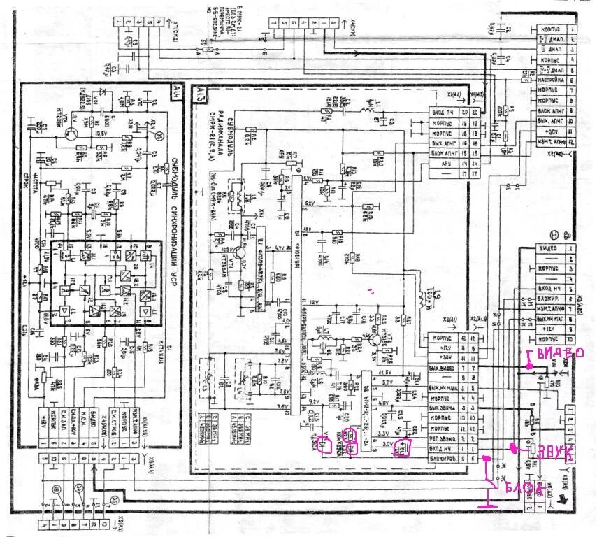
Блок кадровой развертки 3усцт. схема уср телевизора 3усцт. схема строчной развертки 3усцт. схема строчной развёртки телевизора 2 усцт.
Схема смрк 2
Селектор каналов телевизора скв151 1с схема. схема селектора каналов импортного телевизора. селектор каналов скв схема. скв-41 принципиальная схема.
Усилитель пч к174ур1. схема включения микросхемы к174ур7. приемник на 174ур8. микросхема к174ха2 усилитель.
Схема смрк 2
Схема смрк 2
Субмодуль радиоканала смрк-1-5 схема. телевизионный блок смрк 2 1 схема. схема субмодуля радиоканала телевизора смрк -21. схема селектора каналов телевизоров 4усцт схема.
Схема лампового телевизора электрон 711. схема телевизора радуга 61тц 304д. телевизор вэлс 50тб-305-1 схема электрическая принципиальная. модуль радиоканала мрк-2-5 схема.
Модуль сопряжения видеомагнитофона с телевизором 3усцт. блок смрк 2-1 схема. субмодуль радиоканала смрк-2-1. модуль радиоканала мрк-2-5 схема.
Блок строчной развертки телевизора электроника 432. субмодуль радиоканала смрк-1-5 схема. схема селектора каналов телевизоров 4усцт схема. принципиальная схема блока цветности мц-3.
Схема смрк 2
Телевизор 3усцт блок унч схема. модуль сопряжения видеомагнитофона с телевизором 3усцт. схема 3усцт модуль радиоканала. усцт телевизор схема.
Скд-24 схема. к145ик17 схема включения. схема селектора каналов импортного телевизора. схема блока ск м 24 1.
Селектор каналов скд-24 схема. блок скм-24-2с схема. селектор каналов ск-м-24-2 схема. блок скд-24 схема.
Селектор каналов ск-м-24-2 схема. скд-24-2с схема. скм-24-2с приемник. селектор каналов скд-24 схема.
Скм-24-2с схема принципиальная. смрк-2 схема. скд 24 схема принципиальная. смрк-2-1 схема принципиальная электрическая.
Схема 3усцт модуль радиоканала. модуль радиоканала мрк-2-5 схема. схема модуль радиоканала -3.3. схема индикатора использования телефонной линии.
Модуль строчной развертки 3усцт. схема телевизора фотон 3 усцт. модуль питания телевизора 3усцт. схема строчной развертки 3усцт.
Схема смрк 2
Схема смрк 2
Схемы на кт3109. схема включения кт3109. кт3109 детектор схема. схема подключения транзистора кт3109.
Блок управления свп 4-10 к04кп020. блок старого телевизора свп-4-10. принципиальная схема свп4. телевизор 3усцт блок унч.
Блок радиоканала брк-1с. блок радиоканала brk-10-2 схема подключения. усилитель упчз-2мс. блок радиоканала брк-10-2.
Скм-24-2с схема. селектор каналов скм-24 схема. ск-д-24с схема. скм 24 схема.
Блок управления свп 4-10 к04кп020. свп-4 схема. блок старого телевизора свп-4-10. схема телевизора фотон 3 усцт.
Схема смрк 2
Модуль радиоканала смрк 2-1. субмодуль смрк-2-1. смрк-2-а13. модуль радиоканала телевизоров 3усцт.