Удиви меня
Схема работы котельной
Принципиальная схема работы котельной. принципиальная схема газовой котельной. принципиальная схема паровой котельной установки. принципиальная технологическая схема котельной установки.
Принципиальная технологическая схема котельной установки. принципиальная схема котельной на твердом топливе. схема котельной установки на твердом топливе. технологическая схема котельной установки.
Схема работы котельной
Принципиальная технологическая схема котельной установки. принципиальная схема котельной установки на твердом топливе. технологическая схема котельной на твердом топливе. схема установки котел котельной.
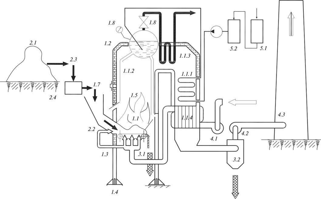
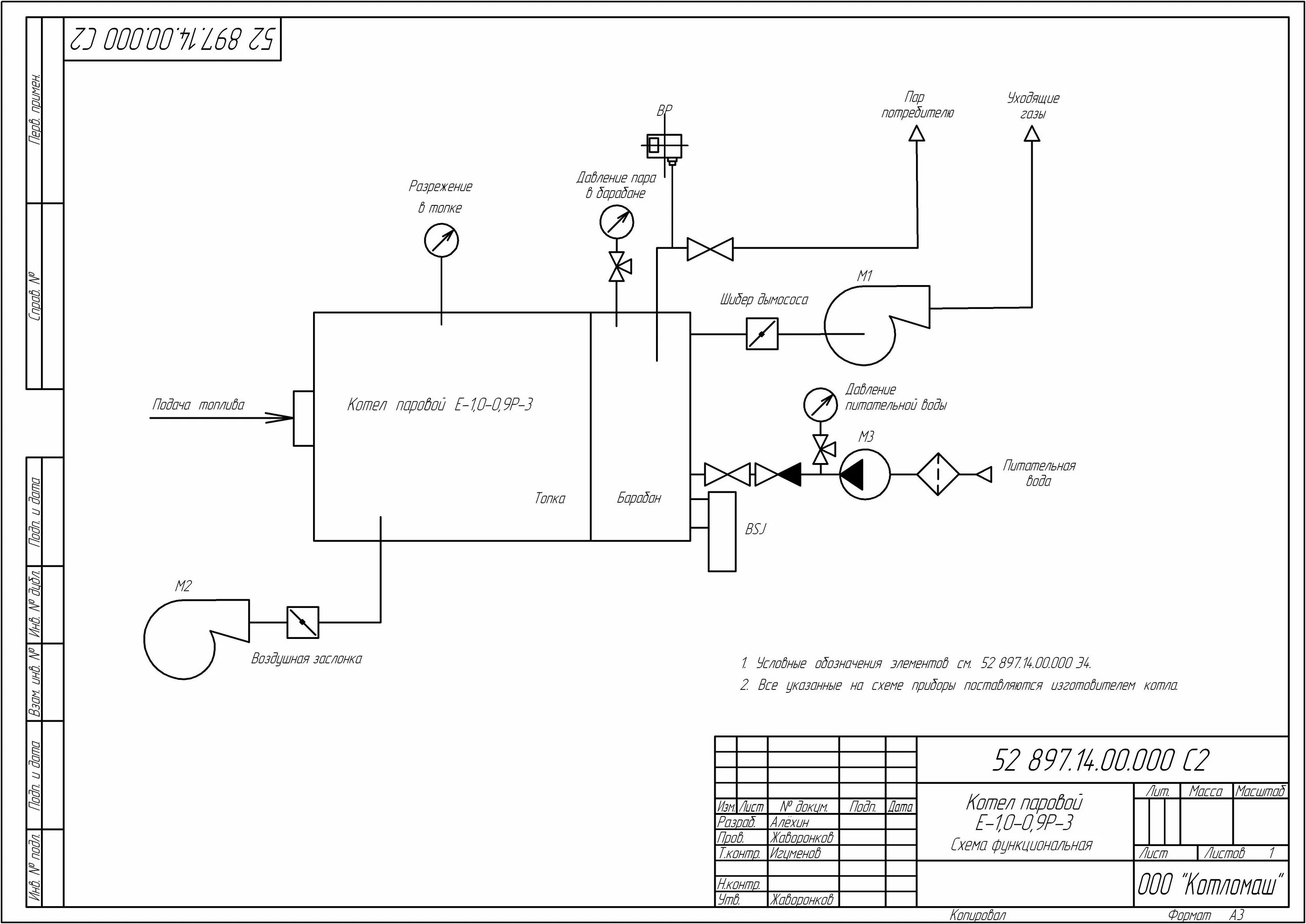
Схема барабанного котельного агрегата. принципиальная технологическая схема котельной установки. схема установки котел котельной. технологическая схема котельной установки.
Схема работы котельной
Схема работы котельной
Схема установки котел котельной. схема паровой котельной установки. принципиальная схема котельного агрегата. схема районной отопительной котельной установки.
Технологическая схема котельной на твердом топливе. принципиальная схема котельной на твердом топливе. принципиальная схема угольной котельной. схема котельной установки на твердом топливе.
Схема котельных на жидком топливе. мнемосхема пароводяной котел. мнемосхема паровой котельной. схема котельной на мазуте.
Схема работы котельной
Схема барабанного котельного агрегата. схема промышленной котельной на твердом топливе. схема газовой котельной промышленной. схема промышленной водогрейной газовой котельной.
Схема установки котел котельной. принципиальная технологическая схема котельной установки. принципиальная схема котельного агрегата. схема барабанного котельного агрегата.
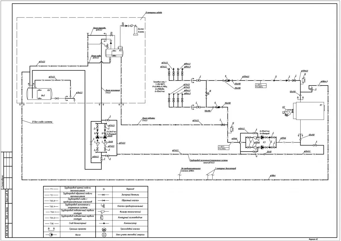
Схема включения водогрейных котлов. схема водогрейного котла тэц. схема котельной установки котел топка. тепловая схема котельной с птвм30.
Схема работы котельной
Принципиальная схема паровой котельной установки. схема обвязки водогрейного котла. схема паровой котельной энтророс. схема промышленной водогрейной газовой котельной.
Сепаратор непрерывной продувки котла схема. схема непрерывной продувки парового котла. схема деаэратора парового котла. схема подключения расширителя периодической продувки.
Схема включения подогревателя мазута. схема топливоснабжения дизельной котельной. схема паровой котельной на дизельном топливе. принципиальная схема обвязки парового котла.
Принципиальная технологическая схема котельной установки. технологическая схема водогрейного котла. технологическая схема котельной на твердом топливе. котел принцип работы схема.
Бм-35 котел схема технологическая на мазуте. котел на жидком топливе схема. мазутоловушка котельной схема. работа котельной на мазуте схема.
Схема обвязки водогрейного котла с деаэратором. принципиальная технологическая схема паровой котельной. принципиальная технологическая схема котельной установки. принципиальная схема обвязки паровых котлов.
Диспетчеризация мзта котельной. принципиальная схема системы управления газовой котельной. ccu 825 схема диспетчеризация котельной. структурная схема котельной.
Технологическая схема котельной на твердом топливе. схема установки котел котельной. паровой котел тэц схема. паровой котел тэц чертежи.
Тепловая схема котельной с водогрейными котлами дквр. сетевой насос для котельной схема. структурная схема котельной с водогрейными котлами отопления.
Принцип работы газовой котельной схема. принцип работы паровой котельной. паровой котел принцип работы схема. схема работы парового котла.
Схема работы паровых котлов в системе. схема отопительный паровой котёл. схема котельной установки с паровыми котлами. парогенератор промышленный схема.
Схема работы котельной
Схема работы котельной с водогрейными котлами. водогрейный котёл электрический для горячей воды схема установки. тгком котельная 30 северная схема котельной. схема подключения водогрейного котла в частном доме.
Принципиальная схема промышленной паровой котельной. принципиальная технологическая схема паровой котельной. схема паропровода от парового котла. схема обвязки парового котла с экономайзером.
Ктр-121 контроллер для автоматического управления котельной. ктр-121.01 котловой регулятор. блок автоматического управления котельной ктр-121.220.02.40. каскадный контроллер ктр 121.02.
Схема работы котельной
Схема автоматизации котельной установки. схема автоматики регулирования парового котла. принципиальная схема автоматизации парового котла. функциональная схема автоматизации котельной установки.
Схема работы парового котла. схема устройства парового котла с естественной циркуляцией. схема котельной установки с барабанным паровым котлом. принципиальная схема установки парового котла.
Схема регулирования парокотельной установки. схема котельной установки котел топка. автоматический котел схема. схема автоматизирование угольных котлов.
Четырехтрубная система теплоснабжения схема. четырехтрубная система отопления схема. закрытая четырехтрубная система теплоснабжения. схема четырехтрубной системы теплоснабжения.
Схема обвязки экономайзера паровой котельной. схема обвязки парового котла с экономайзером. паровой котел sixen 3000. котел sixen 3000 схема.
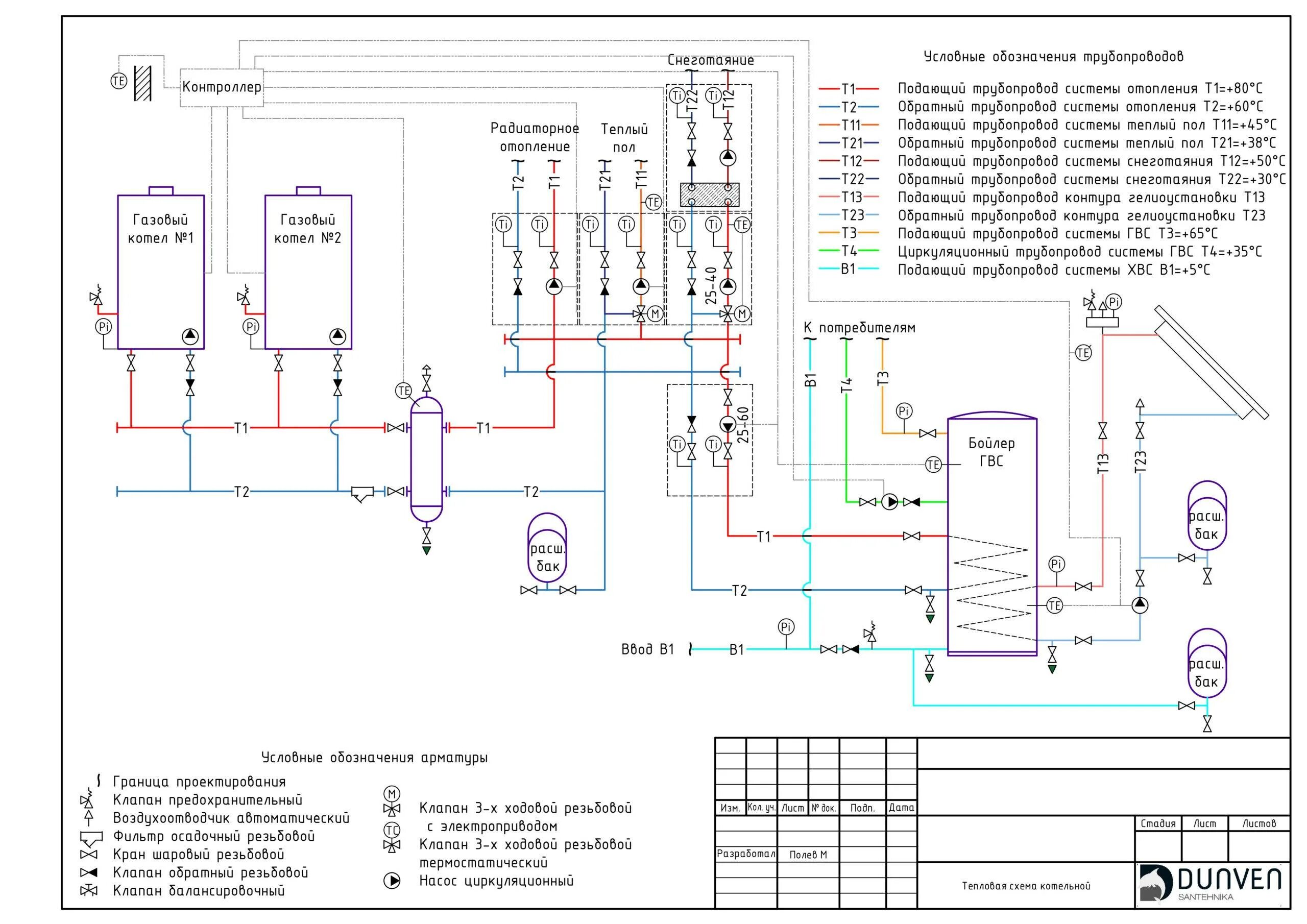
Схема термомасляной котельной. схема термомасляного котла. тепловая схема котельной с термомасляными котлами. принципиальная схема котельной с термомасляным котлом.
Принцип работы газовой котельной схема. принцип работы котельной на газе схема. газовая котельная схема и принцип работы. схема устройства газовой котельной предприятия.
Схема включения паровых котлов. схема автоматики газового котла отопления. схема автоматизации водогрейной котельной. схема автоматизации котельной установки.
Схема автоматизации водогрейной котельной. схема автоматики управления водогрейного котла. схема автоматизации принципиальная водогрейного котла. автоматизированная схема водогрейный котел.
Схема работы котельной
Схема автоматики газового котла отопления. схема автоматизации водогрейной котельной. схема электрических соединений водогрейного котла котельной. схема обвязки водогрейного котла.
Схема дизельного котла китурами. схема котла котел китурами дизель r30. схема двухконтурного газового котла китурами. схема электрическая принципиальная котла kiturami.
Схема работы котельной
Устройство блочной котельной. строение котельной установки. принцип работы блочной газовая котельная. схема устройства газовой котельной.
Принципиальная схема газовой котельной. схема подключения модульной котельной. схема обвязки водогрейного котла. схема котельной установки данфосс.
Экономайзер парового котла схема. строение парового котла. строение барабанного парового котла. из чего состоит паровой котел.
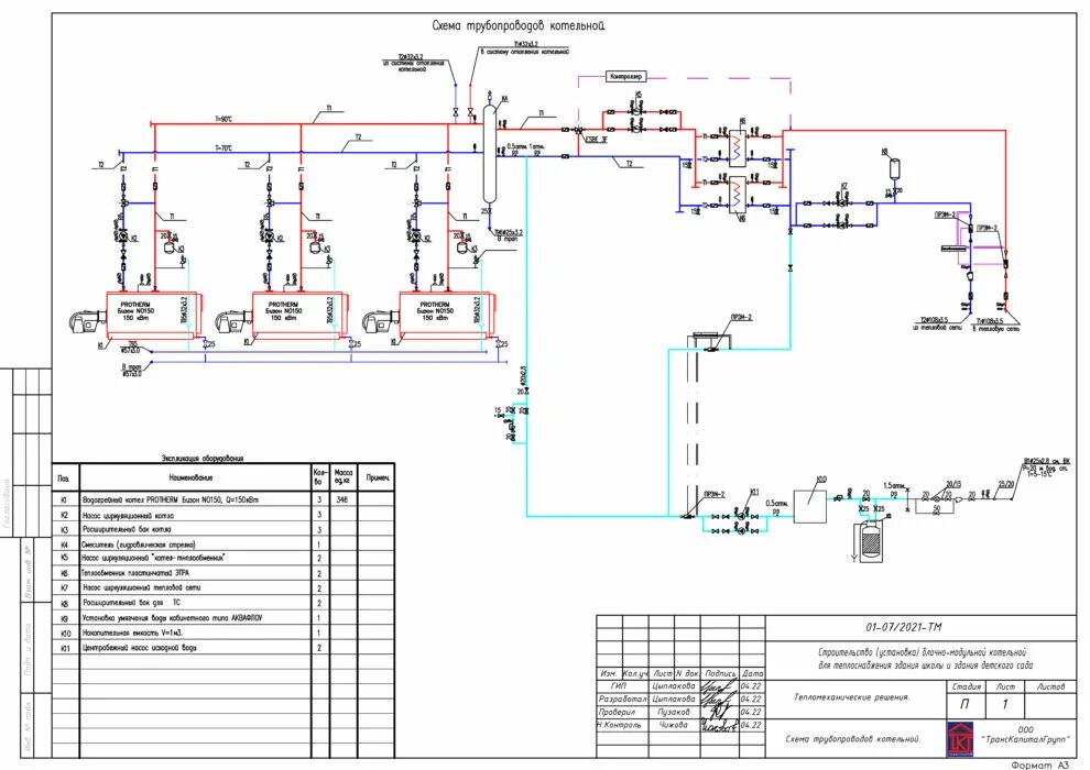
Схема котельной 2 котла 200 квт для отопления. схема монтажа газовых котлов в промышленных котельных. схема подключения дизельного котла отопления. схема подключения водогрейного котла.
Теплообменник котла схема. схема теплообменника двухконтурного газового котла. газовый котел принцип работы схема. теплообменник конденсационного газового котла.
Принципиальная схема прямоточного котла. тепловая схема прямоточного котла. прямоточный паровой котел схема. прямоточный котел рамзина схема.
Схема подключения рециркуляции горячей воды. обвязка бойлера гвс с рециркуляцией. схема труб водоснабжения горячей воды с рециркуляцией. система рециркуляции горячей воды в частном доме схема.
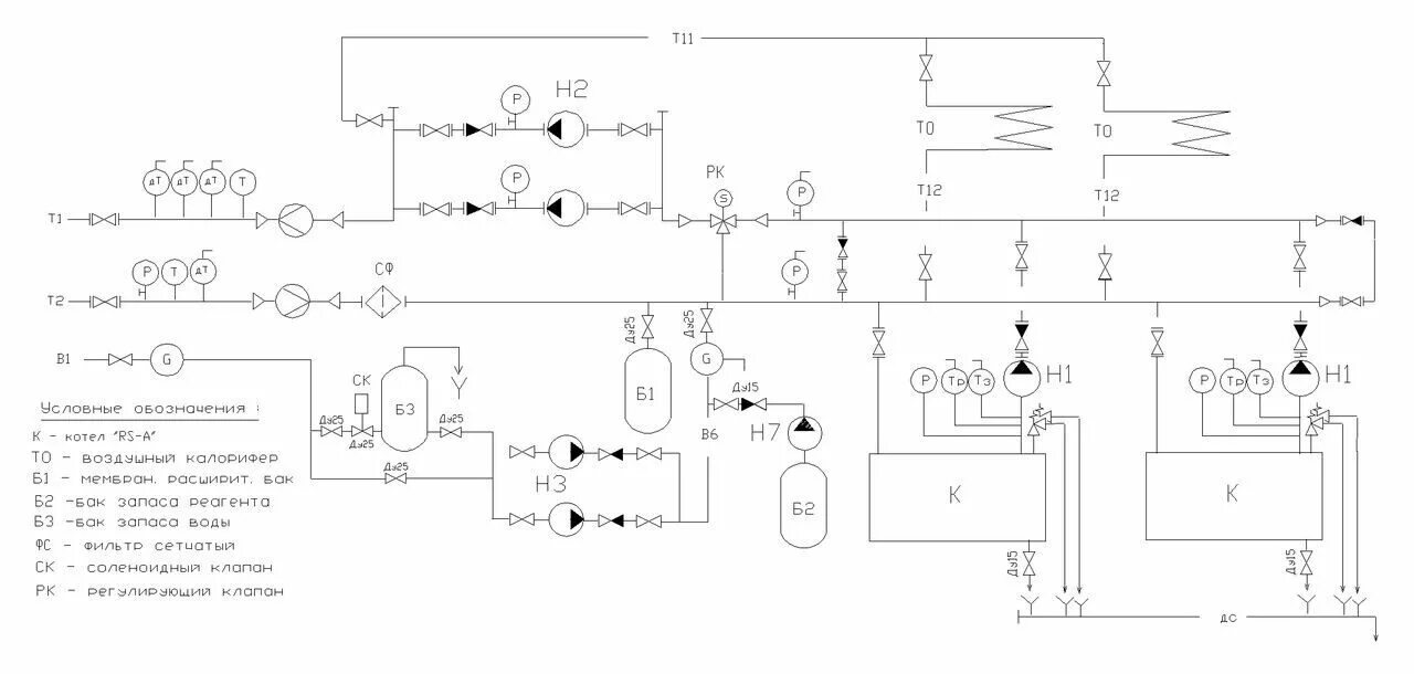
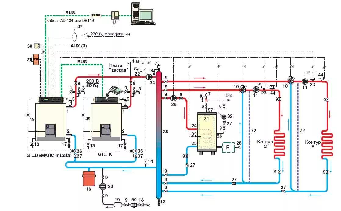
Каскадное подключение газовых котлов схема. схема подключения двух газовых котлов. гидравлическая схема котельной с двумя котлами. схемы подключения 2 х котлов к системе отопления.
Схема работы котельной
Схема работы котельной
Схема обвязки газовой котельной на 200 квт. принципиальная схема подключения котлов отопления. схемы обвязки твердотопливных котлов. схема обвязки двух напольных газовых котлов.
Гидравлическая схема котельной с двумя котлами. схема подключения дизельного котла отопления. тепловая схема котельной с гидравлической стрелкой. схемы обвязки водогрейных напольных котлов.
Схема включения подпиточного насоса. насос дозатор в котельной схема. сетевой насос для котельной схема. обозначение котла на схеме системы отопления.
Принципиальная схема крышной газовой котельной. схема котельной частного дома с газовым котлом. устройство котельной в частном доме на газу схема подключения. схема устройства газовой котельной предприятия.
Схема работы котельной
Схема работы котельной
Схема работы котельной
Схема работы котельной
Пароперегреватель парового котла схема. схема пароперегревателя котлоагрегата высокого давления. схема котельного агрегата. тепловая схема котла тпп 210.
Принципиальная схема паровой котельной установки. схема двухблочной паровой котельной. тепловая схема парового котла. принципиальная тепловая схема паровой котельной.
Принципиальная схема пароводяного тракта котла. схема газовоздушного тракта котла. схема газовоздушного тракта парового котла. газовоздушный тракт парового котла.
Принципиальная электрическая схема котельной. схема обвязки двух напольных газовых котлов. схема электрических соединений водогрейного котла котельной. принципиальная схема обвязки электрического котла.
Схема работы котельной
Схема работы котельной
Схема пеллетного котла. пеллетный котел чертежи. принцип работы пеллетной котельной. пеллетный котел пеллетрон 25 схема подключения.
Принципиальная технологическая схема паровой котельной. принципиальная технологическая схема котельной установки. технологическая схема котельной на твердом топливе. технологическая схема паровой котельной.
Схема котельной с конденсационными котлами. dietrich g120 контур гвс. dtg x 42 n электрическая схема. de dietrich dtg x 42 n эл.схема.
Принципиальная схема обвязки электрического котла. принципиальная схема твердотопливного котла. принципиальная схема подключения котла. схема подключения твердотопливного котла к теплому полу.
Принципиальная схема электрокотла отопления. обвязка электрического котла отопления схема. принципиальная схема электрического котла отопления. схема разводки твердотопливного котла.
Схема паровой котел пар. прямоточный паровой котел схема. схема барабанного парового котла. схема парового котла парового барабанного котла.
Мнемосхема котельной 4 котла. принципиальная схема системы управления газовой котельной. мнемосхема котельной 2 котла. скада система для котельной.
Схема обвязки газовой котельной на 200 квт. схема монтажа котельной в частном доме. система отопления с крышной котельной схема. схема котельной частного дома с газовым котлом.
Принципиальная электрическая схема котельной. схема обвязки водогрейного котла. схема подключения водогрейного котла. принципиальная схема обвязки водогрейного котла.
Схема работы котельной
Схема обвязки газовых котлов каскадом. схема обвязки двух газовых котлов. принципиальная электрическая схема котельной. принципиальная схема обвязки котельной.
Схема работы котельной
Газовый котел схема электрическая принципиальная. принципиальная электрическая схема отопительного котла. принципиальная схема котельной с газовым котлом. принципиальная схема подключения газового котла.
Схема работы котельной