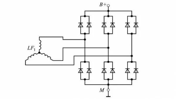
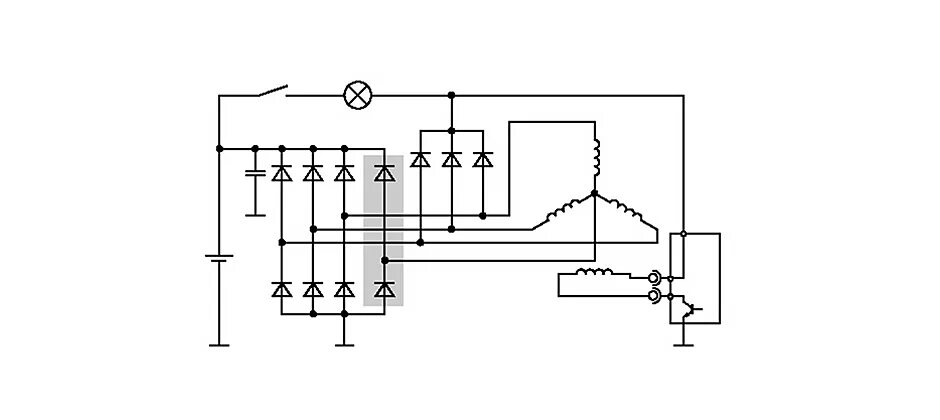
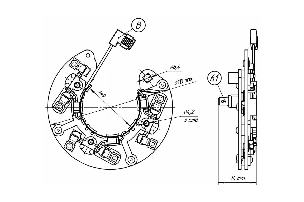
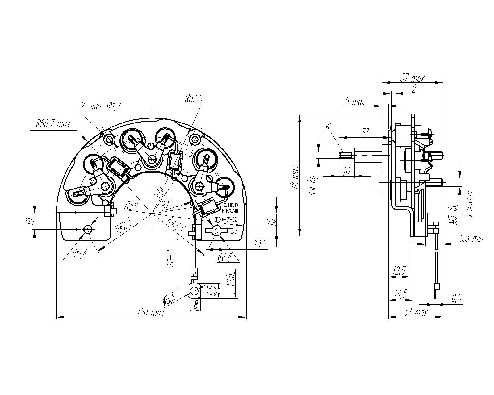
Диодный мост автомобильного генератора схема подключения. схема подключения диодного моста в генераторе автомобиля. электрическая схема диодного моста генератора. крн-04 корректор напряжения схема.Схема диодного моста автомобильного генератора. схема соединения обмоток статора автомобильного генератора. диодный мост для трехфазного генератора схема. схема статора генератора автомобильного.Схема подключения диодного моста генератораСхема выпрямительного диодного моста автогенератора. схема диодного моста автомобильного генератора. диодный мост автомобильного генератора схема подключения. диодный мост генератора ваз схема.Бп856-65-02 диодный мост. диодный мост бпв56-65-02 схема подключения. диодный мост 2107 схема. схема подключения диодного моста на иж планета 5.Схема подключения диодного моста генератораСхема диодного моста автомобильного генератора. схема диодного моста из 8 диодов генератора. схема подключения диодного моста в генераторе автомобиля. диодный мост автогенератора схема.Диодный мост генератора схема подключения. бпв 46 65 02 схема подключения. диодный мост генератора ваз схема. схема диодного моста генератора из 12 диодов.Подкова на иж юпитер 5 схема подключения. диодный мост генератора схема подключения. подкова на иж юпитер 5 схема. схема подключения диодного моста на иж планета 5.Диодный мост автогенератора схема. схема диодного моста генератора 9412.3701. схема выпрямительного моста генератора. схема генератора автомобиля рено.Схема диодного моста автомобильного генератора. схема диодного моста генератора ваз 2109. диодный мост автогенератора схема. схема диодного моста генератора из 6 диодов.Схема подключения диодного моста генератораДиодный мост генератора ваз схема. схема подключения диодного моста в генераторе автомобиля. схема выпрямительного моста генератора. диодный мост генератора схема подключения.А13-80.02. мп13-80-3-1 02 схема. а13-80.02.400.000.Диодный мост генератора схема подключения. проверка диодного моста генератора схемы проверки. схема проверки диодного моста генератора. схема подключения диодного моста генератора к трансформатору.Схема подключения диодного моста генератораСхема диодного моста генератора автомобиля. диодный мост генератора схема для 12 вольт. диодный мост автомобильного генератора схема подключения. диодный мост автогенератора схема.Выпрямительный блок генератора 1400вт. выпрямительный блок генератор скания. выпрямительный блок ваз 1994 генератора. выпрямительный блок генератора схема.Схема подключения диодного моста ваз 2108. схема диодного моста ваз 2109. диодный мост генератора ваз 2108 схема подключения проводов. дополнительный диод на генератор 2110 схема подключения.Схема подключения диодного моста генератораСхема подключения диодного моста генератораСхема диодного моста из 6 диодов автомобильного генератора. схема диодного моста автомобильного генератора. схема выпрямительного моста генератора. диодный мост автогенератора схема.Диодный мост ваз 2110 схема. диодный мост генератора ваз схема. диодный мост генератора ваз 2110 схема. диодный мост автогенератора схема.Схема подключения диодного моста генератораСхема подключения диодного моста генератораСхема подключения диодного моста генератораСхема диодного моста автомобильного генератора. диодный мост автогенератора схема. диодный мост автомобильного генератора схема подключения. схема генератора калина 2.Схема диодного моста автомобильного генератора. диодный мост автогенератора схема. диодный мост генератора схема подключения. диодный мост генератора ваз схема.Диодный мост от ваз на иж планета 5. диодный мост генератора ваз 2107 схема. диодный мост ваз 2106 на иж юпитер 5. диодный мост генератора ваз 2107 схема подключения проводов.Схема проверки диодного моста генератора. диодный мост генератора схема подключения. схема выпрямительного диодного моста автогенератора. схема проверки диодов выпрямительного блока.Диодный мост генератора мтз80. схема подключения диодного моста ваз 12. схема подключения диодного моста генератора ваз. диодный мост генератора ваз 2110 схема.Диодный мост генератора нива шевроле. диодный мост генератора мтз80. схема подключения диодного моста генератора ваз. диодный мост генератора схема для 12 вольт.Схема подключения диодного моста генератораВыпрямитель электрического тока схема. схема выпрямления переменного тока. схемы выпрямителей переменного тока. выпрямитель постоянного тока схема.Схема подключения диодного моста генератораДиодный мост автомобильного генератора схема подключения. диодный мост для зарядного устройства 12в схема. диодный мост для зарядного устройства 12в схема подключения. схема выпрямительного моста генератора.Генератор valeo 90a схема. схема генератора бош 110 ампер. схема генератора мфдшщ. генератор валео 90а схема подключения.Схема подключения диодного моста на иж юпитер 5. диодный мост на иж юпитер 5. диодный мост от ваз 2108 на иж юпитер 5. диодный мост от ваз на иж планета 5.Диодный мост автогенератора схема. диодный мост на 8 диодах схема. диодный мост генератора ваз 2110 схема. abs 10 диодный мост схема.Схема подключения диодного моста генератораСхема проверки диодного моста генератора. схема прозвонки диодного моста. лампочка для проверки схемы. диодный мост на зарядку аккумулятора схема.Диодный мост ваз 2115 схема. провод возбуждения генератора ваз 2115. схема подключения генератора ваз 2109 инжектор. схема возбуждения генератора ваз 2109.Диодный мост для трехфазного генератора схема. диодный мост для двигателя постоянного тока 220 вольт. диодный мост для трехфазного генератора. подключение электродвигателя постоянного тока 220в через диодный мост.Диодный мост ваз 2107 схема. диодный мост ваз 2110 на иж планета 5. схема диодного моста генератора ваз 2106. диодный мост ваз 2110 на иж юпитер.Реле от ваз на иж планета 5. диодный мост на генератор иж планета. диодный мост генератора иж юпитер 5. диодный мост генератора иж планета 5.Схема подключения диодного моста генератораЭлектрическая схема генератора переменного тока 380 вольт. принципиальная схема генератора переменного тока автомобиля. схема выпрямителя автомобильного генератора. схема автомобильного генератора переменного тока.Диодный мост автомобильного генератора схема подключения. диодный мост генератора схема для 12 вольт. диодный мост генератора eb4300a. диодный мост для 12 вольт генератора.Схема подключения диодного моста на иж планета 5. реле регулятор иж планета 5 12 вольт схема зарядки. диодный мост генератора иж юпитер 5. реле зарядки иж юпитер 5.Схема подключения диодного моста генератораДиодный мост генератора ваз 2107 схема. диодный мост генератора шеви нива. схема подключения диодного моста генератора ваз 2110. диодный мост генератора схема подключения нива 2121.Схема диодного моста автомобильного генератора. принципиальная схема автомобильного генератора. диодный мост генератора схема подключения к зарядке. схема диодного моста генератора 9412.3701.Трехфазный диодный мост схема. схема трехфазного выпрямительного моста. диодный мост генератора схема для 12 вольт. схема диодного моста автомобильного генератора.Схема подключения диодного моста генератораСхема подключения диодного моста генератораСхема подключения диодного моста генератораДиодный мост схема подключения 220в. выпрямитель напряжения 220 схема. диодный выпрямитель схема подключения. схема соединения диодов для выпрямителя.Db107 диодный мост схема. db207s диодный мост схема. диодный мост db107 параметры. db207s диодный мост характеристики.Схема подключения диодного моста генератораДиодный мост автомобильного генератора схема подключения. схема выпрямителя автомобильного генератора. схема выпрямительного диодного моста автогенератора. схема диодного моста автомобильного генератора.Реле регулятор ваз на иж юпитер 5. реле-регулятор генератора иж юпитер 5. реле генератора иж планета 5. реле генератора иж юпитер 5.Реле-регулятор генератора иж планета. реле-регулятор генератора иж юпитер 5. схема подключения реле регулятора иж планета 4. схема подключения реле зарядки иж юпитер 5.Схема подключения диодного моста генератораДиодный мост генератора ваз схема. диодный мост генератора ваз 2110 схема. схема возбуждения генератора 2110. схема возбуждения генератора ваз 2110.Диодный мост 380 вольт схема. схема трехфазного диодного моста выпрямителя. диодный мост на 380в схема подключения. 26мт120 диодный мост схема.Схема подключения диодного моста генератораСхема диодного моста генератора из 12 диодов. диодный мост автогенератора схема. выпрямительный блок генератора 220в схема. схема выпрямительного диодного моста автогенератора.Диодный мост от ваз 2108 на иж юпитер 5. диодный мост от ваз на иж планета 5. схема диодного моста ваз 2109. диодный мост на иж юпитер 5 схема.Генератор мотоцикла урал 12в схема подключения. реле регулятор для мотоцикла иж схема. генератор г 424 схема подключения реле. генератор мотоцикла урал 12в схема.Схема генератора мотоцикла урал 12 вольт. схема генератора мотоцикла урал. генератор мотоцикла урал 12в схема подключения. схема подключения генератора мотоцикла урал.Схема диодного моста автомобильного генератора. диодный мост автомобильного генератора схема подключения. схема подключения генератора ваз 2110 инжектор. схема подключения диодного моста в генераторе автомобиля.Выпрямительный диодный мост схема. трехфазный диодный мост схема. диодный мост df06s схема. диодный мост схема подключения 220в.Двигатель стиральной машины генератор 12 вольт. генератор из коллекторного электродвигателя от стиральной машины. схема генератора для ветряка. генератор из асинхронного двигателя стиральной машины.Схема подключения диодного моста генератораДиодный мост генератора схема подключения. схема подключения диодного моста генератора к трансформатору. схема подключения диодного моста к трансформатору на 12. диодный мост генератора схема для 12 вольт.Конструкция выпрямителя генератора. диодный мост генератора ваз схема. диод из диодного моста генератора. схема диодного моста генератора автомобиля.Диодный мост ваз 2115 схема. диодный мост генератора ваз 2110 схема. схема диодного моста генератора 9412.3701. диодный мост ваз 2110 схема.Схема подключения диодного моста генератораСхема подключения проводки генератора иж планета 5. схема зажигания иж планета 5. схема проводки зажигания иж планета 5. реле генератора иж юпитер 5.Диодный мост генератора ваз 2110 схема. диодный мост ваз 2110 схема. диодный мост автомобильного генератора схема подключения. диодный мост автогенератора схема.