Удиви меня
Схема люминесцентного светильника
Схема подключения люминесцентной лампы с дросселем 2 лампы. схема подключения 2 люминесцентных ламп и дросселя. схема включения люминесцентного светильника с 2 лампами. схема соединения люминесцентных ламп.
Схема включения люминесцентной лампы. эл.схема подключения люминесцентной лампы. электрическая схема подключения люминесцентной лампы. включение люминесцентных ламп схема подключения.
Схема подключения люминесцентного светильника на 2 лампы. схема включения люминесцентного светильника с 2 лампами. схема подключения люминесцентной лампы с дросселем 2 лампы. люминесцентные лампы схема подключения со стартером.
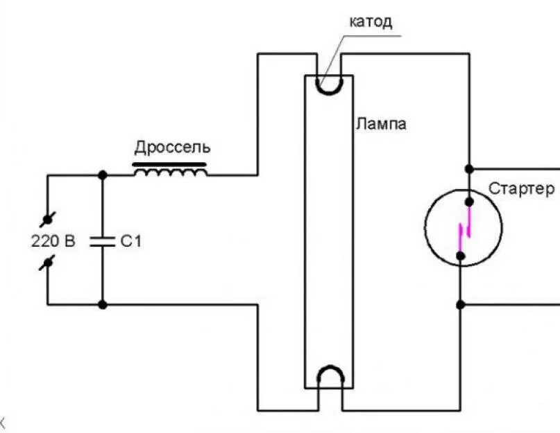
Схема подключения светильника с дросселем и стартером. схема лампы дневного света с дросселем и стартером на 2 лампы. схема подключения люминесцентной лампы с дросселем и стартером. схема подключения ламп дневного освещения.
Схема включения светильника с люминесцентными лампами. схема светильника для люминесцентных ламп 2х36. схема соединения светильников дневного света. схема подключения люминесцентной лампы с дросселем 2 лампы.
Схема подключения лампы дневного света 220в. схема подключения двух люминесцентных ламп с дросселем и стартером. люминесцентные лампы схема подключения со стартером. схемы включения 2 ламп люминесцентных ламп.
Схема подключения 4 лампового люминесцентного светильника. схема светильника для люминесцентных ламп с 2 дросселями. схема включения люминесцентной лампы со стартером. схемы включения 2 ламп люминесцентных ламп.
Эл.схема подключения люминесцентной лампы. схема подключения 2 люминесцентных ламп и дросселя. схема включения люминесцентного светильника с 2 лампами. схема светильника для люминесцентных ламп с 2 дросселями.
Схема подключения люминесцентной лампы 18вт. схема подключения люминесцентной лампы с дросселем 2 лампы. схема соединения люминесцентных ламп. схема включения светильника с люминесцентными лампами.
Схема подключения люминесцентных ламп 4х18. схема светильника для люминесцентных ламп 2х36. схема светильника для люминесцентных ламп 4х18. схема подключения 4 люминесцентных ламп.
Схема подключения люминесцентной лампы через дроссель со стартером. лампа люминесцентная 36вт схема подключения. схема люминесцентной лампы с двумя дросселями. схема подключения люминесцентной лампы с дросселем и лампой.
Схема подключения люминесцентной лампы 18вт. схема подключения люминесцентной лампы с дросселем 2 лампы. схема подключения люминесцентного светильника. схема включения 2 люминесцентных ламп.
Схема соединения люминесцентных ламп. схема подключения люминесцентного светильника на две лампы. схема включения люминесцентной лампы со стартером. схема подключения ламп дневного света 2 лампы с дросселем.
Схема подключения светильника с люминесцентными лампами. принципиальная электрическая схема подключения люминесцентных ламп. электрическая схема подключения люминесцентной лампы. принципиальная схема включения люминесцентной лампы.
Схема подключения люминесцентной лампы с дросселем 2 лампы. схема включения люминесцентного светильника с 2 лампами. схема соединения дросселя и лампы 2 ламп. схема включения люминесцентной лампы с дросселем.
Схема подключения люминесцентной лампы с дросселем 2 лампы. схема подключения люминесцентной лампы с дросселем и стартером 2. схема подключения ламп дневного света 2 лампы. схема подключения светильника с люминесцентными лампами 4х18.
Схема подсоединения люминесцентных ламп. лампы дневного света люминесцентные схема подключения. схема включения лампы дневного света. схема светильника для люминесцентных ламп 4х18 с двумя дросселями.
Стартерная схема включения люминесцентных ламп. электрические схемы включения люминесцентных ламп. схема подключения ламп дневного света 2 лампы без стартера. схема включения люминесцентной лампы с дросселем.
Схема подключения светильника с люминесцентными лампами 4х18. электрические схемы включения люминесцентных ламп. схема включения люминесцентного светильника с 1 лампами. схема подключения ламп дневного света 2 лампы.
Схема подключения люминесцентной лампы. схема включения люминесцентной лампы со стартером. схема включения светильника с люминесцентными лампами. принципиальная схема включения люминесцентной лампы.
Схема подключения светильника с дросселем и стартером. схема светильника для люминесцентных ламп с 2 дросселями. схема подключения ламп дневного света 2 лампы. схема включения люминесцентной лампы с дросселем.
Схема подключения 2 люминесцентных ламп и дросселя. схема подключения ламп дневного света 2 лампы. схема подключения люминесцентной лампы с дросселем 2 лампы. схема подключения люминесцентного светильника на 2 лампы.
Схема светильника для люминесцентных ламп с 2 дросселями. схема включения люминесцентной лампы с дросселем. лампы дневного света люминесцентные схема подключения. схема подключения люминесцентной лампы с дросселем 2 лампы.
Схема включения люминесцентной лампы с дросселем. схема подключения светильника с люминесцентными лампами. схема подключения люминесцентной лампы с дросселем и стартером. схема подключения люминесцентной лампы через дроссель.
Схема подключения светильника дневного света с4 лампами. схема включения люминесцентной лампы со стартером. схема соединения люминесцентных ламп. схема подключения 2 люминесцентных ламп и дросселя.
Схема включения люминесцентной лампы 11 ватт. схема электронного балласта для люминесцентных ламп 15w. схема подключения люминесцентной лампы. схемы включения люминесцентных ламп с электронным балластом.
Схема включения дросселя ламп дневного света. монтаж схем подключения с люминесцентными лампами. дроссель для люминесцентных ламп 36 вт схема подключения. схема светильника для люминесцентных ламп с одним дросселем.
Схема подключения люминесцентных ламп 4х18. схема подключения люминесцентной лампы. схема включения люминесцентной лампы с дросселем. схема люминесцентной лампы с дросселем и стартером 1 лампа.
Схема подключения лампы дневного света 20вт. дроссель для люминесцентных ламп 2х18вт схема подключения. схема подключения ламп дневного света без стартера 4 лампы. балласт электромагнитный для люминесцентных ламп схема подключения.
Схема включения люминесцентной лампы с дросселем. стартерная схема включения люминесцентных ламп. люминесцентные лампы схема подключения со стартером. схема проверки дросселя люминесцентной лампы.
Схема подключения светильника с люминесцентными лампами 4х18. схема подключения люминесцентных ламп с двумя дросселями. схема светильника для люминесцентных ламп с 2 дросселями. схема светильника для люминесцентных ламп 4х18.
Схема включения светильника с люминесцентными лампами. схема включения люминесцентной лампы. схема подключения люминесцентных ламп с двумя дросселями. схема подключения люминесцентной лампы.
Схема бесстартерного включения люминесцентной лампы. стартерная схема включения люминесцентных ламп. бесстартëрная схема включения люминесцентных ламп. схема мгновенного зажигания люминесцентной лампы.
Схема бесстартерного включения люминесцентной лампы. схема люминесцентной лампы на 220. схема включения люминесцентной лампы низкого давления. электрические схемы включения люминесцентных ламп низкого давления.
Схема подключения люминесцентных ламп 4х18. схема подключения люминесцентного светильника на 2 лампы. схема подключения люминесцентной лампы с дросселем 2 лампы. схема подключения светильника с люминесцентными лампами 4х18.
Схема люминесцентного светильника
Схема запуска люминесцентных ламп. схема включения лампы дневного света без дросселя и стартера. схемы запуска люминесцентных ламп без дросселя. люминесцентная лампа схема без дросселя и стартера.
Схема розжига люминесцентных ламп. схема поджига люминесцентной лампы. схема розжига люминесцентных ламп 18w. схема люминесцентной лампы от дросселя к.
Схема подключения люминесцентного светильника на 4 лампы. схема подключения люминесцентного светильника. схема однолампового люминесцентного светильника. схема включения люминесцентного светильника с 1 лампами.
Схема подключения люминесцентной лампы с электронным балластом. схема включения лампы дневного света со стартером и дросселем. схема подключения люминесцентной лампы через дроссель со стартером. схема включения люминесцентной лампы.