Удиви меня
Схема geely mk
Схема проводки geely mk cross. электросхема geely mk cross 2013. схема электрооборудования джили эмгранд ес7. электропроводка фар джили мк кросс.
Схема geely ck1. схема проводки geely emgrand x7. электрическая схема geely mk 2008. схема проводки geely mk cross.
Схема электрооборудования geely mk 2008 года. электрическая схема машины geely mk cross. схема проводки geely mk cross. схема электрооборудования джили визион.
Схема geely ck1. электросхема geely mk cross 2013. электросхема geely ck 2.
Схема проводки geely mk cross. схема geely ck1. электросхема geely mk cross 2013. схема электрооборудования джили мк кросс.
Схема проводки geely mk cross. схема электрооборудования джили мк. схема проводки джили мк 2008 года. схема электрооборудования geely mk 2008 года.
Схема электрооборудования джили мк кросс. схема проводки geely mk cross. электросхема geely mk cross 2013. схема geely ck1.
Схема geely mk
Схема geely ck1. geely emgrand ec7 электросхема бензонасоса.
Схема кондиционера ман 3 serie. схема кондиционера denso 5seu09c. принципиальная схема кондиционера lg. схема заряда джили мк.
Схема geely ck1. geely mk схема электрооборудования. схема электрооборудования джили мк кросс. электросхема geely mk cross 2013.
Схема geely ck1. схема электрическая джили эмгранд ес7. схема электрооборудования джили мк кросс. схема электрооборудования джили эмгранд ес7.
Чери тигго т11 распиновка панели приборов. схема панели приборов джили мк. схема электропроводки джили мк. схема предохранителей джили вижн.
Схема geely ck1. схема проводки geely ck1. схема проводки джили мк 2008 года.
Схема geely ck1. схема зажигания джили мк кросс. схема подключения вентилятора джили мк 2008 года.
Схема электрооборудования geely mk 2008 года. geely mk схема электрооборудования. схема электрооборудования джили мк кросс. схема подключения генератора geely mk cross.
Схема geely ck1. электрическая схема geely atlas. электросхема geely ck 2. электросхема geely ck1.
Схема электрооборудования джили визион. схема проводки geely ck1. схема электрооборудования geely mk 2008 года. джили вижн 2008 схема электрооборудования.
Схема geely ck1. электросхема geely ck 2. схема электрооборудования джили визион. схема замка зажигания geely ck.
Схема geely ck1. электросхема джили эмгранд ес7. geely mk электрическая схема. схема зажигания джили мк кросс.
Схема geely ck1. схема электрооборудования джили визион. схема электрооборудования geely mk 2008 года.
Схема подключения магнитолы на джили мк. схема geely ck1. схема электрооборудования geely mk 2008 года.
Схема geely mk
Электросхема джили эмгранд ес7. электросхема geely mk cross 2013.
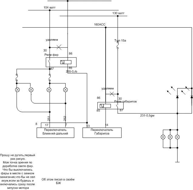
Схема противотуманных фар geely mk cross. схема дхо эмгранд ес7. geely mk схема фары. схема подключения дальнего света geely mk.
Схема электрооборудования geely mk 2008 года. схема электрооборудования джили визион. электрическая схема geely atlas. схема эбу бош 7.9.7.
Схема geely mk
Схема geely mk
Задняя подвеска geely atlas схема. задняя подвеска джили атлас схема. передняя подвеска джили атлас 2.4 схема. geely atlas pro подвеска схема.
Схема электрооборудования джили эмгранд ес7. схема электрическая джили эмгранд ес7. geely emgrand ec7 схема электрооборудования. схема электропроводки emgrand x7.
Geely emgrand x7 блок центрального замка. электросхема geely mk cross 2013. штатная сигнализация лифан х 60. штатная сигнализация geely emgrand.
Схема зажигания джили мк кросс. схема проводки джили мк. схема электрооборудования джили визион. geely mk электрическая схема.
Схема geely mk
Схема geely mk
Схема электропроводки geely mk cross. схема реле на джили мк кросс. geely mk cross схема стартера.
Тормозная система geely mk схема. схемы geely atlas. схема гур на джили мк кросс. схема ремней на джили мк кросс.
Схема передней подвески джили мк кросс. передняя подвеска geely mk cross. передняя подвеска geely mk cross схема. передняя подвеска джили мк кросс схема.
Схема geely ck1. geely mk 1.5 устройство кузова. джили мк кросс полная схема кузова. номер кузова джили ск1.
Схема geely mk
Geely vision 2008 блок предохранителей. блок предохранителей geely atlas. схема предохранителей geely mk 2008 года. схема предохранителей geely mk.