Удиви меня
Рубеж р 1
Прибор приемно-контрольный рубеж-2 оп прот.r1. ппкоп рубеж-2оп-r3. прибор приемно-контрольный r3-рубеж-20п. прибор r3 рубеж-20п.
.рубеж ппкоп 011249-2-1 "рубеж-2оп" прот.r3. прибор приемно-контрольный рубеж-20п. прибор приемно контрольный рубеж-2оп. ппкоп 011249-2-1 рубеж-2оп прот r3.
Адресная система пожарной сигнализации рубеж r3. центральный прибор индикации и управления цпиу «рубеж». прибор r3 рубеж-20п. рубеж цпиу "рубеж-арм" центральный прибор индикации и управления.
Прибор приемно-контрольный "рубеж-20п" прот. r3. прибор рубеж-20п прот.r3. прибор приемно-контрольный r3-рубеж-20п. ппкоп 011249-2-1 рубеж-2оп прот r3.
Программатор рубеж пку-1. пку-1 прот.r3. рубеж пку-1 прот. r3. программатор адресных устройств пку-1 прот.r3.
Прибор приемно-контрольный рубеж-20п. r3 рубеж 20п. прибор r3 рубеж-20п. пульт рубеж 20п прот r3.
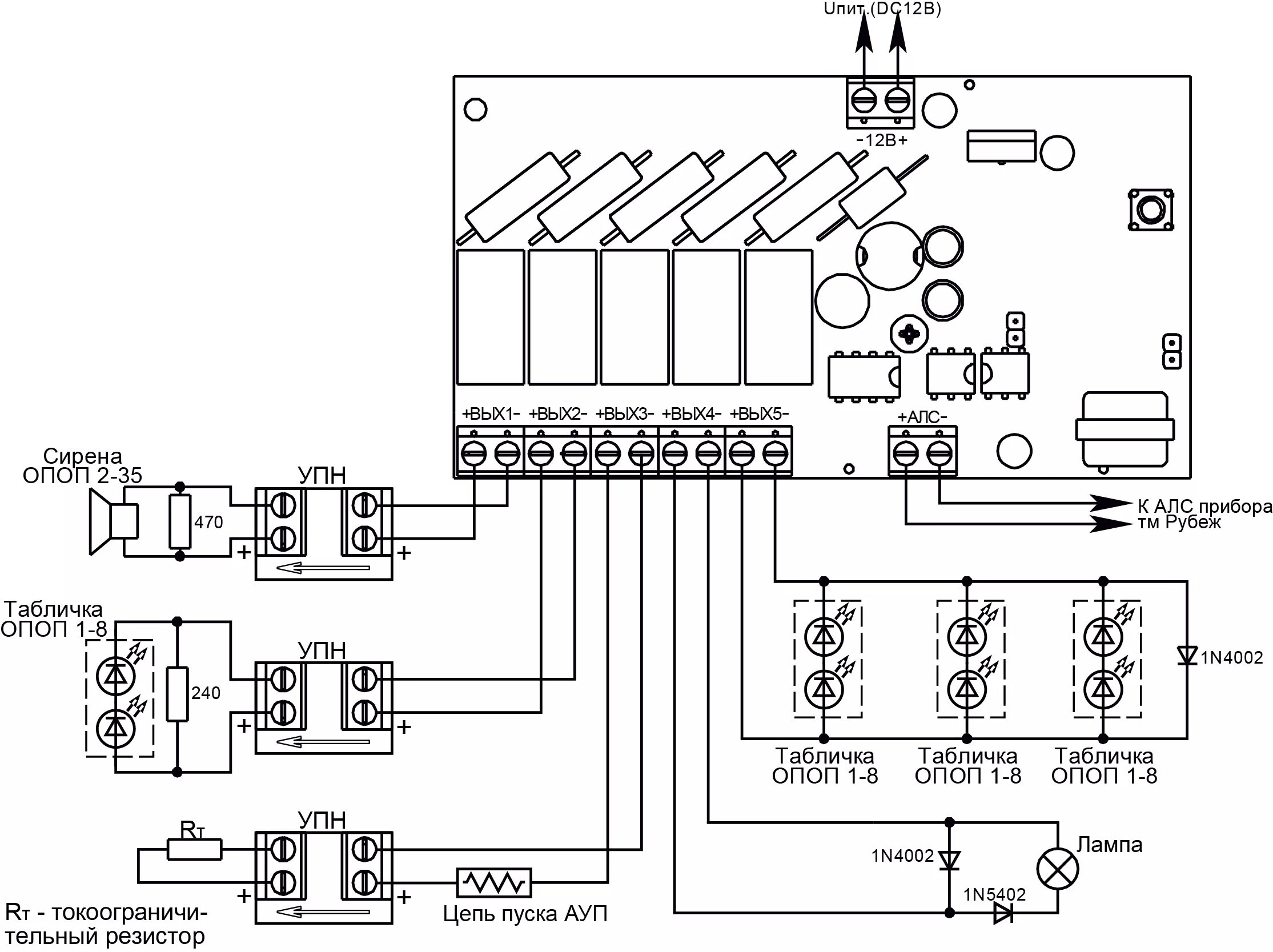
Релейный модуль "рм-1 прот. r3 рубеж. адресный релейный модуль рм-1. релейный модуль рубеж рм-3к. адресный релейный модуль рм-1 прот.r3.
Прибор «рубеж 2оп r3. рубеж-2оп 485. прибор приемно-контрольный рубеж-20п. прибор приемно-контрольный рубеж-2оп прот.r3.
R3-рубеж-2оп. r3-рубеж-биу. r3 рубеж 20п. прибор «рубеж 2оп r3.
Прибор «рубеж 2оп r3. прибора "рубеж-2оп". прибор приемно контрольный рубеж-2оп. ппкоп 011249-2-1 рубеж-2оп прот r3.
Прибор приемно-контрольный и управления r3-рубеж-2оп. ппкоп 011249-2-1 рубеж-2оп прот r3. ппкопу r3-рубеж-2оп (линк). прибора "рубеж-2оп".
Рубеж rs-485. рубеж 20п rs485. рубеж опс rs 485. мс rs-485.
Модуль дымоудаления мду-1 прот.r3. рубеж мду-1 прот. r3. рубеж мду-1 прот r3-адресный модуль управления клапаном дымоудаления. модуль автоматики дымоудаления мду-1-r3.
Модуль релейный рм-1 прот.r3. адресный релейный модуль рм-1 прот.r3. релейный модуль "рм-1 прот. r3 рубеж. модуль релейный рм-1с-r3.
Рубеж мпт-1-r3 - адресный модуль управления пожаротушением. адресный модуль управления пожаротушением мпт-1-r3. мпт рубеж прот r3. мпт-1 прот r3 модуль управления пожаротушением.
Метка адресная пожарная амп-4 прот. r3. модуль речевого оповещения мро-2м прот. r3. мро-2м-r3 рубеж. мду-1 24/220 прот. r3.
Модуль мпт 1r3. модуль автоматики пожаротушения мпт-1. мпт 1 рубеж r3. адресный модуль управления пожаротушением мпт-1 прот.r3.
Рубеж-2оп схема подключения. схема расключения рубеж 2оп. рубеж 2оп инструкция схема подключения проводов. схема подключения пожарной сигнализации рубеж 2оп.
Рубеж р 1
Прибор приемно-контрольный рубеж-20п. r3-рубеж-2оп. рубеж рубеж-2оп прот.r3. прибора "рубеж-2оп".
Прибор приемно-контрольный рубеж-20п. r3 рубеж 20п. рубеж 20оп схема подключения. прибор приемно-контрольный рубеж-2оп прот.r3 схема.
Пульт дистанционного управления r3-рубеж-пду. пульт дистанционного управления r3-рубеж-пду рубеж. рубеж-пду-пт пульт дистанционного управления пожаротушением. r3-рубеж-пду-пт.
Адресный релейный модуль рм-1 прот.r3. релейный модуль "рм-1 прот. r3 рубеж. рубеж рм-1 адресный релейный модуль r3. рубеж рм-4к адресный релейный модуль r3.
Рубеж 2оп схема подключения интерфейс. рубеж-20п прот r3 схема подключения алс. схема расключения рубеж 2оп. рубеж 2ам схема подключения.
Центральный прибор индикации и управления «рубеж-арм». рубеж-арм, центральный прибор индикации и управления настольный. центральный прибор индикации и управления цпиу "рубеж" исп.1. рубеж адресная система пожарной сигнализации.
Модуль управления пожаротушением мпт-1-r3. адресный модуль управления пожаротушением мпт-1 прот.r3. рубеж мпт-1-r3 - адресный модуль управления пожаротушением. модуль автоматики пожаротушения мпт-1 прот. r3.
Прибор управления пожаротушением с2000-аспт. адресный модуль управления пожаротушением мпт-1 прот.r3. модуль автоматики пожаротушения мпт-1. рубеж мпт-1-r3 - адресный модуль управления пожаротушением.
Рубеж-2оп схема подключения. пожарная система рубеж расключение. рубеж пожарная сигнализация схема подключения датчиков. схема подключения пожарной сигнализации рубеж 2оп.
Пожарная сигнализация рубеж структурная схема подключения. рубеж-20п прот r3 схема подключения алс. рубеж адресная система пожарной сигнализации. рубеж пожарная сигнализация мду-1-r3.
Рубеж мкд-2 прот. r3 - модуль контроля доступа. рубеж мкд-2 прот r3. рубеж рубеж-2оп прот.r3. модуль контроля доступа мкд-2-r3.
Модуль управления клапаном рубеж мду-1. модуль управления клапаном дымоудаления мду-1. модуль автоматики дымоудаления мду-1-r3. рубеж-2оп 485.
Ам-1 прот. r3 адресная метка. рубеж ам-1 адресная метка. ам-1 рубеж схема подключения. ам-4 рубеж схема подключения.
Прибор приемно контрольный рубеж-2оп. рубеж 2оп схема подключения интерфейс. схема соединений рубеж 2оп. схема подключения прибора рубеж 2оп.
Модуль релейный рм-1 прот.r3. рубеж рм-1 адресный релейный модуль r3. модуль релейный рм-1с-r3. релейный модуль "рм-1 прот. r3 рубеж.
Ппкопу рубеж-20п. схема соединений рубеж 2оп. прибор приемно контрольный к3-рубеж-2оп. рубеж-20п схема подключения.
Прибор приемно-контрольный и управления r3-рубеж-2оп. пульт рубеж 2оп.. рубеж r3-рубеж-2оп. r3-рубеж-2оп usb.
Модуль управления клапаном рубеж мду-1. модуль управления клапаном дымоудаления мду-1-r3. мду-1 исп.03 модуль управления клапаном дымоудаления. клапан дымоудаления мду 1.
Цпиу-рубеж-арм исп. 01. рубеж цпиу рубеж исп.1 центральный прибор индикации и управления. цпиу "рубеж-арм" настольный. адресная система рубеж протокол r3.
Рубеж-2оп схема подключения. рубеж опс rs 485. рубеж-2оп подключение rs485. интерфейс rs-485 рубеж 2оп.
Релейный модуль рубеж рм-4к прот r3. рубеж рм-1 адресный релейный модуль r3. рубеж мду-1 прот r3-адресный модуль управления клапаном дымоудаления. адресный релейный модуль рм-4 прот. r3.
Рубеж 2оп инструкция схема подключения проводов. рубеж 2оп расключение. схема подключения пожарной сигнализации рубеж 2оп. рубеж 2оп структура.
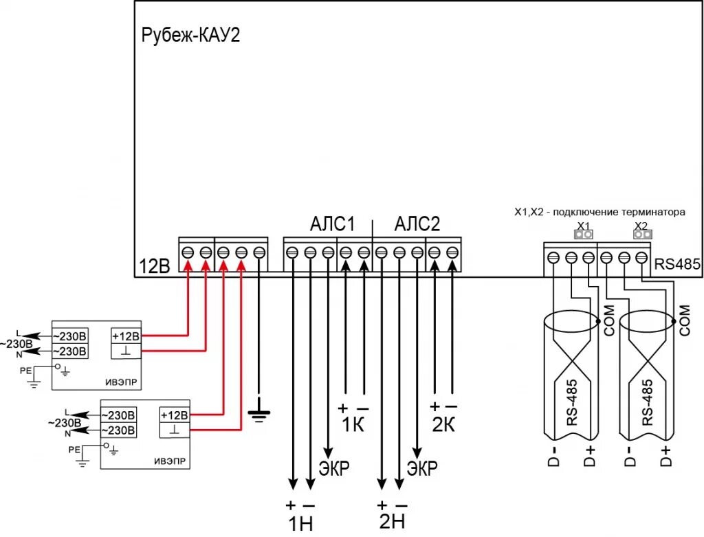
Контроллер адресных устройств рубеж-кау2 прот. r3. кау-2 рубеж схема подключения. рубеж 2оп прот r3 схема подключения. модуль контроллера рубеж r1.
Рубеж мс-1, мoдyль coпpяжeния. модуль сопряжения r3-мс-1. рубеж мс-кп, мoдyль coпpяжeния. r3-рубеж-кау2.
Схема подключения алс рубеж 2оп r3. рубеж 2оп прот r1 схема подключения. рубеж из-1-r3 изолятор шлейфа. изолятор шлейфа из-1-r3 схема подключения.
Схема подключения пожарной сигнализации рубеж 2оп. рубеж пожарная сигнализация схема подключения датчиков. схема электрическая рубеж 2оп. с2000 ипдл схема подключения.
Релейный модуль рубеж рм-1к-r3. рм-1 прот. r3. адресный релейный модуль рм-1 прот.r3. адресный релейный модуль рм-4 прот. r3.
Релейный модуль рубеж рм-1к-r3. модуль релейный рм-1с-r3. рубеж рм-4к адресный релейный модуль r3. релейный модуль рм-1.
Модуль управления пожаротушением рубеж мпт-1. адресный модуль управления пожаротушением мпт-1-r3. модуль автоматики пожаротушения мпт-1 прот. r3. рубеж мпт-1-r3 - адресный модуль управления пожаротушением.
Рубеж р 1
Рубеж 20п структурная схема. адресная система пожарной сигнализации рубеж r3. система рубеж пожарная сигнализация схема. схема рубеж 20п пожарного сигнализации.
Схема подключения прибора рубеж 2оп. схема расключения рубеж 2оп. ппкоп 011249-2-1 "рубеж-2оп". схема электрическая рубеж 2оп.
Прибор приемо-контрольный рубеж-20п. адресная система пожарной сигнализации рубеж r3. r3-рубеж-2оп схема подключения датчиков. рубеж 2оп прот r3 структурная схема.
Модуль сопряжения рубеж. мс рубеж модуль сопряжения. рубеж мс-1 модуль сопряжения схема подключения. мс-1 рубеж схема подключения.
Структурная схема рубеж 2оп. рубеж 20п схема. схема расключения рубеж 20 п. рубеж 20п структурная схема.
Рубеж рубеж-2оп прот.r3. r3-рубеж-2оп схема подключения. прибор приемно-контрольный рубеж-2оп прот.r3. r3-рубеж-2оп.
Рубеж рм-4 прот r3 адресный релейный модуль. рубеж рм-4к адресный релейный модуль r3. модуль релейный рм-4 "гранд магистр". адресный релейный модуль рм-1 прот.r3.
Релейный модуль "рм-1 прот. r3 рубеж. рубеж рм-4к адресный релейный модуль r3. rubezh релейный модуль рм-1. рубеж рм-1 адресный релейный модуль r3.
Схема подключения пожарной сигнализации рубеж 2оп. схема подключения пожарной сигнализации рубеж. пкп рубеж 20п схема подключения. адресная система пожарной сигнализации рубеж r3.
Прибор рубеж 20п. .рубеж ппкоп 011249-2-1 "рубеж-2оп" прот.r3. r3-рубеж-биу. рубеж-20п прот r3 охранно пожарный.
Прибор приемно-контрольный рубеж-2оп прот.r3. рубеж-биу прот.r3. модуль речевого оповещения мро-2м прот. r3. рубеж кау-2 прот.r3.
Адресный модуль управления пожаротушением мпт-1 прот.r3. модуль автоматики пожаротушения мпт-1 прот. r3. элемент дистанционного управления эду-пт прот.r3. мпт-1 рубеж схема подключения.
Рубеж мс-1, мoдyль coпpяжeния. мс-1 модуль сопряжения. мс-2 модуль сопряжения. модуль сопряжения r3-мс-е.
Прибор приемно-контрольный и управления r3-рубеж-2оп. прибор приемно-контрольный рубеж-2оп прот.r3. ппкопу «r3-рубеж-2оп». прибор «рубеж 2оп r3.
Рм-1 рубеж схема подключения. схема подключения прибора рубеж 2оп. схема подключения алс рубеж 2оп r3. схема подключения рм 4к рубеж.
Модуль рм 4 рубеж схема подключения. адресный релейный модуль рм-1. релейный модуль рубеж рм-1к-r3. модуль релейный рм-1 прот.r3.
Адресная система пожарной сигнализации рубеж r3. рубеж адресная система пожарной сигнализации схема. схема подключения пожарной сигнализации рубеж. рубеж 20оп адресная система пожарной сигнализации r3.
Рубеж мс-1, мoдyль coпpяжeния. ам-1 рубеж r3. модуль сопряжения рубеж мс-1 прот. r3. модуль сопряжения r3-mc рубеж рубеж.
Релейный модуль рубеж рм-3к. рубеж рм-4к адресный релейный модуль r3. адресный релейный модуль рм-4-r3. рм-2 релейный модуль адресный..
Программатор рубеж пку-1. программатор адресных устройств пку-1-r3. пку-1 прот.r3. программатор адресных датчиков рубеж.
Прибор приемно-контрольный "рубеж-20п" прот. r3. прибор приемно-контрольный r3-рубеж-20п. рубеж рубеж-2оп прот.r3. прибор рубеж-20п прот.r3.
Адресный релейный модуль рм-1 прот.r3. релейный модуль "рм-1 прот. r3 рубеж. модуль релейный рм-1с-r3. адресная система.. рубеж рм-4 прот r3 адресный релейный модуль.
Адресная система пожарной сигнализации рубеж r3. прибор приемно-контрольный рубеж-2оп прот.r3. рубеж крк 4 бс. прибор рубеж-20п прот.r3.
Схема подключения алс рубеж 2оп r3. рубеж-20п прот r3 схема. рубеж-20п прот r3 схема подключения алс. схема подключения пожарной сигнализации рубеж 2оп.
Рубеж 2оп прот r3 схема подключения. рубеж-2оп схема подключения. адресная метка ам-1 схема подключения. рубеж 2оп r1 схема.
Прибор приемно-контрольный "рубеж-20п" прот. r3. .рубеж ппкоп 011249-2-1 "рубеж-2оп" прот.r3. прибор приемно контрольный рубеж-2оп. рубеж ппкопу 011249-2-1 "рубеж- 2оп".
R3 рубеж 20п. рубеж рм-4к адресный релейный модуль r3. адресный релейный модуль рм-4-r3. модуль интерфейсный им-1 прот. r3.
Рубеж r3 мс 3. рубеж мс-1, мoдyль coпpяжeния. изолятор шлейфа адресный рубеж из-1-r3. модуль сопряжения r3-мс.
Модуль автоматики пожаротушения мпт-1. рубеж 20оп схема подключения. адресный модуль управления пожаротушением мпт-1-r3. пожаротушение рубеж схема подключения.
Адресная система пожарной сигнализации рубеж r3. схема подключения пожарной сигнализации рубеж 2оп. рубеж-2оп схема подключения. рубеж 2оп прот r3 структурная схема.
Блок индикации и управления r3-рубеж-биу. рубеж-биу прот.r3. "r3-рубеж-биу" пасн.425521.018 пс. рубеж рубеж-би, блок индикации.
Адресный релейный модуль рм-4-r3. рубеж рм-1к прот. r3. модуль релейный рм-1с-r3. rubezh релейный модуль рм-1.
Адресная система пожарной сигнализации рубеж r3. схема подключения адресной пожарной сигнализации рубеж. рубеж 20оп адресная система пожарной сигнализации r3. рубеж адресная система пожарной сигнализации схема.
Адресная метка ам4-r2. рубеж ам-4 адресная метка. рубеж модуль ам1. рубеж ам-1 адресная метка r3.
Рубеж рм-4к адресный релейный модуль r3. релейный модуль рубеж рм-4к прот r3. адресный релейный модуль рм-1 прот.r3. модуль релейный рм-4 прот.r3.
Изолятор шлейфа адресный рубеж из-1. изолятор шлейфа из-1 прот r3. изолятор шлейфа рубеж из-1 прот.r3. изолятор адресной линии из-1.