Удиви меня
Реле 12 вольт схема
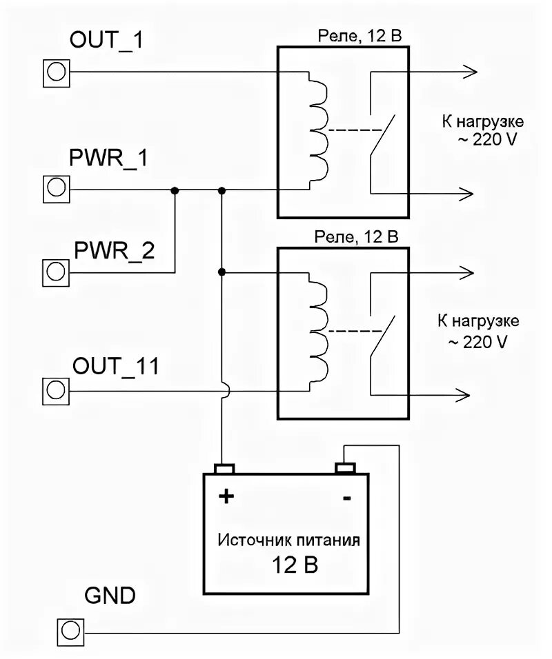
Схема подключения реле 12в. схема параллельного подключения двух реле 12 вольт. схема включения реле 12 вольт. подключение 12 вольтового реле.
Импульсное реле 12 вольт схема подключения. реле 24 вольт схема подключение. схема подключения реле напряжения 12 вольт. подключить реле 12 вольт.
Рио-1м импульсное реле. импульсное реле рио-1м схема. рио-1 импульсное реле схема. импульсное реле схема подключения ,404.
Реле 12 вольт схема
Задержка включения реле 12в схема на полевом транзисторе. задержка включения на полевом транзисторе реле 12в. схема задержки включения реле на 12 вольт на транзисторе. реле времени на полевом транзисторе схема.
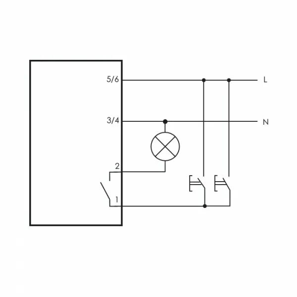
Схема подключения реле 220 вольт. схема включения реле 12 вольт. схема включения реле 12 вольт на 220. подключение реле 12в к сети 220в схема.
Реле 12 вольт схема
Схема задержки включения реле на 12 вольт. схема задержки включения реле на 12 вольт на 555. схема задержки выключения реле на 12 вольт. схема задержки отключения реле на 12 вольт.
Транзисторный ключ кт315. ключ транзисторный транзисторный ключ 12 вольт схема для реле. транзисторный ключ 1.5 вольт. транзисторный ключ 24 вольт схема для реле.
Реле 5 контактное 12в схема подключения. реле srd-12vdc-sl-c схема. 5 контактное реле 12 вольт распиновка. схема 5 контактного реле 24 вольт.
Полевой транзистор вместо реле. полевой транзистор вместо реле в автомобиле. транзистор вместо реле. перекидное реле на транзисторах.
Подключение реле к микроконтроллеру. контакт реле с задержкой на отключение. времязадающая цепь на транзисторе. как сделать реле времени 220в своими руками.
Реле задержки включения 220в схема. схема включения реле с задержкой включения 12 вольт. таймер реле времени 12 вольт схема. задержка выключения реле 12в схема.
Мигалка на реле 12 вольт схема. реле мигания 12 вольт. мигалка для лампы 12 вольт схема. схема мигалки на 12 вольт с регулировкой частоты.
Схема подключения датчика освещенности 12 вольт. датчик освещенности 12в схема подключения. схемы подключения фотореле на 12в. датчик освещения подключение схема 220 вольт.
Реле автомобильное 12в 5 контактов схема подключения. схема включения 5 контактного реле. авто реле схема подключения 5 контактов. автомобильное реле 12в 5 контактное схема подключения.
Реле времени 12 вольт автомобильное схема подключения. реле времени регтайм1-12- 0-60 12в схема подключения. схема подключения реле времени 12 вольт. импульсное реле 12 вольт схема подключения.
Схема задержки включения питания на полевом транзисторе. таймер реле времени 12 вольт схема. схема подключения реле времени 12 вольт. схема задержки выключения реле на 12 вольт на транзисторе.
Импульсное реле 12 вольт схема. 12v реле схема. relay 12v схема. реле на 12 вольт постоянного тока.
Бистабильное импульсное реле 12 вольт. бистабильное реле 220в. импульсное реле 12 вольт автомобильное. импульсное реле реле 12 вольт.
Шунтирующий диод на реле 12 вольт. диод реле защитный схема включения. подключение реле с диодом схема. реле с диодом 12в.
Схема подключения реле 4 контакта. подключение 4х контактного реле схема с кнопкой. подключение четырех контактного реле на авто схема. четырех контактное реле схема подключения.
Автомобильное реле 12в схема подключения. схема подключения реле 24в. схема подключения авто реле 12в. схема подключения реле 12в.
Импульсное реле 12 вольт схема. импульсное реле 12 вольт схема подключения. импульсное реле 12в. импульсное реле 12в схема.
Усилитель звука на кт940а схема. кт940а схема подключения. кт940б схема. кт940а характеристики транзистора.
Управление реле через транзисторный ключ. схема подключения реле через транзисторный ключ. схема включения реле через транзистор 12 вольт. транзисторный ключ 1.5 вольт.
Am26ls31c схема подключения. оптрон pc817 arduino. схема подключения реле 24 вольта. оптопара 817 схема включения.
Реле 753777-10 схема подключения. реле 75.3777 схема. схема установки четырех контактного реле. реле 4х контактное 24в схема.
Схема 5 контактного реле 12 вольт. схема автомобильного реле на 12 вольт. реле 12 вольт 5 контактов схема. схема 5 контактного реле 12 вольт ваз.
Реле с задержкой выключения 12 вольт. реле времени на отключение 12 вольт. реле с задержкой отключения 12 вольт. thc-b1.
Схема подключения автомобильного видеорегистратора. схема включения реле авто. подключить видеорегистратор через реле. регтайм реле 12в схема подключения усилителя.
Транзисторный ключ 3.3 вольт. pnp транзисторный ключ 12 вольт схема. транзисторный ключ 3.3 вольт вентилятор. схема транзисторного ключа на 12 вольт.
Автомобильное реле 12в схема подключения. реле автомобильное 12в 5 контактов схема подключения. реле автомобильное 12в 5 контактов схема. схема 5 контактного реле 12 вольт.
Схема мигания лампы 220в. схема мигалки на светодиодах 12 вольт. схема мигающей лампочки 12 вольт. мигалка на реле 12 вольт схема.
Ключ транзисторный транзисторный ключ 12 вольт схема для реле. транзисторный ключ 5 вольт схема для реле ардуино. схема включения реле через транзистор 12 вольт. транзисторный ключ для включения реле 12 вольт.
Ключ транзисторный транзисторный ключ 12 вольт схема для реле. транзисторный ключ 24 вольт схема для реле. схема включения реле через транзистор 12 вольт. pnp управление реле.
Автомобильное реле 12в схема подключения. схема 4х контактного реле 12в ваз. схема подключения силового реле. схема подключения четырехконтактного реле 12 вольт.
Схема транзисторного ключа на 12 вольт. транзисторный ключ 12 вольт схема на полевом транзисторе. транзисторный ключ 12 вольт схема для реле. ключ транзисторный транзисторный ключ 12 вольт схема для реле.
Схема 5 контактного реле 12 вольт. реле 4 контактное 12в распиновка. 4-х контактное реле 12в ан. силовое реле автомобильное 12в 5 контактов.
Расключение реле 12 вольт. четырех контактное реле 85-86-87-30. автомобильное реле 12в схема подключения. подключить реле 12 вольт.