Удиви меня
Подключить через трансформаторы тока
Подключить через трансформаторы тока
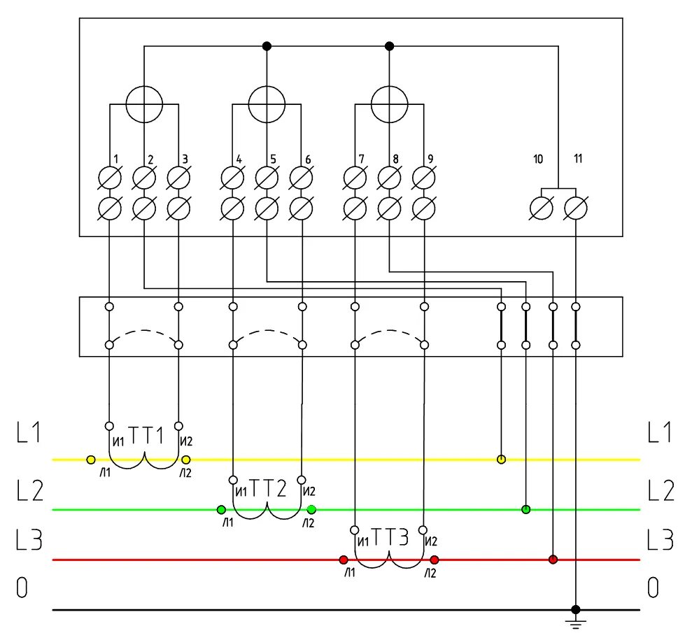
Схема включения трехфазного счетчика с трансформаторами тока. схема подключения трехфазного прибора учета с трансформаторами тока. схема подключения однофазного счетчика с трансформатором тока. схемаподключениетоковыхтрансформаторовксчетсчику.
Схема подключения трехфазного счетчика через 2 трансформатора тока. схема подключения трехфазного счетчика через трансформаторы тока. схема подключения трансформаторов тока к трехфазному счетчику. схема подключения 3х фазного счетчика через трансформаторы тока.
Подключение счётчика через трансформаторы тока 380 схема. схема включения 3 фазного счетчика через трансформаторы тока. схема подключения однофазного счетчика с трансформатором тока. схема соединения трехфазного счетчика через трансформаторы тока.
Схема подключения эл счётчика с трансформаторами тока. схема соединения счетчика через трансформаторы тока. схема включения 3фазного счётчика с трансформаторами тока. схемаподключениетоковыхтрансформаторовксчетсчику.
Схема трансформаторного включения трехфазного счетчика меркурий 230. схемаподключениетоковыхтрансформаторовксчетсчику. схема включения 3 фазного счетчика через трансформаторы тока. схема включения счетчика с 2 трансформаторами напряжения.
Схема соединения трехфазного счетчика через трансформаторы тока. подключение счётчика через трансформаторы тока 380 схема подключения. счётчик 3 фазы подключение через трансформаторы схема. схема подключения счётчика с трансформаторами тока.
Схема включения счетчика 10 кв. схема подключения счетчика через 2 трансформатора тока. схема подключения трехфазного счетчика с 2 трансформаторами тока. схема подключения трансформаторов тока 10 кв.
Схема подключения 3х фазного счетчика через трансформаторы тока. схема подключения трехфазного счетчика через трансформаторы тока. схема соединения трехфазного счетчика через трансформаторы тока. схема подключения электрического счетчика с трансформаторами тока.
Схема включения счетчика электроэнергии меркурий 230. схема подключения однофазного счетчика через трансформатор тока. схема подключения счётчика электроэнергии трехфазного. схема косвенного подключения трехфазного счетчика.
Схема включения счетчика 10 кв. схема подключения электросчетчика с 2 трансформаторами тока. схема подключения счетчика через 2 трансформатора тока. схема подключения счётчика через трансформатор напряжения.
Схема включения однофазного счетчика с трансформаторами тока. схема подключения однофазного счетчика с трансформатором тока. схема подключения трансформатора тока 220в. схема подключения однофазного счетчика через трансформатор тока.
Схема подключения 3х фазного счетчика трансформаторы тока с кабеля. схема подключения 3 фазного счетчика с трансформаторами тока. схема подключения трансформаторов тока к трехфазному счетчику. схема соединения трехфазного счетчика с трансформаторами тока.
Схема подключения счетчика меркурий 230 через трансформаторы. схема подключения счётчика меркурий 234 через трансформаторы тока. схема подключения трансформаторного счетчика меркурий 230. схема включения трехфазного счетчика меркурий 230.
Схема подключения трехфазного счетчика через трансформаторы тока. схема подключения трансформаторов тока к трехфазному счетчику. схема подключения трехфазного счетчика через 2 трансформатора тока. схема соединения трехфазного счетчика через трансформаторы тока.
Схема соединения трехфазного счетчика через трансформаторы тока. схема подключения 3х фазного счетчика с трансформаторами тока. схема подключения эл счётчика с трансформаторами тока. схема подключения трансформаторов тока к трехфазному счетчику.
Схема подключения трансформаторов тока к трехфазному счетчику. схема подключения счётчика электроэнергии трехфазного. схема подключения трехфазного счетчика непрямого включения. схема подключения однофазного счетчика с трансформатором тока.
Трансформатор тока для счетчика трехфазного меркурий 230. счетчик 380 через трансформаторы тока. 3 фазный счетчик через трансформаторы тока. икк для счетчика трансформаторного включения 380в.
Схема подключения счетчика через трансформаторы тока. схема подключения электрического счëтчика через трансформаторы тока. подключение счётчика через трансформаторы тока 380 схема. схема подключения 3-ф счетчика через трансформаторы тока.
Схема подключения клеммной колодки трехфазного счетчика. маркировка проводов счетчика с трансформаторами тока. схема включения счетчика меркурий 230 через трансформаторы тока. схема подключения 3х фазного счетчика через трансформаторы.
Схема включения счетчика через трансформаторы тока и напряжения. схема подключения 3 фазного счетчика с трансформаторами тока. схема подключения трехфазного эл счетчика с трансформаторами тока. подключение счётчика через трансформаторы тока 380 схема подключения.
Схема подключения 3 фазного счетчика с трансформаторами тока. схема подключения однофазного счетчика с трансформатором тока. схема включения трехфазного счетчика через трансформаторы тока. подключить счетчик через трансформаторы тока схема подключения.
Схема включения 3 фазного счетчика через трансформаторы тока. схема подключения счётчика с трансформаторами тока. трансформатор тока для счетчика трехфазного меркурий 230. схема подключения счетчика меркурий 230 с трансформаторами тока.
Схема включения трехфазного счетчика с трансформаторами тока. схема подключения трехфазного счетчика через трансформаторы тока. схема подключения 3-х фазного счётчика электроэнергии. схема подключения прибора учета трансформаторного включения.
Схема подключения счетчика меркурий 230 через трансформаторы. схема включения счетчика меркурий 230 через трансформаторы тока. схема включения трехфазного счетчика меркурий 230. схема соединения трехфазного счетчика через трансформаторы тока.
Подключить через трансформаторы тока
Схема подключения электросчетчика меркурий 3 фаза. схема включения трехфазного счетчика меркурий 230. схема подключения 3 фазного счетчика с трансформаторами тока. схема подключения счетчика полукосвенного включения.
Подключение счётчика через трансформаторы тока 380 схема подключения. схема включения трехфазного счетчика через трансформаторы тока. схема подключения однофазного счетчика через трансформатор тока. схема подключения счётчика с трансформаторами тока.
Схема подключения трехфазного счетчика полукосвенного включения. схема подключения 3х фазного счетчика через трансформаторы тока. схема соединения счетчика с трансформаторами тока. схема включения трехфазного счетчика меркурий 230.
Трансформатор тока для счетчика трехфазного меркурий 230. трансформаторы тока для счетчика меркурий 230. счетчик меркурий 230 через трансформаторы тока. меркурий 230 с трансформаторами тока.
Подключить через трансформаторы тока
Трансформаторы тока для электросчетчиков меркурий 230. счетчик меркурий 230 через трансформаторы тока. трансформатор тока для счетчика трехфазного меркурий 230. счетчик 3 фазный меркурий через трансформаторы тока.
Схема включения трехфазного счетчика меркурий 230. меркурий 230 трехфазный схема подключения. схема трансформаторного включения трехфазного счетчика меркурий 230. схема подключения 3х фазного счетчика через трансформаторы тока.
Схема подключения 3х фазного счетчика меркурий. схема включения 3х фазного счетчика через трансформаторы тока. схема подключения 3-х фазного счётчика электроэнергии. подключение счётчика через трансформаторы тока 380 схема.
Схема включения трехфазного счетчика через трансформаторы тока. схема подключения эл счётчика с трансформаторами тока. схема подключения 3-ф счетчика через трансформаторы тока. схема сборки трехфазного счетчика через трансформатор тока.
Схема трансформаторного включения трехфазного счетчика меркурий 230. схема подключения 3-ф счетчика через трансформаторы тока. схема подключения счетчика через испытательную коробку. схема расключения испытательной коробки.
Счётчик 3 фазы подключение через трансформаторы схема. схема подключения трехфазного счетчика через трансформаторы тока. схема подключения однофазного счетчика через трансформатор тока. схема подключения трансформаторов тока к трехфазному счетчику.
Схема подключения вольтметра через трансформатор напряжения. схема включения измерительного трансформатора напряжения. схема подключения ваттметра через трансформатор тока. схема включения ваттметра через трансформатор тока и напряжения.
Схема подключения трехфазногосчётчика электроэнергии. схема косвенного подключения трехфазного счетчика. схема соединения 3х фазного счетчика с трансформаторами тока. схема включения 3х фазного счетчика через трансформаторы тока.
Подключение счётчика через трансформаторы тока 380 схема. схема подключения прибора учета через трансформаторы тока. схема подключения 3-ф счетчика через трансформаторы тока. схема подключения трехфазного счетчика через 2 трансформатора тока.