Удиви меня
Подключение электронных весов
Rs232 кабель для весов штрих слим. весы штрих-слим 300 м. схема весов cas db-1h. кабель для весов штрих принт rs-232.
Подключение электронных весов
Подключение электронных весов
Подключение весов к компьютеру. весы компьютер. весовой компьютер. как подключить весы к компьютеру.
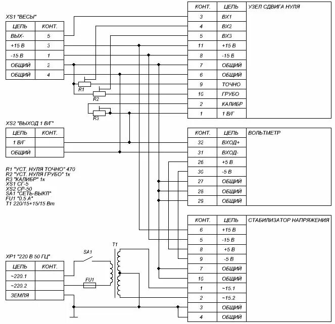
Схема подключения тензодатчика напольных весов. схема весов всп4. невские весы всп-4, схема подключения. схема весов cas db-1h.
Весы масса-к вт-150 схема. весы тв-м150 схема. схема подключения весов. весы напольные вт 600 схема электрическая.
Подключение электронных весов
Штрих м весы кабель rs232. кабель rs-232 usb для весов штрих-принт. кабель для весов cas rs232 распайка. распайка rs 232 для весов.
Весовой терминал тв-003/05д схема. весовой терминал титан 12 схема подключения. схема подключения термтнала восового тв-003/05д. преобразователь весоизмерительный тв-003/05н.
Электронные весы схема электрическая принципиальная. схема весов ph-6ц13. схема подключения невских весов. электрические весы подключение.
Подключение электронных весов
Весы мидл схема электрическая. весы мера пвм-3/150. эл схема электронных весов мера пвм-3/150. схема весов cas db-1h.
Подключение электронных весов
Весы электронные схема подключения тензодатчика. схема подключения тензометрического датчика к микроконтроллеру. электрическая схема весового терминала. схема подключения тензодатчика напольных весов.
Подключение электронных весов
Подключение электронных весов
Подключение электронных весов
Весы электронные мк rp10. весы масса-к мк-15.2-а21 схема. схема электронных весов дельта. схема установка электронные весы.
Подключение электронных весов
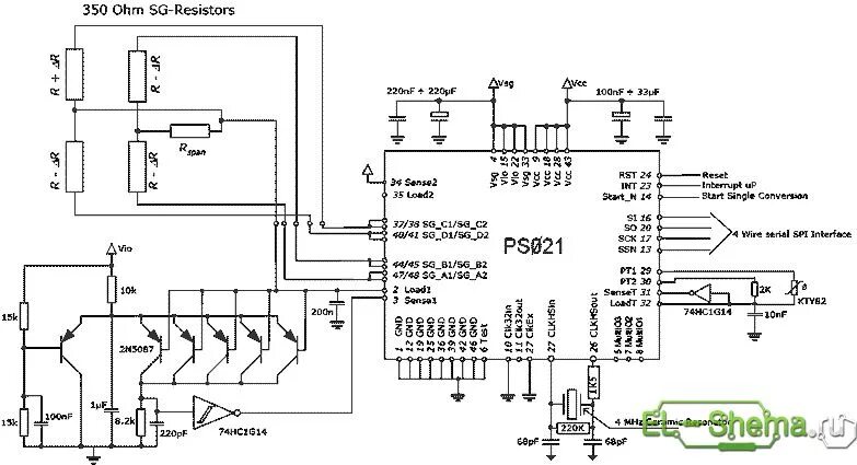
Схема включения тензометрического датчика. схема включения тензорезисторных преобразователей. схема подключения тензодатчиков к весовому терминалу. тензодатчик для весов схема подключения.
Весы cas dl-150 схема. весы мидл схема электрическая. схема весов cas db-1h. весы cas схема электрическая.
Схема подключения тензодатчика весов к контроллеру. весы электронные схема подключения тензодатчика. схема соединения четырех тензодатчиков. схема подключения трех тензодатчиков.
Схема электронных весов. схема подключения тензодатчика напольных весов. тензодатчик схема электрическая принципиальная. электронные весы схема электрическая принципиальная.
Ad7799 схема включения. cas sw-10 схема электрическая. схема весов электронных вр-1038. схема электронных весов дельта.
Весы cas схема электрическая. схема напольных электронных весов. схема платы электронных весов. схема напольных весов с тензодатчиками.
Схема весов cas db-1h. весы cas dl-150 схема. схема весов мидл мп 150. весы cas схема электрическая.
Схема весов cas db-1h. весы cas sw-10 схема электрическая. электронные весы схема электрическая принципиальная. схема электронных весов на микросхемах.
Схема соединения четырех тензодатчиков. схема включения тензорезисторных преобразователей. схема подключения тензодатчика весов к контроллеру. соединение 4 тензодатчиков схема.
Весы cas dl-150 схема. схема весов электронных весов. весы cas схема электрическая. всп 3 300 10 /8 весы напольные схема электрическая.
Весы cas sw-10 схема электрическая. схема электронных весов кухонных. схема электронных весов tcs-300. весы мидл схема электрическая.
Схема весов электронных весов. электронные весы схема электрическая принципиальная. схема платы электронных весов. весы масса-к схема электрическая.
Схема подключения тензодатчика напольных весов. схема подключения тензодатчика весов к контроллеру. весы электронные схема подключения тензодатчика. соединение 4 тензодатчиков схема.
Соединение 4 тензодатчиков схема. схема подключения 4 тензодатчиков. схема подключения тензодатчиков к весовому терминалу.
Весы cas sw-10 схема электрическая. схема весов cas sw. схема электронных весов tcs-300. схема китайских электронных весов.
Тензодатчик для весов схема подключения. схема подключения тензодатчика напольных весов. схема подключения тензодатчика 4 проводная. соединение 4 тензодатчиков схема.
Электронные весы схема электрическая принципиальная. весы cas sw-10 схема электрическая. схема весов cas db-1h. схема электронных весов tcs-300.
Схема включения тензорезисторных преобразователей. схема включения тензометрического датчика. схема подключения датчиков весов. весы электронные схема подключения тензодатчика.
Схема включения тензометрического датчика. весы электронные схема подключения тензодатчика. схема подключения тензодатчика весов к контроллеру. тензодатчик схема подключения.
Схема весов электронных вр-1038. электронные весы вр 1038 схема. схема весов электронных весов. устройство и принцип работы электронных весов.
Dlc-m 400 тензодатчик схема подключения. схема подключения датчиков весов. схема подключения тензодатчика напольных весов. тензодатчик трехпроводной схема подключения.
Схема включения тензометрического датчика. тензометрический датчик схема. схема подключения тензодатчика напольных весов. тензодатчик для весов схема подключения.
Принцип работы тензодатчика схема подключения. схема подключения тензодатчиков к весовому терминалу. схемы подключения 3х тензодатчиков. весы электронные схема подключения тензодатчика.
Подключение электронных весов
Схема включения тензометрического датчика. схема включения тензорезисторных преобразователей. схема весов на тензодатчиках. тензодатчик структурная схема.
Электронные весы схема устройства. весы электронные принцип действия. принцип работы напольных электронных весов. устройство электронных весов схема.
Подключение электронных весов
Автомобильные весы 80 тонн чертежи платформы. весы вагонные тензометрические схема. схема установки вагонных весов. весы автомобильные 80 тонн чертежи.
Подключение электронных весов
Схема включения тензометрического датчика. схема подключения тензодатчика напольных весов. схема соединения тенза датчика. тензометрический датчик схема.
Схема соединения тенза датчика. схема включения тензометрического датчика. схема включения тензодатчика. схема подключения датчиков весов.
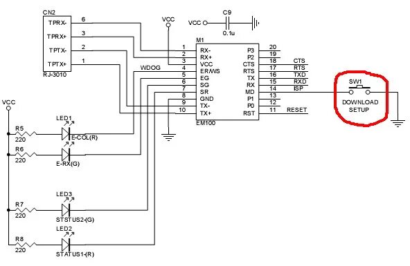
Распайка кабеля весы терминал а 100. распайка разъема весов. схема подключения разъема весы ски-12. невские весы всп-4, схема подключения.
Подключение электронных весов
Rs232 rj45 распиновка. usb и rj45 распайка. кабель для весов cas rs232 распайка. распиновка usb кабеля сканера штрих кодов.
Весы вагонные тензометрические схема. электронные весы схема устройства. схема установки вагонных весов. схема платы электронных весов.
Распайка кабеля весы терминал а 100. нвт-9 распайка разъема. распайка rs 232 для весов.
Схема подключения тензодатчика 4 проводная. тензодатчик распиновка 4 провода. тензодатчик для весов схема подключения. dlc-m 400 тензодатчик схема подключения.
Подключение электронных весов
Принцип работы тензодатчика весов. тензодатчик принцип действия. схема подключения тензодатчика напольных весов. тензодатчик для весов схема подключения.
Схема весов электронных вр-1038. схему электронных весов и укажите название основных частей и деталей.. весы электронные принцип работы. принципы работы электронных весов схема.
Подключение электронных весов
Весы подключить к 1с. 1c 7 как подключить весы. весы софт схема подключения. подключение весов к тирике магазин.
Подключение электронных весов
Подключение электронных весов
Подключение электронных весов
Тензодатчик схема подключения. схема весов на тензодатчиках. принцип работы тензодатчика схема подключения. тензометрического датчика hx711.
Схема включения тензометрического датчика. схема подключения тензодатчика напольных весов. весы электронные схема подключения тензодатчика. схема весов на тензодатчиках.
Весовой терминал титан 12 схема подключения. схема весового калибровочного устройства. автомобильные весы схема подключения.
Невские весы всп-4, схема подключения. схема весов всп4. невские весы схема подключения. невские весы всп4 электрическая схема.
Весы масса к схема платы. схема электронных весов gas. схема весов cas sw. весы cas dl-150 схема.
Подключение электронных весов
Схема подключения тензодатчика 4 проводная. схема подключения тензодатчика напольных весов. схема подключения тензодатчиков к весовому терминалу. тензодатчик для весов схема подключения четырех.
Конвейерные весы схема подключения. устройство электронных весов схема. принцип работы механических весов. вагонные весы схема.