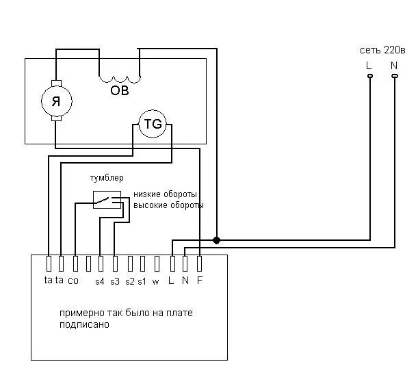
Подключение двигателя от стиральной машины автомат
Подключение эл двигателя от стиральной машины автомат с 6 выводами. схема запуск двигателя от стиральной машины автомата. электродвигатель от стиральной машины подключение к 220 схема. распиновка электродвигателя стиральной машинки.Схема подключения двигателя стиральной машины. подключить двигатель от стиральной машины автомат к 220 схема напрямую. схема подключения эл двигателя от стиральной машины автомат. схема подключения электродвигателя стиральной машины на 220.Подключить электродвигатель от стиральной машины 5 проводов. схема подключения эл.двигателя стиралки автомат. подключение мотора от стиральной машины автомат к 220 схема. как подключить двигатель стиральной машины автомат.Как подключить мотор от стиральной машины автомат к 220. подключить двигатель от стиральной машины автомат к 220 схема напрямую. подключаем двигатель от стиральной машины автомат к 220. как правильно подключить электродвигатель от стиральной машины.Подключить мотор от стиральной машины автомат напрямую к 220. схема подключения эл.двигателя стиралки автомат. генератор 2000 ватт из мотора от стиральной машины. us-52 схема подключения двигателя от стиральной машины.Схема подключения электродвигателя стиральной машинки. схема подключения мотора стиральной машины автомат. схема подключения коллекторного движка для стиралки. схема соединения электродвигателя стиральной машины.Схема включения мотора от стиральной машины автомат. подключение двигателя от стиральной машины автомат с 8 выводами схема. схема включения электродвигателя от стиральной машины. схема соединения электродвигателя стиральной машины.Схема подключения эл.двигателя от старой стиральной машины. схема подключения электродвигателя от стиральной машины с 4 выводами. двигатель от стиральной машины автомат подключение на 220 вольт. схема подключения эл. двигателя стиралки.Схема подключения стиральной машины автомат двигателя на 220 вольт. подключение двигателя от стиральной машины автомат с 8 выводами схема. подключение мотора от стиральной машины автомат к 220 схема. схема подключения двигателя стиральной машины автомат на 220.Схема подключения двигателя вятка автомат. мотор вятка автомат схема подключения. схема подключения электродвигателя от вятки автомат. схема включения двигателя вятка автомат.Схема подключения двигателя стиральной машины напрямую. электродвигатель от стиральной машины подключение к 220 схема. схема подключения двигателя со стиральной машинки напрямую. схема подключения двигателя от стиральной машины автомат на 220.Схема подключения электродвигателя стиральной машины на 220. коллекторные двигатели для стиральных машинок-схемы подключения. схема подключения коллекторного двигателя. схема включения двигателя от стиралки.Схема подключения эл.двигателя стиралки автомат. схема подключения эл двигателя стиральной машинки. эл схема подключения эл двигателя стиральной машины автомат. подключить двигатель от стиральной машины схема.Схема подключения эл.двигателя стиралки автомат. схема подключения моторов стиральных машинок. схема подключения эл двигателя стиральной машинки. схема включения электродвигателя от стиральной машины.Подключить электродвигатель от стиральной машины 4 провода к 220. подключение мотора от стиральной машины автомат к 220 схема. подключить электродвигатель от стиральной машины 5 проводов. подключить двигатель от стиральной машины автомат к 220 схема напрямую.Схема подключения эл.двигателя стиралки автомат. схема подключения эл двигателя стиральной машинки. схема подключения эл двигателя стиральной машины автомат. схема подключения электродвигателя стиральной машины автомат.Подключить двигатель от стиральной машины вятка автомат. двигатель вятка автомат на 220 вольт. схема подключения электродвигателя вятка автомат. подключить эл.двигатель от стиральной машины с шестью выводами.Двигатель вятка автомат на 220 вольт. подключить двигатель от стиральной машины вятка автомат. подключить электродвигатель от стиральной машины 5 проводов. распиновка мотор стиральной машинки.Электродвигатель от стиральной машины вятка автомат 16. как подключить эл двигатель от стиральной машины с 6 выводами. двухскоростной двигатель от стиральной машины схема подключения. двигатель вятка автомат на 220 вольт.Подключение двигателя от стиральной машины автомат с 5 выводами схема. эл двигатель от стиралки схема подключения. схема включения двигателя от стиралки. схема включения двигателя стиральной машинки.Подключить двигатель от стиральной машины к 220 схема напрямую. схема подключения электродвигателя стиральной машины автомат. схема подключения мотора от стиральной машины автомат 6 проводов. схема подключения эл двигателя стиральной машинки.Схема включения эл.двигателя от стиральной машины. схема подключения двигателя стиральной машинки автомат. схема подключения эл двигателя стиральной машинки. схема включения двигателя стиральной машинки.Подключить электродвигатель от стиральной машины 4 провода. подключить электродвигатель от стиральной машины 5 проводов. асинхронный электродвигатель от стиральной машины 3 провода. асинхронный двигатель от стиральной машины candy.Схема подключения асинхронного двигателя от стиральной машины. схема подключения двигателя от стиральной машины с 6 выводами. схема подключения электродвигателя от стиральной машинки. схема включения двигателя стиральной машинки.Схема подключения стиральной машинки вятка. схема подключения эл двигателя стиральной машины вятка. подключить двигатель от стиральной машины вятка автомат. распиновка двигателя стиральной машины вятка.Подключение двигателя от машинки автомат. подключение двигателя стиральной машины. подключение двигателя от стиральной машины. подключение электродвигателя от стиральной машины автомат.Подключить электродвигатель от стиральной машины автомат. подключить электродвигатель от стиральной машины 6 провода. двигатель стиральной машины vg 220. подключить электродвигатель от стиральной машины 6 проводов.Мотор от стиральной машинки атэ 225. электродвигатель 650вт от стиралки айша. двигатель стиральной машины vg 220. асинхронный электродвигатель от стиральной машины индезит.Схема подключения электродвигателя стиральной машины. схема подключения эл двигателя стиральной машинки. схема подключения электродвигателя от стиральной машины с 4 выводами. схема подключения движка от стиральной машины.Запуск двигателя от стиральной машины. подключение мотора от стиралки. подключение электродвигателя стиральной машины. подключить электродвигатель от стиральной машины.Двигатель стиральной машины 127 вольт. подключить электромотор от стиральной машинки 220 вольт. двигатель вятка автомат на 220 вольт. подключить двигатель от стиральной машины к 220 вольт.Схема подключения реверса электродвигателя от стиральной машины. схема включения электродвигателя от стиральной машины. схема включения двигателя от стиральной машины. реверс двигателя стиральной машины схема подключения.Прозвонка электродвигателя стиральной машинки. подключить электродвигатель от стиральной машины 4 провода к 220. двигатель стиральной машины провода на 220. подключить мотор от стиральной машины к 220 4 провода.Двигатель стиральной машины vg 220. двигатель tipo x m12.20.80.88 indesit. электродвигатель ib-mei sa madrid tipo-2/16-158/ar50-512005702 стиральной машины ardo a1000. подключить электромотор от стиральной машинки 220 вольт.Стиральная машина вятка автомат схема подключения двигателя. схема подключения эл.двигателя стиралки автомат. схема подключения двигателя стиральной машинки автомат. схема подключения двигателя стиральной машины автомат.Схема подключения двигателя стиральной машины автомат. схема подключения асинхронного двигателя от стиральной машины. схема подключения стиральной машинки вятка. схема подключения электродвигателя стиральной машины с 9 выводами.Схема включения электродвигателя от стиральной машины. схема подключения электродвигателя стиральной машинки. схема подключения электродвигателя стиралки. схема подключения коллекторного двигателя стиральной машины к 220.Двигатель от стиральной машины индезит с 5 проводами. подключить электродвигатель от стиральной машины 5 проводов. двигатель стиральной машины индезит tipo *m12.06.46.48 v220. электродвигатель type 20571.277 c1.f.Электродвигатель от стиральной машины индезит. двигатель стиральной машины ардо 800. двигатель mca 52/64-148/kt15. двигатель стиральной машины беко.Схема подключения двигателя стиральной машинки автомат. схема подключения электродвигателя вятка автомат. схема подключения двигателя от стиральной машины автомат. схема включения двигателя стиральной машины ardo.Электродвигатель стиральной машины в сеть 220в. подключить электродвигатель от стиральной машины 6 провода. электродвигатель 220 4 провода стиральная машина. двигатель стиральной машины провода на 220.Двигатель стиральной машины vg 220. эл двигатель от стиральной машины автомат type 20572796cf. двигатель стиральной машины генератор 12 вольт. мотор от стиральной машины 141.3701..Подключить электродвигатель от стиральной машины 4 провода. двигатель стиральной машины vg 220. подключить мотор от стиральной машины автомат напрямую к 220. подключить электродвигатель от стиральной машины 3 провода.Электродвигатель от стиральной машины подключение к 220 схема. схема подключения двигателя от стиральной машины автомат на 220. схема подключения электродвигателя от стиральной машинки на 220в. схемы подключения коллекторных электродвигателей 220в.Электродвигатель 650вт от стиралки айша. подключить электродвигатель от стиральной машины 4 провода. подключить электродвигатель от стиральной машины 6 провода. подключить электродвигатель от стиральной машины 5 проводов.Подключить электродвигатель от стиральной машины автомат. двигатель tipo x m12.20.80.88 indesit. подключить электродвигатель от стиральной машины индезит автомат. эл двигатель для стиральной машины ардо.Электродвигатель от стиральной машины индезит. подключить мотор стиральной машины indesit к 220. подключить электродвигатель от стиральной машины индезит автомат. двигатель от стиральной машины индезит 20585.108.Двигатель от стиральной машины автомат подключение на 220 вольт. мотор индезит напрямую от 220. подключить электромотор от стиральной машинки 220 вольт. подключить двигатель от стиральной машины к 220 вольт.Двигатель вятка автомат на 220 вольт. электродвигатель стиралки вятка автомат. мотор вятка автомат 16. двигатель nuova ibmei m2-16-158.Подключить электродвигатель от стиральной машины автомат в сеть 220в. электродвигатель стиральной машины в сеть 220в. двигатель стиральной машины провода на 220. подключить мотор от стиральной машины к 220 4 провода.Щётка от двигателя стиральной машине 39b 415. подключить электродвигатель от стиральной машины 5 проводов. подключить электромотор от стиральной машины. кнопка для пуска двигателя от стиральной машины.Электродвигатель 990201 /4 от стиральной машины. электродвигатель sole type 20572671 от индезит. двигатель от стиральной машины 500 ватт 4 провода. двигатель стиральной машины индезит tipo *m12.06.46.48 v220.Схема подключения электродвигателя стиральной машинки. схема подключения двигателя стиральной машинки. схема включения электродвигателя стиральной машины. схема подключения эл двигателя стиральной машины индезит.Подключить электродвигатель от стиральной машины 5 проводов. асинхронный электродвигатель от стиральной машины 3 провода. мотор от стиральной машины 220в 450vac. подключить электродвигатель от стиральной машины 4 провода.Двигатель стиральной машины вятка автомат. электродвигатель стиралки вятка автомат. мотор от стиральной машины вятка автомат. двигатель для стиральной машинки вятка автомат.Регулятор скорости 220в для двигателя от стиральной машины автомат. регулятор оборотов для двигателя от стиральной машины zanussi 1033v. двигатель стиральной машины vg 220. хайер стиральная машина электродвигатель.Асинхронный электродвигатель от стиральной машины 3 провода. цвета проводов двигателя стиральной машины. подключить двигатель от стиральной машины автомат. провода двигателя от стиральной машины автомат.Электрическая схема подключения прессостата стиральной машины. схема подключения двигателя стиральной машины автомат. схема подключения электродвигателя от старой стиралки. схема подключения электродвигателя стиральной машинки.Электродвигатель от стиральной машины подключение к 220. регулятор оборотов для двигателя от стиральной машины zanussi 1033v. подключить мотор от стиральной машины к 220. мотор асинхронный для стиральной машины siemens.Двигатель вятка автомат на 220 вольт. подключить мотор от стиральной машины автомат напрямую к 220. схема включения электродвигателя от стиральной машины. подключить электродвигатель от стиральной машины автомат в сеть 220в.Схема включения электродвигателя от стиральной машины. схема подключения асинхронного двигателя от стиральной машины. схема подключения электродвигателя стиральной машинки. схема подключения асинхронного двигателя от стиральной машинки.Двигатель стиральной машины vg 220. подключить электродвигатель от стиральной машины 10 проводов. эл двигатель стиральной машины волжанка. колодка двигателя стиральной машины lg.Схема подключения эл двигателя стиральной машинки. схема подключения эл.двигателя стиралки автомат. схема подключения электродвигателя стиральной машины. схема подключения двигателя со стиральной машинки напрямую.Стиральная машина вятка автомат схема подключения двигателя. схема подключения электродвигателя вятка автомат. схема подключения электродвигателя стиральной машины вятка. схема подключения электродвигателя стиральной машины вятка автомат.Электродвигатель стиралки вятка автомат. двигатель вятка автомат на 220 вольт. двигатель стиральной машины vg 220. электродвигатель от стиралки вятка.Двигатель для стиральной машины самсунг s832. эл двигатель стиральной машины волжанка. мотор стиральной машины lg самоделки. двигатель от стиральной машины ухл 4.220 в. 50 гц.Двигатель стиральной машинки самсунг. асинхронный электродвигатель от стиральной машины 3 провода. щётка от двигателя стиральной машине 39b 415. мотор асинхронный для стиральной машины siemens.Электродвигатель 220 3 провода стиральная машина. двигатель стиральной машины 127 вольт. подключить электродвигатель от стиральной машины 4 провода. подключить электродвигатель от стиральной машины индезит автомат.Двигатель tipo x m12.20.80.88 indesit. электродвигатель 220 3 провода стиральная машина. электродвигатель от стиральной машины индезит. электродвигатель 4кв для стиральной машины.Мотор от стиральной машины вятка автомат. электромотор от стиральной машины вятка автомат. подключить электродвигатель от стиральной машины 6 проводов. подключить двигатель от стиралки вятка.Асинхронный двигатель стиральной машины ardo wd1000. подключить электродвигатель от стиральной машины 3 провода. двигатель от стиральной машины 500 ватт 4 провода. двигатель стиральной машины канди cty1000.Электродвигатель 220в для стиральной машины веко. электродвигатель стиральной машины20572355. электродвигатель советской стиральной машины 180w. двигатель стиральной машины vg 220.Регулятор скорости 220в для двигателя от стиральной машины автомат. регулятор оборотов эл двигателя для стиральной машинки индезит. регулятор оборотов для мотора от стиральной машины 400ц. частотник 220 для двигателя от стиральной.Подключение двигателя от стиральной машины автомат с 5 выводами схема. схема подключения асинхронного двигателя от стиральной машинки. схема включения мотора от стиральной машины автомат. подключение двигателя от стиральной машины автомат с 6 выводами схема.Разъём двигателя стиральной машины индезит. разъем двигателя стиральной машины lg 10 pin. распиновка электродвигателя стиральной машины. колодка двигателя стиральной машины lg.Схема включения двигателя стиральной машинки. схема подключения щеточного электродвигателя. схема подключения эл двигателя стиральной машинки. электрическая схема подключения коллекторного двигателя.Как подключить мотор от стиральной машины автомат напрямую к 220. подключить мотор стиральной машины indesit к 220. подключить мотор от стиральной машины автомат напрямую к 220. как подключить двигатель от стиральной машины к 220 напрямую.Двигатель от стиральной машины автомат подключение на 220 вольт. реверс двигателя на 220 от стиральной машины. pfgecr ldbufnmtkz cnbhfkmyjq vfibys jn ctnb. подключить электродвигатель от стиральной машины 3 провода.Схема подключения двигателя стиральной машинки. схема подключения электродвигателя стиральной машинки. схема подключения эл двигателя стиральной машинки. схема подключения эл.двигателя стиралки автомат.Как подключить мотор от стиральной машины автомат к 220. как подключить мотор от стиральной машины к 220 напрямую. подключить электродвигатель от стиральной машины автомат. подключить двигатель от стиральной машины к 220 вольт.Схема подключения электродвигателя стиральной машинки к 220. схема подключения эл. двигателя стиралки. электродвигатель от стиральной машины подключение к 220 схема. схема подключения электродвигателя стиральной машины на 220.