Удиви меня
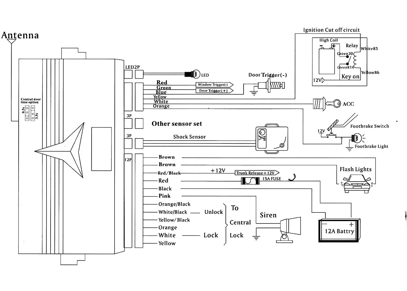
Подключение автосигнализации
Подключение автосигнализации
Подключение автосигнализации
Подключение автосигнализации
Подключение автосигнализации
Схема подключения сигнализации томагавк 9010 с автозапуском. схема подключения сигнализации томагавк 9010 к центральному замку. tomahawk 9010 подключение схема центрального замка. схема подключения сигнализации томагавк 9010 на ваз 2114.
Подключение автосигнализации
Схема автосигнализации старлайн а91. старлайн а91 схема. схема подключения сигнализации старлайн а91. схема сигнализации старлайн а91 с автозапуском.
Подключение автосигнализации
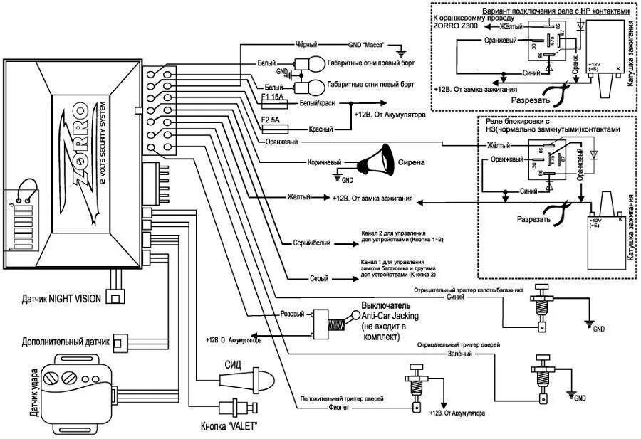
Сигнализация старлайн b62. схема сигнализации старлайн b6. схема установки автосигнализации старлайн б6. монтажная схема starline b6.
Подключение автосигнализации
Подключение автосигнализации
Схема сигнализации старлайн а63. gps антенна для starline a93. схема автосигнализации старлайн а 63. схема подключения сигнализации старлайн а93.
Подключение автосигнализации
Схема сигнализации старлайн а93. схема подключения автосигнализации старлайн а 63. старлайн а93 схема подключения. схема подключения старлайн а93 кан лин.
Подключение автосигнализации
Подключение автосигнализации
Подключение автосигнализации
Подключение автосигнализации
Подключение автосигнализации
Подключение автосигнализации
Подключение автосигнализации
Схема блока сигнализации старлайн а91. схема сигнализации старлайн а91. схема сигнализации starline a91. схема установки автосигнализации старлайн а91.
Подключение автосигнализации
Подключение автосигнализации
Подключение автосигнализации
Подключение автосигнализации
Схема подключения старлайн v62. схема подключения сигнализации на мотоцикл с автозапуском. схема подключения китайской автосигнализации. схема подключения автосигнализации с автозапуском на мотоцикл.
Подключение сигнализации старлайн а92. старлайн а92 схема подключения. схема подключения автосигнализации старлайн а 92. starline a92 схема.
Схема автосигнализации старлайн а91. схема сигнализации старлайн а91 с автозапуском. схема подключения сигнализации starline a91. автосигнализация старлайн а91 схема подключения автосигнализации.
Подключение автосигнализации
Подключение автосигнализации
Схема подключения реле старлайн. схема подключения реле к сигнализации starline с6. реле багажника старлайн а61. схема подключения реле к автосигнализации.
Подключение автосигнализации
Подключение автосигнализации
Подключение автосигнализации
Подключение автосигнализации
Подключение автосигнализации
Подключение автосигнализации
Подключение автосигнализации
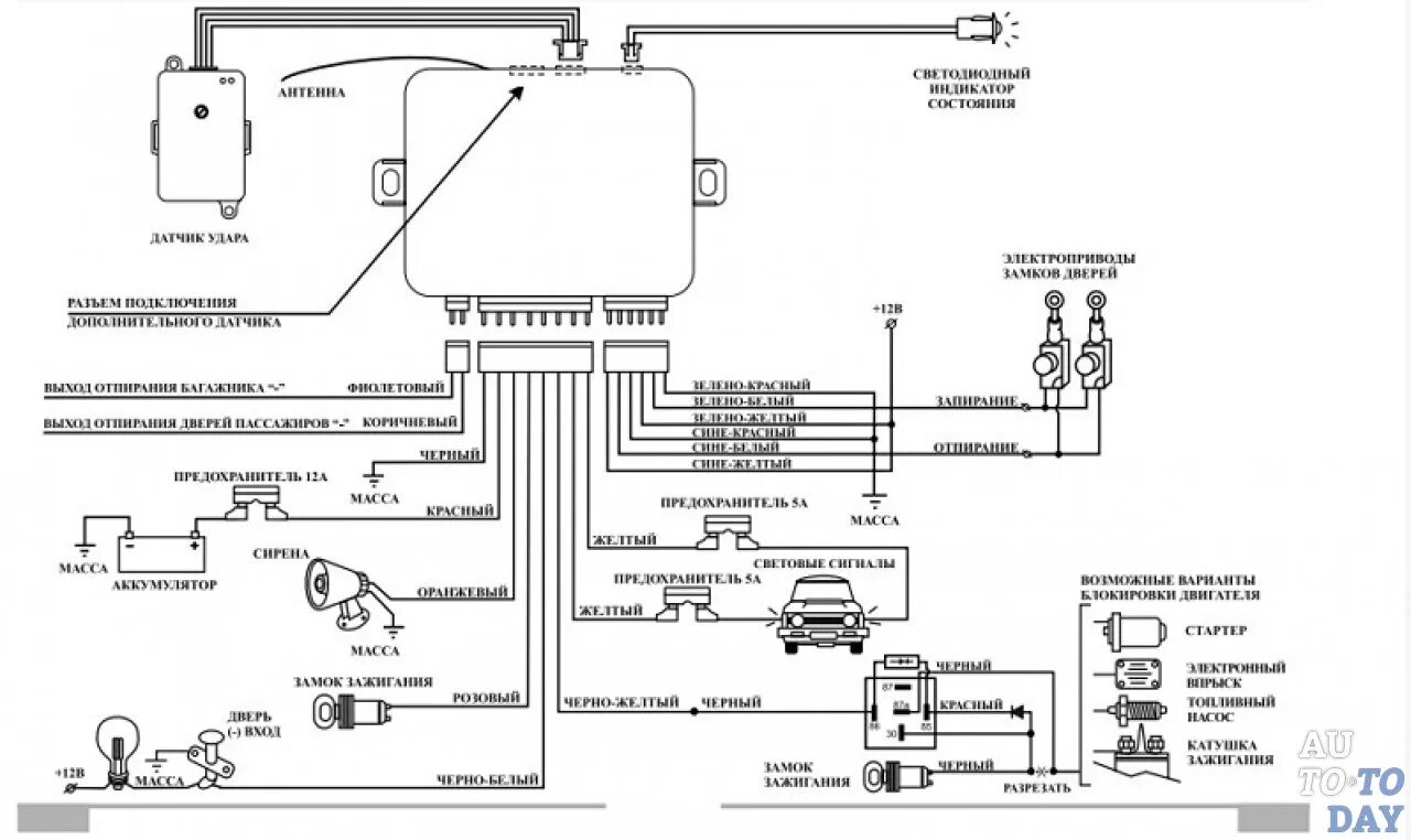
Схема подключения центрального замка к сигнализации. схема подключения сигнализации к вакуумному центральному замку. схема подключения автосигнализации к центральному замку. подключение сигнализации к пневматическому центральному замку.
Подключение автосигнализации
Подключение автосигнализации
Подключение автосигнализации
Подключение автосигнализации
Подключение автосигнализации
Схема подключения сигнализации starline a9. схема автосигнализации старлайн а92 с автозапуском. starline a92 схема. схема сигнализации старлайн а9 схема подключения.
Gsm модуль starline a93. схема сигнализации старлайн а91. схема подключения автосигнализации старлайн а91. схема сигнализации старлайн а91 с автозапуском.
Подключение автосигнализации
Подключение автосигнализации
Подключение автосигнализации
Подключение автосигнализации
Подключение автосигнализации
Сигнализация с автозапуском starline а9 схема подключения. схема установки автосигнализации старлайн а91. сигнализация с автозапуском starline а92 схема подключения. схема подключения сигнализации старлайн а91.
Подключение автосигнализации
Подключение автосигнализации
Подключение автосигнализации
Подключение автосигнализации
Подключение автосигнализации
Подключение автосигнализации
Подключение автосигнализации
Схема подключения автосигнализации с автозапуском twage b9. старлайн а8 схема подключения. схема сигнализации старлайн а9. схема подключения сигнализации starline a8.
Подключение автосигнализации
Подключение автосигнализации
Подключение автосигнализации
Схема подключения сигнализации sky m22. схема подключения сигнализации blazer l 3000. сигнализация sky m21 схема подключения. схема автосигнализации sky m15.
Подключение автосигнализации
Подключение автосигнализации
Подключение автосигнализации
Силовой модуль starline a93. схема установки автосигнализации старлайн а 93 с автозапуском. сигнализация старлайн а 63 с автозапуском. реле сигнализации старлайн а9 с автозапуском.
Подключение автосигнализации
Схема сигнализации старлайн а91 с автозапуском. сигнализация с автозапуском starline a93. схема автосигнализации старлайн а6. провода сигнализации старлайн а91.
Подключение автосигнализации
Подключение автосигнализации