Удиви меня
П контур усилителя мощности
П контур усилителя мощности
Выходные контура усилителя мощности. п контур. п контур схема.
Усилитель мощности передатчика 30вт схема. ги 46б усилитель мощности кв диапазона схема. усилитель мощности на 2 гу 50 3 мгц. ум гс 35б схема катодного смещения.
Усилитель мощности кв на 4х-6п45с. усилитель мощности гу81м катод и сетку. схема передатчика гу 81м сеточный режим.
Схемы п контура кв усилителя. п-контур усилителя мощности схема. п-контур для укв антенн. расчет п-контура лампового усилителя мощности.
П контур усилителя мощности
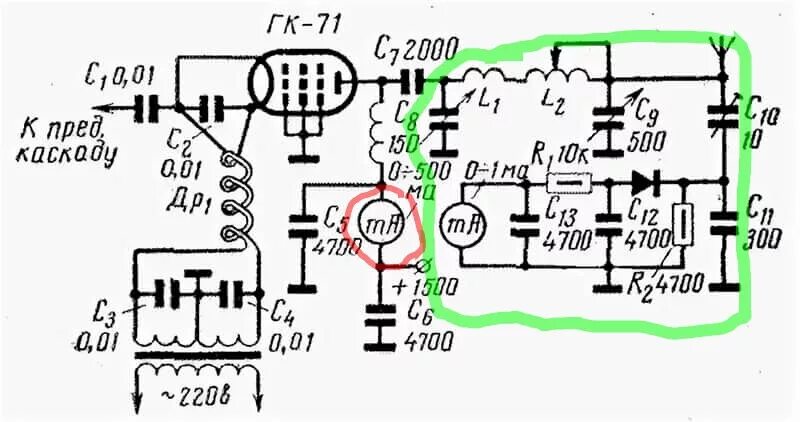
Усилитель на 2х гк 71 схема. ум кв на двух гк71 схема. кв усилитель мощности на гк-71 схема. схема усилителя мощности на 2х гк71 с заземленными сетками.
Антенный анализатор аа-330м схема. схема усилителя мощности на гу 50 без п контура. антенный анализатор аа-330 схема. схемы п контура кв усилителя.
П-контур усилителя мощности схема. схема выходного контура передатчика. п контур схема. холодная настройка п контура усилителя мощности.
Кв усилитель 3х гу 50. усилитель на 3х гу 50 голунов. кв усилитель мощности на 3 гу 50. ум на гу-50.
Схема п контура усилителя кв на гу74б. высокочастотный усилитель мощности на лампе гу 48 схема. п-контур усилителя мощности схема. дроссель для усилителя мощности кв трансивера.
Усилитель на гу-84б. усилитель кв 2т939а. кв усилители мощности на лампе гу 84б. усилитель на лампе гу-84б на кв диапазоны.
П контур усилителя мощности
П контур усилителя мощности
П контур усилителя мощности
П-контур усилителя мощности на гу-81м. усилитель мощности гу81м катод и сетку. схема передатчика гу 81м сеточный режим. кв усилитель мощности на гу-81м схема.
Схемы последовательного питания в усилителях мощности. схема согласования трансивера с усилителем. антенный усилитель для трансивера. входные контура усилителя мощности на гу-50.
П контур усилителя мощности
Кв усилитель мощности на гу-81м схема. услетил мощность гу 81 схема. усилитель на гу-81м с общими сетками. схемы усилитель мощности на гу 81м.
П контур усилителя мощности
П контур усилителя мощности
П контур усилителя мощности
П контур усилителя мощности
П контур усилителя мощности
П контур усилителя мощности
П контур усилителя мощности
П контур усилителя мощности
П контур усилителя мощности
П контур усилителя мощности
Кв усилитель мощности на гу-81м схема. блока питания кв усилителя мощности гк-71. ламповый усилитель мощности передатчика на гу50. лампа гк-71 усилитель мощности схема.
Ламповый усилитель гу13. усилитель кв на лампе гу-74 б. гу50 кв усилитель мощности 500 ватт. п-контур усилителя мощности на гу-74б.
Катушка индуктивности п контура 80 160 метров. катушка п контура на 3 гу-50. анодный дроссель 6п3с. катушка п контура 80 м ум гу 50.
Ly2bok усилитель. qrz ум кв. cqham. п контур.
Усилитель мощности на 2 гу 81м. усилитель кв на гу-81м. кв усилитель мощности на гу 81м. кв усилители мощности на лампах гу-81м.
П контур усилителя мощности
П контур усилителя мощности
П контур усилителя мощности
П контур усилителя мощности
П контур усилителя мощности
Усилитель кв на гу 74б от ux1ux. гу 34б усилитель мощности. усилители мощности конструкции ua3aic.