Удиви меня
Мпт 1
Рубеж мпт-1 прот. r3. модуль автоматики пожаротушения мпт-1 прот. r3. модуль управления пожаротушением мпт-1.
Модуль управления пожаротушением рубеж мпт-1. адресный модуль управления пожаротушением мпт-1-r3. адресный модуль управления пожаротушением рубеж. рубеж мпт-1 адресный модуль управления пожаротушением r3.
Адресный модуль управления пожаротушением мпт-1 прот.r3. рубеж мпт-1 адресный модуль управления пожаротушением r3. рубеж мпт-1 прот. r3. мпт рубеж прот r3.
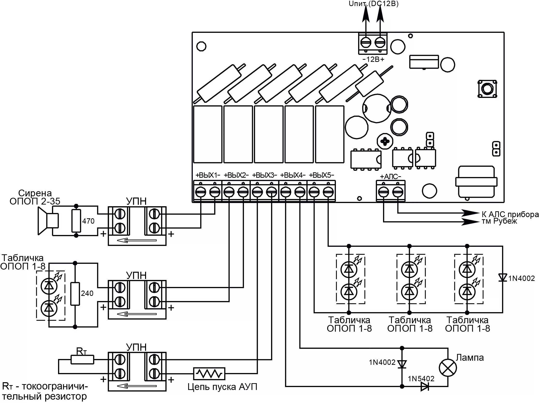
Адресный модуль управления пожаротушением мпт-1-r3. мпт 1 схема расключения. мпт-1 рубеж схема подключения. эду-пт рубеж схема подключения.
Адресный модуль управления пожаротушением мпт-1-r3. модуль пожаротушения мпт-1. адресный модуль управления пожаротушением рубеж. рм-1 рубеж схема подключения.
Мпт 1
Модуль мпт 1r3. модуль управления пожаротушением мпт-1-r3. модуль пожаротушения мпт-1. адресный модуль управления пожаротушением мпт-1 прот.r3.
Схемы технологических защит. контроллер узла связи. схема связи контроллера с котлом. мпт-1 рубеж схема.
Мпт 1
Мпт 1
Модуль управления пожаротушением мпт-1-r3. адресный модуль управления пожаротушением мпт-1-r3. рубеж мпт-1 адресный модуль управления пожаротушением r3. мпт-1 прот. r3.
Электрическая схема мпт 6.4. мпт1 рубеж r3 схема подключения ведомого.
Ппкоп 011249-2-1 "рубеж-2оп". метка адресная рубеж амп-4. рубеж 20п r3. мпт-1 рубеж.
Мпт 1
Мпт 1
Модуль управления пожаротушением мпт-1-r3. мпт-1 прот. r3.
Схема электрическая соединений с2000 аспт. мпт-1 рубеж схема подключения. мпт 1 схема расключения. модуль управления пожаротушением мпт-1-r3.
Рм-4к рубеж схема. мпт-1 рубеж схема подключения. рм-1 схема подключения. рм 1 рубеж схема.
Мпт 1
Мпт 1
Мпт 1
Мотовоз мпт-6,3. мпт4-1109. дрезина мпт 6. станция рутченково донецк.
Схема мпт-1 подключения рубеж 20п для газового тушения. рубеж газовое пожаротушение схема. модуль автоматического пожаротушения мпт-1 r1. схема построения порошкового пожаротушения рубеж.
Мпт6 приборы безопасности. мотовоз погрузочно-транспортный мпт-4 схема. приборы безопасности мпт 6.2. кран мотовоз мпт-4 схема.
Тормозная система мотовоза мпт-4. электрическая схема автомотрисы адм 1. схема тормозного оборудования адм мпт 4. кинематическая схема трансмиссии мпт4.
Мпт 1
Мпт 1
Мотовоз мпт-2. мпт-г 001. автомотриса мпт 6. дрезина мпт-г.
Мпт 1
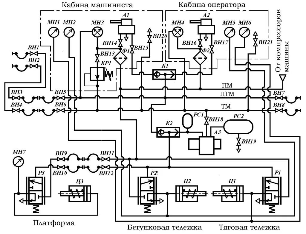
Пневматическая система мпт 4. схема тормозной системы мпт-4. схема тормозной системы путевой машины.
Мпт 1
Контроллер 38 пка 01 для abat. контроллер для мпт 38пка-01 8661184. контроллер 38 пка-01 на пка 6-12п 13п шлейф 800мм. плата к мпт 1700.
Мпт 1
Мотовоз мпт-4. кран мотовоза мпт-4. мпт дрезина. дрезина мпт-4.
Мпт 1
Мпт 1
Мотовоз мпт-6.4. мпт 4 кабина. мпт-1 мотовоз. мпт6.4-482.
Мпт4-1109. мпт4-847. дрезина мпт-4 756. мотовоз 799.
Мотовоз мпт-6 исп.2. кабина мотовоз мпт-6 исп.4. мотовоз мпт-4. кабина мотовоз мпт-6 исп.2.
Машина лесная погрузочно-транспортная belarus мпт- 461.1. мпт 461.1 с манипулятором. лесовоз беларус мпт-461.1. машины мпт-461.1.