Удиви меня
Митсубиси аутлендер не работает стеклоподъемник
Стеклоподъемник для mitsubishi outlander. стеклоподъемник левый передний для митсубиси аутлендер.
Митсубиси аутлендер не работает стеклоподъемник
Митсубиси аутлендер не работает стеклоподъемник
Тросик подъемника стекла outlander 1. трос стеклоподъемника аутлендер 1. ремонт стеклоподъемника митсубиси аутлендер 1. ремонт стеклоподъемника митсубиси аутлендер 1 поколения.
Стеклоподъемник для mitsubishi outlander.
Стеклоподъемник для mitsubishi outlander. митсубиси аутлендер механизм стеклоподъемника. стеклоподъёмник на mitsubishi outlander 2006 год в городе красноярск.
Подсветка блока стеклоподъемников outlander 3. подсветка стеклоподъемников митсубиси аутлендер. кнопки стеклоподъемника аутлендер 3. кнопки стеклоподъемника с подсветкой аутлендер 3 drive2.
Стеклоподъёмник митсубиси аутлендер 1. стеклоподъемник аутлендер 1. стеклоподъемник mitsubishi outlander 1. стеклоподъемник аутлендер 3.
Митсубиси аутлендер не работает стеклоподъемник
Стеклоподъемник mitsubishi outlander 1. стеклоподъёмник митсубиси аутлендер 1. стеклоподъемник аутлендер 1. стеклоподъемник митсубиси аутлендер 1 передний.
Митсубиси аутлендер не работает стеклоподъемник
Перестали работать электростеклоподъемники на аутлендере 3.0. не работает стеклоподъемник митсубиси аутлендер.
Стеклоподъёмник митсубиси аутлендер 1. тросик стеклоподъемника митсубиси аутлендер 1. outlander 2004 стеклоподъемник. стеклоподъемник mitsubishi colt.
Концевик двери митсубиси аутлендер хл где находится.
Ремонт стеклоподъемника аутлендер 3. как обучить стеклоподъемник аутлендер.
Митсубиси аутлендер не работает стеклоподъемник
Блок управления стеклоподъемниками аутлендер 3. блок стеклоподъемников мицубиси аутлендер 3. блок управления стеклоподъемниками 019-0e19. снять блок стеклоподъемников мицубиси аутлендер 06г.
Как обучить стеклоподъемник аутлендер.
Кнопки стеклоподъемника аутлендер 3. подсветка кнопок стеклоподъемников mitsubishi outlander xl. подсветка кнопки стеклоподъемника аутлендер 3. кнопки с подсветкой митсубиси аутлендер xl стеклоподъемников.
Стеклоподъемник для mitsubishi outlander. тросик подъемника стекла outlander 1. крепление стеклоподъемника митсубиси аутлендер. фиксатор тросика стеклоподъемника mitsubishi carisma.
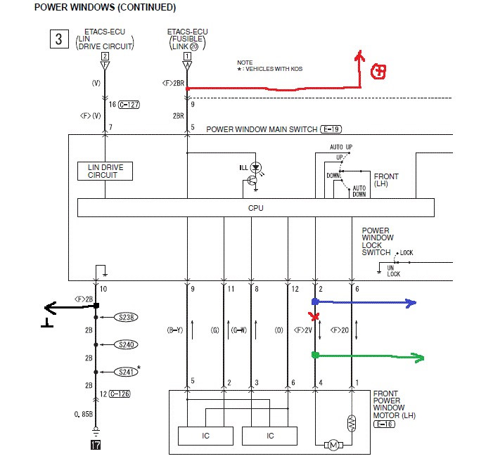
Схема стеклоподъемников митсубиси аутлендер. кнопки стеклоподъемников митсубиси каризма. блок управления стеклоподъемниками митсубиси каризма.
Outlander 3 кнопки стеклоподъемника. кнопки стеклоподъемника 2019 аутлендер 3. кнопки стеклоподъемников мицубиси. кнопки стеклоподъемника аутлендер 3.
Митсубиси аутлендер не работает стеклоподъемник
Фишка разъема блока управления стеклоподъемниками mitsubishi outlander 3. штекер задней двери аутландер1. проводка стеклоподъёмника митсубиси лансер цедия в дввери. разъем на блоке упр вентилятором аутлендер 1 проводами.
Тойота венза 2012 г не работает водительский стеклоподъемник.
Стеклоподъемник для mitsubishi outlander. стеклоподъемник левый передний для митсубиси аутлендер. митсубиси аутлендер 2007 г тяги кулисы кпп. задний датчик уровня высоты с тягой для mitsubishi outlander 3.
Mitsubishi outlander блок кнопок стеклоподъемников. кнопки стеклоподъемника аутлендер 3. outlander 3 кнопки стеклоподъемника. клавиши стеклоподъемники митсубиси аутлендер 3.
Стеклоподъемник для mitsubishi outlander. mitsubishi outlander снять блок кнопок стеклоподъемников. кнопки стеклоподъемника аутлендер 3. кнопка заднего стеклоподъемника в подлокотнике mitsubishi l200 2008 года.
Кнопки стеклоподъемника аутлендер 3. outlander 3 кнопки стеклоподъемника. подсветка кнопки стеклоподъемника аутлендер 3. подсветка кнопок на митсубиси аутлендер-3.
Митсубиси аутлендер не работает стеклоподъемник
Подсветка кнопок стеклоподъемников mitsubishi outlander xl. outlander mitsubishi кнопки стеклоподъемника. подсветка кнопок стеклоподъемников митсубиси аутлендер 3 поколения. блок управления стеклоподъемниками аутлендер 3 подсветка.
Кронштейн рамки номера митсубиси аутлендер. mitsubishi outlander xl cw рулевая колонка в сборе. бугель распредвалов для mitsubishi outlander xl.
Блок управления стеклоподъемниками митсубиси аутлендер 3. аутлендер xl блок управления стеклоподъемниками. стеклоподъемник для mitsubishi outlander. блок управления стеклоподъемниками на двери nissan serena.
Ремкомплект стеклоподъемника митсубиси аутлендер 1. мотор стеклоподъемника outlander 2007. снятие стеклоподъемника аутлендер 1. ремкомплект стеклоподъемника аутлендер 1 поколения.
Митсубиси аутлендер не работает стеклоподъемник
Тросик подъемника стекла outlander 1. ремонт стеклоподъемника митсубиси аутлендер 1.
Кнопки эсп мицубиси лансер 9. подсветка кнопок стеклоподемников паджеро спорт1. кнопки стеклоподъемника 2019 аутлендер 3. разъем блока стеклоподъемников лансер 10.
Стеклоподъемник аутлендер 3. стеклоподъемник для mitsubishi outlander. mr573877.
Блок управления стеклоподъёмниками лансер 10. разъем блока стеклоподъемников лансер 10. разъём блока эсп лансер 9. блок стеклоподъемников старекс.
Outlander mitsubishi кнопки стеклоподъемника. клавиши стеклоподъемники митсубиси аутлендер 3. кнопки mitsubishi outlander 3. mitsubishi outlander блок кнопок стеклоподъемников.