Удиви меня
Метод пгу
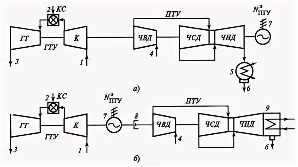
Принципиальная схема парогазовой установки. пгу с высоконапорным парогенератором. парогазовая установка с высоконапорным парогенератором. принципиальная схема пгу тэц.
Prinsipialnaya shema parogazowoy ustanowki s kotlom utilizatorom. принципиальная схема парогазовой установки. принципиальная тепловая схема пгу. принципиальная схема простейшей пгу утилизационного типа.
Метод пгу
Принципиальная схема парогазовой установки. принципиальная схема пгу тэц. парогазовые тепловые электростанции схема. газотурбинная электростанция схема.
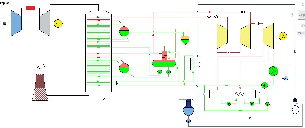
Тепловая схема пгу с котлом-утилизатором. принципиальная тепловая схема пгу с одноконтурным ку. принципиальная схема парогазовой установки.
Принципиальная схема пгу 420. схема работы пгу. принцип работы пгу. пгу принцип работы схема.
Котел утилизатор пгу. схема пгу. цикл пгу с котлом утилизатором.
Цикл пгу. цикл парогазовой установки. кпд пгу. цикл брайтона ренкина для пгу с ку.
Принципиальная схема одновальной пгу. принципиальная схема пгу 420. пгу 325 схема. принципиальная схема пгу тэц.
Парогазовая установка с высоконапорным парогенератором. пгу с высоконапорным парогенератором. схема парогазовой установки. цикл пгу.
Сургутская грэс-2 электрическая схема. пгу-400 яйвинская грэс. схема парогазовой установки. парогазовая электростанция схема.
Пгу камаз 65115 wabco 9700514230. пневмогидроусилитель wabco 9700514230. пгу сцепления евро 4.5. 9700514230 пневмогидроусилитель.
Цикл брайтона ренкина для пгу. цикл пгу. парогазовый цикл. парогазовая установка.
Пгу (пневмогидравлический усилитель) 4190000034. пгу f800 пгу. привод сцепления с пгу. шток пгу hd120.
Принципиальная тепловая схема пгу тэс. парогазовые тепловые электростанции схема. принципиальная схема парогазовой установки. схема пгу тэц.
Принцип работы парогазовой установки на тэц. конструкция и принцип действия пгу. схема парогазовой установки. схема тэц с парогазовой установкой.
Пгу сбросного типа схема. принципиальная схема пгу. пгу сбросного типа. схема сбросной пгу.
Пгу-400 яйвинская грэс. пгу 400 мвт. принцип работы пгу. кпд пгу.
Цикл парогазовой установки пгу. бинарный цикл парогазовой установки. бинарный цикл пгу.
Метод пгу
Принципиальная схема парогазовой установки. парогазовая установка принцип работы схема. пгу с 2 паровыми турбинами. схема тэц с паровой турбиной.
Схема одновальной пгу. принципиальная схема одновальной пгу. пгу 420 схема. схема одновальной гэу.
Схема пгу камаз 5320. пгу камаз 4310. пгу сцепления камаз. пгу камаз 65115 кпп 154 схема.
Тепловая схема пгу 230. технологическая схема тэц с пгу. схема пгу 420 сименс. пгу 450 схема.
Газовая турбина в пгу. газовый котел пгу4. блок пгу. котёл пгу 4.
Пгу 450 сименс. пгу 550 мвт. турбина siemens для перекачки газа. киришская грэс пгу 800.
Пгу. приамурский государственный университет. ми пгу пенза. доклад пгу.
Сцепление автомобиля камаз 5320 пневмогидравлический усилитель. пгу камаз 5320. пгу сцепления камаз 65115. пневмогидравлический усилитель привода сцепления камаз.
Пгу маз ямз 236. пгу маз ямз 238. сцепление маз ямз пгу. клапан пгу маз 5516.
Зажим поддерживающий глухой пгу-2-2.
Пгу камаз 5320. сцепление автомобиля камаз 5320 пневмогидравлический усилитель. схема пгу камаз 5320. привод пгу камаз 43118.
Пгу сцепления камаз 43118. пгу сцепления камаз 65115. пгу камаз 65115 кпп 154 схема. схема пгу камаз 5320.
Энергоблок пгу. парогазовая установка. конденсационная электростанция. пгу 450.
Киришская грэс пгу 800. пгу-800. пгу тэс. пгу электростанция.
Парогазовая установка с высоконапорным парогенератором. схема и цикл парогазовой установки. пгу с низконапорным парогенератором. цикл пгу.
Гурин пгу. пензенский государственный университет гурин.
Эиос пгу. учебная среда пгу. пгу презентации.
Карта пгу. питолин вгту. фэн нгту. еду пгу.
Пгу пенза. эиос пгу. лучшие вузы снг. предпринимательские вузы.
Пгу сцепления dz911223018. dz9112230177. пгу шакман f2000. пгу шакман ф3000.