Удиви меня
Как запустить генератор
Генератор бензиновый matrix 94516. бензиновый генератор matrix 94514. заводка бензинового генератора 5 квт. ручной бензогенератор.
Регулировка бензинового генератора. реле датчика масла бензинового генератора fubag. бензиновый генератор конструкция. генератор для бензогенератора принцип работы.
Электрический запуск генератора. пуск бензогенератора. электрогенератор с запуском. запуск бензогенератора.
Переносные бензиновые генераторы 220 вольт схема. генератор бензиновый 1 квт схема движка. как устроен бензогенератор соединение двигателя с генератором. бензогенератор схема устройства бензинового двигателя 5квт.
Схема подключения бензинового генератора. схема подключения газового котла к генератору. схема подключения газового генератора. схема подключения газового котла к бензогенератору.
Генератор бензиновый угб-5500е. skat угб 5500е. скат угб 950 схема. генератор угб-950.
Как запустить генератор
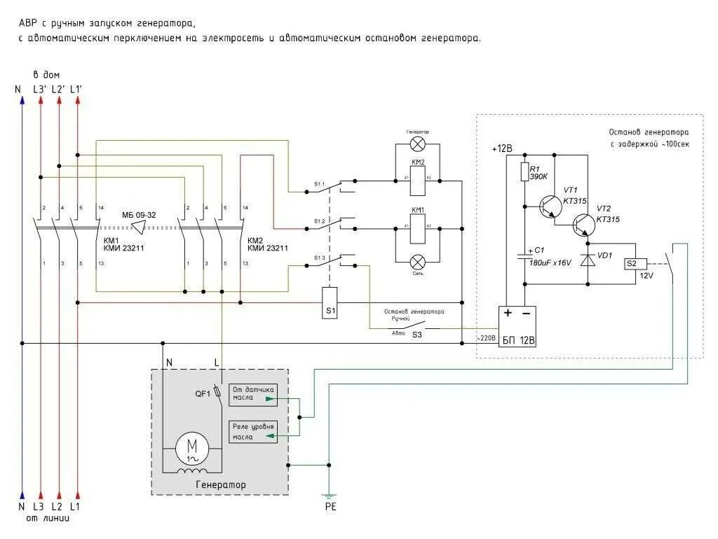
Генератор с автоматическим запуском при отключении электроэнергии. схема подключения генератора при отключении электричества. подключить генератор с авр к сети дома. генератор 3 фазы с автозапуском 8квт.
Газовый генератор 3 квт схема. схема подключения бензогенератора. схема заземления генератора. газовый генератор для дома с автозапуском схема подключения.
Схема подключения газового генератора. монтажная схема газового генератора. схема подключения котла к бензогенератору. схема подключения газового котла к бензогенератору.
Ручной запуск генератора. тип запуска генератора. электрозапуск генератора. набор нагрузки генератора.
Генератор чемпион 3300 схема генератора. генератор чемпион gg7200e характеристики. инструкция по запуску бензинового генератора. инструкция по запуску бензогенератора.
Генератор бензиновый ттх. генератор 3в1 спец 5квт. инверторный дизельный генератор 5 квт. генератор 6500 квт авр.
Datakom dkg 151 схема. datakom dkg 151 запчасти. dkg-105 схема принципиальная. datakom dkg 105 схема подключения к генератору.
Генератор из асинхронного двигателя без переделки. генератор из асинхронного двигателя 220в 2квт. схема переделанного генератора на двигатель. электромотор из автомобильного генератора своими руками схема.
Схема подключения генератора на мотоблок. схема подключения автомобильного генератора на мотоблок. схема подключения генератора на мотоблоке. подключение генератора на мотоблок.
Генератор elemax sh7600ex-rs. генератор бензиновый 7600. генератор elemax sh7600ex схема. elemax sh 4600ex-r.
Контроллер datakom dkg-105 std. контроллер дизель генератора dkg 105. авр для генератора схема подключения трехфазного. схема авр для бензогенератора с автозапуском.
Схема подключения дизель генератора с автозапуском 220в. схема автозапуска генератора 220в. схема включения дизельного генератора при отключении электроэнергии. блок автозапуска генератора схема включения.
Схема включения дизель генератора. электрическая схема бензинового генератора 220 вольт. генератор дизельный 5 квт схема подключения. генератор бензиновый 3 квт схема подключения.
Как запустить генератор
Схема подключения электрогенератора с автозапуском к сети. схема включения для бензогенератора. схема подключения генератора с авр к сети. авр для генератора с автозапуском 380 схема подключения.
Как запустить генератор
Автоматический регулятор напряжения avr для генератора схема. бензогенератор 6.5 квт схема генератора 220в. генератор бензиновый 3 квт схема подключения. схема бензинового китайского генератора 6 квт.
Генератор бензиновый вид снизу. генератор патриот 0.8 квт. генератор бензиновый 3 квт объем масла в двигателе. бензиновый генератор 3 квт технические характеристики.
Схема бензогенератора авр 380в. схема подключения резервного генератора 380в. модуль автозапуска генератора dkg-105. схема авр для генератора с автозапуском 380.
Трехфазный мультивибратор на полевых транзисторах. схема многофазного мультивибратора. трёхфазный мультивибратор электродвигателей схема. трехфазный генератор на транзисторах схема.
Схема бензогенератора авр 380в. схема подключения авр к генератору 220в. схема авр для генератора с автозапуском на 220в. запуск генератора при отключении электричества схема.
Схема автоматическое включение генератора. автоматический запуск генератора при отключении электричества схема. схема подключения электрогенератора с автозапуском. схема автоматического переключателя для генератора.
Схема бестопливного генератора электроэнергии. схема генератора 220в. схема бестопливного генератора для автономного электроснабжения. бестопливный генератор 220в.
Бензиновый генератор зубр зэсб-4500-эна. бензиновый генератор зубр зэсб-6200. бензогенератор matrix 94506. бензиновый генератор с электростартером, 6200 вт, зубр.
Схема аварийного включения бензогенератора. схема включения трехфазного бензогенератора авр. автоматика авр для генераторов схема подключения. генератор дизельный 5 квт схема подключения.
Схема включения бензогенератора с автозапуском. схема подключения дизель генератора с автозапуском 220в. схема включения трехфазного бензогенератора авр. схема автозапуска генератора 220в.
Перекидной рубильник для генератора схема. схема подключения генератора через трехпозиционный переключатель. реверсивный рубильник для генератора схема подключения. схема подключения бензогенератора к домашней сети 380.
Схема подключения авр к генератору с автозапуском. схема включения трехфазного бензогенератора авр. схема подключения генератора к блоку автоматики. схема авр для генератора с автозапуском.
Подключение авр к генератору с автозапуском схема подключения 220в. схема включения резервного дизель генератора. схема подключения резервного генератора 380в. схема включения дизельного генератора при отключении электроэнергии.
Схема инверторного бензогенератора. схема бензинового генератора 220в. схема генератора бензогенератора 220в. схема генератора 220в 5квт.
Схема подключения газового котла к генератору. схема заземления бензинового генератора. бензогенератор однофазный схема подключения. схема подключения заземления газового котла.
Генератор высокого напряжения из строчника схема. схемы генератора высокого напряжения из тдкс. схема озонатора воздуха из тдкс. генератор на 555 для проверки катушек зажигания.
Как запустить генератор