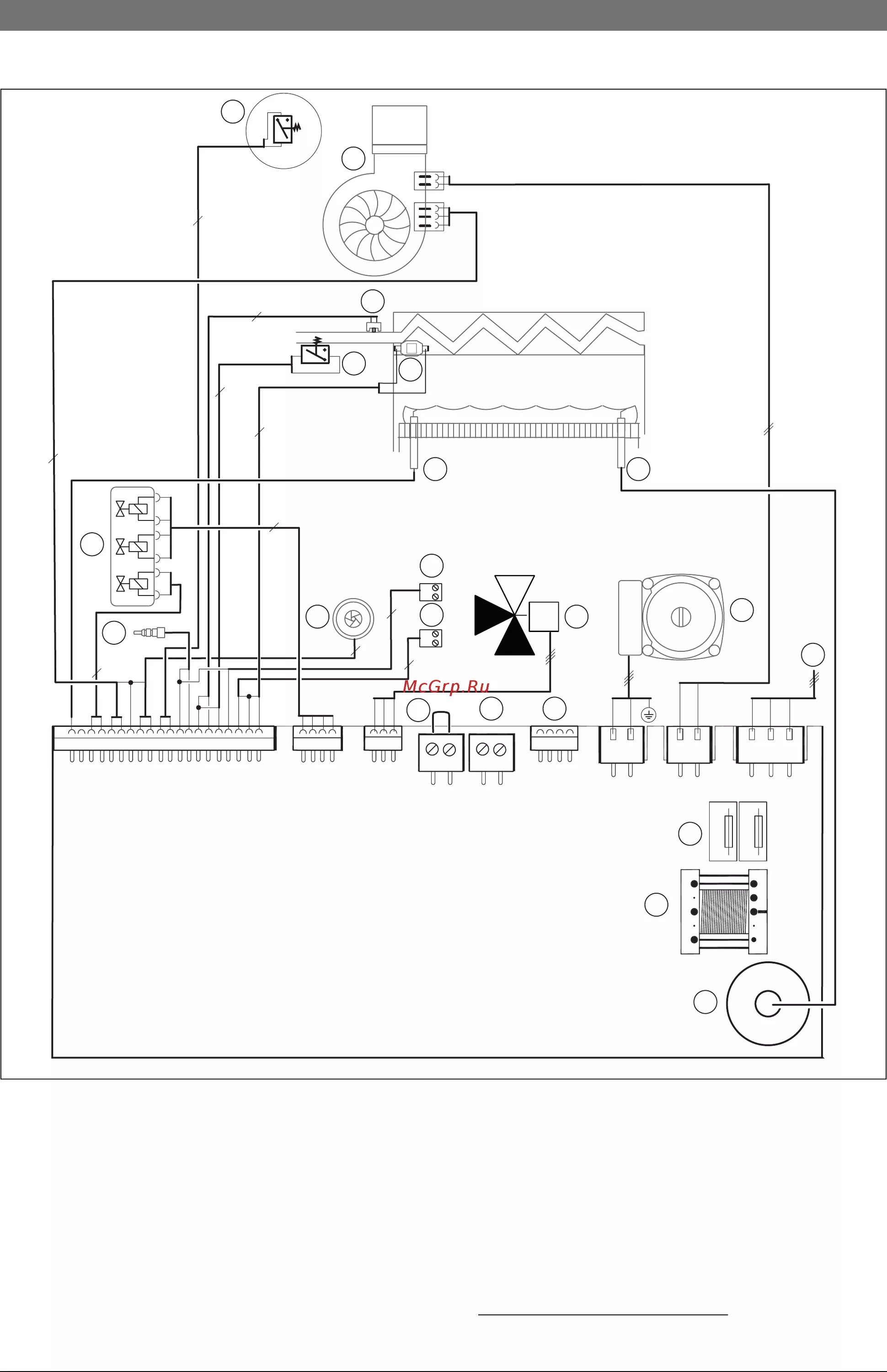
Bosch gaz 6000w панель. котёл бош 6000 w. котел газовый настенный bosch wbn6000 - 24c. котел бош 6000 панель управления.Как включить котел бош 6000Бош 6000 газовый котел. термостат бош для газового котла газ 6000. газового котла бош 6000 меню сервисное. меню газового котла бош 6000.Котёл бош 6000 w. пульт котла бош. кнопки котла бош 6000. поднять давление котел bosch.Котел bosch gaz 6000 w. котёл газовый двухконтурный настенный бош 6000 18 квт. котел газовый настенный bosch wbn6000 - 24c. котел бош 6000 панель управления.Бош гас 6000. котёл бош 6000 w. газовый котёл bosch gaz 6000w сервисное меню. меню газового котла бош 6000.Газовый котёл бош двухконтурный настенный. подпитка котла бош газ 6000.Бош 6000 газовый котел. управление котлом bosch 6000 через wifi.Котел bosch 6000. bosch 6000 18. котел бош газ 2000 первый пуск. котел газовый настенный bosch wbn6000 - 24c.Бош 6000 ошибка еа. отключился котел dgb-160msc. воздушный клапан котла bosch 6000. заземления газового котла bosch 6000.Как включить котел бош 6000Котёл бош 6000 w. подпитать котел gaz 6000. регулятор для котла бош газ 6000 cr10.Газовый котел бош 6000 ошибка с 4. подпитка котла бош газ 6000. ошибка с6 на котле бош.Бош 6000. 24 kw bosch class 6000. котёл бош 6000 что внутри. экраны в котел bosch 6000.Котел bosch gaz 6000 w. бош 6000 газовый котел. терморегулятор для котла отопления бош 6000.Котел газовый bosch wbn6000-24c rn s5700 двухконтурный. газовый котел bosch wbn 6000-24 c rn s 5700. bosch wbn6000-24h. котёл газовый двухконтурный бош 6000.Котел bosch 2000w. бош 2000 котел. подпитать котел gaz 6000. gaz 2000 w bosch инструкция.Бош газ 6000 панель управления. котёл газовый бош газ 6000. bosch gaz 6000 панель управления. котел bosch gaz 6000 панель управления.Bosh gaz 6000 w. термостат бош для газового котла газ 6000. термостат для котла bosch gaz 6000.Термостат для котла bosch gaz 6000. бош 6000 газовый котел. термостат бош для газового котла газ 6000.Бош 6000 газовый котел ошибка еа. регулятор для котла бош газ 6000 cr10. газовый котел бош 6000 ошибка се. ошибка ea на котле bosch 6000.Котел bosch gaz 6000 w. котел газовый bosch gaz 6000 w wbn6000-24c (24 квт). bosch 6000w. bosch gaz 6000 w wbn 6000- 12 c, двухконтурный.Бош газ 6000. бош 6000 газовый котел. bosch gaz 6000 w. автоматика для газового котла бош 6000.Ошибка ea на котле bosch 6000. ошибка газового котла бош еа. бош 6000 газовый котел. кнопки управления котла бош 6000.Котёл газовый двухконтурный настенный бош 6000. котел газовый настенный bosch wbn6000 - 24c. котёл газовый двухконтурный бош 5700. bosch gaz 6000 панель управления.Газовый котел bosch 6000. бош газ 6000 w. котел gaz 6000 w. газовый котел бош 6000 24 квт.Как включить котел бош 6000Бош 6000 газовый котел. котел газовый настенный bosch wbn6000 - 24c. bosch condens 2500 w wbc. bosch condens 2500 w wbc 28-1c.Плата управления бош 6000. котел бош 6000 панель управления. заземления газового котла bosch 6000. котёл бош 6000 w.Котел бош 6000. настройка котла бош 6000. электрод бош 6000. бош 6000 газовый котел настройки.Как включить котел бош 6000Как включить котел бош 6000Котёл бош 6000 w. настройка котла бош 6000. настройка мощности котла bosch 6000. подключение термостата к газовому котлу бош 6000.Кнопка включения котла bosch. газовый котёл бош pre ошибка.Плата котла бош 6000. плата управления бош 6000. бош газ 6000 18 квт. котел бош 6000 панель управления.Котел бош схема подключения труб отопления. котёл бош 6000 выпуски труб. чертеж снизу. котел бош панель управления.Газовый котел бош. старые котлы бош. напольный котел бош.Котел бош 6000 панель управления. воздушный клапан котла bosch 6000. котёл бош 6000 выпуски труб. котёл бош 6000 вид снизу.Бош 6000 газовый котел. газовый котел бош газ 3000. bosch gaz 6000 w плата управления. котел bosch gaz 6000 панель управления.Как включить котел бош 6000Как включить котел бош 6000Как включить котел бош 6000Как включить котел бош 6000Газовый котел bosch gaz 6000. настенный газовый котел gaz 6000 w, bosch. ибп для газового котла bosch gaz 6000.Котёл газовый бош газ 6000 24 квт конструкция. котёл газовый бош газ 6000 24 квт потребления электричество. котел бош газ 6000 24 квт двухконтурный.Бош 6000 газовый котел. котел газовый настенный bosch wbn6000 - 24c. bosch gaz 6000 w. одноконтурный котел бош 6000.Заземления газового котла bosch 6000. бош 6000 ошибка еа. фильтры на газовом котле бош 6000. воздушный клапан котла bosch 6000.Как включить котел бош 6000Заземления газового котла bosch 6000. воздушный клапан котла bosch 6000. бош 6000 инструкция. напольный котел бош.Как включить котел бош 6000Как включить котел бош 6000Ключ котел бош 6000. газовый котёл bosch 6000 вид сверху. котёл бош 6000 вид сверху. кабельный жгут для котла бош 6000.Бош 6000 газовый котел. бош 6000 инструкция. инструкция котел bosch 6000. газовый котёл бош 6000 инструкция по эксплуатации.Бош 6000 газовый инструкция. инструкция подключения газового котла бош 6000. бош газ 6000 инструкция. бош 6000 инструкция по эксплуатации.Бош 6000 газовый котел. котёл бош 24 квт двухконтурный настенный инструкция. конвекционный газовый котел bosch gaz 6000 w wbn 6000-24 с, двухконтурный. схема котла bosch gaz 6000.Датчики котла бош. автоматика для газового котла бош 6000. котел bosch wbn2000 индикатор давления газа.Как включить котел бош 6000Бош 6000 газовый котел настройки.Bosch wbn6000 28c. котёл бош 6000 w. котёл бош 6000 режим обезвоздушивания. ошибка на газовом котле bosch c6.Как включить котел бош 6000Бош 6000 газовый котел. бош газ 6000 сервисное меню. газового котла бош 6000 меню сервисное. фильтр котла бош 6000.Бош 6000 газовый котел. коды ошибок котел bosch 6000. ошибки котла бош 6000. ошибка газового котла бош 6000.Бош 6000 газовый ошибка ea. ошибка ea на котле bosch 6000. котел бош 6000 панель управления. кнопки управления котла бош 6000.Котёл бош 6000 w. бош 6000 инструкция по эксплуатации. wbn 6000-24 hr n. бош 6000 памятка.Bosch 6000w. котёл бош 6000 w. bosch gaz 6000 w wbn 6000-12 с.Котел bosch 6000. газовый отопительный котел bosch gaz 6000 w. одноконтурный котел bosch 6000. одноконтурный котел бош 6000 настенный.Бош 6000 газовый котел. бош 6000 газовый котел ошибка еа. ошибка ea на котле bosch 6000. газовый котел bosch газ 6000 ошибки.87186445590 гидроарматура гвс bosch. бош 6000 газовый котел настройки.Котел bosch 6000 с6. термостат бош для газового котла газ 6000. газовый котел бош 6000 ошибка с 4.Бош 6000 газовый котел. газовый котел bosch газ 6000 ошибки. bosch gaz 6000 w. bosch gaz 6000 шильдик.Котёл бош 6000 w. газовый котел бош 6000 ошибка се. ошибки котла bosch. ошибка газового котла бош 6000.Бош 6000 газовый котел ошибка еа. котёл газовый бош газ 6000 ошибки. котел бош 6000 ошибка er. ошибка газового котла бош 6000.Как включить котел бош 6000Котел bosch gaz 6000. котёл газовый двухконтурный бош 6000. газовый котёл bosch gaz 6000w 24h. двухконтурный газовый котел bosch 24 c.Котёл бош 6000 w. бош 6000 газовый котел. ошибка газового котла бош 6000. котел газовый bosch 3000 с6 ошибка.Bosch 6000. бош газ 6000.Как уменьшить мощность газового котла. сервисное меню котла бош газ 6000. газового котла бош 6000 меню сервисное. ошибки котла bosch.Bosch 6000 котел монтаж. фильтр котла бош 6000. датчик ионизации газового котла. подключение котла бош 6000.