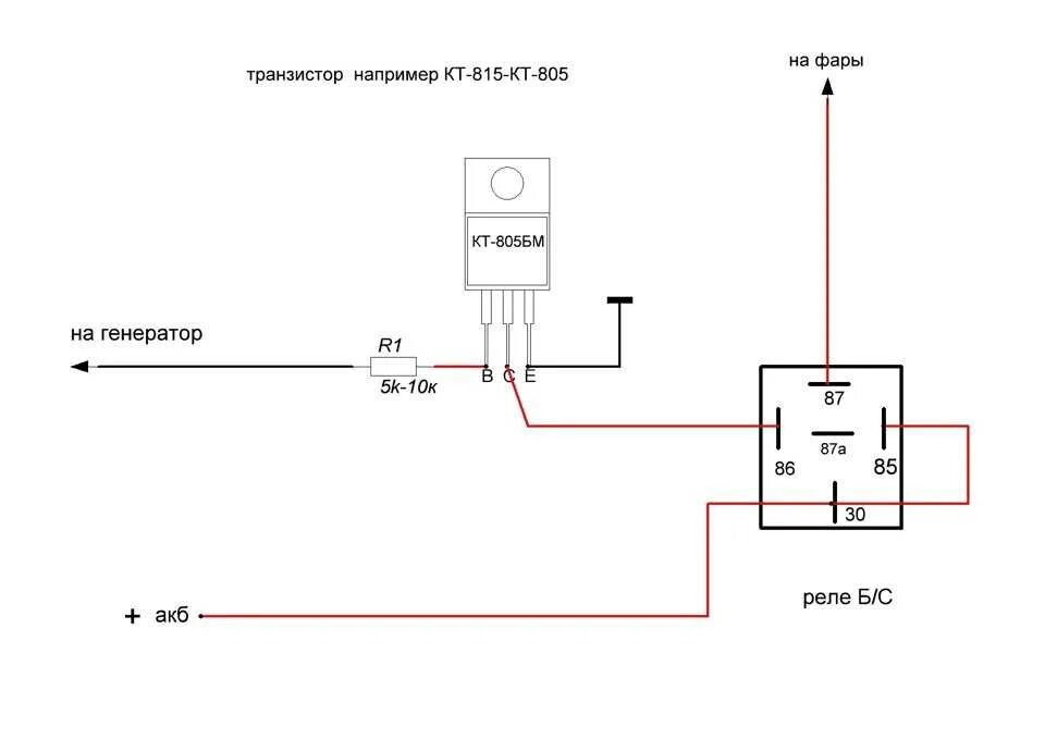
Возбуждение генератора через реле 4 контактное. автосвет ваз. автосвет на калину через генератор. автосвет на ваз 2107 своими руками.Схема подключения реле автосвета. схема подключение автосвета приора 1. htkt drk.xtybz ghjnbdjnevfyys[ afh gfnhbjn 2025. автосвет фар схема подключения.Схема подключения автосвета. схема автосвета своими руками. автосвет на авто своими руками. подключить автосвет своими руками.Как сделать автосветСхема автосвета своими руками. автосвет на классику схема. как подключить автосвет. автосвет toyota.Как сделать автосветКак сделать автосветРеле автосвета на калину 1 рассвет. калина реле автосвета. реле автосвет калина 1. датчик света на калину 1.Реле автосвета приора 2. схема подключение автосвета приора 1. автосвет схема подключения через реле. схема реле автосвет.Как сделать автосветАвтосвет через реле 5 контактное. схема автосвет на ваз 2110. схема реле автосвет. реле автосвета своими руками.Подключить автосвет своими руками. блок автоматическое включение света авто. контроллер автосвет мини. автоматическое включение света в авто, 132.Как сделать автосветАвтосвет своими руками. как подключить автосвет. автосвет на авто своими руками. автосвет своими руками на ваз.Автосвет toyota. тойота кнопка автосвет. автосвет генератора.Схема подключения реле автосвета. автосвет на ваз схема. схему подключения автосвет на машину. подключение автомобильного света.Как сделать автосветКак сделать автосветКак сделать автосветКак сделать автосветКак сделать автосветАвтосвет через реле схема. схема подключения реле автосвета. автосвет схема подключения через реле. схема автоматического включения света (автосвет).Как сделать автосветКнопка автосвет. держатель для кнопки для автосвета. кронштейн для кнопки для автосвета.Автосвет реле 719.3777. 719.3777-05 реле автоматического включения света. реле автоматического включения света 719.3777. реле автосвета 719.3777–08.Как сделать автосветСхема включения ближнего света при запуске двигателя. схема автоматического включения света (автосвет). схема автоматического подключения ближнего света фар. схема автоматического включения ближнего света фар после запуска.Как сделать автосветАвтосвет своими руками. автосвет на авто своими руками. фокус 3 режим автосвет своими руками. как сделать автосвет на мазда 5 2011.Схема подключения автосвета. автосвет датчик движения. схема автосвета своими руками. контроллер автосвет мини.Реле "автосвет-1". toyota контроллер автоматического включения света. подключить автосвет своими руками. датчик автоматического включения освещения короллы.Как сделать автосветКак сделать автосвет2 провода центрального замка для сигнализации тойота карина т 210 1996г. фишка на камеру заднего хода toyota 3d печать. тойота кнопка автосвет. carina 211 датчик автосвета.Как сделать автосветКонтроллер автосвет мини. контроллер дхо drl 2 controller. контроллер дхо 12v. дхо на приору 1 в дальний контроллер.Модуль автосвета нива шевроле. блок автосвета шевроле нива. 2105 кнопка автосвета. реле автосвета шевроле нива.Автосвет тойота авенсис. отключение автосвета тойота селика. отключение автосвета тойота раум. автосвет в салоне тойота.Как сделать автосветСхема автоматическое включение ходовых огней света. схема автосвета от датчика давления масла. схема автоматического подключения ближнего света фар. включение ближнего света при запуске двигателя.