Как правильно подключить питание к материнской плате
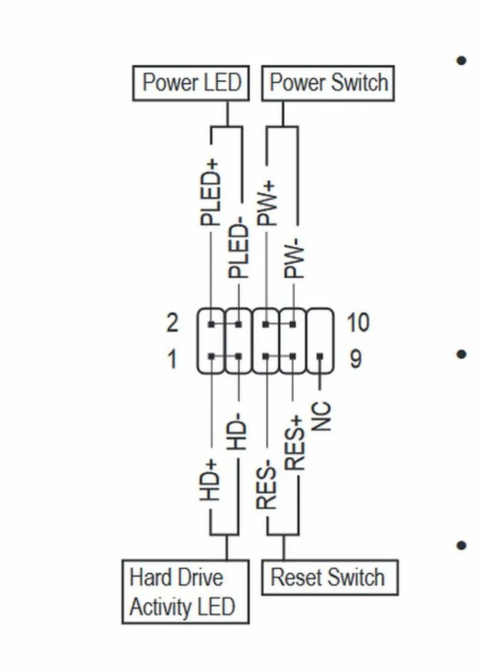
Как правильно подключить питание к материнской платеСхема подключения кнопки питания к материнской плате. схема подключения кабелей к материнской плате. подключить провода к материнской плате asus кнопки включения. подключить кнопку включения к материнской плате asrock.Схема подключения материнской платы asus к питанию. схема подключения передней панели к материнской плате asus. схема подключения кнопки включения компьютера к материнской плате. схема подключения кабелей к материнской плате gigabyte.F panel на материнской плате gigabyte. asus q connector power sw. подключить материнскую плату гигабайт к передней панели. фронтальная панель материнской платы gigabyte.Подключение проводов включения к материнской плате схема. схема подключения на материнской плате кнопки включения. как подключить кнопку включения к материнской плате схема. схема подключения контактов передней панели к материнской плате.Провода системного блока к материнке. кабель портов к мат плате asus. как подключается кнопка питания к материнской плате. подключить провода к материнской плате для включения пк.Подсоединение проводов к материнской плате мси. провода hdd led power sw msi. подключить кнопки материнской плате асус. подключить провода к материнской плате интел.Провода передней панели к материнской плате gigabyte. разъемы f panel материнской платы gigabyte. фронтальная панель материнской платы b750m. подключить блок питания к материнскойтплвте гигабайт.Схема подключения блока питания к материнской плате asus. порядок подключения проводов к материнской плате компьютера. схема подключения материнской платы к системному блоку. схема подключения проводов от блока питания к материнской плате.Схема подключения проводов к материнской плате на пк. разъемы для передней панели материнской платы msi. схема подключения проводов к материнской плате компьютера. подключение разъемов передней панели компьютера к материнской плате.Разъемы для передней панели материнской платы msi. кнопки передней панели материнская плата asus. материнская плата asus разъем f panel. как подключить panel на материнской плате asus.Как правильно подключить питание к материнской платеAsus 1155 f panel. материнская плата asus m3a78 f panel. f panel 1 на материнской плате. f panel gigabyte motherboard.Схема подключения материнской платы asus b450. схема подключения передней панели к материнской плате asus. схема подключения панели пк к материнской плате asus. подключить провода к материнской плате asus.Схема подключения кнопок корпуса к материнской плате msi. как подключить провода передней панели к материнской плате asus. схема подключения разъемов передней панели к материнской плате gigabyte. как подключить к материнской плате провода передней панели.Разъем power sw на материнской плате. провода hdd led power sw. материнка асус hdd_led. reset sw power sw h.d.d led.Схема подключения кабелей к материнской плате. схема подключения кнопки включения на пк к материнской плате. подключить кнопку включения к материнской плате gigabyte. подключение кнопок передней панели к материнской плате схема.Подключить провода передней панели к материнской плате. схема подключения передней панели к материнской плате asus. схема подключения передней панели к материнской плате asrock. схема подключения разъемов передней панели к материнской плате gigabyte.Провода usb передней панели к материнской плате gigabyte. материнская плата gigabyte подключение проводов. подключение бп к материнке схема. схема подключения проводов к материнской плате gigabyte.Материнская плата msi power sw. как подключить провода power sw к материнской плате. разъем power led power sw. материнская плата гигабайт шнур power sw.Схема подключения блока питания компьютера к материнской плате. распиновка кнопок питания материнской платы. схема подключения кнопки включения компьютера к материнской. распиновка подключения кнопки включения материнской платы.Распиновка на материнской плате для подключения кнопок. подключить провода к материнской плате для включения пк. схема подключения кнопки включения компьютера к материнской gigabyte. как подключить провода кнопки включения к материнской плате.Схема подключения кнопки включения компьютера к материнской. схема подключения кнопки включения на пк к материнской плате. схема подключения материнской платы к кнопкам. как подключить кнопку включения пк к материнской плате.Как правильно подключить питание к материнской платеПровода reset sw power sw hdd led. передняя панель корпуса к материнской плате asus. материнская плата asus power sw. провода hdd led power sw.Как правильно подключить питание к материнской платеПодключить провода к материнской плате для включения пк. как подключить кнопку включения к плате. схема подключения проводов от блока питания к материнской плате. как правильно подключить кнопку включения к материнской плате.Power sw asrock 550. кнопка включения на материнской плате asus. провода передней панели к материнской плате. кнопка включения системного блока подключить на материнскую плату.Провода для включения компьютера на материнской плате. подключение кнопок передней панели к материнской плате. как подключить провода включения компьютера к материнской плате. как подключить переднюю панель системного блока к материнской плате.Провода usb передней панели к материнской плате gigabyte. power sw reset sw hdd led power led 4 разъема. power sw материнская плата гигабайт. коннекторы передней панели на материнской плате asus.Как правильно подключить питание к материнской платеРазъемы для передней панели материнской платы msi. соединение передней панели к материнской плате асус. кнопки передней панели материнская плата asus. 20 пин разъем для передней панели на материнской плате asus.Как правильно подключить питание к материнской платеСхема подключения кнопки пуск к материнской плате asus. схема подключения кнопки питания к материнке. схема подключения кнопок к материнской плате asus. как подключить кнопку power к материнской плате asus.Провода системного блока к материнке. подсоединить провода к материнской плате. шлейфы на материнской плате asus 2001. подключение к материнской плате проводов включения.Как подключить кнопку включения пк к материнской плате. схема подключения кнопки включения пк. как подключить материнскую плату к кнопке включения. как подключить кнопку включения к материнской плате схема.Схема подключения передней панели к материнской плате asus. схема подключения проводов от блока питания к материнской плате.Как правильно подключить питание к материнской платеКак правильно подключить питание к материнской платеКак правильно подключить питание к материнской платеQ коннектор для материнской платы asus. разъём включения на мат плате. провода к асус материнской платы. asus мат плата разъем для power.P4p800 f panel. материнской платы p4i65g. материнка panel1. подключаем блок питания к материнской плате гигабайт.Как подключить системный блок к материнской плате. кабель портов к мат плате asus. как подключить провода включения компьютера к материнской плате. провода системного блока к материнской плате msi z590.Подключить блок питания к материнской плате asus. подключение проводов блока питания к материнской плате. подключить провода к материнской плате интел. подключаем блок питания к материнской плате msi.Как подключить f panel материнскую плату. распиновка фронтальной панели материнской платы. схема подключения передней панели к материнской плате. фронтальная панель материнской платы gigabyte.Как правильно подключить питание к материнской платеФронтальная панель материнской платы e210882. провода передней панели к материнской плате. подключение материнской платы к передней панели корпуса. подключить провода передней панели к материнской плате.Как правильно подключить питание к материнской платеAsrock h61m-s power sw. gigabyte материнская плата провода передней панели. как подключить провода включения компьютера к материнской плате. провода передней панели к материнской плате полярность.Как подключить корпус к мат плате msi. схема подключения фронтальной панели к материнской плате. схема подключения передней панели к материнской плате asrock. провода usb передней панели к материнской плате gigabyte.Блоки питания разъемы для материнки. подключить блок к материнке. разъем подключения блока питания к материнской плате. доп питание материнской платы.Как правильно подключить питание к материнской платеРаспиновка материнской платы jfp1. msi n1996 разъём передней панели. msi n1996 материнская плата подключение передней панели. подключение передней панели jfp1.Фронтальная панель материнской платы b750m. фронтальная панель материнской платы gigabyte. материнка panel1. подключить провода передней панели к материнской плате.Подключение hdd sata 3 к материнской плате. жесткий диск для материнки. кабели корпуса к мат плате. ssd диск в материнской плате.Схема подключения разъемов передней панели к материнской плате. подключение материнской платы асус к передней панели. подключить переднюю панель к материнской плате asus. схема подключения передней панели к материнской плате asus.Как правильно подключить питание к материнской платеHdd led power sw reset. схема подключения проводов корпуса к материнской плате. power sw на материнской плате asus. материнская плата asus power sw.Как правильно подключить питание к материнской платеРазъемы для передней панели материнской платы msi. материнская плата распиновка кнопок. как подключить кнопку включения к материнской плате.Подключить провода к материнской плате для включения пк. материнская плата asus power sw. как подключить кнопку питания на пк к материнской плате. кнопка включения компьютера на материнской плате как подключить.Распиновка подключение передней панели пк. распиновка подключения передней панели к материнской плате. маркировка пинов для подключения передней панели. как подключить переднюю панель в компе.Как правильно подключить питание к материнской платеМатеринская плата asus power sw. разъемы передней панели материнской плате biostar h61mh. схема подключения проводов power sw. правильно подключить провода включения питания на материнскую плату.Подключить передние юсб к материнской плате. подключить разъем юсб на материнской плате. подключить на компьютере усб к материнской плате. подключить панель к материнской юсб.Как правильно подключить питание к материнской платеPower sw asrock 550. как подключить провода системного блока к материнской плате. как подключить провода питания к материнке asus. переходник p1 подключения материнской платы.Схема подключения передней панели материнской платы асус. схема подключения передней панели к материнской плате asus. схема подключения к материнской плате асус. схема подключения панели к материнской плате асус.Как правильно подключить питание к материнской платеМатеринская плата msi power sw. power sw материнская плата hp 600. разъемы для передней панели материнской платы asus. power sw asus.Схема подключения проводов передней панели к материнской msi n1196. распиновка материнской платы msi n1996. схема подключения передней панели к материнской плате gigabyte h410. рупор-300 схема подключения передней панели к материнской плате.Подключение передней панели к материнской плате. подключение кнопок передней панели к материнской плате. схема подключения проводов power sw. схема подключения кнопки power к материнской плате.Кнопка включения системного блока подключить на материнскую. подключить провода к материнской плате для включения пк. провода системного блока к материнке. подключить системные провода к материнской плате.Как правильно подключить питание к материнской платеКак правильно подключить питание к материнской платеКак правильно подключить питание к материнской платеПередняя панель пк asrock. подключить передняя панель пк asrock. кнопка power к материнской плате asrock. материнская плата asrock подключение.Подключить провода к материнской плате для включения пк. как подключить системный блок к материнской плате. подключение кнопки питания пк к материнской плате. как подключить провода системного блока к материнской плате.