Удиви меня
Как подключить бензонасос
Схема подключения реле топливного насоса газель. схема реле бензонасоса газель. схема подключить бензонасос ваз 21 10. схема подключения бензонасоса ваз 21 10.
Схема подключения реле ваз топливного насоса. реле схема подключения электробензонасоса. схема подключения топливного насоса через реле. схема реле бензонасоса ваз 2107.
Схема подключения электробензонасоса низкого давления. схема подключения электронасоса низкого давления. схема подключения бензонасоса низкого давления. схема подключения электрического топливного насоса низкого давления.
Схема подключения электрического топливного насоса низкого давления. схема подключения электрического бензонасоса. электробензонасос низкого давления ваз схема подключения. схема подключения электро бензонасос ваз.
Реле электробензонасоса ваз 2110. реле на топливный насос ваз схема. схема подключения бензонасоса уаз хантер. схема подключения реле бензонасоса уаз.
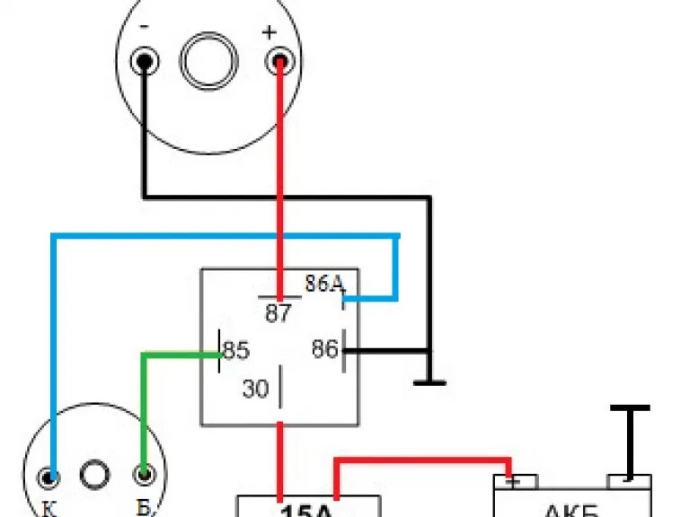
Выносной топливный насос схема подключения. схема включения бензонасоса. схема подключения бензонасоса. схема включения топливного насоса.
Схема подключения топливного насоса ваз 2109 инжектор. схема подключения реле ваз топливного насоса. схема включения бензонасоса газель 405. схема реле топливного насоса газель 405.
Схема подключения бензонасоса низкого давления. схема подключения топливного насоса низкого давления на карбюратор. схема подключения электробензонасоса на карбюраторную машину. схема подключения электробензонасоса низкого давления.
Схема электропитания бензонасоса ваз 2110. схема проводки бензонасоса 2114. схема подключения топливного насоса ваз 2114. схема подключения бензонасоса ваз 2112.
Схема включения реле бензонасоса. схема подключения реле топливного насоса. схема подключения реле топливного насоса газель. схема подключения реле бензонасоса.
Схема подключения реле ваз топливного насоса. схема подключения бензонасоса ваз. реле схема подключения электробензонасоса. схема подключения электробензонасоса через 4 контактное реле.
Схема реле топливного насоса газель 405. схема реле бензонасоса газель 405. реле топливного насоса газель 405 евро 3. схема проводки бензонасоса газель 405.
Схема подключения топливного насоса ваз 2107. топливный насос ваз 2107 электрический. схема подключения реле ваз топливного насоса. схема включения бензонасоса ваз 2107 инжектор.
Схема реле бензонасоса ваз 21 10. схема реле бензонасоса ваз 2110. схема проводки бензонасоса ваз 2110. схема проводов бензонасоса ваз 2110.
Схема подключения электрического бензонасоса. схема подключения электробензонасоса на ваз карбюратор. схема подключения электробензонасоса ваз 2107. схема подключения эбн на карбюратор.
Реле схема подключения электробензонасоса. схема подключения электробензонасоса низкого давления. схема подключения электрического бензонасоса. схема подключения реле ваз топливного насоса.
Схема подключения электрического насоса низкого давления. схема подключения электронасоса низкого давления. электрическая схема подключения электробензонасоса. схема подключения электрического бензонасоса.
Схема подключения дополнительного топливного насоса. реле для отключения бензонасоса на гбо 4 поколения. схема подключения дополнительного насоса через реле. схема включения реле бензонасоса.
Реле на топливный насос ваз схема. реле бензонасоса 5 контактное. реле 4 контактное 12в chevrolet lanos. реле бензонасоса ваз 2109 схема.
Схема подключения бензонасоса низкого давления. схема подключения топливного насоса ваз 2109 инжектор. схема установки электробензонасоса на карбюраторный двигатель. подключить электробензонасос ваз 2109 инжектор.
Схема подключения топливного насоса. схема подключения реле бензонасоса уаз. электрический бензонасос на уаз карбюратор. схема подключения электрического бензонасоса.
Электробензонасос низкого давления на ваз 2108 карбюратор. ваз 2108 электронный насос. схема подключения электрического топливного насоса низкого давления. схема подключения электрического насоса низкого давления.
Схема подключения реле ваз топливного насоса. схема подключения реле топливного насоса. схема реле топливного насоса газель 405. схема включения реле бензонасоса.
Реле топливного насоса шевроле ланос. мазда 626 gd бензонасос. провода бензонасоса шевроле ланос. реле бензонасоса ваз 2106.
Реле топливный насос опель вектра схема 1994 г. схема подключения бензонасоса. схема включения реле бензонасоса. реле электробензонасос 2115.
Схема подключения топливного насоса газель инжектор. схема подключения электрического насоса низкого давления. эл.схема эл.бензонасоса газель. схема подключения топливного насоса низкого давления на карбюратор.
Схема подключения бензонасоса через реле ваз. схема подключения дополнительного топливного насоса. схема подключения реле ваз топливного насоса. схема подключения электробензонасоса низкого давления.
Схема установки электробензонасоса на карбюраторный двигатель. схема подключения электрического насоса низкого давления. электробензонасос низкого давления ваз схема подключения. схема подключения бензонасоса.
Схема подключения электробензонасоса. схема подключения электрического насоса низкого давления. схема подключения электрического топливного насоса низкого давления. схема подключения топливного насоса на карбюратор.
Схема подключения насоса низкого давления через реле. топливный насос электро ваз. электробензонасос низкого давления на ваз 2108 карбюратор. установка электробензонасоса схема.
Разъем бензонасоса приора 16 клапанов. штекер бензонасоса приора.
Схема подключения бензонасоса 2jz-ge. схема подключения реле топливного насоса тойота. схема включения бензонасоса 2jz-ge. схема подключения катушки зажигания 2 jz.
Реле для отключения бензонасоса на гбо 4 поколения. гбо 4 поколения отключение бензонасоса. реле на гбо для отключения бензонасоса схема. схема проводки бензонасоса подключения газель.
Схема реле на топливный насос на ваз 2112. реле насоса ваз 2110 схема. схема электропитания бензонасоса ваз 2110. реле электробензонасоса ваз 2110.
Шланг бензонасоса приора 16. корпус бензонасоса ваз 2110 фишка. бензонасос ваз приора 16 трубки. ваз 2110 бензонасос 3 провода.
Схема электропитания бензонасоса приора. схема включения бензонасоса. схема подключения бензонасоса. схема подключения реле ваз топливного насоса.
Схема подключения бензонасоса ваз 2106 карбюратор. схема подключения электро бензонасос ваз. схема подключения топливного насоса на карбюратор. схема установки электрического бензонасоса низкого давления.
Схема установки электробензонасоса на карбюраторный двигатель. схема установки электрического бензонасоса низкого давления. схема подключения электробензонасоса ваз 2107 инжектор. схема установки электробензонасоса низкого давления.
Схема подключения бензонасоса ваз 2114. схема подключения реле бензонасоса ваз. схема подключения бензонасоса ваз 2110. схема реле бензонасоса ваз.
Ваз 2114 жгут проводов на бензонасос. жгут проводки бензонасоса ваз 2114. разъем бензонасоса ваз 2104. реле бензонасоса нива 2131.