Удиви меня
Грм сузуки sx4
Грм сузуки sx4
Грм сузуки витара 1.6. сузуки sx4 метки цепи грм.
Цепь грм сузуки гранд витара 2.0. сузуки гранд витара 2.0 привод грм. метки грм сузуки гранд витара 2.0 бензин. метки грм сузуки гранд витара 2.0.
Метки грм сузуки sx4 1.6 цепи. грм сузуки витара 1.6. метки грм сузуки m16a.
Грм сузуки sx4
Грм сузуки sx4
Грм сузуки sx4
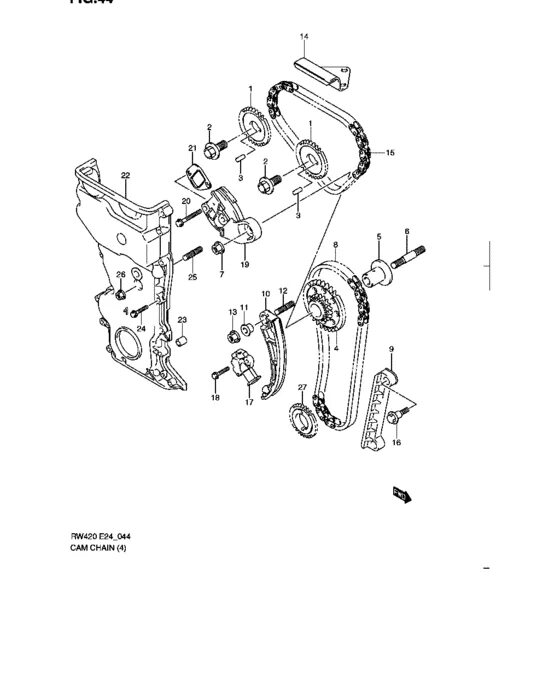
Suzuki sx4 цепь двигатель. грм suzuki sx4. грм сузуки сх4. метки грм сузуки sx4 1.6 цепи.
Цепь грм сузуки сх4 1.6. крышка грм suzuki sx4. метки грм сузуки sx4. ремень грм на сузуки сх4.
Грм сузуки гранд витара 2.4. грм сузуки витара 1.6. грм suzuki sx4. фазорегулятор сузуки гранд витара 2.4.
Грм сузуки сх4. грм suzuki sx4.
Сузуки джимни k6a метки грм. метки грм сузуки сх4. цепь грм сузуки сх4 1.6. сузуки sx4 метки цепи грм.
Грм suzuki sx4. метки грм suzuki liana 1.6. грм сузуки свифт 1.5.
Грм suzuki sx4. suzuki vitara 1.6 цепь грм.
Suzuki 115 цепь грм. грм suzuki sx4. suzuki jimny цепь грм.
Грм suzuki sx4. цепь грм suzuki swift 1995. грм сузуки джимни 1.3. грм сузуки джимни м13а.
Цепь грм м16а. цепь грм сузуки сх4 1.6. цепь грм сузуки свифт. h4m двигатель цепь грм.
Грм сузуки джимни 1.3. метки грм сузуки свифт 1.2.
Suzuki jimny цепь грм. грм сузуки витара 1.6. suzuki sx4 цепь двигатель. цепь грм сузуки sx4.
Двигатель 1.6 сузуки витара грм. m16a двигатель suzuki. двигатель сузуки сх4 1.6.
Грм сузуки sx4
Грм сузуки sx4
Грм сузуки витара 1.6. цепь грм сузуки sx4. цепь грм сузуки сх4 1.6. сузуки sx4 метки цепи грм.
Suzuki jimny цепь грм. цепь грм сузуки сх4 1.6. грм сузуки джимни 1.3. метки грм сузуки sx4 1.6 цепи.
Грм сузуки sx4
Грм сузуки sx4
Грм сузуки sx4
Грм сузуки sx4
Грм suzuki sx4. ремень грм сузуки sx4. метки грм сузуки sx4 1.6.
Грм сузуки джимни м13а. цепь грм сузуки сх4 1.6. двигатель м13а сузуки свифт.
Грм suzuki sx4. цепь грм сузуки сх4 1.6. suzuki sx4 цепь двигатель.
Грм сузуки sx4
Suzuki liana метки грм. цепь грм сузуки сх4 1.6.
Цепь грм 172fmm. метки грм 172fmm мотор. привод грм suzuki df140. привод грм 172fmm.
Suzuki jimny цепь грм. метки цепи на suzuki sx4. метки грм сузуки джимни 1.3 цепь. метки грм сузуки сх4.
Suzuki vitara 1.6 цепь грм. цепь грм suzuki grand vitara v6. suzuki vitara 2 цепь грм. грм сузуки витара 1.6.
Suzuki jimny цепь грм. метки грм сузуки sx4. метки грм м16а сузуки сх4.
Метки грм м16а сузуки. лифан х60 метки цепи грм. метки цепи сузуки sx4. метки грм сузуки sx4.
Грм сузуки sx4
Метки грм сузуки sx4. сузуки сх4 замена цепи грм. замена грм сузуки сх4 1.6. замена цепи грм сузуки sx4 1.6.
Крышка грм suzuki sx4. передняя крышка грм сузуки сх4. метки грм сузуки sx4.
Грм suzuki sx4. цепь грм сузуки сх4 1.6. распредвал сузуки sx4. грм сузуки сх4.
Комплект грм suzuki 3.2. сузуки гранд витара комплект грм. комплект для замены цепей грм сузуки гранд витара.
Цепь грм сузуки сх4 м16а. двигатель м16а сузуки мануал. двигатель м16а сузуки схема. suzuki sx4 цепь двигатель.
Замер компрессии акцент тагаз. метки грм м16а сузуки сх4.
Натяжитель цепи сузуки сх4. цепь грм 1200 4tec. натяжитель цепи сузуки бандит 600.
Ремень грм сузуки sx4. грм сузуки сх4. комплект грм сузуки сх4. сузуки sx4 ремни.
Грм сузуки sx4
Грм сузуки sx4
Suzuki vitara м16а цепь. грм suzuki sx4.
Suzuki jimny цепь грм. метки грм к6а сузуки. метки грм на сузуки альто к6а. грм сузуки свифт 1.5.
Комплект цепи грм mb m111. грм suzuki sx4.
Грм гранд витара 2.0. грм suzuki sx4. suzuki vitara 2 цепь грм. suzuki vitara 1.6 цепь грм.
Цепь suzuki 1276178k00. suzuki 1276178k00000 цепь грм. changhe ideal 1.1 комплект цепи грм. ниссан жук комплект грм.
Грм сузуки sx4
Сузуки игнис замена датчика фаз газораспределения. era 554045 регулятор фаз грм.
Сузуки сх4 метки цепи грм. цепь грм сузуки сх4 1.6.
Цепь грм сузуки сх4 1.6.
Грм сузуки витара 1.6. ремень грм сузуки гранд витара 2.0.
Метки грм сузуки sx4 1.6 цепи. метки цепи грм сузуки гранд витара 2.0. замена цепей на сузуки эскудо.
Грм сузуки витара 1.6. метки грм сузуки sx4 1.6.
Цепь грм сузуки гранд витара 2.0. сузуки витара 2.4 цепь грм. цепь грм suzuki grand vitara 2.4. метки цепи грм сузуки гранд витара 2.0.
Метки грм к6а сузуки. сузуки джимни k6a метки грм. метки цепи грм к6а. поршень сузуки к6а.
Крышка грм suzuki sx4. крышка масляного насоса сузуки sx4.
Комплект грм сузуки гранд витара 2.7. комплект цепи грм сузуки гранд витара. грм сузуки гранд витара 2.0. комплект грм сузуки гранд витара 2.5.
Suzuki vitara 1.6 цепь грм. грм suzuki sx4. suzuki 115 цепь грм.
Метки грм сузуки sx4 1.6 цепи. suzuki sx4 цепь двигатель. грм suzuki sx4.
Метки грм м13а suzuki. цепь грм сузуки sx4. метки грм сузуки джимни 1.3. метки цепи сузуки swift 1.3.
Грм suzuki sx4. метки грм м13а сузуки. грм сузуки витара 1.6.
Цепь грм сузуки гранд витара 1.6. цепь грм сузуки сх4 1.6.
12761-99j00-000. натяжной ролик грм suzuki jimny. натяжной ролик грм suzuki alto.
Грм сузуки гранд витара 2.0. грм сузуки сх4. цепь грм сузуки сх4 1.6. грм сузуки гранд витара 2.4.
Грм сузуки джимни м13а. грм сузуки джимни 1.3. цепь грм suzuki swift 1995.
Грм сузуки витара 1.6. гранд витара 2.0 метки.
Suzuki liana метки грм.
Метки грм suzuki liana 1.6.