Удиви меня
Дроссель лампы дневного света схема
Схема включения люминесцентной лампы с дросселем. схема подключения люминесцентной лампы с дросселем. схема включения лампы дневного света со стартером и дросселем. схема включения лампы дневного света без дросселя и стартера.
Схема подключения светильника с дросселем и стартером. схема лампы дневного света с дросселем и стартером на 2 лампы. схема подключения люминесцентной лампы с дросселем и стартером. схема включения люминесцентной лампы с дросселем.
Схема подключения светильника дневного света с4 лампами. схема соединения люминесцентных ламп. схема подключения люминесцентной лампы через дроссель со стартером. схема подключения 3 люминесцентных ламп.
Схему включения светильника с люминесцентной лампой. схема светильника для люминесцентных ламп 2х36. схема соединения светильников дневного света. схема подключения люминесцентной лампы с дросселем 2 лампы.
Схема подключения светильника с дросселем и стартером. схема подключения светильника с люминесцентными лампами 4х18. схема подключения ламп дневного света 2 лампы. схема включения одной лампы люминесцентной.
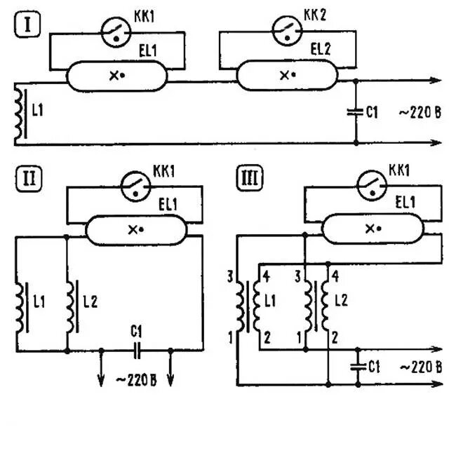
Схема включения дросселя ламп дневного света. схема включения люминесцентной лампы с дросселем. схема светильника для люминесцентных ламп с 2 дросселями. люминесцентные лампы схема подключения со стартером.
Схема подключения лампы дневного света 220в. схема подключения люминесцентной лампы с двумя дросселями и стартера. люминесцентные лампы схема подключения со стартером. схемы включения 2 ламп люминесцентных ламп.
Эл.схема подключения люминесцентной лампы. схема включения люминесцентного светильника с 2 лампами. схема светильника для люминесцентных ламп с 2 дросселями. схема соединения люминесцентных ламп.
Схема питания люминесцентной лампы 11вт. эл.схема подключения люминесцентной лампы. схемы включения компактных люминесцентных ламп. эл схема люминесцентных ламп.
Дроссель лампы дневного света схема
Схема подключения люминесцентного светильника на 2 лампы. светильник люминесцентный 2х36 схема подключения.
Схема подключения люминесцентных ламп 4х18. схема подключения люминесцентной лампы. схема включения люминесцентной лампы с дросселем. схема люминесцентной лампы с дросселем и стартером 1 лампа.
Схема лампы дневного света с дросселем. схема подключения люминесцентной лампы с дросселем. схема включения лампы дневного света без дросселя и стартера. схема подключения ламп дневного света через дроссель.
Схема соединения люминесцентных ламп. схема включения люминесцентной лампы со стартером. схема подключения люминесцентного светильника на две лампы. схема подключения светильника с люминесцентными лампами.
Лампы дневного света люминесцентные схема подключения. схема включения лампы дневного света. схема светильника для люминесцентных ламп 4х18 с двумя дросселями. схема подключения люминесцентного светильника на 4 лампы.
Схема подключения ламп дневного света 2 лампы без стартера. схема включения люминесцентной лампы со стартером. схема подключения дроссельной лампы дневного света. схема подключения светильника с люминесцентными лампами.
Схема подключения светильника с люминесцентными лампами. схема подключения 2 люминесцентных ламп. схема подключения люминесцентной лампы с дросселем и стартером. схема подключения 2 люминесцентных ламп с 2 дросселями.
Схема подключения 2 люминесцентных ламп с 2 дросселями. схема подключения светильника с люминесцентными лампами. монтажная схема подключения люминесцентной лампы. схема включения люминесцентной лампы со стартером.
Стартерная схема включения люминесцентных ламп. схема подключения ламп дневного света 2 лампы без стартера. схема включения люминесцентной лампы с дросселем. схема включения люминесцентной лампы со стартером.
Схема подключения лампы дневного света 20вт. дроссель для люминесцентных ламп 2х18вт схема подключения. схема подключения ламп дневного света без стартера 4 лампы. балласт электромагнитный для люминесцентных ламп схема подключения.
Дроссель лампы дневного света схема
Дроссель лампы дневного света схема
Схема подключения лампы дневного света с дросселем и стартером. электромагнитный дроссель для люминесцентных ламп схема. схема подключения дросселя к лампе дрл 250. стартер для люминесцентных ламп схема.
Схема подключения люминесцентной лампы с дросселем 2 лампы. схема соединения люминесцентных ламп. лампа люминесцентная 36вт схема подключения. схема светильника для люминесцентных ламп 4х18.
Схема включения люминесцентной лампы со стартером. схема проверки стартера люминесцентной лампы. стартерная схема включения люминесцентных ламп. люминесцентные лампы схема подключения со стартером.
Схема включения люминесцентной лампы со стартером. схема светильника для люминесцентных ламп 2х36. схема светильника для люминесцентных ламп с 2 дросселями. схема подключения люминесцентной лампы с дросселем 2 лампы.
Схема подключения светильника с люминесцентными лампами 4х18. схема подключения люминесцентной лампы 18вт. люминесцентный светильник схема принципиальная электрическая. схема подключения люминесцентного светильника на 2 лампы.
Схема светильника для люминесцентных ламп с 2 дросселями. схема подключения люминесцентной лампы с дросселем 2 лампы. лампы дневного света люминесцентные схема подключения. схема включения люминесцентной лампы с дросселем.
Схема запуска люминесцентных ламп. схема включения лампы дневного света без дросселя и стартера. схема подключения люминесцентной лампы без дросселя. схема включения лампы дневного света без дросселя.
Схема подключения лампы дневного света 220в. схема подключения люминесцентной лампы без дросселя. включение люминесцентной лампы без дросселя. схема включения люминесцентной лампы без дросселя.
Без стартерная схема включения люминесцентных ламп. схема включения лампы дневного света без дросселя и стартера. схема пуска люминесцентной лампы. схема подключения люминесцентной лампы через дроссель.
Дроссель лампы дневного света схема
Дроссель лампы дневного света схема
Дроссель лампы дневного света схема
Без стартерная схема включения люминесцентных ламп. схема люминесцентной лампы без стартера. схема подключения люминесцентной лампы без дросселя и стартера. схема подключения лампы дневного света без дросселя и стартера.
Паяльник из дросселя лампы дневного света. помехи от ламп дневного света. подключение лампы дневного света без дросселя и стартера на 220. как можно зажечь лампу hl.
Схема светильника для люминесцентных ламп с 2 дросселями. схема дросселя для люминесцентных ламп. схема проверки дросселя люминесцентной лампы. схема подключения дросселя к лампе.
Схема включения люминесцентной лампы 11 ватт. подключение люминесцентных ламп 220 вольт схема. схема подключения люминесцентной лампы 18вт. электрическая схема включения люминесцентного светильника.
Дроссель лампы дневного света схема
Без стартерная схема включения люминесцентных ламп. схема включения люминесцентной лампы со стартерным зажиганием. схема подключения 4 люминесцентных ламп. люминесцентный светильник схема принципиальная электрическая.