Диспетчерское наименование объекта электроэнергетики
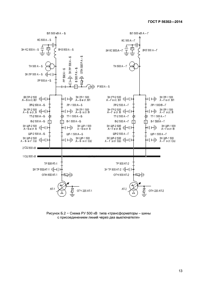
Гост р 56302-2014. размер диспетчерских наименований на пс. назначение присоединений и их диспетчерское наименование. диспетчерских наименований.Диспетчерское наименование объекта электроэнергетикиДиспетчерское наименование объекта электроэнергетикиДиспетчерское наименование объекта электроэнергетикиДиспетчерское наименование подстанции пример. диспетчерское наименование ктп образец. диспетчерские наименования электрооборудования подстанций. стандарт диспетчерских наименований электрооборудования.Диспетчерское наименование объекта электроэнергетикиДиспетчерское наименование объекта электроэнергетикиДиспетчерское наименование ктп образец. диспетчерское наименование подстанции пример. гост диспетчерские наименования для тп. диспетчерские наименования кл.Диспетчерских наименований. диспетчерское наименование объекта. пример диспетчерских наименований на разъединитель. назначение присоединений и их диспетчерское наименование.Гост р 56302-2014. сооружение электроэнергетики гост. диспетчерские наименования в электроустановках. стандарт диспетчерских наименований электрооборудования.Диспетчерские наименования гост. стандарт диспетчерских наименований электрооборудования. оперативные и диспетчерские наименования. назначение присоединений и их диспетчерское наименование.Гост 56303. стандарт диспетчерских наименований электрооборудования. гост 56303-2014. диспетчерское наименование электрооборудования это.Диспетчерское наименование объекта электроэнергетикиДиспетчерское наименование объекта электроэнергетикиДиспетчерское наименование подстанции пример. разрядник диспетчерское наименование. гост диспетчерские наименования для тп. диспетчерские наименования линейных разъединителей.Диспетчерское наименование объекта электроэнергетикиДиспетчерское наименование объекта электроэнергетикиДиспетчерское наименование объекта электроэнергетикиДиспетчерское наименование объекта электроэнергетикиСхема согласно гост р 56303-2014. гост 56303. временно нормальная схема. диспетчерские наименование насоса.Наименование присоединения. требование к размерам диспетчерским наименованиям.Диспетчерские наименования в электроустановках в схема. гост р 56302-2014. диспетчерские наименования для схемы 220-5н. назначение присоединений и их диспетчерское наименование.Диспетчерская схема подстанции 220 кв. диспетчерское наименование подстанции пример. схема 220кв мостик с диспетчерскими наименованиями. схема 5ан 220 кв название.Схема 110-4н с диспетчерскими наименованиями оборудования. диспетчерское обозначение разъединителя. диспетчерское наименование рубильника на схеме. диспетчерские наименования линейных разъединителей.Диспетчерское наименование объекта электроэнергетикиДиспетчерские наименования линейных разъединителей. диспетчерские наименования опн-10. диспетчерское наименование тп пример. диспетчерские наименования кл.Оперативно-технологическое управление в электроэнергетике. оперативно-диспетчерское управление в электроэнергетике. энергопринимающие устройства. диспетчерское ведение в электроэнергетике.Порядок оперативных переключений в электроустановках. порядок производства переключений в электроустановках. диспетчерское управление и ведение в электроэнергетике. сложные переключения в электроустановках это.Оперативное ведение и оперативное управление в электроэнергетике. оперативно-диспетчерское управление. субъект оперативно-диспетчерского управления это. диспетчерское управление в электроэнергетике.Диспетчерское наименование объекта электроэнергетикиДиспетчерское наименование объекта электроэнергетикиДиспетчерское наименование объекта электроэнергетикиДиспетчерское наименование объекта электроэнергетикиДиспетчерское наименование объекта электроэнергетикиДиспетчерское наименование объекта электроэнергетикиДиспетчерское наименование объекта электроэнергетикиДиспетчерское наименование объекта электроэнергетикиДиспетчерское наименование объекта электроэнергетикиДиспетчерское наименование объекта электроэнергетикиДиспетчерское наименование объекта электроэнергетики