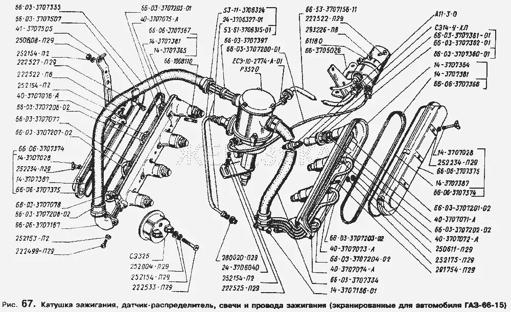
Датчик температуры газ 66. где находится датчик температуры газ 66. доп датчик температуры газель из фильтра. газ 66 датчик температуры не работает новый.Датчик давления на газ 66. датчик давления масла газ 66. датчик указателя давления масла газ 3307. указатель давления масла газ 66.Датчик температуры газ 66. где находится датчик температуры газ 66. где находятся тепловые реле газ 66. газ 66 датчик температуры не работает новый.Датчик газ 66Датчик лягушка газ 53. тормозная лягушка газ 53. лягушка тормозная газ 66. датчик тормозной газ 66.Датчик давления масла газ 66. датчик давления на газ 66. манометр давления масла газ 53. датчик давления воздуха газ 66.Датчик газ 66Панель приборов газ 66. спидометр газ 66. щиток приборов газ 66. спидометр газ 3307.Датчик давления воздуха газ 3307. датчик давления масла газ 2410. датчик давления масла газ 3309 245. датчик указателя давления масла д 245 автоприбор.Сигнализатор газ 66. датчики газ 66. газ 53 не заводится.Выключатель заднего хода газ 53. выключатель тормозного сигнала газ 53. выключатель сигнала торможения вк12б-3710600.Приборы газ 66. щиток приборов газ-66 кп121г-3805010. щиток приборов кп121г для газ-66. панель приборов газ 66.Щиток приборов газ 3307. щит приборов газ 66. газ 3307 приборная панель. щиток лампочки приборов газ 3307.Сигнализатор газ 66. лампочка зарядки газ 3307. реле зарядки газ 66. нет зарядки газ 66.Спидометр газ 66. привод спидометра газ 66. тахометр газ 66. тахометр на газ 53.Тахометр газ 66. тахометр на газ 53. тахометр на газ 66 дизель. тахометр зил 131.Панель приборов газ 66. щиток приборов газ 66. газ 3307 приборная панель. приборка газ 53.Рычаги управления газ 66. блок манжет подкачки газ 66. управление подкачкой на газ 66. подкачка колес газ 66.Датчик давления на газ 66. датчик давления газ 53. датчик давления масла газ 66. датчик давления масла газ 53.Манометр газ 66. манометр подкачки газ 66. манометр давления в шинах зил 131. манометр подкачки шин урал 4320.Датчик давления масла газ 21. датчик давления масла газ 3307. датчик давления масла газ 66. датчик указателя давления масла газ 3307.Спидометр зил 131. манометр подкачки газ 66. манометр давления в шинах зил 131. манометр для подкачки шин зил 131.Датчик газ 66Датчик уровня топлива газ 53 16-3827. датчик уровня топлива газ-3307,53,66,3309(61.3827)16.3827. датчик уровня топлива газ 3308. датчик уровня топлива газ 3307.Датчик давления на газ 66. датчик давления масла газ 21. датчик указателя давления масла газ 3307. датчик давления масла газ 66.Тормозная система газ 69. система тормозов газ 69. газ 69 гтц от газ 66. бачок тормозной жидкости газ 66.Датчик давления масла мм358-3829010. мм358 датчик давления масла камаз. датчик давления масла мм358 зил,газ,уаз до 6. датчик давления масла газ 66.Клапан регулировки давления масла двигателя мерседес 457. датчики автомобиля. om651 датчик давления масла. датчик давления green gas.Механический датчик давления масла камаз 740. датчик давления масла тахо 840. датчик давления масла газ 53 клапан. датчик давления масла мтз 80 механический.Датчик уровня топлива газ 3309. датчик уровня топлива газ 3307. датчик уровня топлива газ 53 16-3827. датчик топлива газ 3307 (61.3827(бм112).Газ 66 кабина внутри. газ 66 салон кабины. газ 66 изнутри.Датчик давления масла зил 130. масленыйдатчик. давления. зил. 131. датчик давления масла газ 66. датчик давления масла зил 131.Шланг подкачки газ 3308. шланг подкачки колеса газ 3308. шланг механического давления масла газ 3309. трубка подкачки колеса газ 3308.Ограничитель оборотов двигателя зил 130. датчик ограничителя оборотов зил 130. центробежный датчик зил 130. датчик центробежный газ 53.Датчик уровня топлива газ 3309. 16.3827 датчик уровня топлива. 61.3827 датчик уровня топлива. датчик уровня топлива газ 53.Рычаги управления газ 66. тепловой предохранитель газ 66. блок предохранителей газ 66. панель управления газ 66.Д 245 на газ 66. двигатель дизель на газ 66. газ-66 дизель 243. газ 66 с двигателем 5441.Датчик газ 66Датчик указателя уровня топлива 130-3827010 зил. датчик уровня топлива газ 66. указатель уровня топлива зил 130. датчик уровня топлива мтз 82.Схема электрооборудования газ 66 приборной панели. схема электрооборудования газ-66-11. схема электропроводки газ 66. схема панели приборов газ-53.Датчик аварийного давления воздуха газ 3309. датчик давления воздуха газ 66. датчик указателя давления масла газ 3307. датчик давления воздуха паз 3205.Амперметр газ 3307. датчик заряда аккумулятора автомобиля газ 53. лампочка указатель зарядки газ 3307. датчик зарядки газ 3307.Манометр для подкачки шин зил 131. манометр подкачки газ 66. манометр зил на газ 66. манометр давления воздуха в шинах газ 66.Датчик температуры газ 3307 артикул. тм100а-3808. датчик тм 100 характеристики.Газ 4301 датчик температуры головки. датчик температуры газ 4301 дизель. датчик температуры охлаждающей газ 3307 блока. датчик температуры газ 53.Электровентилятор на газ 66. вентилятор газ 66. радиатор газ 66. радиатор от газ 66.Топливная система газ 66. крепление коммутатора газ 66. коммутатор газ 66. v8 газ 66.Патрубки системы охлаждения газ 66. патрубки двигателя газ 53. пжд газ 66. предпусковой подогреватель газ 66.Манометр подкачки газ 66. манометр давления в шинах зил 131. манометр для подкачки шин зил 131. манометр давления воздуха в шинах газ 66.Датчик температуры уаз 469. указатель температуры двигателя уаз 469. датчик давления масла уаз 469. датчик указателя температуры на прибор уаз-452.Датчик уровня топлива газ 53. датчик уровня топлива газ 24 вольта. указатель уровня топлива газ 53. датчик топлива газ 53.Датчик газ 66Датчик давления 3829 камаз. 6032.3829 датчик. датчик аварийного давления воздуха 6032.3829-01. датчик давления воздуха газ 3309.Датчик давления масла газ 21. масляный датчик газ 24. датчик давления масла газ 66. датчик давления масла газ 53.Датчик уровня топлива газ 3307. 16.3827 датчик уровня топлива. датчик топлива газ 3307. датчик уровня топлива газ 33104.Глазок щитка приборов газ 53. лампа давления масла газ 53. глазки панели приборов газ 53. лампочка давление масла газ 53.Выключатель стоп сигнала урал 4320. выключатель стоп сигнала урал 4320 лягушка. датчик лягушка газ 53. выключатель стоп сигнала урал 5557 лягушка.Датчик давления на газ 66. датчик давления масла газ 3309 дизель. датчик давления масла газ 66. датчик давления масла механический для газ 3309.Лебедка газ 66. приемник газ 66. газ 66 без лебедки. бампер с лебедкой газ -66 и газ-3308.Провода зажигания газ 66. экранированная система зажигания газ 66. экранированный провода газ 66. экранированные свечи зажигания газ 66.Реле газ 66. реле регулятор газ 66. реле поворотов газ 66. реле зажигания газ 66.Датчик давления масла газ 66. 21yb054 датчик давления масла. датчик давления масла газ 21. 805803 датчик давления масла.Газ-66 ограничитель оборотов двигателя. ограничитель оборотов двигателя газ 53. ограничитель оборотов двигателя зил 130. вакуумный ограничитель оборотов газ 53.Шильдик на кабине газ 66. ьабличка с давлентем на гпз 66. газ 66 салон кабины. газ 66 таблички в кабине.Датчик лягушка газ 53. тормозная лягушка зил 131. датчик тормозной, лягушка газ 53. лягушка тормоза зил 130.Панель приборов газ 66. щиток приборов газ 66. щит приборов газ 66. ранний щиток приборов газ 66.Трубки топливного бака газ 3309 схема. система питания газ 3307. топливный бак газ 66. система питания двигателя газ 66.