Удиви меня
Блок управления приора распиновка
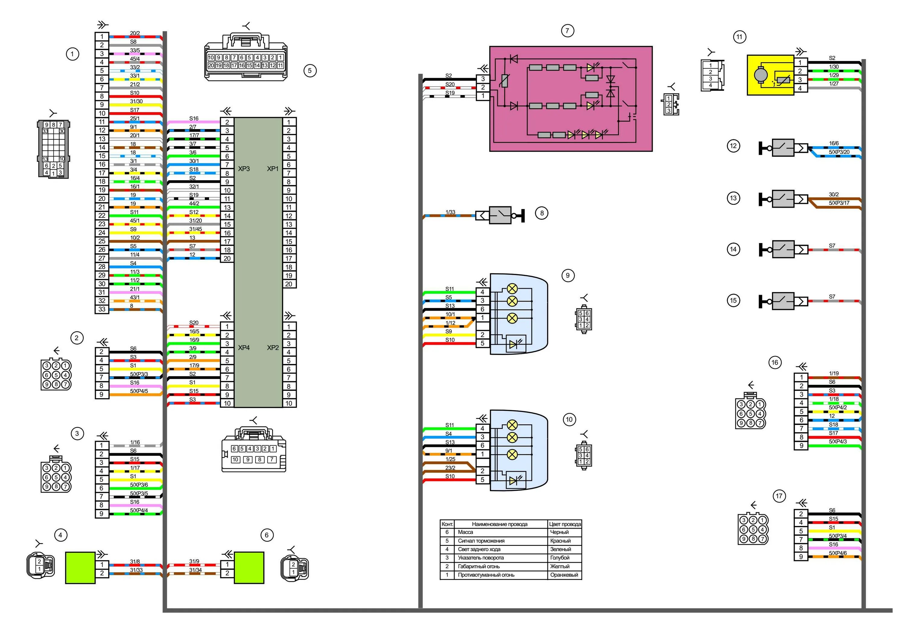
Блок цбкэ приора. 21900-3840080-11. схема проводки приора люкс. распиновка блока комфорта приора 2170-3763040.
Блок электропакета приора люкс распиновка. разъем блока комфорта приора. распиновка блока управления электропакетом 2170. распиновка блока комфорта приора 2 люкс.
Схема подключения блока комфорта приора 1. блок кузовной электроники схема приора-2 стеклоподъемников. блок комфорта 2170-3763040 распиновка. схема подключения блока комфорта приора.
Блок управления приора распиновка
Блок управления электропакета приора 2 распиновка. контроллер электропакета 1118-3763040 схема. блок управления электропакетом калина 1 распиновка. распиновка блока 2170-3763040.
Блок комфорта 2170-3763040 распиновка. блок комфорта приора люкс схема. схема блока комфорта приора 1. схема подключения блока комфорта приора.
Блок управления приора распиновка
Схема подключения задних стеклоподъемников на приоре 1. блок управления стеклоподъемников приора схема. схема подключения блока стеклоподъемников приора. блок управления стеклоподъемниками лада приора схема.
Блок управления стеклоподъемников приора схема. схема блока управления стеклоподъёмниками прилра. схема блока управления стеклоподъемниками приора. распиновка блока управления стеклоподъемниками калина.
Разъем блока комфорта приора. распиновка блока комфорта приора 2 люкс. распиновка блока комфорт приора 2015. распиновка блока стеклоподъемников 2170 3763080 приора.
Распиновка блока комфорта ваз 2170. блок комфорта приора 2170-3763040 схема. схема иммобилайзера гранта. схема подключения блока комфорта приора 1.
Схема подключения блока комфорта приора. схема блока комфорта калина 2. распиновка блока комфорта приора 2170-3763040. схема подключения блока комфорта приора 1.
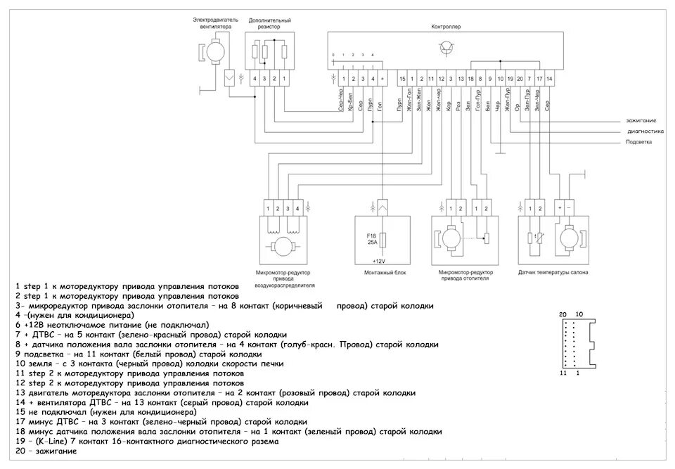
Блок управления печкой приора на ваз 2110 схема. блок управления печкой приора 1 без кондиционера. схема управления моторедуктором печки приора. блок сауо 2170-8128020 распиновка.
Схема блок управления стеклоподъемников ваз приора. схема блока комфорта приора 1. схема блока стеклоподъемников ваз 2170. схема электрическая блока управления стеклоподъёмники приора 2170.
Блок управления приора распиновка
Схема подключения блока управления стеклоподъемниками приора-2. схема блока управления стеклоподъёмников приора. схема блока стеклоподъемников приора люкс. схема проводки стеклоподъемников приора 2008.
Блок мус приора в ваз 2110. блок управления светом приора 1 схема. распиновка блока мус 2170. схема подключения мус приора 2.
Блок комфорта 2170-3763040 распиновка. схема подключения контроллера электропакета. схема подключения блока комфорта приора. схема подключения контроллера электропакета калина люкс.
Схема блока стеклоподъемников приора люкс. схема блока управления стеклоподъёмниками прилра. схема блок управления стеклоподъёмниками приора 1. блок комфорта приора люкс схема.
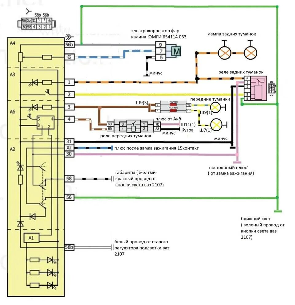
Схема аварийной сигнализации 2110. схема аварийки приора 2. схема подключения блока управления светом приора 1 на ваз 2112. блок света приора на ваз 2110.
Блок управления приора распиновка
Блок управления приора распиновка
Схема мус приора 2. блок мус приора в ваз 2110. блок управления светом приора 1 на ваз 2110. блок управления светом приора ваз 2112.
2110 управление отопителем схема. схема подключения блока управления печкой приора. подключение управление печкой 2110 схема. схема подключения блока управления отопителем ваз 2110.
Разъем мус приора. распиновка штекера мус приора 1 люкс. распиновка разъема мус калина 2. распиновка блока света лада калина.
2170 блок климат распиновка. распиновка блока 8k0907064cg. распиновка блока управления отопителя лада приора. распиновка блока климата приора.
Блок комфорта 2170-3763040 распиновка. блок комфорта калина 1 люкс 1118-3763040 распиновка. схема блока стеклоподъемников приора люкс. схема блока комфорта калина люкс.
Блок управления приора распиновка
Блок управления приора распиновка
Схема блока управления стеклоподъёмниками прилра. схема платы стеклоподъемника приора. схема блока стеклоподъемников ваз 2170. схема блока стеклоподъемника приора.
Схема подключения блока комфорта калина 1 люкс. распиновка блока управления электропакетом 2170. схема блока комфорта калина 1 люкс. распиновка блока комфорта калина 2 люкс.
Блок управления приора распиновка
Схема блока управления отопителем лада приора. распиновка разъема блока управления печкой приора. блок управления отопителем приора схема. разъем блока управления печки 2110.
Распиновка мус приора 1 люкс. блок мус приора в ваз 2110. блок мус приора 1 схема. блок управления светом приора схема.
Электросхема лада гранта 2025 климат системы кондиционера. блок сауку halla приора. блок управления отопителем прибора халла схема. блок климата приора схема.
Схема модуля управления светом ваз 2170. мус калина 2 распиновка. модуль управления светом калина 1 схема. распиновка мус калина 1.
Схема электрооборудования ваз 2170 приора. схема электрическая жгута 2170. схема эл стеклоподъемников приора 2170. схема электрооборудования ваз 2170 приора норма.
Схема подключения контроллера электропакета. блок комфорта приора 2170-3763040 схема. блок комфорта приора схема принципиальная электрическая. схема блока комфорта приора 1.
Блок управления стеклоподъемников приора схема. схема блока управления стеклоподъемниками приора. схема блока управления стеклоподъёмника приора. плата блока управления стеклоподъемниками приора.
Распиновка разъема щитка приборов калина 2. схема колодки приборной панели ваз 2110. распиновка панели приборов приора.