Удиви меня
Бинар 5s инструкция
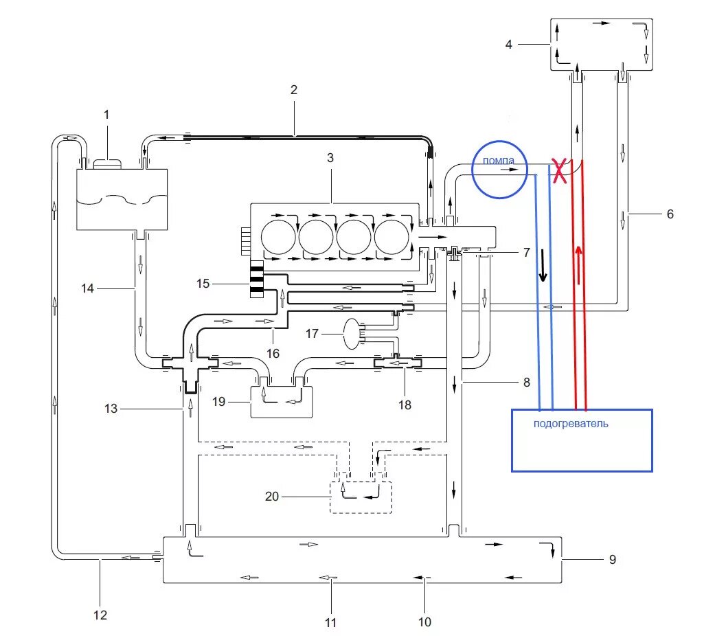
Бинар 5s чертеж. схема подключения бинар 5с дизель. бинар 5s схема электрическая. подогреватель бинар 5s чертеж.
Предпусковой подогреватель бинар 5s. подогреватель жидкостный предпусковой бинар 5d compact gp12. подогреватель предпусковой дизельный бинар-5s 5квт 12v адверс. подогреватель предпусковой binar-5s (дизель) 24в жидкостный сб. 4690.
Бинар 5s схема электрическая. бинар 5s бензин на ховер н3. схема подогревателя бинар-5с. бинар 5s неисправности.
Подогреватель предпусковой дизельный бинар-5s 12в/5квт. бинар 5s схема. подогреватель бинар 5s бензин. предпусковой подогреватель дизель бинар 5с.
Бинар 5s схема электрическая. бинар 5s дизель 24в. бинар 5 схема установки. бинар 5s чертеж.
Бинар 5s схема. бинар 5 схема установки. подогреватель бинар 5s чертеж. схема установки бинар 5s.
Предпусковой подогреватель бинар 5s дизель электросхема. подогреватель бинар 5s чертеж. схема установки предпускового подогревателя бинар 5с. схема бинар 5д компакт.
Схема бинар 5д компакт. электрическая схема бинар 5д. схема подключения бинар 5д компакт. схема проводки бинар 5д.
Бинар 5s схема электрическая. бинар 5s схема запчастей. бинар 5s схема блока управления. бинар 5 схема блока управления.
Бинар 5s подогреватель инструкция. бинар 5s размеры. программирование подогревателя бинар 5s. бинар 5с дизель размеры.
Бинар 5s дизель схема подключения электрическая. схема подключения бинар 5д компакт. схема подогревателя бинар-5с. бинар 5д схема электрическая принципиальная.
Бинар 5s инструкция
Бинар 5s 5195 дизель. пульт для бинар 5s дизель. бинар 5s дизель 12в. предпусковой подогреватель бинар 5s.
Предпусковой подогреватель бинар 5s. подогреватель бинар 5s дизель. бинар 5s 5195 дизель. предпусковой подогреватель двигателя бинар 5s дизель.
Бинар 5s схема. бинар 5s схема электрическая. подогреватель бинар 5s к сигнализации. схема подключения бинар 5с дизель.
Схема установки бинар 5s. бинар 5 схема установки. схема установки топливного насоса на вебасто. схема подключения топливного насоса вебасто.
Предпусковой подогреватель бинар 5s. схема бинар 5д компакт. подогреватель бинар 5б схема. предпусковой подогреватель дизель бинар 5с.
Бинар 5s схема. схема подключения бинар 5s дизель. электрическая схема бинар 5д. бинар 5с схема подключения.
Предпусковой подогреватель бинар 5s. схема подключения предпускового подогревателя бинар 5 с. предпусковой подогреватель дизель бинар 5с. бинар 5s схема электрическая.
Схема установки бинар. бинар 5s схема электрическая. схема установки подогревателя двигателя бинар 5s. c схема бинар-5s.
Бинар 5s дизель 12в. бинар-5s (дизель)-5170. габариты бинар 5s дизель. подогреватель предпусковой дизельный бинар-5s 12в/5квт.
Бинар 5s инструкция
Бинар 5s пу27. бинар 5s дизель таблица ошибок. коды ошибок бинар 5s дизель расшифровка. бинар 5s бензин инструкция.
Бинар 5s starline. старлайн смс команды для запуска двигателя. подключение подогревателя к старлайн а93. схема подключения бинар 5s к starline a93.
Бинар 5s инструкция
Бинар 5s инструкция
Бинар 5s инструкция
Модуль gsm для бинар 5. бинар 5д схема подключения. бинар 5s схема электрическая. электросхема бинар 5s.
Бинар 5д схема. схема подогревателя бинар-5с. бинар 5s схема электрическая. электрическая схема бинар 5д дизель.
Gsm модуль бинар 5s. бинар подключение к сигнализации. бинар 5s подключение к сигнализации. подключение бинар 5s к сигнализации starline.
Предпусковой подогреватель бинар 5s. схема бинар 5д компакт. схема подключения предпускового подогревателя бинар 5 с. схема установки предпускового подогревателя бинар 5с.
Предпусковой подогреватель бинар 5s. бинар 5s дизель. бинар 5s чертеж. габариты бинар 5s дизель.
Бинар 5s схема. схема подключения бинар 5s дизель к сигнализации. бинар 5s схема электрическая. бинар 5 s к сигнализации.
Бинар 5s мозги. бинар 5s проводка. бинар 5s гарантия. предохранители бинар 5s.
Бинар-5б-компакт комплектация. подогреватель предпусковой бензиновый бинар-5б-компакт 12вgp-мк. комплектация бинар 5s бензин. бинар 5b compact.
Предпусковой подогреватель бинар пульт управления. пульт предпускового подогревателя бинар. схема подогревателя бинар-5с. бинар воздушный отопитель.
Бинар 5s инструкция
Предпусковой подогреватель бинар 5s. предпусковой подогреватель двигателя бинар 12в бензин. подогреватель жидкостный предпусковой бинар 5d compact gp12. предпусковой подогреватель двигателя для дизеля 12в бинар.
Бинар 5д схема электрическая принципиальная. планар 4дм-24 пульт управления схема. бинар 5s схема электрическая. электрическая схема пульта управления планар 4дм-24.
Пульт для бинар 5s дизель. бинар 5s бензин пульт пу-20. подогреватель предпусковой 12в дизельный, пульт пу-20, бинар-5s#. бинар 5s пу27.
Бинар 5s инструкция
Бинар 5s инструкция
Бинар таблица ошибок. коды ошибок бинар 5s. бинар красноярск. бинар красноярск интернет магазин красноярск каталог.
Бинар 5s инструкция
Пульт для бинар 5s дизель. бинар 5s дизель чертежи. бинар 5s дизель с отопителем. горелка бинар 5s дизель.
Бинар 5б схема подключения проводов. бинар 5s схема подключения к сигнализации. схема подключения бинар 5с дизель. схема подключения автономки бинар 5 дизель.
Схема подключения подогревателя бинар 5s. схема подключения подогревателя двигателя бинар 5с. схема установки бинара 5s в систему охлаждения. схема подключения предпускового подогревателя бинар 5 с.
Starline 2 с webasto. схема подключения бинар 5s к сигнализации старлайн а93. схема подключения бинар 5s дизель к сигнализации. реле запуска старлайн.
Блок управления бинар 5s. бинар 5s замена блока управления.
Схема подключения бинар 5s дизель к сигнализации. схема подогревателя бинар-5с. бинар 5с схема подключения. бинар 5s схема подключения к сигнализации.
Бинар 5s инструкция
Бинар-5s дизель разъем. бинар-5s (дизель)-5170. пульт управления бинар 5s дизель. бинар 5s дизель 24в.
Бинар 5s схема электрическая. схема подключения бинар 5с дизель. распиновка бинар 5s. бинар 5s схема подключения к сигнализации.
Бинар 5д схема электрическая принципиальная. схема подогревателя бинар-5с. бинар 5s схема электрическая. бинар схема подключения.
Модуль gsm для бинар 5. электрическая схема подключения бинар 5с. схема подключения бинара 5 с. модуль запуска starline схема блока.
Бинар 5s схема. бинар 5s запуск с пульта. бинар 5с схема подключения. пульт для бинар 5s дизель.
Бинар 5s схема электрическая. электрическая схема бинар 5д. бинар схема подключения. бинар 5д схема электрическая принципиальная.
Бинар 5s инструкция
Бинар 5 s к сигнализации. подключить вебасто к сигнализации. подключить вебасто к сигнализации старлайн. подключение webasto к сигнализации.
Предпусковой подогреватель бинар 5s. схема установки предпускового подогревателя бинар 5с. схема подогревателя бинар-5с. бинар 5s устройство.
Бинар-5д-св. предпусковой подогреватель бинар 5б. подогреватель бинар 5б схема. бинар 5s устройство.
Бинар 5s инструкция
Модуль gsm для бинар 5. схема модема бинар 5д. gsm модем для бинар 5д компакт. схема бинар 5д компакт.
Бинар 5s схема. бинар 5s схема электрическая. винар 5s электрическая схема подключения. бинар 5s схема электрическая принципиальная.
Бинар 5s инструкция
Подогреватель бинар 5б схема. электрическая схема бинар 5с. электрическая схема бинар 5д дизель. электрическая схема бинар 5s дизель.
Бинар 5 квт бензин. предпусковой подогреватель бинар 5б. бинар 5с 24в дизель. пжд бинар-5s-24в.
Бинар 5 s к сигнализации. схема подключения сигнализации к бинару. схема подключения бинар 5s дизель к сигнализации. бинар 5s схема подключения к сигнализации.
Бинар 5б компакт проводка. предпусковой подогреватель бинар 5б. предпусковой подогреватель двигателя бинар 5s дизель. бинар 5 квт бензин.
Схема подключения вебасто фрилендер 2. схема проводки бинар 5s дизель. схема webasto freelander 2. схема подключения водяной автономки вебасто.
Схема подключения подогревателя двигателя бинар 5с. схема бинар 5s дизель. схема подключения бинар 5с дизель. схема подключения бинар 5s к печке.
Бинар 5s схема электрическая. электрическая схема бинар 5s дизель. бинар 5д схема пульта управления. подогреватель бинар 5б схема.