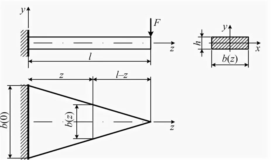
Изгиб балки переменного поперечного сечения. изгиб балок переменного поперечного сечения. прогибы балок переменного сечения. балка равного сопротивления изгибу.Изгиб балки переменного сечения. балка равного сопротивления изгибу. изгиб бруса переменного сечения. балка переменного сечения сопромат.Изгиб балки переменного поперечного сечения. изгиб бруса переменного сечения. изгиб балок переменного поперечного сечения. балка равного сопротивления изгибу.Изгиб балки переменного поперечного сечения. балка переменного сечения сопромат. расчет балки переменного сечения на изгиб. прогибы балок переменного сечения.Балка переменного сечения односкатный. чертеж балки переменного сечения. двутавровая балка переменного сечения чертеж. балка равного сопротивления изгибу.Сечение балки. разрез балки. двутавр сечение. подбор сечения главной балки.Условие прочности для балки равного сопротивления. дифур упругой линии балки. изгибающий момент балки переменного сечения. формула изгибающего момента балки.Балки равного сеченияСечение балки. высота балки. поперечное сечение. поперечные сечения балок.Тарировочная балка для тензорезисторов. балка равного сопротивления. консольная балка равного сопротивления это. балка равного сопротивления для тарировки тензометра.Балка равного сопротивления изгибу. балка равного сопротивления. брус равного сопротивления изгибу это. какие особенности имеет балка равного сопротивления?.Балка равного сопротивления изгибу. балка равного сопротивления сопромат. консольная балка переменного сечения. балка переменного сечения сопромат.Армирование сечения второстепенной балки. эскиз армирования сечения второстепенной балки. армирование второстепенной балки шириной 150. расчетное сечение второстепенной балки.Изгибающий момент в поперечном сечении балки. изгибающий момент в сечении балки. изгибающий момент в поперечном сечении. изгибающий момент в сечении с равен.Брус равного сопротивления изгибу это. сопротивление изгибу.Двутавровые балки переменного сечения. деревянная двутавровая балка сбоку чертеж. сечение металлической балки. составное сечение из двух балок двутавровых.Балка равного сопротивления изгибу. консольная балка равного сопротивления это. балка равного сопротивления для тарировки тензометра. балка равного сопротивления сопромат.Изгибающий момент сопротивления сечения. момент сопротивления поперечного сечения балки. сопротивление балки на изгиб. рациональная форма сечения балки при изгибе.Типы сечения металлических балок. сечение двутавровой деревянной балки схема. стальные балки и балочные конструкции типы сечений. деревянные балки составного сечения.Расчетная схема балки переменного сечения. изгиб балок переменного поперечного сечения. расчет балок с переменным сечением. прогибы балок переменного сечения.Расчет решетки сквозной колонны. расчет балки сложного сечения. напряжение балки сложного сечения. балки составного сечения.Жб балки 15м. железобетонная балка 12 м размеры. сечение для балки жб двутавр. балка покрытия железобетонная тавровая.Типы сечения металлических балок. компоновка сечения составной балки. сечение металлических балок. сечение металлической балки.Типы сечения металлических балок. типы поперечных сечений балок. типы сечений составных балок. ядро сечения таврового сечения.Сечение железобетонной балки. рассчитать на прочность железобетонной балки. прочность железобетонных балок по нормальному сечению.. сечения жб балок.Балка равного сопротивления изгибу. консольная балка равного сопротивления это. балка равного сопротивления изгибу формула. балка равного сопротивления определение.Балка равного сопротивления для тарировки тензометра. балка равного сопротивления изгибу. консольная балка равного сопротивления это. балка для испытаний тензорезистора.Схема армирования балки таврового сечения. жб балки таврового сечения. схема армирования двутавровой балки. армирование тавровой ж.б. балки.Подбор поперечного сечения балки. балки составного сечения. сечение балки 30н. таблица балок прямоугольного сечения.Изгиб рациональные формы сечений при изгибе. рациональная форма сечения балки при изгибе это сечение. рациональная форма поперечного сечения при изгибе бруса. рациональные сечения балок при изгибе.Двутавровые неразрезные балки чертежи. сечение металлических балок. прокатное сечение балок и составной. типы поперечных сечений балок.Сечение балки. расчет сечения двутавра. расчет сечения балки. поперечные сечения металлических балок.Балка нагружена силами f1 6 кн и f2 2 кн параметры балки l 0.5м в 5см. балка нагружена силой f 6 кн и моментом м 2 кнм. схема нагружения балки прямоугольного сечения показана на рисунке. прямоугольное сечение балки.Балки равного сеченияФормула расчета прогиба консольной балки. формула прогиба балки с жесткой заделкой. определение прогиба консольной балки формула. прогиб защемленной балки формула.Двутавровая форма поперечного сечения железобетонных балок. жб балка таврового сечения. прочность бетонного сечения балки. сечения жб балок.Метод сечений при изгибе. изгибающий момент в поперечном сечении балки. деформации при изгибе балки при изгибе. изгиб. поперечная сила и изгибающий момент в сечении.Сварка двутавровой балки чертеж. двутавровая балка 20 чертеж. балки двутавровые металлические сортамент. балка двутавровая сечение 15мм.Балки двутавровые гост 57837. двутавры гост р 57837-2017. двутавр 30ш2 сортамент. двутавр гост 57837-2017.Напряжения при изгибе балки формула. распределение нормального напряжения в сечении балки при изгибе. деформации при изгибе балки при изгибе. деформации при чистом изгибе балки.Рациональные формы сечений при изгибе. рациональные формы поперечного сечения изогнутого стержня.. рациональные формы поперечных сечений балок. рациональная форма поперечного сечения сжатого стержня.Кручение стержня прямоугольного поперечного сечения. кручение стержней прямоугольного сечения. плоский изгиб с растяжением сжатием балка с отверстием. жёсткости при кручении стержня прямоугольного поперечного сечения.Прогиб металлической балки формула. максимальный прогиб консольной балки формула. расчетная нагрузка на балку формула. расчет прогиба балки формула.Рациональные формы поперечных сечений балок при изгибе. рациональные формы поперечных сечений балок из хрупких материалов. рациональные формы сечения балок при изгибе. рациональная форма поперечного сечения балки при изгибе.Внутренние силовые факторы при деформации изгиба.. балка на изгиб формула прочность. прочность балки на изгиб формула. внутренние силовые факторы при изгибе техническая механика.Распределение касательных напряжений при изгибе двутавра. двутавровых балок касательное напряжение. напряжение при изгибе тавровой балки. распределение напряжений в сечении двутавровой балки.Балки равного сеченияНахождение момента в балке. как определить момент балки. как рассчитать усилие на изгиб балки. как считать изгибающий момент балки.Изгибающий момент формула для расчетнойнугрузки балки. расчетные схемы однопролетных балок. как рассчитать консольную балку. расчетная схема однопролетной балки.Рациональные формы поперечных сечений при изгибе. рациональные сечения балок при изгибе. рациональные формы поперечных сечений балок из хрупких материалов. рациональная форма поперечного сечения балки при изгибе.Максимальный изгибающий момент балки формула. прочность прямоугольной балки на изгиб формула. напряжения квадратной балки при изгибе формула. момент сопротивления балок при изгибе.Подбор поперечных сечений балок. рассчитать сечение балки металлической. формула прямоугольного сечения балки. подобрать поперечное сечение из условия прочности.Балки равного сеченияИзгиб балки напряжения и внутренние усилия. внутренние силовые факторы при изгибе. напряжения при чистом изгибе балки. сопротивление материалов формулы расчета.Двутавровая балка металлическая чертеж. сечения прокатных балок. усиление стальных балок чертежи. соединение двутавровых балок фланец.Тавровое сечение балки ширина полки. тавровое сечение балки арматура. высота сжатой полки в сечении таврового профиля. расчетная схема нормального сечения железобетонного элемента.Рациональные формы поперечного сечения изогнутого стержня.. рациональная форма поперечного сечения скручиваемого стержня. геометрические характеристики поперечных сечений стержней. рациональные формы сечений при изгибе.Балки равного сеченияАрмирование балок таврового сечения. жб балки таврового сечения. конструирование железобетонной балки. двускатная балка двутаврового сечения.Расчетная схема прогиба балки. максимальный изгибающий момент балки формула. формулы расчета изгибающего момента балки. формула изгибающего момента балки.Расчет балки на изгиб напряжения нормальные. испытание прочности на изгиб двутавров. расчет балок на прочность по нормальным напряжениям. расчет балок на прочность при изгибе.Поперечное сечение балки. эскиз поперечного сечения балки. напряжение в опасном сечении балки. максимальный изгибающий момент в поперечном сечении балки равен ….Напряжение при изгибающем моменте. формула изгибающего момента в сечении. формула на прочность нормального напряжения изгибаемых элементов. изгибающий момент прямоугольного сечения формула.Рассчитать сечение балки металлической. сечение двутавровой деревянной балки схема. расчет составного сечения металлических балок. изменение сечения стальных балок по длине.Консольная балка бк10. расчетная схема трёхпролетной балки. техническая механика консольные балки. конструктивная схема балки на растяжение.Армирование таврового сечения 1200х540. армирование балки таврового сечения. сечение железобетонной балки. несущая способность таврового сечения изгибаемого элемента.Балки равного сеченияПодбор поперечного сечения стальной центрально-сжатой колонны. формула расчета металлических колонн цельного сечения. требуемая площадь сечения колонны формула. металлическая колонна двутаврового сечения розетки.Рассчитать сечение балки металлической. расчет по прочности металлической балки. расчетная схема прогиба балки. калькулятор нагрузки на балку из профильной трубы.Формула изгибающего момента балки. прогиб шарнирной балки формула. максимальный изгибающий момент балки формула. схема нагружения балки крыла.Несущая способность железобетонного изгибаемого элемента. несущая способность таврового сечения изгибаемого элемента. двутавр коробчатого сечения. боковая рама коробчатого и таврового сечения.Расчет прочности внецентренно-сжатых железобетонных элементов. внецентренно сжатые элементы: условия прочности.. схема нагружения внецентренно-сжатой колонны. проверка прочности внецентренно сжатых колонн сплошного сечения..Балки равного сеченияФормула проверки сечения стальной балки. подбор поперечного сечения балки из условия прочности. расчет прочности сечения металлической балки. формула подбора сечения балки.Рациональная форма поперечного сечения балки при изгибе. рациональные формы сечения балок при изгибе. наиболее рациональной формой поперечного сечения балки при изгибе. рациональные формы поперечных сечений балок при изгибе.Балка равного сопротивления изгибу. упругая линия балки. таблица тензометра для спиц плоских сечений. балка равного сопротивления фото.Таблица метода перемещений строймех. эпюры изгибающих моментов и реакции опор метода перемещений. построение эпюр однопролетной балки. балка на двух опорах эпюры.Рациональные формы поперечного сечения изогнутого стержня.. рациональные формы сечений при изгибе. балки рациональные формы поперечного сечения. рациональная форма поперечного сечения балки при изгибе.Момент инерции таврового сечения формула. момент сопротивления таврового сечения формула. осевые моменты инерции сечения тавра. статический момент таврового сечения.Балка равного сопротивления для тарировки тензометра. тарировочный коэффициент. тарировочная балка для тензорезисторов. тарировка коэффициента.Поперечные сечения балок. типы поперечных сечений балок. балка с прямоугольным поперечным сечением. поперечное сечение балки.Метод сечений при изгибе. определение поперечной силы и изгибающего момента при изгибе балки. изгибающий момент поперечного сечения бруса при изгибе. метод сечений в балке при изгибе.Армирование балки шириной 600 мм. армирование бетонной стенки 400мм. армирование железобетонных балок каркасами. армирование балки прямоугольного сечения двойной арматурой.