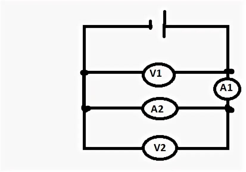
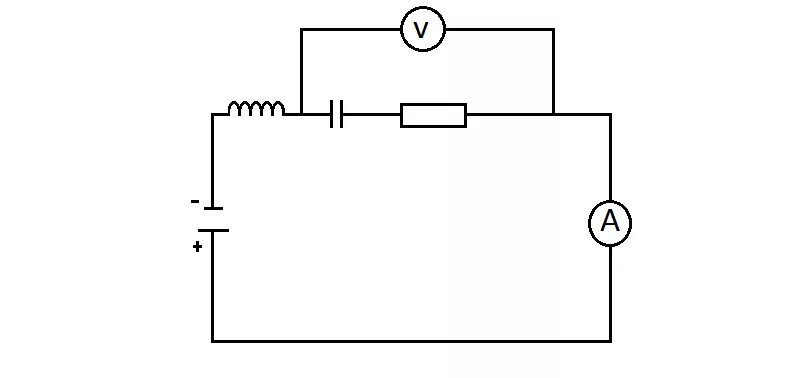
Как измерить сопротивление амперметра и вольтметра. амперметр измерение силы тока 8 класс. измерение сопротивления амперметром и вольтметром. вольтметр измеряет напряжение источника тока схема.Параллельное соединение резисторов с амперметром. последовательное соединение 2 резисторов и амперметра. последовательное соединение проводников с амперметром. параллельная цепь с резисторами и амперметрами.Амперметр с сопротивлением 2 омВольтметр с внутренним сопротивлением 200 ом. вольтметр подключенный к зажимам источника тока. вольтметр с внутренним сопротивлением 1800 ом. вольтметр с внутренним сопротивлением 2500ом.Определить показания амперметра и сопротивления. показания амперметра. как определить показания амперметра. показания амперметра на схеме.Электрическая цепь r1 r2 амперметр. резистор и внутреннее сопротивление в цепи. внутреннее сопротивление цепи постоянного тока. источник тока амперметр резистор амперметр.2 резистора соединены последовательно с вольтметром и амперметром. амперметр через резистор параллельно. амперметр между двумя резисторами. соединение амперметра вольтметра резистора и батареи.Источник с внутренним сопротивлением и сопротивление цепи. напряжение с эдс с внутренним сопротивлением. внутренне сопротивление источника. источник эдс и резистор.Амперметр с сопротивлением 2 омАмперметр 50а с шунтом. сопротивление шунта для амперметра 20а. шунт 0.005 ом. амперметр 2 предела.Электрическая цепь 4 амперметра и r1 r2 r3 r4. эдс источника 24 в с внутренним сопротивлением 2. сопротивление 0,07 ом на амперметре. вольтметр с внутренним сопротивлением 200 ом.Батареи имеюте=50 в е2=100в сопративоения. к2.r сопротивление вольтметра. определите показание амперметра с сопротивление r1 250 400. на рисунке r1 r2 r3 100 ом вольтметр показывает 200.Сопротивление никелиновой проволоки. определите силу тока в никелиновой проволоки сопротивлением. определите силу тока в никелиновой проволоке сопротивлением 26 ом..Амперметр с сопротивлением 2 омСхема амперметр постоянного тока с шунтом. шунт для амперметра. схема подключения вольтметра с добавочным сопротивлением. амперметр с шунтом 100а схема.Электрическая цепь r1 r2 амперметр. схема r1,r2 и вольтметр. внутреннее сопротивление амперметра 5 ом схема. в схеме сопротивление r1=r2=.Показания амперметра и вольтметра сопротивление. показания вольтметра. определите показания второго амперметра. определите показание первого и второго вольтметра.Входное сопротивление вольтметра. внутреннее сопротивление вольтметра. сопротивление вольтметра 1 в. вольтметр с внутренним сопротивлением 200 ом.Амперметр с сопротивлением 2 омВольтметр, подключенный последовательно с сопротивлением 7000. сопротивление катушки амперметра схема. ток короткого замыкания в схеме с амперметром и вольтметром. амперметры с токовой катушкой.Электротехника схема е1 е2 r1 r2 r3. электротехника схема е1 е2 r1 r2 r3 решение. r1=50 r2=350 r3=50 i=2а есть амперметр и вольтметр. назначение резисторов r1 и r2.Вольтметр с сопротивлением 100 ом подключенный к клеммам элемента. трансформатор 50 ом на 100 ом. сопротивление 100 ом. вольтметр с внутренним сопротивлением 200 ом.Амперметр с сопротивлением 2 омАмперметр последовательно с резистором. три резистора последовательно амперметр. 4 резистора 6 2 3 4 ом соединены. амперметр подключен последовательно к источнику тока.Вольтметр сопротивления бронепровода. пренебрегая сопротивлением амперметра. схема 220 в 3 ом 2 ом показание вольтметра. найдите показания вольтметра в схеме рис 33.13.Определить силу тока показываемую амперметром. найти силу тока показываемую амперметром в схеме. определить напряжение на зажимах элемента. определить напряжение на зажимах элемента в замкнутой цепи.Расширение пределов измерения амперметра. схема амперметра с шунтом для расширения пределов измерения. сопротивление 3 ом. определить напряжение uab.Амперметр с сопротивлением 2 омАмперметр с сопротивлением 2 омПоказания амперметра и вольтметра. показания амперметра. определить показания амперметра. определите показания амперметра если показания.Как определить показания вольтметра в цепи. три проводника сопротивлением.. показания вольтметра. определить показания амперметра.Определить показания амперметра. используя данные рисунка определите показание амперметра а. определите показания амперметра и сопротивление r2. определите показания амперметра и сопротивление r2 рисунок 123.Схема включения амперметра для измерения больших токов. шунт для амперметра своими руками 20а. шунт для амперметра 10а. предел измерения амперметра с шунтом.Сопротивление r1 = 5 ом r2 = 15 ом r3 = 10 ом r4 = показание амперметра. u=120b, r1=5ом, r2=10ом. если pv=50 в, r=10 ом, =40 ом, то амперметр покажет. 2010 3.3 ом 5%.Амперметр с сопротивлением 2 омАмперметр с сопротивлением 2 омАмперметр с сопротивлением 2 омВ каких сопротивлениях амперметр покажет ток. в каких сопротивлениях амперметр покажет ток рис 33 рис 34.0.75ом резистор для амперметра. 91с4 амперметр размеры.Амперметр с сопротивлением 2 ом