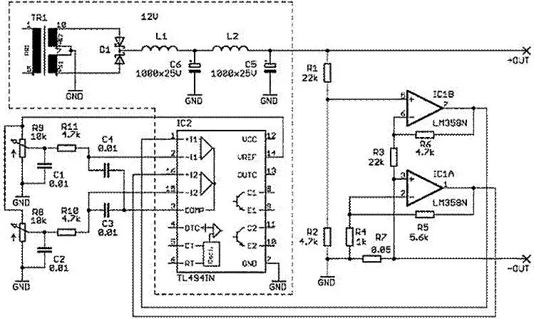
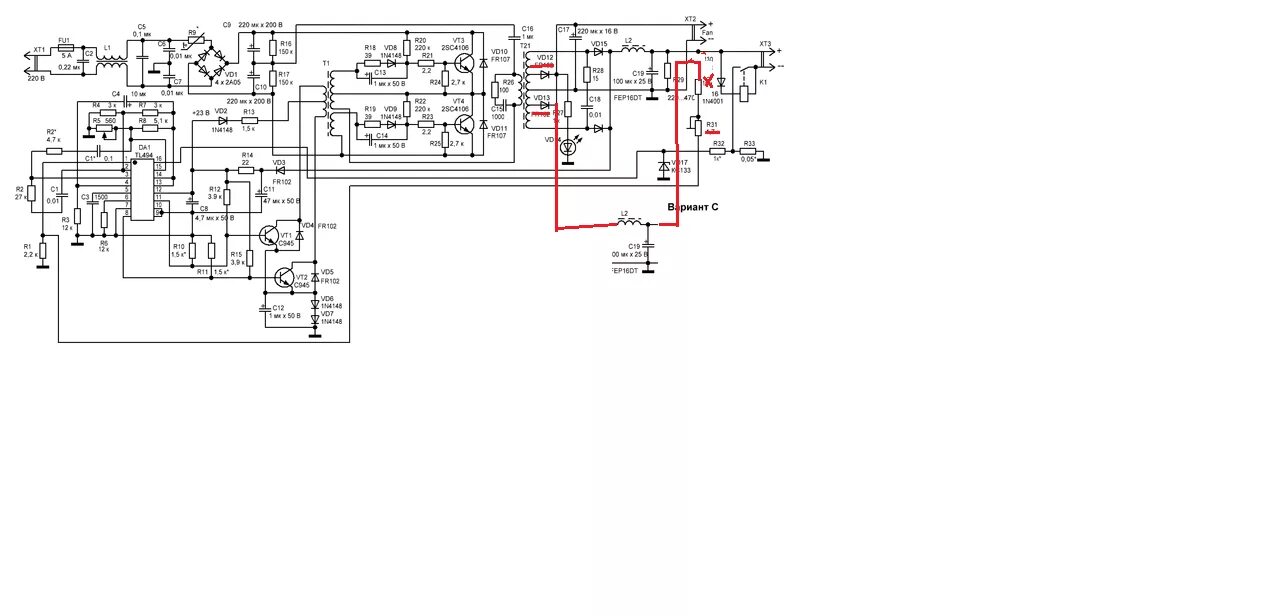
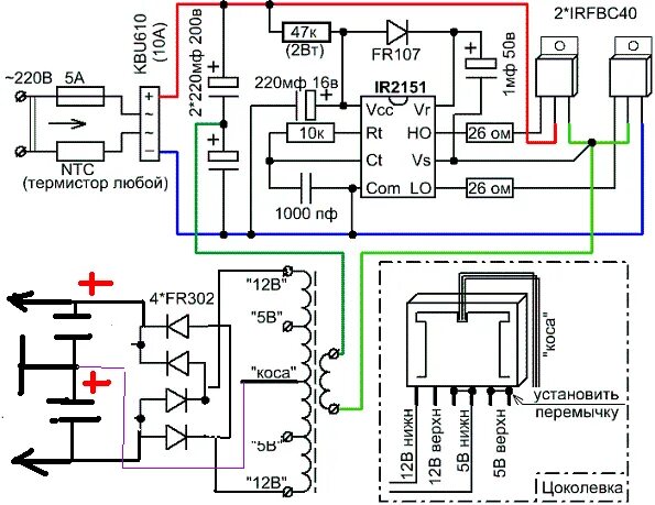
Переделка блока питания пк на 24 вольта. блок питания эленберг lvd 3203. переделка компьютерного блока питания на 24. 24 вольта из компьютерного блока питания минимальная переделка.Переделка компьютерного блока питания atx на 24в. 24в из компьютерного блока питания. бп 24в из компьютерного бп. переделка блока питания компьютера на 24 вольта.24 вольта из atx бп компьютера. блок питания orion 24 вольта. atx блок питания + 24 вольта. двухполярный блок питания из atx.Блок питания 12в из ибп. блок питания для компьютера 24 вольта. регулируемый блок питания 12в из компьютерного блока питания. 24 вольта из atx бп компьютера.Блок питания atx от 12 вольт. 24 вольта из atx бп компьютера. atx блок питания + 24 вольта. блок питания 24в из компьютерного блока.24 вольта из atx бп компьютера. atx блок питания + 24 вольта. блок питания 24 вольта из компьютерного бп. блок питания компьютера 220/115 вольт.Лабораторный блок питания 24v / 9a. корпус для лбп. корпус для лабораторного блока питания. 24в из компьютерного блока питания.Лабораторный блок питания из компьютерного. переделка atx. универсальный блок питания из компьютерного блока питания. диоды в компьютерном блоке питания.24 вольта из компьютерногоБлок питания от компьютера 12 вольт переделка. компьютерный блок питания 24 вольта. блок питания из atx. блок питания для трансивера из компьютерного.Компьютерный блок питания 24 вольта. 12 вольт из компьютерного блока питания. лабораторный блок питания из компьютерного. самоделки из компьютерного блока питания.Зарядное из блока питания компьютера. регулируемый бп из компьютерного блока питания.24 вольта из компьютерногоЛабораторный блок питания из atx. ибп из компьютерного блока питания. зарядное из бесперебойника. лабораторный блок питания из ибп.24 вольта из компьютерногоБлок питания atx на sg6105. sg6105 регулируемый блок. переделка компьютерного блока питания на шим sg6105. блок питания atx на sg6105 — переделка.24 вольта из компьютерногоAtx блок питания + 24 вольта. блок питания 12в из компьютерного блока питания. бп 24в из компьютерного бп. переделка блока питания компьютера на 24 вольта.24 вольта из компьютерного24 вольта из компьютерного24 вольта из компьютерного24 вольта из компьютерногоБлок питания 24 вольта. трансформаторный блок питание на 24 вольта. ибп на 24 вольта 5 ампер. монстр бп 24вольта 12.5 ампер 300 ватт.24 вольта из компьютерногоБлок питания 24 вольта 20 ампер. блок питания 24 в 20 ампер. блок питания 480 ватт. дроссель от компьютерного блока питания.Автомобильное зарядное из компьютерного блока питания. лабораторный блок питания из компьютерного. регулируемый бп из компьютерного блока питания. самоделки из блока питания от компьютера.Лбп из компьютерного блока питания. лабораторный блок питания из atx. корпус для лбп из блока питания atx. регулируемый блок питания из компьютерного блока питания.Блок питания от компьютера 24в. самоделки из блока питания от компьютера. 12 вольт из компьютерного блока.Самоделка из блока питания компьютера. лабораторный блок питания из компьютерного блока. переделка блока питания от компьютера. блок питания 12 вольт из компьютерного блока питания.500 вольт блок питания пк. блок питания компьютера 220/115 вольт. блок питания от компьютера 12 вольт. блок питания 12в из компьютерного блока питания.Переделка atx блока питания на 24в. переделка блока питания компьютера на 24 вольта схема. переделка блока питания пк на 24 вольта. переделка компьютерного блока питания на 24 вольт схема.24 вольта из компьютерногоЗарядное для акб из компьютерного блока питания 400 вт. 24 вольта на бп компьютера. блок питания 24 вольта от компьютера. блок питания пк 6 вольт.Переделка atx блока питания на 24в. 24 вольта из atx бп компьютера. блок питания atx от 12 вольт. блок питания 24 вольта из компьютерного бп.Блок питания на fa5322. блок питания от компьютера 12 вольт переделка. 12 вольт из компьютерного блока питания. переделанный компьютерный блок питания.Блок питания 12в из компьютерного блока питания. 24 вольта из atx бп компьютера. блок питания 12 вольт из компьютерного блока питания. блок питания компьютера 9 вольт.24 вольта из компьютерногоБлок питания 12в из компьютерного блока питания. лабораторный блок питания 12 вольт. блок питания atx от 12 вольт. лабораторный блок питания 220 вольт.12 вольт из блока питания atx. блок питания 12в из компьютерного блока питания. линия 12 вольт в блоке питания компьютера. регулируемый блок питания 12в из компьютерного блока питания.Переделка компьютерного блока питания atx на 24в. переделка atx блока питания на 24в. бп 24в из компьютерного бп. переделка блока питания компьютера на 24 вольта схема.12 вольт из блока питания компьютера. компьютерный блок питания на hs8108b. 24 вольта на бп компьютера. 12 вольт на блоке питания компьютера.24 вольта из компьютерногоБлок питания 60 вольт 20 ампер. блок питания 24 вольта. блок контроля температуры трансформатора. как получить 24 вольта из компьютерного блока питания.24 вольта из компьютерного24 вольта из компьютерного блока. переделка блока питания компьютера на 24 вольта. переделка блока питания ноутбука на 24 вольта. 24 вольта из компьютерного блока питания без переделки.Переделка блока питания компьютера на 24 вольта схема. переделка atx блока питания на 24в. переделка компьютерного бп на 24в.Переделка бп от ноутбука на 12 вольт. переделка блока питания от ноутбука на 12 вольт. переделка блока питания ноутбука на 24 вольта. переделка блока питания от ноутбука с 19 на 12 вольт.Лабораторный блок питания из компьютерного блока на tl494. лабораторный блок питания из компьютерного блока питания tl494. переделка блока atx в лабораторный блок питания. переделка компьютерного блока питания в регулируемый бп.Блок питания atx 360w microlab m-atx-360w схема шима. переделка блока питания компьютера на 24 вольта схема.24 вольта из компьютерногоПеределка компьютерного блока питания для трансивера. блок питания для трансивера из компьютерного блока питания. бп для трансивера.24 вольта из компьютерногоAp4310 схема блока питания. блок питания c482 psh. понижаем вольтаж блока питания. понижения напряжения на бп.Блок питания atx от 12 вольт. блок питания 12в из компьютерного блока питания. блок питания от компьютера 12 вольт переделка. блок питания на 12 вольт из дежурки компьютерного бп.Блок питания 12в из компьютерного блока питания. зарядное ус-во из компьютерного бп sps1804e. регулируемый блок питания 12в из компьютерного блока питания. лабораторник из компьютерного блока питания.12 вольт из блока питания компьютера. блок питания atx от 12 вольт. блок питания 12в из компьютерного блока питания. лабораторный блок питания из бп codegen 300w.Регулируемый блок питания 12в из компьютерного блока питания. переделка бп от ноутбука на 12 вольт. переделка блока питания от ноутбука в регулируемый. 12 вольт из блока питания компьютера.24 вольта из компьютерногоБлок питания atx от 12 вольт. блок питания 12в из компьютерного блока питания. 12 вольт из блока питания компьютера. блок питание 12 вольт переделки.Переделка компьютерного блока питания в лабораторный. регулируемый блок питания из компьютерного блока питания. регулируемый блок питания 12в из компьютерного блока питания. регулируемый бп из компьютерного блока питания.Блок питания от компьютера 12 вольт переделка. лабораторный блок питания 12 вольт. 12 вольт из блока питания компьютера. регулируемый блок питания 12в из компьютерного блока питания.Блок питания советский лабораторный бп. лабораторный блок питания 220 вольт. регулируемый блок питания 12в из компьютерного блока питания. лабораторный блок питания 12 вольт.24 вольта из компьютерногоРегулируемый бп из компьютерного atx fa-5-2. регулируемый бп из компьютерного блока питания. переделка атх power master fa-5-2. power master fa-5-2 250w переделка.Схема переделки компьютерного блока питания в регулируемый. переделка атх в регулируемый блок питания. лабораторный блок питания из компьютерного блока на tl494. переделка блока питания компьютера в регулируемый блок питания.Блок питания 24 вольта 1 ампер. блок питания 24 вольта 5 ампер. блок питания 24 в 8 ампер. блок питания 24 вольта в подрозетник.24 вольта из компьютерного24 вольта из компьютерногоСхема зарядного устройства из компьютерного блока питания. схемы зарядных устройств для автомобильных аккумуляторов из бп. схема переделки компьютерного блока питания. схемы переделки компьютерных блоков питания в зарядное.Переделка atx блока питания на 24в. переделка блока atx в лабораторный блок питания. переделка компьютерного блока питания atx в регулируемый блок питания. переделка блока питания компьютера в регулируемый блок питания.Ps-230wb переделка. переделка блока питания компьютера в зарядное устройство. переделка компьютерного стола. переходная плата на 494 шим.Переделка atx блока питания на 24в. лабораторный блок питания из atx бп на tl494. регулируемый блок питания из компьютерного блока питания на tl494. лабораторный блок питания из компьютерного блока питания tl494.Блок питания 12в из компьютерного блока питания. лбп из компьютерного бп. блок питания psh 200. delux atx 300w p4.24 вольта из компьютерногоПеределка блока питания компьютерного блока. зарядное ус-во из компьютерного бп sps1804e. лабораторный блок питания из бп ат.Лабораторный бп из atx. блок питания atx от 12 вольт. блок питания 12в из компьютерного блока питания. atx бп лбп.Блок питания лабораторный 24 вольта 10 ампер. лабораторный блок питания 30в. лабораторный блок питания 12 вольт. лабораторный блок питания 220 вольт.